ET916 Celdas de medida en MT

  • Contenido

1. OBJETO

Esta especificación técnica establece las características y requisitos técnicos que deben cumplir y los ensayos a los cuales deben ser sometidas las celdas de medida para 11.4kV, 13.2kV y 34,5kV.

2. ALCANCE

Esta especificación aplica para todas las celdas de este tipo que sean instaladas en el sistema de distribución de Enel Colombia S.A. ESP.

3. CONDICIONES DE SERVICIO

3.1. CONDICIONES AMBIENTALES

Las celdas podrán ser utilizadas a la intemperie o en espacios interiores bajo las siguientes condiciones:
CARACTERÍSTICAS AMBIENTALES
a. Altura sobre el nivel del mar 600 a 2 900 m
b. Ambiente Tropical
c. Humedad Mayor al 90 %
d. Temperatura máxima y mínima 45 ºC y - 5 ºC respectivamente.
e. Temperatura promedio 14 ºC.

3.2. CONDICIONES ELÉCTRICAS

Tensión Nominal del sistema 11 400 V, 13 200 V, 34 500 V
Frecuencia del sistema 60 Hz

3.3. CONDICIONES DE SERVICIO Y LUGAR DE INSTALACIÓN

Los transformadores de medida en 11.4kV, 13.2kV y 34,5kV y el medidor de BT, se alojarán en una celda metálica autosoportada, con alimentación trifásica desde las redes de distribución subterránea de 11400V, 13200V y 34500V con los siguientes objetivos:

• Alojar y facilitar la instalación del medidor electrónico de forma que el acceso a las conexiones sea exclusivo para el personal autorizado por Enel Colombia.

• Minimizar el acceso no autorizado o fraudulento de los usuarios o extraños.

• Facilitar la lectura del medidor, las revisiones y demás trabajos que sobre la instalación generen las solicitudes del cliente o las operaciones comerciales entre el cliente y Enel Colombia.

• Facilitar los procesos de corte y reconexión del servicio a los usuarios ocasionales morosos.

4. SISTEMAS DE UNIDADES

En todos los documentos técnicos se deben expresar las cantidades numéricas en unidades del sistema Internacional. Si se usan catálogos, folletos o planos, en sistemas diferentes de unidades, deben hacerse las conversiones respectivas.

5. NORMAS RELACIONADAS

Las celdas deberán cumplir con las normas relacionadas a continuación:
NORMA DESCRIPCIÓN
ASTM B 117-97 Standard practice for operating salt spray (fog) apparatus
NTC 3279 Grado de protección dado a los encerramientos. (Código IP).
ASTM D14000 Espesor mínimo de pintura
ASTM D 4541 Standard Test Method for Pull-Off Strength of Coatings Using Portable Adhesion Testers

6. REQUISITOS TÉCNICOS PARTICULARES

6.1. MATERIALES

Las celdas de medida deberán ser construidas en lámina de acero Cold Rolled calibre 16 BWG (1,588 mm ).

Todos los tornillos, tuercas, arandelas, guasas, bisagras, etc, utilizados, deberán ser galvanizados, iridizados o cromados.

6.2. PROCESO DE PINTURA

La lámina de acero utilizada en la construcción de las celdas (al igual que las celdas en proceso) debe someterse a un proceso de limpieza, desengrase y fosfatizado, el cual debe garantizar que las superficies estén libres de grasas, óxidos o cualquier elemento extraño disminuyan la adherencia (son válidos procesos químicos y/o mecánicos); en un tiempo no mayor a dos horas, después de la limpieza debe aplicarse una capa de imprímante no mayor a 20 micras y en un lapso no menor a 8 ni mayor a 16 horas (o según recomendación de fabricante de pintura) se debe aplicar una pintura epóxica, con espesor no menor a 40 micras (para un total de 60 micras), que deberá ser horneada. La pintura epóxica debe ser color gris RAL serie 70, similar al RAL 7032, resistente a los rayos ultravioleta y la intemperie. El proceso debe garantizar las características de “tropicalización”.

El espesor de pintura debe medirse con un medidor de espesores debidamente calibrado según la norma ASTM D 14000 y el espesor mínimo debe estar de acuerdo con el numeral 6.3

Para la medición de los espesores de recubrimiento se deben tener en cuenta las siguientes definiciones:

a. Lectura del espesor: Medida que muestra el medidor de espesores, al colocar una vez el censor sobre la pieza a medir.
b. Medida del espesor: Promedios de 3 lecturas de espesor tomadas a una distancia aproximada de 2,5 cm.

En pinturas horneables que garanticen la adherencia y espesores mínimos no requerirán imprímante.

Cada capa de pintura debe garantizar una adherencia mínima de 400 PSI (libras/pulgada 2 ) probada según norma NTC 3916 (ASTM D 4541 de 1995).

6.3. RESISTENCIA A LA CORROSIÓN

Las muestras deben ser nuevas y libres de grasa, aceite, polvo y otras impurezas. Para verificar la resistencia a la corrosión a dichas muestras se les hacen dos incisiones, de 0.5mm de espesor, en forma de cruz que llegue hasta el substrato.

El ensayo de corrosión se realizará de acuerdo con la norma ASTM B 117 (Prueba de Cámara Salina) bajo las siguientes condiciones: Temperatura= 35°C, ph= 6,5-7,2 y concentración de cloruro de sodio al 5% durante 400 horas. Tiempo al que se verificará:

a. La progresión de la corrosión en la incisión, debe ser inferior a 2mm.
b. No deben presentar trazas de corrosión ni burbujas.
c. El recubrimiento debe permanecer adherido a la capa de pintura conservando su color.

6.4. PUERTAS

Las puertas para todas las celdas de medida en MT, se deberán construir en lámina Cold Rolled. Todas las puertas deberán abrir únicamente en sentido lateral mínimo 120° respecto a la sección horizontal superior de la celda, poseer una manija que facilite su accionamiento y las bisagras deberán ser galvanizadas, iridizadas, cromadas, niqueladas o ser fabricadas en acero inoxidable, bronce o aluminio suficientemente fuertes para asegurar rígidamente la puerta de la estructura e instaladas sin que pierdan el recubrimiento protector.

Los pasadores de las bisagras deberán ser de acero inoxidable, bronce, latón o aluminio. Las bisagras deben estar instaladas internamente.

6.5. GRADO DE PROTECCIÓN

El grado de protección que deberá tener la envoltura exterior de las celdas deberá ser como mínimo IP4X (protegido contra cuerpos sólidos superiores a 1 mm) según Norma IEC 60529. Cuando las celdas de medida de MT estén a la intemperie se deberá dar un grado de protección IP 53 (protegido contra polvo y agua de lluvia hasta 60° de la vertical).

6.6. ESTRUCTURA

La construcción estructural de las celdas será de responsabilidad del fabricante el cual podrá elegir el sistema más conveniente, podrá ser en lámina doblada o perfiles angulares, siempre y cuando de la seguridad especifica.

Si las celdas son fabricadas en estructura de ángulo de acero éste será de 1 ½” x 1 ½” x 3/16” como mínimo, recubiertas con lámina calibre BWG 16 ( 1,588 mm) como mínimo o fabricadas en su totalidad en lámina calibre BWG 16 (1,588 mm) como mínimo con sus respectivos dobleces para garantizar una estructura sólida.
Las celdas deberán estar dotadas de un soporte móvil en ángulos que permitan la instalación de los transformadores de medida.

6.7. LAMINAS

Las láminas laterales, del fondo y superior, deberán ser en lámina de acero tipo Cold Rolled de calibre BWG 16 (1,588 mm) como mínimo.

Las láminas laterales, del fondo y superior si son removibles, deberán ser fijadas de tal forma que no se puedan soltar exteriormente, sino únicamente interiormente.

La tornillería, tuercas, arandelas de presión y arandelas planas que fijan la estructura deberán ser galvanizadas iridizadas o cromadas y los tornillos deberán tener una longitud tal que sobresalgan de la tuerca por lo menos 3 hilos sin exceder de 10 mm.

6.8. SISTEMA DE ANCLAJE

La celda deberá quedar anclado al piso. El sistema de anclaje no deberá estar en un lugar fijo de la base del tablero , sino que pueda ser desplazado sobre su base para adaptarlo a la parte civil de la obra sin necesidad de hacerle modificación alguna.

6.9. COMPARTIMIENTOS DE LA CELDA

La celda de media tensión se compone de un espacio independiente para el medidor y otro para instalar los transformadores de medida.

6.9.1. Compartimiento para el Medidor

Es exclusivo para uso del personal de Enel Colombia o el debidamente autorizado. Es un espacio de 600 x 1100 x 300 mm con puerta y transparencia en policarbonato de 3 mm para la fácil revisión, lectura y verificación de fraudes. Las dimensiones del policarbonato son de 400 x 300 mm. Ver figura 4.

La caja tendrá una perforación para el paso de un ducto PVC 1”.

Se instala el medidor electrónico sobre una bandeja la cual será removible y sujeta con tornillos. Ver figura 3.

La bandeja para el soporte del medidor será en lámina calibre BWG 18 (1,214 mm), deberá entregarse con todas las perforaciones necesarias que permitan el montaje de las borneras de prueba y el medidor.

La puerta tendrá dos bisagras, manija, bujes de seguridad , con perforaciones para colocación de sellos de seguridad de Enel Colombia y perno triangular. Esta puerta deberá tener una ventana con policarbonato transparente de 3 mm de espesor, instalados y fijados mediante doblez de la lámina, soporte metálico o polipropileno de tal forma que no sea posible retirarlos por el frente. Además tendrá un empaque de caucho (en Z) y sello con silicona para evitar el ingreso de polvo y agua. Los extremos de la ventana pueden ser redondeadas o en cortes a 90°.

Sobre ésta puerta se colocará remachada una placa de acero inoxidable, aluminio, plástico o acrílico, con la siguiente inscripción de letras indelebles:
MEDIDOR USO EXCLUSIVO Enel Colombia

El tamaño de las letras será mínimo de 10 mm de altura.

Se instalará un cable de tierra aislado No. 12 AWG entre la puerta y la celda.

6.9.2. Compartimiento para los Transformadores de Medida

Es exclusivo para uso del personal de Enel Colombia o el debidamente autorizado. Es un espacio con puerta y transparencia en acrílico de 3 mm para la fácil revisión, lectura y verificación de fraudes. Las dimensiones del acrílico son de 400 x 200 mm. Ver figura 4.

La puerta tendrá tres bisagras, manija, bujes de seguridad con perforaciones para la colocación de sellos de seguridad de Enel Colombia y perno triangular. Ésta puerta deberá tener una ventana con policarbonato transparente de 3 mm de espesor, instalados y fijados mediante doblez de la lámina, soporte metálico o polipropileno de tal forma que no sea posible retirarlos por el frente. Además tendrá un empaque de caucho (en Z) y sello con silicona para evitar el ingreso de polvo y agua. Los extremos de la ventana pueden ser redondeados o en cortes a 90 grados.

Se instalarán los transformadores de corriente y potencial de MT sobre ángulos metálicos ajustables.

Se instalará un cable de tierra flexible aislado calibre No. 2 AWG entre la puerta y la celda.

Se instalará una barra de tierra de 20 x 3 mm a lo largo de la celda que permita la conexión de los cables de las pantallas metálicas de los cables de MT, el conductor del electrodo de puesta a tierra y la unión con las celdas contiguas de MT.

Se instalará en la puerta lado derecho una tapa con acceso a una bombilla incandescente para iluminar el interior de la celda con su apagador y una rejilla de cerramiento, a fin de realizar el cambio de la bombilla sin necesidad de abrir la puerta de la celda.

La alimentación al bombillo será desde el circuito del local de la subestación , desde el transformador o de un circuito del cliente, instalado en un tubo PVC de ½“.

Sobre ésta puerta se colocará remachada según la tensión una placa de acero inoxidable, aluminio, plástico o acrílico, con la siguiente inscripción de letras indelebles:
CELDA DE MEDIDA *** USO EXCLUSIVO Enel Colombia

El tamaño de las letras será mínimo de 10 mm de altura. Los asteriscos se cambiaran por el nivel de la tensión de la red (11.4kV, 13.2kV o 34.5kV)

Además se instalarán sobre la puerta señales preventivas con el símbolo del rayo y la leyenda de “ Peligro Alta Tensión ”. Ver figura 5.

Igualmente se remachará sobre ésta puerta una placa del fabricante con características similares a la anterior y la siguiente información (el tamaño de las letras será de 3 mm como mínimo):
  • Nombre del fabricante
  • Número de serie y fecha de fabricación
  • Dirección de la fábrica y teléfono
  • Relación de los CT´s
  • Numero de fases
  • Numero de hilos
  • Nivel de tensión kV
  • Certificación del producto con norma técnica y RETIE : N° de certificado y vencimiento
  • Adicionalmente si la compra es de Enel Colombia, se incluirá la palabra BOG-CUN y la orden de compra.

7. PRUEBAS

7.1. PRUEBAS TIPO

El fabricante de las celdas deberá realizar las siguientes pruebas tipo:
  • Se efectuarán pruebas de adherencia de acuerdo con la norma NTC 3916 (ASTM D4541 de 1995).
  • Se efectuarán pruebas de resistencia a la corrosión de acuerdo con la norma ASTM B117de 1997).
  • Se realizarán pruebas del espesor de las capas de fosfatizado y acabado final de acuerdo con lo especificado en esta norma.
  • Grado de protección IP.
  • Ensayo de resistencia a la corrosión

7.2. PRUEBAS DE RECEPCIÓN

Cada una de las celdas será sometida a las siguientes pruebas:
  • Inspección visual
  • Inspección dimensional
  • Ensamblaje de los equipos y elementos complementarios.
  • Medición del espesor de pintura

8. REQUISITOS PARA LAS OFERTAS

El Oferente deberá incluir con su propuesta, la siguiente información:
  • Planilla de características técnicas garantizadas, la cual deberá ser diligenciada completamente, firmada y sellada por el oferente.
  • Catálogos originales completos y actualizados del fabricante, que correspondan a los bienes cotizados, en la planilla de características técnicas garantizadas.
  • Protocolos de pruebas de acuerdo con las normas indicadas en el numeral 5 de la presente especificación. En tales protocolos se deberán anotar las fechas de fabricación y pruebas del equipo , para permitir la verificación de las características técnicas garantizadas.
  • Información adicional que considere aporta explicación a su diseño (dibujos, detalles, características de operación, dimensiones y pesos de los materiales ofertados).

Enel Colombia S.A. podrá descartar ofertas que no cumplan con las anteriores disposiciones, sin expresión de causa ni obligación de compensación.

FIGURA 1.CELDA DE MEDIDA EN 11,4kV Y 13,2kV

FIGURA 2. CELDA DE MEDIDA EN 34,5kV CON MEDICIÓN EN DOS ELEMENTOS.

FIGURA 3. BANDEJA PARA SOPORTE DE MEDIDOR ELECTRÓNICO 350X500X40 mm.

FIGURA 4. CIERRE Y AJUSTE DE VENTANA PARA INSPECCIÓN COMPARTIMIENTO PARA MEDIDOR Y TRANSFORMADORES DE MEDIDA


FIGURA 5. SEÑAL PREVENTIVA A UBICAR SOBRE PUERTAS

FIGURA 6. CELDA DE MEDIDA EN 34,5kV CON MEDICIÓN EN TRES ELEMENTOS

FIGURA 7. CELDA DE MEDIDA EN 11,4kV y 13,2kV TIPO INTEMPERIE

FIGURA 8. CELDA DE MEDIDA 34,5kV TIPO INTEMPERIE

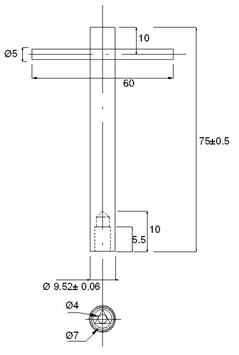
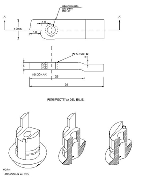
FIGURA 9A. BUJE DE SEGURIDAD

FIGURA 9B. BUJE DE SEGURIDAD

FIGURA 10. TORNILLO DE CABEZA TRIANGULAR

FIGURA 11. LLAVE PARA PERNO DE CABEZA TRIANGULAR


DATOS ADICIONALES
Revisión #

4

Fecha de entrada en vigencia

HERRAMIENTAS
RELACIONADAS

Actividad de los usuarios

Estado del comentario