ET905 Caja horizontal Para dos medidores trifásicos

  • Contenido

1. OBJETO

Establecer las condiciones que deben satisfacer las cajas horizontales para dos medidores trifásicos, las cuales deben poseer excelentes características técnicas de desempeño, durabilidad y calidad para cumplir las condiciones actuales de operación en los sistemas de distribución de energía.

2. ALCANCE

La presente especificación se aplicará a todas las cajas horizontales para dos medidores trifasicos que adquiera Enel Enel Colombia.

3. CONDICIONES DE SERVICIO

Las cajas horizontales para dos medidores trifásicos serán utilizadas en el sistema de baja tensión del área de concesión de Enel Enel Colombia, bajo las siguientes condiciones:
CARACTERÍSTICAS AMBIENTALES
Altura sobre el nivel del mar 2 640 m
Ambiente Tropical
Humedad Mayor al 90 %
Temperatura máxima y mínima 45 ºC y - 5 ºC respectivamente.
Instalación Empotrada

CARACTERÍSTICAS AMBIENTALES
Tensión Nominal del sistema 120/208 V
Tensión máxima 600 V
Disposición del sistema Trifásico tetrafilar (3 Fases + Neutro), Bifásico trifilar (2 Fases + Neutro), Monofásico bifilar (1 Fase + Neutro)
Frecuencia del sistema 60 Hz

El diseño de la caja contempla que su uso será empotrado. En caso de utilizarse sobrepuesta se debe proveer una protección externa contra lluvia ubicada en la parte superior de la caja, para garantizar la hermeticidad requerida para uso a la intemperie.

4. SISTEMA DE UNIDADES

En todos los documentos técnicos se deben expresar las cantidades numéricas en unidades del sistema Internacional (S.I.). Si se usan catálogos, folletos o planos, en sistemas diferentes de unidades, deben hacerse las conversiones respectivas.

5. NORMAS DE FABRICACIÓN Y PRUEBAS

NORMA DESCRIPCIÓN
ASTM B117 Prueba de Cámara Salina
IEC 60947 Low-voltage switchgear and controlgear - Part 1: General rules.
ISO 2859-1 Muestreo para inspección .
NTC 2154 Bloques de Terminales para uso industrial.
NTC-IEC 60529 Grados de protección dados por encerramiento de equipo eléctrico código IP.
NTC 3916 Método de ensayo para la resistencia a la tracción de recubrimientos, utilizando probadores portatiles de adherencia.
NTC-IEC 62262 Grados de protección proporcionados por los encerramientos de equipos eléctricos contra los impactos mecánicos externos (código ik)
UL 486A Wire connectors and soldering lugs for use with cooper conductors
UL 1059 Terminal Blocks
NTC 5991 Envases y embalajes. requisitos de los envases y embalajes valorizables mediante compostaje y biodegradación. programa de ensayo y criterios de evaluación para la aceptación final del envase o embalaje

Pueden emplearse otras normas internacionalmente reconocidas equivalentes o superiores a las aquí señaladas, siempre y cuando se ajusten a lo solicitado en la presente especificación técnica .

Las normas citadas en la presente especificación (o cualquier otra que llegare a ser aceptada por Enel Colombia.) se refieren a su última revisión.

6. REQUERIMIENTOS TÉCNICOS PARTICULARES

6.1 Características Generales

Las cajas horizontales para dos medidores trifásicos requeridas por Enel Enel Colombia. deben cumplir con las siguientes condiciones:

a. Ser construida con materiales de la mejor calidad debiéndose descartar el empleo de materiales alterables por la humedad, radiación solar y otras condiciones ambientales desfavorables.

b. Ser autosoportable, compacta, liviana y con una estructura completamente rígida e indeformable, sin aristas, bordes ni esquinas vivas, agudas o cortantes.

c. La posición de trabajo de la caja será vertical, para facilitar la lectura de los medidores.

d. Debe ser construida en forma troquelada y soldada en lámina de acero SAE 1010 ó similar autorizada por Enel Enel Colombia.;

e. El calibre de la lámina sin pintura debe ser como mínimo calibre 20 (0.912 mm) en las puertas y accesorios, y calibre 18 (1.21 mm) en el cuerpo.

f. Tener un índice de hermeticidad IP44 de acuerdo a la norma NTC-IEC 60529, y con grado de protección contra choques IK 10 ( 20,0. julios).

g. La caja debe estar compuesta por el cuerpo y una puerta, la cual deberá poseer todos los accesorios necesarios y suficientes para su correcta utilización, funcionamiento y fácil transporte.

h. La caja debe permitir el montaje de dos interruptores termomagnéticos tripolares o monopolares de sobreponer con tornillos, o, montaje en riel DIN y/o fijación tipo enchufable.

i. Aptas para ser empotradas en paredes de mampostería de domicilios con alimentación trifásica tetrafilar (F + F + F + N) desde las redes de distribución secundaria con los siguientes objetivos:
  • Alojar y facilitar la instalación de dos medidores trifásicos (tetrafilares) y dos interruptores termomagnéticos tripolares (o en caso de que se requiera, deben permitir la instalación de su equivalente monopolar), de forma que el acceso a las conexiones sea exclusivo para el personal autorizado por Enel Enel Colombia.
  • Facilitar la lectura del medidor, las revisiones de la instalación y demás trabajos.
  • Facilitar los procesos de corte y reconexión del servicio a los usuarios ocasionalmente morosos, desde la caja para medidor.
  • Soportar la maniobra adecuada tanto de la conexión a la red secundaria, a los interruptores y a las instalaciones internas del domicilio.
  • Proporcionar al usuario acceso únicamente a las palanquillas de los interruptores.

6.2 Características geométricas y de construcción

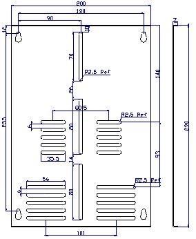
La caja horizontal para dos medidores trifásicos será de la forma y dimensiones que se muestran en las figuras anexas, teniendo en cuenta:
DIMENSIONES GENERALES
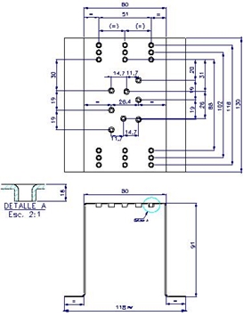
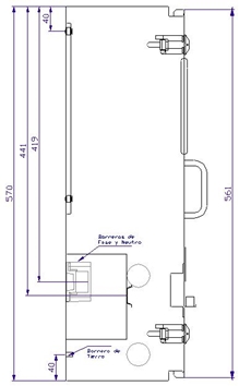
ÍTEM CUERPO SIN PESTAÑAS PUERTAS (C/U) CAJA
Ancho [mm] 600 591 600
Alto [mm] 570 561 570
Profundidad [mm] 156 17 180

6.2.1 Cuerpo

El cuerpo de la caja debe poseer perforaciones pretroqueladas para tubos metálicos, con las siguientes características:
PERFORACIONES PRETROQUELADAS
ÍTEM DIÁMETRO Pretroquelado DIÁMETRO Conduit CANTIDAD Pretroquelados
Cara superior de la caja Concéntricos: 3 c/u
35mm 1"
44mm 1 1/4"
Cara inferior de la caja 23mm 1/2" 1
35mm 1" 2
Cara lateral derecha e izquierda 35mm 1" 2 por cara


En el área inferior de la caja se deben colocar los medios para soportar el terminal de tierra , dándole una altura suficiente para que sobresalga y facilite la conexión de la caja a la red.

En la caja se encuentran dos bandejas de dimensiones 200x190 mm, que permite la instalación de medidores monofásicos o trifásicos instalados al cuerpo de la caja sobre cuatro soportes o pines de sujeción. Para permitir el ensamble del medidor a la bandeja, cada bandeja tiene ensamblado un juego de: Tres tornillos, tres tuercas zincadas, tres arandelas de presión, tres arandelas planas para tornillo N°8 - 32UNC x 5/8 longitud. Todos los componentes deben estar zincados.

Se ubicarán un par de soportes interruptor con una altura de 95mm a cada uno de los cuales se ensamblará el riel interruptor con una altura de 5.4mm por medio de tornillos, para permitir el montaje de un interruptor termomagnético tripolar o uno monopolar. Los soportes deben estar concéntricos con la caja de acceso al interruptor ubicada en la puerta, de forma tal, que la palanca de accionamiento de cualquiera de los tipos de interruptor nombrados en el literal h de características generales, pueda operar desde el compartimiento y permita la abertura y cierre de la puerta sin que se accione dicha palanca.

6.2.2 Puerta

En el área frontal de la puerta, se ubican dos ventanas de inspección con un marco (145 x 120 mm) y un visor de vidrio templado (IK8) con un espesor de 5 mm mínimo (125 x 100 mm), el marco y el visor únicamente se podrán desensamblar desde el interior de la caja.

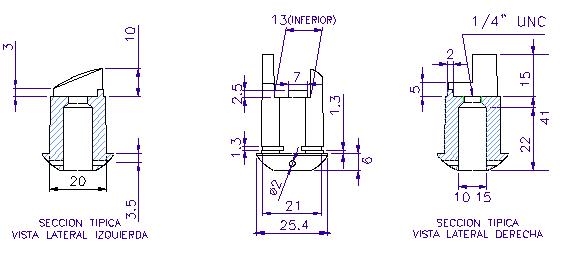
Adicionalmente, en la puerta se ubican dos ventanas de acceso al interruptor . Para limitar la abertura o acceso no autorizado al interruptor , en la tapa corrediza se debe ensamblar por medio soldado un buje de diámetro interno de 7mm y longitud de 13 mm minimo para el uso de un candado. La soldadura aplicada para dicho ensamble debe asegurar la adherencia de toda la superficie de contacto del buje a la puerta corrediza para garantizar que no se presente corrosión entre dichas áreas y su correcta funcionalidad.

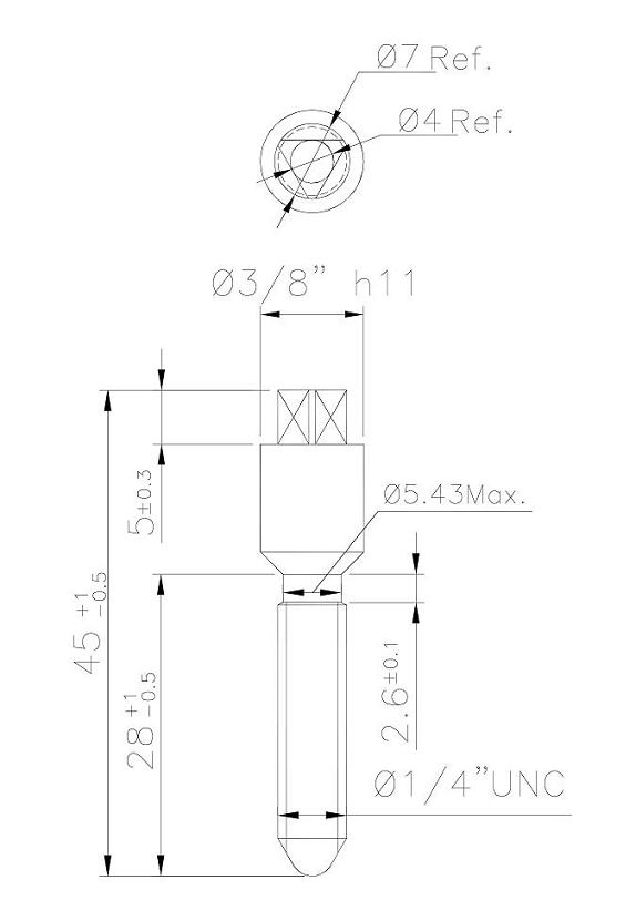
La puerta tendrá un orificio de 22 mm, para ensamblar los bujes del sistema de seguridad a la tapa con un anillo seeger para exteriores. A su vez, el buje debe permitir el ensamble de un perno de cabeza triangular RW ¼” y del sello de seguridad de Enel Enel Colombia. con una perforación de 1,3mm. Tanto el perno cabeza triangular como la llave para accionarlo, serán suministrados por
el fabricante únicamente a Enel Enel Colombia. y podrán ser reemplazados por un perno de seguridad antifraude suministrado por Enel Enel Colombia.

La caja debe ser fabricada con un marco alrededor de cada puerta con una pestaña, de forma que permita el ajuste y cierre con el cuerpo, evitando el ingreso de agua al interior de la caja, las intervenciones y el acceso no autorizado o fraudulento de los usuarios o extraños.

En la unión de cada puerta a la caja se utilizarán dos bisagras de material inoxidable en el lado derecho de la caja, permitiendo un ángulo de apertura mínima de 120 grados.

6.2.3 Borneras
El material de las borneras debe ser cobre o aleación de cobre que cumpla con los requerimientos. Para las borneras de Fase y neutro se requiere un recubrimiento que impida la oxidación de los materiales.

Para la ejecución de los ensayos requeridos en esta especificación se debe aplicar la corrientes de v especificada en las normas de referencia para el conductor máximo de instalación y cuando Enel Enel Colombia. lo requiera, se ejecutaran con los conductores máximo, mínimo e intermedio, usados en la instalación de las borneras con sus correspondientes corrientes de ensayo .

6.2.3.1. Bornera de puesta a tierra
El interior de la caja, debe contener una bornera de puesta a tierra para aterrizar el neutro, la caja y los medidores, así como los conductores de continuidad eléctrica y el electrodo de puesta a tierra . Deberá tener una capacidad no inferior de 65 A y tener la disposición de alojar conductores de calibre No.8 AWG hasta 6 AWG; para lo cual quetendrá cinco orificios en las partes laterales y cinco en su parte superior. La sujeción de los conductores que pasan a través de la bornera por los orificios laterales, deberá hacerse mediante tornillos de punta redondeada colocados a 90° de la perforación; esto asegurará una mayor superficie de contacto entre los conductores y la bornera. Esta bornera se debe sujetar a la carcasa mediante dos tornillos soldados a la cara posterior de la caja. El material de la bornera debe ser cobre o aleación de cobre.

6.2.3.2. Bornera de fase
Cada una de las tres borneras de fase debe estar aisladas entre sí y de la caja. Con una capacidad no inferior de 115 A, debe permitir la alimentación con conductor hasta 2AWG y la derivación desde 14AWG hasta 4AWG. Para lo que tendrá un alojamiento para la alimentación y dos alojamientos para la derivación; no se permiten alambrados entre borneras de dos medidores.

Los colores asignados para la identificación visual de las borneras son amarillo, azul y rojo, los cuales deben ser fijados luego del recubrimiento que impide la oxidación.

6.2.3.3. Bornera de neutro
La bornera de neutro debe estar aislada de los demás componentes de la caja. Con una capacidad no inferior de 85 A debe permitir la alimentación con conductor hasta 4 AWG y la derivación con conductores desde 14AWG hasta 6AWG; para lo que tendrá un alojamiento para la alimentación y dos alojamientos para la derivación.

El color asignado para la identificación visual de las borneras es el blanco, el cual debe ser fijado luego del recubrimiento que impide la oxidación.

6.2.3.4. Soporte borneras de fase y neutro
El soporte de las borneras de fase y neutro debe cumplir con las funciones de sujetar, separar y aislar cada una de las borneras de fase y del neutro; además de darle una altura mínima de 14mm para que sobresalga del fondo del cuerpo, de forma tal que facilite la conexión de las acometidas y contactos accidentales entre las mismas.

Para el soporte de las borneras de fase , debe tener una tapa en material polimérico transparente de fácil remoción y fijación imperdible, en el que deberá ir marcada cada una de las fases.

6.2.3.5. Sistema compresión conductor
El sistema elegido para comprimir el conductor debe garantizar su correcta sujeción sin que se presenten:
a. Desconexiones accidentales de la alimentación secundaria o de las acometidas.
b. Daños al conductor como rotura o el trozado de alguno de los hilos.
c. Anomalías por esfuerzos mecánicos y eléctricos y térmicos que generen fallas en la sujeción o conexión.

6.3 Proceso de pintura

La lámina de acero utilizada en la construcción de las cajas debe someterse a un tratamiento de limpieza, el cual debe garantizar que las superficies estén libres de grasas, óxidos o cualquier elemento extraño, se debe aplicar una pintura de color gris RAL 7032 (el cual aprobará Enel Enel Colombia.), resistente a los rayos ultravioleta.

Para procesos de recubrimiento con pintura líquida, luego del proceso de limpieza y fosfato, se debe aplicar una base de pintura epóxica con un espesor en las áreas interior y exterior de 50 µm, luego se debe aplicar un recubrimiento de pintura poliéster o acrílica con un espesor mínimo en el área exterior de 50 µm y en el área interior de 25 µm. El total de la capa de recubrimiento será de 100 µm mínimo en el área exterior y 70 µm mínimo en el área interior.

Para procesos de recubrimiento con pintura electrostática en polvo, luego del proceso de limpieza y fosfato, se debe aplicar un recubrimiento de pintura epoxipoliéster. El total de la capa de recubrimiento será mínimo de 65 µm en el área exterior y de 50 µm en el área interior.

6.4 Identificación

La caja tendrá grabado en alto relieve:
a. Inscripción en letras mayúsculas que diga “USO EXCLUSIVO DE Enel Colombia” en la puerta corrediza.
b. Logotipo o nombre del fabricante, el tamaño de la letra será de 6mm mínimo.
c. Símbolo de puesta a tierra en la parte posterior del cuerpo de la caja, correspondiente a cada bornera.
d. Cada una de las tapas corredizas de los interruptores, tendrán marcadas en su parte inferior la leyenda “CLIENTE”, respectivamente
En la parte inferior derecha de la misma tendrá una placa especificando como mínimo: Nombre fabricante, fecha y número de serie de fabricación, fecha y número de homologación.

Adicionalmente debe incluir una etiqueta en la parte inferior de 11 x 16 cm en letras negras y fondo amarillo, según modelo indicado como etiqueta NFPA 70E, en tinta indeleble y resistente a los rayos UV.



El recuadro remarcado en rojo estará destinado a un código QR, el cual será indicado por Enel Colombia al momento de la generar la respectiva orden de compra.

Entre las ventanas de inspección , se pegará una calcomanía de advertencia al cliente de 10 x 10 cm. de fondo amarillo y letras negras, que contenga el siguiente texto citado a continuación:

“IMPORTANTE” Estimados clientes: El acceso y la manipulación del medidor y conexiones eléctricas contenidas en esta caja, es prohibido. Cualquier operación y/o arreglo, debe hacerlo personal autorizado por Enel Enel Colombia. Por lo tanto no rompa, ni permita la rotura de los sellos por personal no autorizado. El incumplimiento a lo anterior ocasiona sanciones pecuniarias y suspensiones del servicio, de acuerdo con el Estatuto Nacional de Usuarios de los Servicios Públicos Domiciliarios (decreto número 1842 de 1991) en los artículos 28, 32 y 35.”

La dirección de cada una de las cuentas deberá estar plenamente identificada con marquillas, las cuales deberán ser metálicas o acrílicas, pegadas firmemente en la parte interior del visor, sin interferir con la lectura del medidor. El instalador deberá garantizar que las marquillas corresponden a la cuenta indicada, para evitar problemas de inversión de cuentas.

7. CRITERIOS DE ACEPTACIÓN O RECHAZO

7.1 Muestreo

El muestreo se realizará con base en los procedimientos y tablas estipuladas en la norma NTC-ISO 2859-1 y se acordará por las partes, previamente a la fecha de la realización de las pruebas y recepción de los bienes.

Para el desarrollo de las pruebas es indispensable que los instrumentos involucrados estén calibrados.

7.2 Aceptación o Rechazo

Si el número de elementos defectuosos es menor o igual al indicado en la tercera columna de las Tablas 1 y 2 (Norma NTC-ISO 2859-1), se deberá considerar que el lote cumple con los requisitos técnicos exigidos por Enel Enel Colombia., en caso contrario, el lote se rechazará.

TABLA 1.PLAN DE MUESTREO PARA INSPECCIÓN VISUAL Y DIMENSIONAL (NIVEL DE INSPECCIÓN II, NAC = 2,5%)
(NORMA NTC-ISO 2859-1 TABLA1 - TABLA 2A)
TAMAÑO DEL LOTE TAMAÑO DE LA MUESTRA NUMERO PERMITIDO DE DEFECTUOSOS NUMERO DEFECTUOSOS PARA RECHAZO
2 a 8 A = 2 0 1
9 a 15 B = 3 0 1
16 a 25 C = 5 0 1
26 a 50 D = 8 1 2
51 a 90 E = 13 1 2
91 a 150 F = 20 1 2
151 a 280 G = 32 2 3
281 a 500 H = 50 3 4
501 a 1200 J = 80 5 6
1201 a 3200 K =125 7 8
3201 a 10000 L =200 10 11

TABLA 2.PLAN DE MUESTREO PARA LOS ENSAYOS MECÁNICOS (NIVEL DE INSPECCIÓN ESPECIAL S-3, NAC = 2,5%)
(NORMA NTC-ISO 2859-1 TABLA1 - TABLA 2A)
TAMAÑO DEL LOTE TAMAÑO DE LA MUESTRA NUMERO PERMITIDO DE DEFECTUOSOS NUMERO DEFECTUOSOS PARA RECHAZO
2 a 8 A = 2 0 1
9 a 15 A = 2 0 1
16 a 25 B = 3 0 1
26 a 50 B = 3 0 1
51 a 90 C = 5 1 2
91 a 150 C = 5 1 2
151 a 280 D = 8 1 2
281 a 500 D = 8 1 2
501 a 1200 E = 13 1 2
1201 a 3200 E = 13 1 2
3201 a 10000 F = 20 1 2

Enel Enel Colombia se reserva el derecho de descartar las propuestas que no ofrezcan pruebas o si las ofrecidas son consideradas insuficientes para garantizar la calidad de las cajas.

Para efectuar cualquier despacho, es requisito indispensable una autorización escrita de Enel Enel Colombia., la cual será expedida con base en los resultados de las pruebas realizadas en fábrica y/o la aprobación del protocolo de pruebas realizadas por el fabricante a los bienes solicitados.

8. PRUEBAS

PRUEBAS A REALIZAR TIPOS DE PRUEBAS
Tipo / Homologación Rutina / Fabricación Aceptación / Recepción
Certificados de materiales X X X
Inspección dimensional, inspección visual y funcional (cierre - apertura de la tapa) X X X
Prueba contra impacto (código IK) X X X
Ensayo de grado de protección (código IP) X X X
Resistencia a la corrosión X
Espesor de pintura X X X
Ensayo de adherencia por tracción a pintura X X X
Análisis químico a borneras X
Cámara de amoniaco a borneras X
Ensayo de corto circuito a bornera de puesta a tierra. X
Ensayo de calentamiento estático a bornera de puesta a tierra. X
Ensayo de calentamiento cíclico a borneras de fase y neutro X
Ensayo de rigidez dieléctrica a soporte aislante borneras X
Ensayo de tracción a borneras X
Ensayo de seguridad de montaje a borneras X
Ensayo de ensamble a borneras X X X

8.1 Certificados de materiales

En las cajas metálicas debe hacerse los siguientes análisis químicos:
a. Certificado de análisis químico de la lámina del fabricante (subproveedor).
b. Certificado del tipo de pintura del fabricante (subproveedor).
c. Certificado del tipo de recubrimiento de las borneras (subproveedor) - si aplica.
d. Composición química de la bornera.

8.2 Inspección Dimensional

La verificación de las dimensiones se hará con los instrumentos de medida que den la aproximación requerida (cinta metálica con divisiones de 1 mm para longitudes y calibrador para los diámetros y espesores). El tamaño de la muestra deberá estar de acuerdo con la Tabla 1.

Se verificará con base a:
- Esquemas indicados en las figuras anexas a la presente especificación.
- Planos entregados por el fabricante y aprobados por Enel Enel Colombia.

Las tolerancias generales son:
a. Para la tapa y la base: ±3 mm,
b. Perno, Buje, platina y llave del sistema de seguridad : ±0.5 mm.

8.3 Inspección Visual

Se verificará:
a. Las marcaciones descritas en el numeral 6.4
b. La buena terminación de todos los elementos constitutivos de la tapa y sus accesorios.
c. La ausencia de grietas, sopladuras, poros, exfoliaduras, ampolladuras, raspaduras u otros defectos.

8.4 Inspección funcional

Se verificará la correcta operación de apertura y cierre de la puerta al cuerpo de la caja; la puerta tendrá una apertura máxima 120°, de igual forma se verificará el adecuado funcionamiento del dispositivo de cierre (incluyendo cambio de tornillo y el agarre de los anillos para exteriores - seeger), ensamble y desensamble de la tapa al soporte de las borneras de fase , cumpliendo el requerimiento de que sea imperdible.

8.5 Prueba contra impacto

El ensamble de la ventana de inspección (marco y transparencia de seguridad ) a la tapa y el ensamble del cuerpo y la puerta deben ser resistentes al impacto de martillo pendular de 5kg a 20 julios. Luego del impacto, la caja debe conservar su grado de protección IP manteniendo su funcionalidad en la apertura y cierre de la puerta, adicionalmente, no se deben presentar roturas en el lente ni en el marco y el conjunto debe permanecer ensamblado.

8.6 Ensayo de grado de protección (Código IP)

El índice de hermeticidad para las cajas será IP44 , este grado de protección se verificará de acuerdo a la norma NTC -IEC 60529.

8.7 Resistencia a la corrosión

Las muestras deben ser nuevas y libres de grasa, aceite, polvo y otras impurezas. A dichas muestras se les hacen dos incisiones, de 0,5mm de espesor, en forma de cruz que lleguen hasta el substrato.

El ensayo de corrosión se realizará de acuerdo con la norma ASTM B 117 (Prueba de Cámara Salina) bajo las siguientes condiciones: Temperatura= 35°C, ph= 6,5-7,2 y concentración de cloruro de sodio al 5% durante 400 horas. Tiempo al que se verificará:
a. La progresión de la corrosión en la incisión, debe ser inferior a 2mm.
b. No deben presentar trazas de corrosión ni burbujas.
c. El recubrimiento debe permanecer adherido a la capa de pintura conservando su color.
d. Los cierres y medios de acceso deben funcionar normalmente, esto, cuando se someta una caja a cámara salina.

8.8 Espesor de la pintura

El espesor de pintura debe medirse con un medidor de espesores debidamente calibrado y el espesor mínimo debe estar de acuerdo con el numeral 6.3

Para la medición de los espesores de recubrimiento se debe tener en cuenta las siguientes definiciones:
a. Lectura del espesor: Medida que muestra el medidor de espesores, al colocar una vez el censor sobre la pieza a medir.
b. Medida del espesor: Promedios de 3 lecturas de espesor tomadas a una distancia aproximada de 2,5 cm.

8.9 Ensayo de adherencia por tracción a pintura.

Todas las capas de pintura deben garantizar una adherencia mínima de 400 libras/pulg 2 , dichas capas serán evaluadas según Norma ASTM D 4541.

8.10 Análisis químico a borneras

Se debe determinar la composición química de la bornera bien sea de cobre, aleación de cobre, según norma DIN 1709 o su equivalente. Para las borneras de cobre o aleación de cobre cuya composición química en zinc exceda el 15%, se aplicará el ensayo de cámara de amoniaco del numeral 8.11.

8.11 Cámara de amoniaco a borneras

En borneras de cobre o aleación de cobre y cuyo porcentaje de zinc sea superior al 15% no deben mostrar evidencia de fisuras luego de someterla a la cámara de amoniaco con un aumento de 25X. Según norma UL 486A.

8.12 Corto circuito a bornera de puesta a tierra

Se debe ensayar la bornera con el conductor de calibre máximo de uso especificado en el numeral 6.2.3.1 de esta especificación.

Para determinar el cumplimiento de este ensayo , se debe seguir la secuencia de actividades especificadas en la UL1059 con las corrientes y mediciones establecidas para borneras de tipo comercial o industrial.

8.13 Calentamiento estático a borneras de fase y de neutro

Se debe ensayar la bornera con el conductor de calibre máximo de uso especificado en el numeral 6.2.3.2 y 6.2.3.3 de esta especificación.

Para determinar el cumplimiento de este ensayo , se debe seguir la secuencia de actividades especificadas en la NTC2154 para el calibre del conductor especificado.

8.14 Calentamiento cíclico a borneras de fase y neutro

Se debe ensayar la bornera con el conductor de calibre máximo. En el ensayo no deben usarse compensadores.

Las muestras deben someterse a 500 ciclos de encendido / apagado para los periodos de tiempo y al valor de la corriente de ensayo especificada en la NTC 2154 para el calibre del conductor especificado. El factor de estabilidad para cada una de las lecturas especificadas no debe exceder el rango ±10.

Se considera que una muestra bajo ensayo ha alcanzado la temperatura estable cuando tres lecturas tomadas con intervalos no inferiores a 10 minutos, no indiquen variación de más de 2°C entre dos medidas cualesquiera.

8.15 Rigidez dieléctrica a soporte aislante borneras

Durante un minuto se debe ensayar la bornera junto con el aislante a la tensión especificada en la norma NTC2154. Luego se somete la configuración a una tensión AC hasta que ocurra disrupción.

8.16 Ensayo de tracción a borneras

Se aplicará a la bornera una fuerza de tracción correspondiente a la sección trasversal del conductor, según valores establecidos en la NTC 2154, sin que el conductor se salga de la bornera ni la bornera se desprenda de la lámina.

8.17 Ensayo de seguridad de montaje a borneras

Se monta una bornera sobre una placa de acero o un riel suministrado por el fabricante, a cada lado de la bornera se fija un pin de acero de longitud y diámetro establecidos en la NTC 2154. Se aplica gradualmente la fuerza indicada a una distancia de 100 mm del centro de la fijación, una vez en cada dirección, alternadamente sobre cada lado de la bornera.

No se permiten golpes para aplicar la fuerza, una vez que se ha terminado el ensayo no se deben presentar deterioros en la bornera, ni soltarse algunos los medios de montaje de la misma.

8.18 Ensayo de ensamble a borneras

De acuerdo con la norma NTC 2154, se monta una bornera sobre una placa de acero o un riel suministrado por el fabricante, se inserta el conductor y se aprietan los tornillos de fijación al 110% del torque especificado por el fabricante. Luego se deben aflojar los tornillos de fijación e insertar nuevos conductores apretándolos al 110% del torque, se repite el ensayo hasta completar 5 montajes usando las mismas borneras.

Este procedimiento se debe efectuar para el conductor de mayor diámetro y el de menor diámetro; en ninguno de los dos casos debe presentarse deterioro de los tornillos, de la bornera ni del conductor.

9. EMPAQUE

Toda caja para medidor debe ir completa y cerrada. Para protegerse contra rayaduras y daños dentro del transporte, debe embalarse cada una en una caja de cartón grueso. En el exterior debe indicarse en forma impresa el “nombre del fabricante”, propiedad de “Enel Enel Colombia.”, descripción del producto “Caja Horizontal para dos Medidores Trifásicos”, número de contrato y código de inventario Enel Enel Colombia.

Para el transporte debe embalarse en estibas con un número de unidades no mayor a 50 unidades por estiba y la estiba recubierta y sellada con material plástico, sobre el cual se adherirá una etiqueta de por lo menos 30 x 30 cm que indique que no se puede almacenar mas de dos estibas en sentido vertical.

Los materiales usados para el empaque (Cartón, Plástico, Icopor, etc) deben contener como mínimo un 40% de material reciclado pos consumo o pos industrial, lo cual se demostrará conforme a lo dispuesto en la ficha técnica del producto.

Adicionalmente los plásticos usados deben ser biodegradables en un porcentaje igual o superior al 30% según lo indicado en las normas NTC-5991-2014, ASTM D6400-04, UNE-EN-ISO 13432:2000-11, DINV54900-2. De la misma manera el proveedor debe asegurar que los materiales plásticos requeridos para el empaque no deben contener sustancias de interés ambiental en su composición como Zinc (Zn), Cobre (Cu), Níquel (Ni), Cadmio (Cd), Plomo (Pb), Mercurio (Hg), Cromo (Cr), Arsénico (As) y Cobalto (Co).

Los requisitos deberán ser demostrables con una ficha técnica del material utilizado.

10. REQUISITOS DE LAS OFERTAS

El oferente obligatoriamente deberá incluir con su propuesta, la siguiente información:
  • Planilla de características técnicas garantizadas, la cual deberá ser diligenciada en formato Excel.
  • Catálogos originales completos y actualizados del fabricante, que correspondan a los bienes cotizados, en la planilla de características técnicas garantizadas.
  • Carta de garantía de los bienes cotizados.
  • Copia de los certificados del sistema de calidad y de conformidad de producto con norma técnica aplicable y RETIE. Estos certificados deben estar vigentes y deben ser expedidos por una autoridad competente debidamente autorizada por la ONAC o su equivalente.
  • Antecedentes de suministros efectuados en los últimos tres años indicando como mínimo, modelo, cantidades y destinatario.
  • Protocolos de pruebas de acuerdo con las normas indicadas en el numeral 5 de la presente especificación. En tales protocolos se deberán anotar las fechas de fabricación y pruebas del equipo , para permitir la verificación de las características técnicas garantizadas.
  • En caso que se requiera se podrán exigir muestras de cada una de las referencias ofertadas sin cargo a devolución, con cada una de las características técnicas, solicitadas y mencionadas en la presente especificación.
  • Información adicional que considere aporta explicación a su diseño (dibujos, detalles, características de operación, dimensiones y pesos de los materiales ofertados).

Enel Enel Colombia. podrá descartar ofertas que no cumplan con las anteriores disposiciones, sin expresión de causa ni obligación de compensación.

11. GARANTÍA DE FABRICA

Enel Enel Colombia requiere como mínimo, un período de garantía de fábrica de veinticuatro (24) meses, a partir de la entrega de las cajas.

FIGURA 2. VISTA FRONTAL - INTERIOR

FIGURA 3: VISTA LATERAL

FIGURA 4. VISTA LATERAL - INTERIOR

FIGURA 5. VISTA SUPERIOR

FIGURA 6. VISTA INFERIOR

fig 10 BANDEJA PARA MEDIDOR MONOFÁSICO / TRIFASICO

FIGURA 11: VENTANA DE INSPECCION

FIGURA 12. SOPORTE INTERRUPTOR

FIGURA 13. RIEL INTERRUPTOR

fig 14 TAPON REMOVIBLE - PASACABLES (forma sugerida)

Figura 11. TAPA CORREDIZA

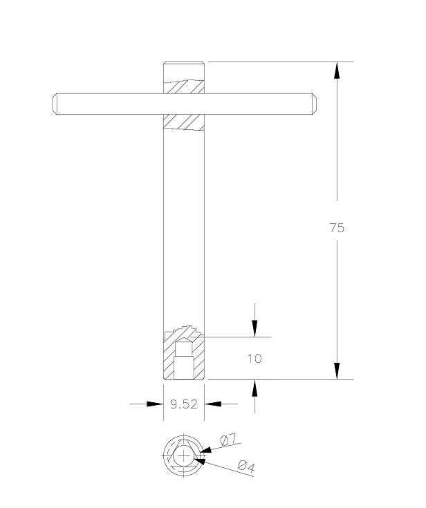
PERNOS SISTEMA DE SEGURIDAD



LLAVE PARA PERNO DEL SISTEMA DE SEGURIDAD

ANEXO 1
CARACTERÍSTICAS TÉCNICAS GARANTIZADAS
CAJA HORIZONTAL PARA DOS MEDIDORES TRIFÁSICOS
ELEMENTO CARACTERÍSTICA OFERTADO
1 Proponente País de fabricación
Fabricante
Representante del fabricante
2 Normas Fabricación y pruebas
3 Características eléctricas Tensión nominal [V]
4 Componentes. Cuenta con: Dos bandejas portamedidor (si/no)
Dos visores de vidrio templado (si/no)
Una bornera de Puesta a Tierra (si/no)
Tres borneras de fase y una bornera de neutro (si/no)
Soporte aislante bornera de neutro y de fase
Diámetro y número de pretroquelados En la parte superior
En la parte inferior
En la parte lateral
Por cada bandeja se entrega ensamblado un juego de 3 tornillos zincados, 3 tuercas zincadas, 3 arandelas de presión zincadas para tornillo, 3 arandelas planas zincadas para tornillo
2 Tornillos cabeza triangular RW 1/4" y 4 platinas de cierre(si/no)
2 Bujes en zamack para sistema de seguridad (si/no)
Llave para tornillo cabeza triangular (si/no)
5 Acabado Sin grietas, sopladuras, poros, exfoliaduras, ampolladuras, raspaduras u otros defectos
6 Marcación Logo: Terminal de puesta a tierra
Texto: "USO EXCLUSIVO Enel Colombia"
Placa con información del Fabricante
Etiqueta NFPA 70
7 Materiales Tipo de lámina
Tipo de pintura x tipo de aplicación (liquida o electrostática)
Tipo de pintura x composición química
Especificación color pintura
Material de la ventana de inspección
Material del marco de la ventana de inspección
Composición química de la bornera
Composición química del sistema de seguridad (buje y tornillo)
8 Dimensiones Tamaño de la caja Total sin bordes (ancho x alto x profundidad)
Cuerpo (ancho x alto x profundidad)
Puerta (ancho x alto x profundidad)
Calibre de la lámina sin pintura. Cuerpo
Puerta
Bandeja Portamedidor
Espesor ventana de inspección
Espesor de recubrimiento (total) Exterior
Interior
Dimensiones Bornera
Diámetro del alojamiento para el conductor que aloja la bornera de tierra (AWG)
Distancia entre centros perforaciones de anclaje de la bandeja portamedidor
9 Empaque Cumple con lo solicitado en el numeral 9 (Presentan ficha técnica del material utilizado) (si/no)
10 Ensayos Prueba contra vandalismo (20 julios)
Grado de hermeticidad (IP XX)
Horas de cámara salina (con incisión)
Adherencia de la pintura (por tracción)
Horas cámara de amoniaco
Ensayo de Tracción a bornera
Ensayo de seguridad de montaje a bornera
Ensayo de ensamble a bornera
Ensayo de corto circuito a bornera de puesta a tierra
Ensayo de calentamiento estático a borneras de fase y neutro
Ensayo de calentamiento cíclico a borneras de fase y neutro
Ensayo de rigidez dieléctrica
11 Pruebas / Ensayo Están incluidas dentro del precio del material (Si/No)
A realizar en fabrica (Describir)
12 Certificado / Sello de Producto Entidad certificadora
Número de certificado
Fecha de aprobación (Día/Mes/Año)
Vigencia
Adjunta el certificado (Si/No)
13 Certificado Sistema de calidad (Norma ISO9001) Entidad certificadora
Número de certificado
Fecha de aprobación (Día/Mes/Año)
14 Desviaciones solicitadas
15 Garantía


DATOS ADICIONALES
Revisión #

4

Fecha de entrada en vigencia

HERRAMIENTAS
RELACIONADAS

Actividad de los usuarios

Estado del comentario