ET905-2 Caja vertical Para dos medidores monofásicos
- Contenido
1. OBJETO DE LA ESPECIFICACIÓN
Establecer las condiciones que deben satisfacer las cajas verticales para dos medidores monofásicos, las cuales deben poseer excelentes características técnicas de desempeño, durabilidad y calidad para cumplir las condiciones actuales de desempeño en los sistemas de distribución de energía.2. ALCANCE
La presente especificación se aplicará a todas las cajas verticales para dos medidores monofásicos que adquiera Enel Enel Colombia.3. CONDICIONES DE SERVICIO
Las cajas verticales para dos medidores monofásicos serán utilizadas en el sistema de baja tensión del área de concesión de Enel Enel Colombia, bajo las siguientes condiciones:| CARACTERÍSTICAS AMBIENTALES | |
| a. Altura sobre el nivel del mar | 1500 a 2 640 m |
| b. Ambiente | Tropical |
| c. Humedad | Mayor al 90 % |
| d. Temperatura máxima y mínima | 45 ºC y - 5 ºC respectivamente. |
| e. Temperatura promedio | 20 ºC. |
| f. Instalación | Empotrada |
| CARACTERÍSTICAS ELÉCTRICAS | |
| a. Tensión Nominal del sistema | 120 V |
| b. Tensión máxima | 600 V |
| c. Disposición del sistema | Monofásico Bifilar (1 Fase + Neutro) |
| Monofásico Trifilar ( 2Fases + Neutro) | |
| d. Frecuencia del sistema | 60 Hz |
4. SISTEMA DE UNIDADES
En todos los documentos técnicos se deben expresar las cantidades numéricas en unidades del sistema Internacional (S.I.). Si se usan catálogos, folletos o planos, en sistemas diferentes de unidades, deben hacerse las conversiones respectivas.5. NORMAS DE FABRICACIÓN Y PRUEBAS
| NORMA | DESCRIPCIÓN | |
| ASTM | B117 | Prueba de Cámara Salina |
| ASTM | D14000 | Medición de espesores de recubrimiento |
| IEC | 29 | Degrees of protection provided by enclosures. |
| IEC | 144 | Degrees of protection of enclosures for low voltage switchgear and control gear”. |
| ISO | 2859-1 | Muestreo para inspección . |
| NTC | 2154 | Bloques de Terminales para uso industrial. |
| NTC | 3279 | Grados de protección dados por encerramiento de equipo eléctrico código IP. |
| NTC | 3916 | Método de ensayo para la resistencia a la tracción de recubrimientos, utilizando probadores portatiles de adherencia. |
| UL | 486A | Wire connectors and soldering lugs for use with cooper conductors |
| UL | 1059 | Terminal Blocks |
Las normas citadas en la presente especificación (o cualquier otra que llegare a ser aceptada por Enel Enel Colombia.) se refieren a su última revisión.
6. REQUERIMIENTOS TÉCNICOS PARTICULARES
6.1 Características Generales
Las cajas verticales para dos medidores monofásicos requeridas por Enel Enel Colombia. deben cumplir con las siguientes condiciones:a. Ser construida con materiales de la mejor calidad debiéndose descartar el empleo de materiales alterables por la humedad, radiación solar y otras condiciones ambientales desfavorables.
b. Ser Autosoportable, compacta, liviana y con una estructura completamente rígida e indeformable, sin aristas, bordes ni esquinas vivas, agudas o cortantes.
c. La posición de trabajo de la caja será vertical, para facilitar la lectura de los medidores.
d. Debe ser construida en forma troquelada y soldada en lámina de acero SAE 1010 ó similar autorizada por Enel Enel Colombia.;
e. El calibre de la lámina sin pintura debe ser como mínimo calibre 20 (0.912 mm)
f. Tener un índice de hermeticidad IP 44 de acuerdo a la norma NTC 3279 y con grado de protección contra choques IK 10 (20,0. julios).
g. La caja debe estar compuesta por: El cuerpo y dos puertas, los cuales deberán poseer todos los accesorios necesarios y suficientes para su correcta utilización, funcionamiento y fácil transporte.
h. Deben permitir el montaje de un interruptor termomagnético monopolar de sobreponer con tornillos, o, montaje en riel DIN y/o fijación tipo enchufable.
i. Aptas para ser empotradas en paredes de mampostería de domicilios con alimentación monofásica bifilar (F N) o bifásico trifilar (F F+N) desde las redes de distribución secundaria con los siguientes objetivos:
- Alojar y facilitar la instalación de dos medidores monofásicos (bifilar) y dos interruptores termomagnéticos monopolares, de forma que el acceso a las conexiones sea exclusivo para el personal autorizado por Enel Enel Colombia.
- Facilitar la lectura del medidor, las revisiones de la instalación y demás trabajos.
- Facilitar los procesos de corte y reconexión del servicio a los usuarios ocasionalmente morosos, desde la caja para medidor.
- Soportar la maniobra adecuada tanto de la conexión a la red secundaria, a los interruptores y a las instalaciones internas del domicilio.
- Proporcionar al usuario acceso únicamente a las palanquillas de los interruptores.
6.2 Características geométricas y de construcción
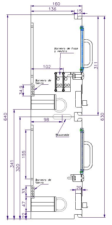
La caja vertical para dos medidores monofásicos será de la forma y dimensiones que se muestran en las figuras anexas, teniendo en cuenta:| DIMENSIONES GENERALES | |||
| ÍTEM | CUERPO SIN PESTAÑAS | PUERTAS | CAJA |
| Ancho [mm] | 200 | 191 | 200 |
| Alto [mm] | 640 | 310 | 640 |
| Profundidad [mm] | 136 | 15 | 160 |
El cuerpo de la caja debe poseer perforaciones pretroqueladas para tubos metálicos, con las siguientes características:
| PERFORACIONES PRETROQUELADAS | |||
| ÍTEM | DIÁMETRO PETROQUELADO | DIÁMETRO CONDUIT | CANTIDAD PETROQUELADO |
| Cara superior de la caja | Concentricos: | 2 c/u | |
| 28 mm | ¾ “ | ||
| 35mm | 1" | ||
| Cara inferior de la caja | 23mm | 1/2" | Puesta a tierra |
| Concentricos: | 1 c/u | ||
| 28 mm | ¾ “ | ||
| 35 mm | 1" | ||
| Cara lateral derecha e izquierda | Concentricos: | 2 por cara | |
| 28 mm | ¾ “ | ||
| 35mm | 1" | ||
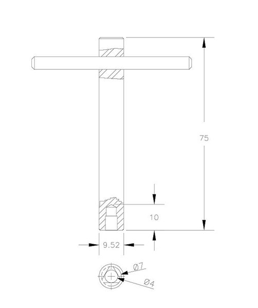
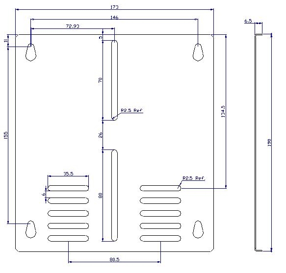
En cada uno de los compartimientos, se encuentra una bandeja monofásica de dimensiones 173 x 190 mm, instaladas al cuerpo de la caja sobre cuatro soportes o pines de sujeción. Para permitir el ensamble del medidor a la bandeja, cada bandeja tiene ensamblado un juego de: Tres tornillos, tres tuercas zincadas, tres arandelas de presión, tres arandelas planas para tornillo N°8 - 32UNC x 5/8 long. Todos los componentes deben estar zincados.
Se ubicará un soporte interruptor en cada compartimiento con una altura de 72mm al que se ensamblará el riel interruptor con una altura de 5.4mm por medio de tornillos, para permitir el montaje de un interruptor termomagnético monopolar. Los soportes deben estar concéntricos con la caja de acceso al interruptor ubicada en la puerta, de forma tal, que la palanca de accionamiento de cualquiera de los tipos de interruptor nombrados en el literal h de características generales, pueda operar desde el compartimiento y permita la abertura y cierre de la puerta sin que se accione dicha palanca
Para evitar el deterioro del conductor en el paso entre compartimientos, en cada división deberá tener un pasa cable para tal fin, con un diámetro de 50.8mm.
6.2.2 Puerta
En el área frontal de las dos puertas se ubican las ventanas de inspección con un marco (145 x 120 mm) y una transparencia de seguridad en policarbonato de alto impacto con un espesor de 3 mm min. (125 x 100 mm), el marco y el visor únicamente se podrán desensamblar desde el interior de la caja.
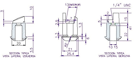
Adicionalmente, en cada puerta se ubican dos ventanas de acceso al interruptor . Para limitar la abertura o acceso no autorizado al interruptor , en la tapa corrediza se debe ensamblar por medio soldado un buje de diámetro interno de 7mm y longitud de 13mm min. para el uso de un candado, la soldadura aplicada para dicho ensamble debe asegurar la adherencia de toda la superficie de contacto del buje.a la puerta corrediza para garantizar el que no se presente corrosión entre dichas áreas y su correcta funcionalidad.
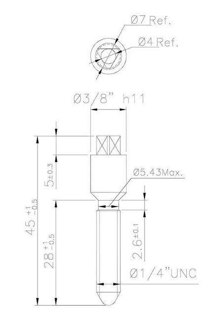
Cada una de las dos puertas tendrán un orificio de 22 mm, para ensamblar los bujes del sistema de seguridad a la tapa con un anillo seeger para exteriores. A su vez, el buje debe permitir el ensamble de un perno de cabeza triangular RW ¼” y del sello de seguridad de Enel Enel Colombia. con una perforación de 1.3mm. Tanto el perno cabeza triangular como la llave para accionarlo, serán suministrados por el fabricante únicamente a Enel Enel Colombia. y podrán ser reemplazados por un perno de seguridad antifraude suministrado por Enel Enel Colombia.
La caja debe ser fabricada con un marco alrededor de cada puerta con una pestaña, de forma que permita el ajuste y cierre con el cuerpo, evitando el ingreso de agua al interior de la caja, las intervenciones y el acceso no autorizado o fraudulento de los usuarios o extraños.
En la unión de cada puerta a la caja se utilizaran dos bisagras de material inoxidable en el lado derecho de la caja, permitiendo un ángulo de apertura mínima de 120 grados.
6.2.3 Borneras
El material de la bornera debe ser cobre o aleación de cobre que cumpla con los requerimientos. Para las borneras de fase y neutro se requiere un recubrimiento que impida la oxidación de los materiales.
Para la ejecución de los ensayos requeridos en esta especificación se debe aplicar las corrientes de ensayo especificada en las normas de referencia para el conductor máximo de instalación y cuando Enel Enel Colombia. lo requiera se ejecutaran con lo conductores máximo, mínimo e intermedio, usados en la instalación de las borneras con sus correspondientes corrientes de ensayo .
6.2.3.1. Bornera de puesta a tierra
El interior de la caja, debe contener una bornera de puesta a tierra en cada compartimiento para aterrizar el neutro, los conductores de continuidad eléctrica y el electrodo de puesta a tierra . Esta bornera, deberá tener una capacidad no inferior de 50 A y tener la disposición de alojar conductores de calibre No.10AWG hasta 8AWG, para lo cual tendrá cuatro orificios en las partes laterales y cuatro en su parte superior. La sujeción de los conductores que pasan a través de la bornera por los orificios laterales, deberá hacerse mediante tornillos de punta redondeada colocados a 90° de la perforación; esto asegurará una mayor superficie de contacto entre los conductores y la bornera. Esta bornera se debe sujetar a la carcasa mediante dos tornillos soldados a la cara posterior de la caja. El material de la bornera debe ser cobre o aleación de cobre.
6.2.3.2. Bornera de fase
La bornera de fase debe estar aislada de la caja. Con una capacidad no inferior de 115 A, debe permitir la alimentación con conductor hasta 2 AWG y la derivación desde 14 AWG hasta 4 AWG. Para lo que tendrá un alojamiento para la alimentación y dos alojamientos para la derivación; no se permiten alambrados entre borneras de dos medidores.
El color asignado para la identificación visual de la bornera es el rojo, el cual debe ser fijado luego del recubrimiento que impide la oxidación.
6.2.3.3. Bornera de neutro
La bornera de neutro debe estar aislada de los demás componentes de la caja. Con una capacidad no inferior de 85 A debe permitir la alimentación con conductor hasta 4AWG y la derivación con conductores desde 14AWG hasta 6AWG; para lo que tendrá un alojamiento para la alimentación, dos alojamientos para la derivación y uno para derivación a tierra .
El color asignado para la identificación visual de las borneras es el blanco, el cual debe ser fijado luego del recubriendo que impide la oxidación.
6.2.3.4. Soporte bornera de fase y neutro
El soporte de la bornera de fase y neutro debe cumplir con las funciones de sujetar, separar y aislar la bornera de fase y de neutro; además de darle una altura mínima de 14mm para que sobresalga del fondo del cuerpo, de forma tal que facilite la conexión de las acometidas y contactos accidentales entre las mismas.
Para el soporte de la bornera de fase , debe tener una tapa en material polimérico transparente de fácil remoción y fijación imperdible.
6.2.3.5. Sistema compresión conductor
El sistema elegido para comprimir el conductor debe garantizar su correcta sujeción sin que se presenten:
a. Desconexiones accidentales de la alimentación secundaria o de las acometidas.
b. Daños al conductor como rotura o el trozado de alguno de los hilos.
c. Anomalías por esfuerzos mecánicos y eléctricos y térmicos que generen fallas en la sujeción o conexión.
6.3 Proceso de pintura
La lámina de acero utilizada en la construcción de las cajas debe someterse a un tratamiento de limpieza, el cual debe garantizar que las superficies estén libres de grasas, óxidos o cualquier elemento extraño, se debe aplicar una pintura de color gris RAL 7032 (el cual aprobará Enel Enel Colombia.), resistente a los rayos ultravioleta.Para procesos de recubrimiento con pintura líquida, luego del proceso de limpieza y fosfato, se debe aplicar una base de pintura epóxica con un espesor en las áreas interior y exterior de 50 µm, luego se debe aplicar un recubrimiento de pintura poliéster o acrílica con un espesor en el área exterior de 50 µm mín. y en el área interior de 25 µm mín. El total de la capa de recubrimiento será de 100 µm mín. en el área exterior y 70 µm mín. en el área interior de recubrimiento.
Para procesos de recubrimiento con pintura electrostática en polvo, luego del proceso de limpieza y fosfato, se debe aplicar un recubrimiento de pintura epoxipoliéster. El total de la capa de recubrimiento será mínimo de 65 µm mín en el área exterior y de 50 µm mín en el área interior de recubrimiento.
6.4 Identificación
La caja tendrá grabado en alto relieve:a. Inscripción en letras mayúsculas que diga “USO EXCLUSIVO DE Enel Colombia” en la puerta corrediza.
b. Logotipo o nombre del fabricante, el tamaño de la letra será de 6mm mínimo.
c. Símbolo de puesta a tierra en la parte posterior del cuerpo de la caja, correspondiente a cada bornera.
d. Cada una de las tapas corredizas de los interruptores, tendrán marcadas en su parte inferior la leyenda “CLIENTE”, respectivamente.
En la parte inferior derecha de la misma tendrá una placa especificando como mínimo: Nombre, teléfono y ciudad donde se ubica el fabricante, fecha de fabricación, serie de fabricación y fecha de homologación del producto .
En el área media de la puerta se pegará una calcomanía de advertencia al cliente de fondo amarillo y letras negras, que contenga el siguiente texto citado a continuación:
| “IMPORTANTE” Estimados clientes: El acceso y la manipulación del medidor y conexiones eléctricas contenidas en esta caja, es prohibido. Cualquier operación y/o arreglo, debe hacerlo personal autorizado por Enel Enel Colombia. Por lo tanto no rompa, ni permita la rotura de los sellos por personal no autorizado. El incumplimiento a lo anterior ocasiona sanciones pecuniarias y suspensiones del servicio, de acuerdo con el Estatuto Nacional de Usuarios de los Servicios Públicos Domiciliarios (decreto número 1842 de 1991) en los artículos 28, 32 y 35.” |
La dirección de cada una de las cuentas deberá estar plenamente identificada con marquillas, las cuales deberán ser metálicas o acrílicas, pegadas firmemente en la parte interior del visor, sin interferir con la lectura del medidor.
El instalador deberá garantizar que las marquillas corresponden a la cuenta indicada, para evitar problemas de inversión de cuentas.
7. CRITERIOS DE ACEPTACIÓN O RECHAZO
Para este caso se considerará que existe un lote cuando:a. Los materiales de producción pertenecen a un mismo lote de materia prima.
b. Las cajas se construyen en un solo lote de producción.
7.1 Muestreo
El muestreo se realizará con base en los procedimientos y tablas estipuladas en la norma NTC-ISO 2859-1 “Procedimientos de muestreo para Inspección por Atributos. Parte 1: Planes de muestreo determinados por el nivel aceptable de calidad para inspección lote a lote ” y se acordará por las partes, previamente a la fecha de la realización de las pruebas y recepción de los bienes.Para el desarrollo de las pruebas es indispensable que los instrumentos involucrados estén calibrados.
7.2 Aceptación o Rechazo
Si el número de elementos defectuosos es menor o igual al indicado en la tercera columna de las Tablas 1 y 2 (Norma NTC-ISO 2859-1), se deberá considerar que el lote cumple con los requisitos técnicos exigidos por Enel Enel Colombia., pero en caso contrario, el lote se rechazará.TABLA 1 PLAN DE MUESTREO PARA INSPECCIÓN VISUAL Y DIMENSIONAL(NIVEL DE INSPECCIÓN II, NAC = 2,5%)
(NORMA NTC-ISO 2859-1 TABLA1 - TABLA 2A)
| TAMAÑO DEL LOTE | TAMAÑO DE LA MUESTRA | NUMERO PERMITIDO DE DEFECTUOSOS | NUMERO DEFECTUOSOS PARA RECHAZO |
| 2 a 8 | A = 2 | 0 | 1 |
| 9 a 15 | B = 3 | 0 | 1 |
| 16 a 25 | C = 5 | 0 | 1 |
| 26 a 50 | D = 8 | 1 | 2 |
| 51 a 90 | E = 13 | 1 | 2 |
| 91 a 150 | F = 20 | 1 | 2 |
| 151 a 280 | G = 32 | 2 | 3 |
| 281 a 500 | H = 50 | 3 | 4 |
| 501 a 1200 | J = 80 | 5 | 6 |
| 1201 a 3200 | K =125 | 7 | 8 |
| 3201 a 10000 | L =200 | 10 | 11 |
(NORMA NTC-ISO 2859-1 TABLA1 - TABLA 2A)
| TAMAÑO DEL LOTE | TAMAÑO DE LA MUESTRA | NUMERO PERMITIDO DE DEFECTUOSOS | NUMERO DEFECTUOSOS PARA RECHAZO |
| 2 a 8 | A = 2 | 0 | 1 |
| 9 a 15 | A = 2 | 0 | 1 |
| 16 a 25 | B = 3 | 0 | 1 |
| 26 a 50 | B = 3 | 0 | 1 |
| 51 a 90 | C = 5 | 1 | 2 |
| 91 a 150 | C = 5 | 1 | 2 |
| 151 a 280 | D = 8 | 1 | 2 |
| 281 a 500 | D = 8 | 1 | 2 |
| 501 a 1200 | E = 13 | 1 | 2 |
| 1201 a 3200 | E = 13 | 1 | 2 |
| 3201 a 10000 | F = 20 | 1 | 2 |
Para efectuar cualquier despacho, es requisito indispensable una autorización escrita de Enel Enel Colombia., la cual será expedida con base en los resultados de las pruebas realizadas en fábrica y/o la aprobación del protocolo de pruebas realizadas por el fabricante a los bienes solicitados.
8. PRUEBAS
El fabricante deberá remitir los protocolos de los siguientes ensayos realizados por un laboratorio acreditado ante la Superintendencia de Industria y Comercio SIC , o un organismo internacional reconocido para la elaboración de prueba.Las cajas de medidores deben cumplir con:
a. Certificados de materiales.
b. Inspección dimensional, inspección visual y funcional
(cierre - apertura de la tapa).
c. Prueba contra impacto (código IK).
d. Ensayo de grado de protección (código IP).
e. Resistencia a la corrosión .
f. Espesor de pintura.
g. Ensayo de adherencia por tracción a pintura.
h. Análisis químico a borneras.
i. Cámara de amoniaco a borneras.
j. Corto circuito a bornera a puesta a tierra .
k. Calentamiento estático a bornera de tierra .
l. Calentamiento cíclico a borneras de fase y neutro.
m. Rigidez dieléctrica a soporte aislante borneras.
n. Ensayo de tracción a borneras.
o. Ensayo de seguridad de montaje a borneras.
p. Ensayo de ensamble a borneras.
8.1 Certificados de materiales
Para las cajas metálicas se debe copia de los siguientes certificados:a. Certificado de análisis químico de la lámina del fabricante (subproveedor).
b. Certificado del tipo de pintura del fabricante (subproveedor).
c. Certificado del tipo de recubrimiento de las borneras (subproveedor) - si aplica.
d. Certificado del policarbonato del fabricante (subproveedor).
e. Certificado de composición química de las borneras.
8.2 Inspección Dimensional
La verificación de las dimensiones se hará con los instrumentos de medida que den la aproximación requerida (cinta metálica con divisiones de 1 mm para longitudes y calibrador para los diámetros y espesores). El tamaño de la muestra deberá estar de acuerdo con la Tabla 1.Se verificará con base a:
- Esquemas indicados en las figuras anexas a la presente especificación.
- Planos entregados por el fabricante y aprobados por Enel Enel Colombia.
Las tolerancias generales son:
a. Para la tapa y la base: ±3 mm,
b. Perno, Buje, platina y llave del sistema de seguridad : ±0.5 mm.
8.3 Inspección Visual
Se verificará:a. Las marcaciones descritas en el numeral 6.4
b. La buena terminación de todos los elementos constitutivos de la tapa y sus accesorios.
c. La ausencia de grietas, sopladuras, poros, exfoliaduras, ampolladuras, raspaduras u otros defectos.
8.4 Inspección funcional
Se verificará el correcto cierre y apertura de la puerta al cuerpo, la apertura de la puerta 120° mínimo, el adecuado funcionamiento del dispositivo de cierre (incluyendo cambio de tornillo y el agarre de los anillos para exteriores - seeger), ensamble y desensamble de la tapa al soporte borneras de fase cumpliendo el requerimiento de que sea imperdible.8.5 Prueba contra impacto
El ensamble de la ventana de inspección (marco y transparencia de seguridad ) a la tapa y el ensamble del cuerpo y la puerta deben ser resistentes al impacto de martillo pendular de 5kg a 20 julios. Luego del impacto, la caja debe conservar su grado de protección IP manteniendo su funcionalidad en la apertura y cierre de la puerta, adiconalmente, no se deben presentar roturas en el lente ni en el marco y el conjunto debe permanecer ensamblado.8.6 Ensayo de grado de protección (Código IP)
El índice de hermeticidad para las cajas será IP44 , este grado de protección se verificará de acuerdo a la norma NTC 3279.8.7 Resistencia a la corrosión
Las muestras deben ser nuevas y libres de grasa, aceite, polvo y otras impurezas. A dichas muestras se les hacen dos incisiones, de 0.5mm de espesor, en forma de cruz que llegue hasta el substrato.El ensayo de corrosión se realizará de acuerdo con la norma ASTM B 117 (Prueba de Cámara Salina) bajo las siguientes condiciones: Temperatura= 35°C, ph= 6,5-7,2 y concentración de cloruro de sodio al 5% durante 400 horas. Tiempo al que se verificará:
a. La progresión de la corrosión en la incisión, debe ser inferior a 2mm.
b. No deben presentar trazas de corrosión ni burbujas.
c. El recubrimiento debe permanecer adherido a la capa de pintura conservando su color.
d. Los cierres y medios de acceso deben funcionar normalmente, esto, cuando se someta una caja a cámara salina.
8.8 Espesor de la pintura
El espesor de pintura debe medirse con un medidor de espesores debidamente calibrado según la norma ASTM D 14000 y el espesor mínimo debe estar de acuerdo con el numeral 6.3Para la medición de los espesores de recubrimiento tener en cuenta las siguientes definiciones:
a. Lectura del espesor: Medida que muestra el medidor de espesores, al colocar una vez el censor sobre la pieza a medir.
b. Medida del espesor: Promedios de 3 lecturas de espesor tomadas a una distancia aproximada de 2,5 cm.
8.9 Ensayo de adherencia por tracción a pintura.
Todas las capas de pintura deben garantizar una adherencia mínima de todas y de cada una de las capas de 400 libras/pulg 2 , dichas capas serán evaluadas según Norma ASTM D 4541.8.10 Análisis químico a borneras
El certificado de composición química relacionado en el numeral 8.1 debe ser elaborado teniendo en cuenta la norma DIN 1709 o su equivalente. Para las borneras de cobre o aleación de cobre cuya composición química en zinc exceda el 15%, aplica el ensayo de cámara de amoniaco del numeral 8.11.8.11 Cámara de amoniaco a borneras
En borneras de cobre o aleación de cobre y cuyo porcentaje de zinc sea superior al 15% no deben mostrar evidencia de fisuras luego de someterla a la cámara de amoniaco con un aumento de 25X. Según norma UL 486A.8.12 Corto circuito a bornera puesta a tierra
Se debe ensayar la bornera con el conductor de calibre máximo de uso especificado en el numeral 6.2.3.1 de esta especificación.Para determinar el cumplimiento de este ensayo , se debe seguir la secuencia de actividades especificadas en la UL1059 con las corrientes y mediciones establecidas para borneras de tipo comercial o industrial.
8.13 Calentamiento estático a bornera de puesta a tierra
Se debe ensayar la bornera con el conductor de calibre máximo de uso especificado en el numeral 6.2.3.1 de esta especificación.Para determinar el cumplimiento de este ensayo , se debe seguir la secuencia de actividades especificadas en la NTC2154 para el calibre del conductor especificado.
8.14 Calentamiento cíclico a borneras de fase y neutro
Se debe ensayar la bornera con el conductor de calibre máximo. En el ensayo no deben usarse compensadores.Las muestras deben someterse a 500 ciclos de encendido / apagado para los periodos de tiempo y al valor de la corriente de ensayo especificada en la NTC 2154 para el calibre del conductor especificado. El factor de estabilidad para cada una de las lecturas especificadas no debe exceder el rango ±10.
Se considera que una muestra bajo ensayo ha alcanzado la temperatura estable cuando tres lecturas tomadas con intervalos no inferiores a 10 min, no indiquen variación de más de 2°C entre dos medidas cualquiera.
8.15 Rigidez dieléctrica a soporte aislante borneras
Durante un minuto se debe ensayar la bornera junto con el aislante a la tensión especificada en la norma NTC2154. Luego se somete la configuración a una tensión AC hasta que ocurra disrupción.8.16 Ensayo de tracción a borneras
Se aplicará a la bornera una fuerza de tracción correspondiente a la sección trasversal del conductor, según valores establecidos en la NTC 2154, sin que el conductor el conductor se salga de la bornera ni la bornera se desprenda de la lámina.8.17 Ensayo de seguridad de montaje a borneras
Se monta una bornera sobre una placa de acero o un riel suministrado por el fabricante, a cada lado de la bornera se fija un pin de acero de longitud y diámetro establecidos en la NTC 2154. Se aplica gradualmente la fuerza indicada a una distancia de 100 mm del centro de la fijación, una vez en cada dirección, alternadamente sobre cada lado de la bornera.No se permiten golpes para aplicar la fuerza, una vez que se ha terminado el ensayo no se deben presentar deterioros en la bornera, ni soltarse algunos los medios de montaje de la misma.
8.18 Ensayo de ensamble a borneras
De acuerdo con la norma NTC 2154, se monta una bornera sobre una placa de acero o un riel suministrado por el fabricante, se inserta el conductor y se aprietan los tornillos de fijación al 110% del torque especificado por el fabricante. Luego se deben aflojar los tornillos de fijación e insertar nuevos conductores apretándolos al 110% del torque, se repite el ensayo hasta completar 5 montajes usando las mismas borneras.Este procedimiento se debe efectuar para el conductor de mayor diámetro y el de menor diámetro; en ninguno de los dos casos debe presentarse deterioro de los tornillos, de la bornera ni del conductor.
9. EMPAQUE
Toda caja para medidor debe ir completa y cerrada, debe protegerse contra rayaduras y daños dentro del transporte, para esto cada una debe embalarse en una caja de cartón grueso, en cuyo exterior debe indicarse en forma impresa el “nombre del fabricante”, propiedad de “Enel Enel Colombia.”, descripción del producto “Caja Vertical para dos Medidores Monofásicos”, número de contrato y código de inventario Enel Enel Colombia.Para el transporte debe embalarse en estibas con un número de unidades no mayor a 50 unidades por estiba y la estiba recubierta y sellada con material plástico, sobre el cual se adherirá una etiqueta de por lo menos 30 x 30 cm que indique que no se puede almacenar mas de dos estibas en sentido vertical.
10. REQUISITOS DE LAS OFERTAS
El Oferente obligatoriamente deberá incluir con su propuesta, la siguiente información:- Planilla de características técnicas garantizadas, la cual deberá ser diligenciada completamente, firmada y sellada por el oferente.
- Catálogos originales completos y actualizados del fabricante, que correspondan a los bienes cotizados, en la planilla de características técnicas garantizadas.
- Protocolos de pruebas de acuerdo con las normas indicadas en el numeral 5 de la presente especificación. En tales protocolos se deberán anotar las fechas de fabricación y pruebas del equipo , para permitir la verificación de las características técnicas garantizadas.
- En caso que se requiera se podrán exigir muestras de cada una de las referencias ofertadas sin cargo a devolución, con cada una de las características técnicas, solicitadas y mencionadas en la presente especificación.
- Información adicional que considere aporta explicación a su diseño (dibujos, detalles, características de operación, dimensiones y pesos de los materiales ofertados).
Enel Enel Colombia. podrá descartar ofertas que no cumplan con las anteriores disposiciones, sin expresión de causa ni obligación de compensación.
11. GARANTÍA DE FABRICA
Enel Enel Colombia requiere como mínimo, un período de garantía de fábrica de veinticuatro (24) meses, a partir de la entrega de las cajas.12. INSPECCIÓN EN FABRICA
El suministrador enviará con no menos de quince (15) días calendario de anticipación, a la fecha programada para la realización de las pruebas en fábrica, el formato de protocolos de pruebas y copia de las normas en Inglés o Castellano utilizadas para tal fin. Enel Enel Colombia informará por escrito su conformidad con las pruebas requeridas.El Ingeniero RESPONSABLE de Enel Enel Colombia podrá inspeccionar en las instalaciones del PROVEEDOR o FABRICANTE y de sus Subcontratistas el proceso de fabricación y pruebas, y solicitar la información y ensayos que a su juicio resulten necesarias para verificar el cumplimiento de los requisitos estipulados en este documento.
El PROVEEDOR debe brindar plena colaboración al RESPONSABLE en el cumplimiento de sus funciones.
El valor de las pruebas y ensayos debe incluirse en los precios cotizados en la propuesta. Enel Enel Colombia se reserva el derecho de descartar las propuestas que no ofrezcan pruebas, o si las ofrecidas son consideradas insuficientes para garantizar la calidad de las cajas.
13. CERTIFICACIÓN DE PRODUCTO
El oferente adjuntara con su propuesta, el “ Certificado de Conformidad del producto ”, expedido por una entidad delegada por la Superintendencia de Industria y Comercio para tal fin.14. PRESENTACIÓN DE LAS OFERTAS
El oferente deberá presentar su oferta técnica (en medio impreso) en el siguiente orden:- ANEXO 1: relación de los bienes cotizados.
- ANEXO 2: información del oferente.
- ANEXO 3: planillas de características técnicas garantizadas.
- EXCEPCIONES TÉCNICAS: apartado en el cual se deben relacionar las excepciones de carácter exclusivamente técnico de la oferta, respecto a los bienes solicitados. Si la oferta no presenta excepción, se indicaría expresamente en el mismo “NO HAY EXCEPCIONES”
- PROTOCOLO DE PRUEBAS: relación de los ensayos realizados a la caja y a sus accesorios de acuerdo con lo indicado en el apartado 8 de la presente especificación.
- CERTIFICACIONES: Certificación del producto .
- EVIDENCIA TÉCNICA : relación de clientes, evidencia de su capacidad técnica y experiencias relacionadas con los materiales y/o equipos cotizados.
- GARANTÍA: carta de garantía de los bienes cotizados.
- NORMAS: normas técnicas aplicables a los bienes cotizados.
- CATÁLOGOS: catálogos originales completos y actualizados del fabricante, que correspondan a los datos bienes cotizados.
- INFORMACIÓN ADICIONAL: información adicional que se considere aporta explicación al diseño de la caja, así como las instrucciones de instalación, operación y mantenimiento .
La oferta técnica deberá presentarse en carpeta blanca de tres aros (tipo catálogo), con separadores en el orden anteriormente señalado.
Adicionalmente, el fabricante debe incluir la anterior información en formato magnético en un CD o Disquete.
Enel Enel Colombia. podrá descartar ofertas que no cumplan con las anteriores disposiciones, sin expresión de causa ni obligación de compensación.
FIGURA 1. VISTA FRONTAL
FIGURA 2. VISTA FRONTAL - INTERIOR
FIGURA 3: VISTA LATERAL
FIGURA 4. VISTA LATERAL - INTERIOR
FIGURA 5. VISTA SUPERIOR
FIGURA 6. VISTA INFERIOR
FIGURA 7. BANDEJA PARA MEDIDOR MONOFÁSICO
FIGURA 8. VENTANA DE INSPECCION
FIGURA 9. SOPORTE INTERRUPTOR
FIGURA 10. RIEL INTERRUPTOR
FIGURA 11. TAPON REMOVIBLE - PASACABLES (forma sugerida)
FIGURA 12. TAPA CORREDIZA
FIGURA 13. PERNOS SISTEMA DE SEGURIDAD
FIGURA 14. BUJE DEL SISTEMA DE SEGURIDAD
FIGURA 15. PLATINA DE CIERRE
FIGURA 16. LLAVE PARA PERNO DEL SISTEMA DE SEGURIDAD
| ÍTEM | DESCRIPCIÓN DEL MATERIAL | FABRICANTE | NORMA QUE CUMPLE | CANTIDAD (UNIDADES) |
| 1 | Caja vertical para dos medidores monofásicos |
INFORMACIÓN GENERAL DEL PROPONENTE
| DATOS DEL PROPONENTE | |
| RAZÓN SOCIAL (NOMBRE) DEL PROPONENTE | |
| PAÍS | |
| CIUDAD | |
| DIRECCIÓN | |
| TELÉFONO | |
| FAX | |
| PAGINA WEB | |
| PERSONA DE CONTACTO | |
| La persona de contacto, es la responsable de la oferta técnica a la cual se acudirá en caso de consulta o aclaración. | |
CARACTERÍSTICAS TÉCNICAS GARANTIZADAS
| CAJA VERTICAL PARA DOS MEDIDORES MONOFÁSICOS | |||
| ÍTEM | ELEMENTO | CARACTERÍSTICA | OFERTADO |
| 1 | Proponente | País de fabricación | |
| Fabricante | |||
| Representante del fabricante | |||
| 2 | Normas | Fabricación y pruebas | |
| 3 | Características eléctricas | Tensión nominal [V] | |
| 4 | Componentes Cuenta con: | Dos bandejas portamedidor (si/no) | |
| Dos lentes de policarbonato (si/no) | |||
| Dos borneras de Puesta a Tierra (si/no) | |||
| Una bornera de fase y una bornera de neutro (si/no) | |||
| Sistema de compresión del conductor en la bornera | |||
| Soporte aislante bornera de neutro y de fase | |||
| Tapa imperdible soporte aislante bornera de fase y neutro (si/no) | |||
| Pasacable de Pi 2" (si/no) | |||
| Diámetro y número de pretroquelados | |||
| En la parte superior | |||
| En la parte inferior | |||
| En la parte lateral | |||
| Por cada Bandeja se entrega ensamblado un juego de 3 tornillos zincados, 3 tuercas zincadas, 3 arandelas de presión zincadas para tornillo, 3 arandelas planas zincadas para tornillo | |||
| 2 Tornillos cabeza triangular RW 1/4" y 2 platinas de cierre(si/no) | |||
| 2 Bujes en zamack para sistema de seguridad (si/no) | |||
| Llave para tornillo cabeza triangular (si/no) | |||
| 5 | Acabado | Sin grietas, sopladuras, poros, exfoliaduras, ampolladuras, raspaduras u otros defectos | |
| 6 | Marcación | Logo: Terminal de puesta a tierra | |
| Texto: "USO EXCLUSIVO Enel Colombia" | |||
| Placa con información del Fabricante | |||
| 7 | Materiales | Tipo de lámina | |
| Tipo de pintura x tipo de aplicación (liquida o electrostática) | |||
| Tipo de pintura x composición química | |||
| Especificación color pintura | |||
| Material de la ventana de inspección | |||
| Material del marco de la ventana de inspección | |||
| Composición química de la bornera | |||
| Composición química del sistema de seguridad (buje y tornillo) | |||
| 8 | Dimensiones | Tamaño de la caja | |
| Total sin bordes (ancho x alto x profundidad) | |||
| Base (ancho x alto x profundidad) | |||
| Tapa (ancho x alto x profundidad) | |||
| Calibre de la lámina sin pintura. | |||
| Base | |||
| Tapa | |||
| Bandeja Portamedidor | |||
| Espesor Ventana de Inspección | |||
| Espesor de recubrimiento (total) | |||
| Exterior | |||
| Interior | |||
| Dimensiones Bornera | |||
| Diámetro del alojamiento para el conductor que aloja la bornera de tierra (AWG) | |||
| Distancia entre centros perforaciones de anclaje de la bandeja portamedidor | |||
| 9 | Ensayos | Prueba contra impacto (20 julios) | |
| Grado de hermeticidad (IP XX) | |||
| Horas de cámara salina (con incisión) | |||
| Adherencia de la pintura (por tracción) | |||
| Horas cámara de amoniaco | |||
| Ensayo de Tracción a bornera | |||
| Ensayo de seguridad de montaje a bornera | |||
| Ensayo de ensamble a bornera | |||
| Ensayo de corto circuito a bornera de puesta a tierra | |||
| Ensayo de calentamiento estático a bornera de tierra | |||
| Ensayo de calentamiento cíclico a bornera de fase y neutro | |||
| Ensayo de rigidez dieléctrica | |||
| 10 | Pruebas / Ensayo | Están incluidas dentro del precio del material (Si/No) | |
| A realizar en fabrica (Describir) | |||
| 11 | Certificado / Sello de Producto | Entidad certificadora | |
| Número de certificado | |||
| Fecha de aprobación (Día/Mes/Año) | |||
| Vigencia | |||
| Adjunta el certificado (Si/No) | |||
| 12 | Certificado Sistema de calidad (Norma ISO9001) | Entidad certificadora | |
| Número de certificado | |||
| Fecha de aprobación (Día/Mes/Año) | |||
| Vigencia | |||
| Adjunta el certificado (Si/No) | |||
| 13 | Desviaciones solicitadas | ||
| 14 | Garantía | ||
Firma y sello del oferente
PLANILLA PARA PRUEBAS DE RECEPCIÓN
Fecha ____________________ Fabricante ___________________________ Lote ______________
Orden de compra __________
| No. | Descripción | Valor norma | Tolerancia | Muestra | Aprueba (Si/No) | Observaciones | ||||
| 1 | 2 | 3 | 4 | 5 | ||||||
| 1 | PRUEBA DIMENSIONAL | |||||||||
| 1.1 | General base de la caja | |||||||||
| Altura | 640 mm | ± 3mm | ||||||||
| Ancho | 200 mm | ± 3mm | ||||||||
| Profundidad | 160 mm | ± 3mm | ||||||||
| 1.2 | General puerta | |||||||||
| Altura | 525 mm | ± 3mm | ||||||||
| Ancho | 185 mm | ± 3mm | ||||||||
| Profundidad | 15 mm | ± 3mm | ||||||||
| 1.3 | Ventana de inspección | |||||||||
| Altura | 145 mm | ± 2mm | ||||||||
| Ancho | 120 mm | ± 2mm | ||||||||
| Espesor visor | 3 mm | -0,1/+0,7mm | ||||||||
| 1.4 | Ubicación ventana (distancia al centro) | |||||||||
| Horizontal desde el borde | 40 mm | ± 3mm | ||||||||
| Vertical desde borde superior | 35 mm | ± 3mm | ||||||||
| 1.5 | Tapa corrediza | |||||||||
| Altura | 52 mm | -2/+1 mm | ||||||||
| Ancho | 84 mm | -2/+1 mm | ||||||||
| Aleta | 16,4 mm | -0,4/+2 mm | ||||||||
| Diámetro interior buje | 7 mm | -0,2/1 mm | ||||||||
| Altura buje | 13 mm | -1/+2 mm | ||||||||
| 1.6 | Bandejas soporte | |||||||||
| Altura | 190 mm | ± 3mm | ||||||||
| 1.7 | Buje de seguridad | |||||||||
| Diámetro interior | 10.15mm | ± 0.05mm | ||||||||
| Rosca 1/4" | 1/4" UNC | |||||||||
| 1.8 | Espesor de recubrimiento | |||||||||
| Pintura líquida. | 100 µm exterior y 70 µm interior | Min | ||||||||
| Pintura en polvo | 65 µm exterior y 50 µm interior | Min | ||||||||
| 1.9 | Adherencia por tracción | 400 psi | Min | |||||||
| 2 | ACCESORIOS | |||||||||
| Pernos de seguridad | SI | |||||||||
| Juego de 3 unidades zincadas de: tornillos, tuercas, arandelas de presión, arandelas planas; todas ensambladas a la bandeja. | ||||||||||
| 3 | MARCACIÓN | |||||||||
| “USO EXCLUSIVO Enel Colombia” | SI | |||||||||
| Placa de características | SI | |||||||||
| “CLIENTE” | SI | |||||||||
| Símbolo de Puesta a tierra | ||||||||||
| 4 | PRUEBAS DE FUNCIONAMIENTO | |||||||||
| 4.1 | Puerta abre correctamente | SI | ||||||||
| 4.2 | Funciona la tapa corrediza | SI | ||||||||
| 4.3 | Funcionan las chapas | SI | ||||||||
| 4.4 | Se puede instalar el interruptor | SI | ||||||||
| 4.5 | Ventana desarmable solo desde adentro | SI | ||||||||
| 5 | PRUEBAS ADICIONALES | |||||||||
| 5.1 | Ensayo de tracción borneras | |||||||||
| 5.2 | Ensayo de seguridad de montaje a borneras | |||||||||
| 5.3 | Ensayo de ensamble borneras | |||||||||
Funcionario Enel Enel Colombia
____________________________
Proveedor
DATOS ADICIONALES
Revisión #
2
Fecha de entrada en vigencia
Actividad de los usuarios
Para hacer comentarios debe iniciar sesión o registrarse aquí