ET904 Caja vertical para tres medidores trifásicos
- Contenido
1.0 OBJETO
Establecer las características, requisitos y ensayos técnicos que deben cumplir la caja vertical para tres medidores trifásicos en sistemas de distribución.2.0 ALCANCE
Esta especificación técnica se aplicará en todas las cajas para tres medidores trifásicos que adquiera Enel Enel Colombia.3.0 CONDICIONES DE SERVICIO
La caja vertical para tres medidores trifásicos, serán utilizadas para instalar los medidores trifásicos, conectando a los diferentes usuarios al sistema de distribución; estos elementos serán empleados a la intemperie bajo las siguientes condiciones:| CARACTERÍSTICAS AMBIENTALES | |
| a. Altura sobre el nivel del mar | Desde 2900 a los 600 m.s.n.m. |
| b. Ambiente | Tropical |
| c. Humedad relativa | Desde 100% a el 20% |
| d. Temperatura máxima y mínima | +45 °C y -5 °C respectivamente |
| e. Temperatura promedio | 14 °C |
| f. Polución | Alta con productos de la combustión y altamente contaminada por otros agentes. |
| CARACTERÍSTICAS ELÉCTRICAS | |
| a. Tensión Nominal | 120/208 V |
| b. Tensión Máxima | 600 V |
| c. Frecuencia del sistema | 60 Hz |
| d. Disposición de la acometida | Trifásica Tetrafilar |
| e. Capacidad del barraje de fases y neutro | 150 A |
| f. Potencia máxima | 54 kW |
4.0 SISTEMA DE UNIDADES
Todos los documentos tanto de la propuesta como del contrato de suministro, deben expresar las cantidades numéricas en unidades del Sistema Internacional (SI). Si el OFERENTE utiliza en sus libros de instrucción, folletos o dibujos, unidades en sistemas diferentes, debe hacer las conversiones respectivas.5.0 NORMAS DE FABRICACIÓN Y PRUEBAS
| ASTM/SAE 1010 | Tipos de acero al carbón |
| IEC 29 | “Degrees of protection provided by enclosures. |
| ASTM 4541 | “Prueba de adherencia de la pintura. |
| NTC –ISO 2859-1 | Muestreo para inspección |
| IEC 144 | “Degrees of protection of enclosures for low voltage switchgear and controlgear”. |
| ASTM B117 | Prueba de Cámara Salina |
| ASTM G26 | Prueba de envejecimiento climático |
| UNE-EN 50298 | Requisitos generales para las envolventes vacías |
| EN 50102 | Verificación Grado de Protección Contra Impactos mecánicos externos |
| IEC 529 | Degrees of protection provided by enclosures (IP Code) |
| NTC 2154 | Bloques de terminales para uso industrial |
| NTC 2244 | Pruebas eléctricas de herrajes eléctricos. |
6.0 REQUERIMIENTOS TÉCNICOS PARTICULARES
La caja vertical para tres medidores trifásicos estará construida con materiales de la mejor calidad para ese fin, debiéndose descartar el empleo de materiales alterables por la humedad, radiación solar y otras condiciones ambientales desfavorables.La caja y sus compartimentos, deben construirse en forma soldada, en lámina de acero SAE 1010, A36, o similar aprobada por Enel Enel Colombia, El calibre de la lámina sin pintura debe ser como mínimo 1,214 mm. Debe ser una estructura completamente rígida e indeformable, sin bordes cortantes.
La caja debe ser auto soportable, rígida y no debe presentar desajustes durante su transporte e instalación.
El índice de hermeticidad para las cajas será IP 44 de acuerdo a la norma IEC 529, grado de protección contra choques IK 10 (20,00 julios).
La caja total esta compuesta de tres compartimentos de tal forma que se pueda cambiar de posición como se ilustra en las figuras 1, 2 y 3.
Los compartimentos se dividen de la siguiente forma:
1. Compartimiento de medidores;
2. Compartimiento para el barraje. (con un conector de una entrada y tres salidas)
3. Compartimiento para los interruptores termomagnéticos de protección de acometidas.
La caja se compone de una base con puertas independientes
6.1 GEOMÉTRICOS.
La caja vertical para tres medidores trifásicos será de la forma y dimensiones que se muestran en las figuras 1, 2, 3, 4, 5, 6, 7, 8, 9 y 10 y 11.6.1.1 BASE
BASE PARA COMPARTIMIENTO DE BARRAJES
Esta compuesto por una caja cuyas dimensiones son las siguientes:
- Ancho 300 mm
- Altura: 250 mm
- Profundidad: 180 mm.
La base de la caja debe poseer dos petroquelados; uno de ellos para diámetros de tubos metálicos galvanizados de 1 ½“, y 2” y la perforación restante de un diámetro de 2” con el fin de comunicar el compartimento de barrajes con la base para medidores. (ver figuras 1 y 2)
BASE PARA COMPARTIMIENTO DE MEDIDORES
Esta compuesto por tres espacios cuyas dimensiones son las siguientes:
- Ancho 300 mm
- Altura: 350 mm
- Profundidad: 180 mm.
La base de cada una de las cajas debe poseer cuatro pretroquelados para diámetros de tubos metálicos galvanizados de 1”, excepto la caja que tenga contacto con el compartimento de barrajes el cual debe contar con un petroquealdo de un diámetro de 2”, y la caja que tenga contacto con el compartiemento de protección que debe tener dos petroquelados de 1” (ver figuras 1, 2).
BASE PARA COMPARTIMIENTO DE INTERRUPTORES
Esta compuesto por una caja cuyas dimensiones son las siguientes:
- Ancho 300 mm
- Altura: 250 mm
- Profundidad: 180 mm.
La base de la caja debe poseer siete pretroquelados; dos de ellos para diámetros de tubos metálicos galvanizados de 1” para la unión con la caja de medidores; cinco pretroquelados de diámetro ¾” y 1” y la perforación restante de un diámetro de ½”. (ver figuras 1, 2).
En la base de la caja se deben colocar los medios para soportar el terminal de tierra de 100 A, además de darle la altura suficiente para que sobresalga, logrando así facilidad en la conexión.
6.1.2 PUERTA
Las puertas de la caja debe ser abatible para facilitar la conexión, y debe abrir como mínimo 120o desde la posición cerrada; deberá estar sujeta lateralmente a la base con dos bisagras en material inoxidable, resistente a la corrosión y al lado derecho, de tal forma que abra de izquierda a derecha (vista de frente) garantizando una apertura fácil, y deben tener la misma protección superficial que la lámina que forma la base de la caja. En caso de que se requieran, deben incluirse limitadores de giro para prevenir el daño de las bisagras.
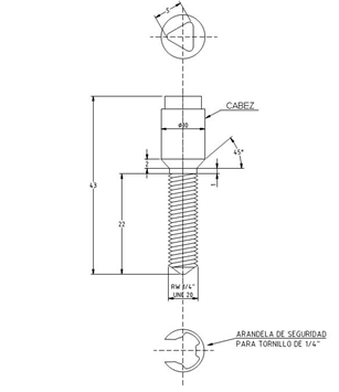
La puerta de la caja debe incluir un sistema de cierre mediante un perno especial de cabeza triangular, que consta de una pieza torneada metálica en la cual se aloja el sistema de seguridad , un buje metálico a prueba de intemperie. El perno de cabeza triangular estará incluido y las llaves para accionarlo serán suministradas por el fabricante únicamente a Enel Enel Colombia. en el número que se solicite. Adicionalmente, éste sistema debe permitir la instalación de un sello de seguridad . (ver figuras 7 y 8)
Se cuenta con cinco puertas identificadas de la siguiente forma:
6.1.2.1 PUERTA PARA EL COMPARTIMIENTO DE BARRAJES
Dimensiones de la puerta:
- Ancho 285 mm
- Altura: 235 mm
- Profundidad: 15 mm. Sin agarradera.
La puerta cuenta con un orificio para el buje de cerradura de 16 mm con perno RW ¼” y una perforación que permita la instalación de un sello de seguridad de la compañía. La localización del centro del buje triangular debe ser concéntrica con la rosca que lo recibe.
La puerta debe ir identificada en su parte media por la leyenda
| BARRAJE USO EXCLUSIVO DE Enel Colombia |
El tamaño de las letras será mínimo de 10 mm de altura.
6.1.2.2 PUERTAS PARA EL COMPARTIMIENTO DE MEDIDORES
Dimensiones de la puerta:
- Ancho 285 mm
- Altura: 335 mm
- Profundidad: 15 mm. Sin agarradera.
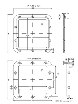
Se cuenta con tres puertas para este compartimiento, cada una con un visor localizado en la parte superior. El mencionado visor posee un marco (145 x 120 mm) y una transparencia de seguridad en policarbonato de 3 mm de espesor (125mm x 100mm).
Sobre la puerta frontal de la caja en su extremo superior derecho se deberá remachar una placa con la siguiente información:
Nombre del fabricante, número de serie de fabricación, dirección de fábrica, fecha de fabricación, fecha de certificación .
Cada uno de los visores tendrá marcada en su parte inferior la leyenda “CLIENTE 1”, ”CLIENTE 2” y ”CLIENTE 3”, respectivamente.
Cada una de las puertas cuenta con un orificio para el buje de cerradura de 16 mm con perno RW ¼” y una perforación que permita la instalación de un sello de seguridad de la compañía. La localización del centro del buje triangular debe ser concéntrica con la rosca que lo recibe.
Una de las puertas debe ir identificada por la leyenda
| MEDIDORES USO EXCLUSIVO DE Enel Colombia |
Adicionalmente se instalará en la parte media de la puerta una calcomanía de advertencia al cliente de 10 x 10 cm de fondo amarillo y letras negras, que contenga el siguiente texto:
“IMPORTANTE
Estimados clientes :
El acceso y la manipulación del medidor y conexiones eléctricas contenidas en está caja, es prohibido. Cualquier operación y/o arreglo, debe hacerlo personal autorizado por Enel Enel Colombia. Por lo tanto no rompa, ni permita la rotura de los sellos por personal no autorizado.
El incumplimiento a lo anterior ocasiona sanciones pecuniarias y suspensiones del servicio, de acuerdo con el Estatuto Nacional de Usuarios de los Servicios Públicos Domiciliarios (decreto número 1842 de 1991) en los artículos 28, 32 y 35.
6.1.2.3 PUERTA PARA EL COMPARTIMIENTO DE INTERRUPTORES
Posee una ventana con portacandado para maniobrar los interruptores, sin riesgo de tocar partes energizadas y evitar el ingreso de agua. (ver figura 6)
La puerta cuenta con un orificio para el buje de cerradura de 16 mm con perno RW ¼”. La localización del centro del buje triangular debe ser concéntrica con la rosca que lo recibe.
La tapa de cada una de las ventanas del interruptor automático tendrá marcada las leyendas “CLIENTE 1”, ” CLIENTE 2” y ” CLIENTE 3”.
Dimensiones de la puerta:
- Ancho 285 mm
- Altura: 235 mm
- Profundidad: 15 mm. Sin agarradera.
6.1.3 BARRAJE
El barraje debe ser de fácil acceso y revisión; será fabricado en bronce o cobre electrolítico y calculado teniendo en cuenta la corriente de carga nominal y los esfuerzos mecánicos de cortocircuito . La capacidad mínima del barraje es de 150 A y podrá ser mayor de acuerdo a la carga que se va a alimentar.
Se identificarán con los colores amarillo, azul y rojo (fases A, B, C) y blanco ó gris natural para el neutro.
La disposición de las fases deberá ser A, B, C y N de izquierda a derecha mirando de frente el barraje.
El barraje deberá estar a la vista y protegido contra contactos accidentales por medio de una cubierta aislante tipo acrílica transparente de 3 mm de espesor mínimo, removible frontalmente y deberá llevar dos (2) pines o tornillos. No se aceptan barrajes sin protección.
El barraje se compone de una base con elementos metálicos de conexión. La base es un material aislante en resina epóxica para uso interior, con sus fijaciones para los barrajes a la caja y la cubierta.
El barraje es un conector que permite el ingreso de un conductor y tres salidas para facilitar la conexión a cada una de las cuentas. Se utilizarán tornillos Allen para fijar los conductores. La entrada debe permitir conductores hasta N° 2 AWG y las salidas hasta conductores N° 4 AWG. Para cargas mayores se dimensionará de acuerdo con el caso particular.
6.1.4 BARRAJE DE PUESTA A TIERRA
Toda caja debe tener terminal de puesta a tierra , para aterrizar el neutro. Este terminal deberá tener una capacidad no inferior de 100 A y tener la disposición de alojar cinco conductores con un diámetro mínimo de un conductor No. 8 AWG y máximo un No. 6 se debe sujetar a la carcasa de la caja.
6.2 QUÍMICOS
6.2.1 Caja de Material Metálico:La caja debe construirse (soldada), en lámina de acero SAE 1010 que debe cumplir con las normas ASTM; el calibre de la lámina sin pintura debe ser como mínimo calibre 18 (1,214 mm), elaborada por el proceso de doblado y soldado. Debe ser una estructura completamente rígida e indeformable, sin aristas cortantes.
Proceso de Pintura:
La lámina de acero utilizada en la construcción de las cajas debe someterse a un tratamiento de limpieza, igualmente la caja ya elaborada también debe someterse a un tratamiento de limpieza, el cual debe garantizar que las superficies estén libres de grasas, óxidos o cualquier elemento extraño (son válidos procesos químicos y/o mecánicos), se debe aplicar una pintura epóxica, color gris RAL 7032 (el cual aprobará Enel Enel Colombia.), resistente a los rayos ultravioleta.
Para procesos de recubrimiento con pintura líquida: Después de la limpieza debe aplicarse una capa imprimante no mayor a 30 µ m para luego aplicar una capa de 70 µ m en la parte externa de la caja y de 40 µ m en la parte interna de la caja. El total de la capa de recubrimiento será de 100 µ m en el área exterior y 70 µ m en el área interior.
Para procesos de recubrimiento con pintura electrostática en polvo: luego del proceso de limpieza aplicar un proceso con pintura epoxipoliester y el total de la capa de recubrimiento será mínimo de 65 µ m en el área exterior y de 50 µ m en el área interior de recubrimiento.
Todas las capas de pintura deben garantizar una adherencia mínima de todas y de cada una de las capas de 400 libras/pulg 2 , garantizada y probada según Norma ASTM D 4541 de 1995.
6.3 MECÁNICOS
Las cajas para tres medidores trifásicos, deberán tener las siguientes cualidades mecánicas:Ser resistentes al envejecimiento climático (cámara salina), ausencia de grietas, sopladuras, poros, exfoliaduras, ampolladuras, cascaduras u otros defectos, tener una buena aplicación y resistencia en la pintura, deberán poseer un sistema de cierre y apertura libre de obstáculo, y resistencia al impacto IK 10 (20 julios).
7.0 CRITERIOS DE ACEPTACIÓN O RECHAZO
Para este caso se considerará que existe un lote cuando:- Cuando los materiales de producción pertenecen a un mismo lote de materia prima.
- Cuando las cajas de producción se construyen en diferentes lotes.
7.1 Muestreo
A menos que se especifique otra condición, el muestreo se llevará a cabo tomando muestras para cada prueba de acuerdo a lo indicado en las Tablas 1 y 2, según la norma NTC –ISO 2859-1.7.2 Aceptación o Rechazo
Si el número de elementos defectuosos es menor o igual al correspondiente número de defectuosos (dado en la norma NTC-ISO 2859-1 en la tercera columna de las Tablas 1 y 2), se deberá considerar que el lote cumple con los requisitos relacionados en el numeral 6 de esta Especificación; en caso contrario el lote se rechazará.TABLA 1 PLAN DE MUESTREO PARA INSPECCIÓN VISUAL Y DIMENSIONAL (NIVEL DE INSPECCIÓN II, NAC = 2,5%)
(NORMA NTC-ISO 2859-1 TABLA1 - TABLA 2A)
| TAMAÑO DEL LOTE | TAMAÑO DE LA MUESTRA | NUMERO PERMITIDO DE DEFECTUOSOS | NUMERO DEFECTUOSOS PARA RECHAZO |
| 2 a 8 | A = 2 | 0 | 1 |
| 9 a 15 | B = 3 | 0 | 1 |
| 16 a 25 | C = 5 | 0 | 1 |
| 26 a 50 | D = 8 | 1 | 2 |
| 51 a 90 | E = 13 | 1 | 2 |
| 91 a 150 | F = 20 | 1 | 2 |
| 151 a 280 | G = 32 | 2 | 3 |
| 281 a 500 | H = 50 | 3 | 4 |
| 501 a 1200 | J = 80 | 5 | 6 |
| 1201 a 3200 | K =125 | 7 | 8 |
| 3201 a 10000 | L =200 | 10 | 11 |
| TAMAÑO DEL LOTE | TAMAÑO DE LA MUESTRA | NUMERO PERMITIDO DE DEFECTUOSOS | NUMERO DEFECTUOSOS PARA RECHAZO |
| 2 a 8 | A = 2 | 0 | 1 |
| 9 a 15 | A = 2 | 0 | 1 |
| 16 a 25 | B = 3 | 0 | 1 |
| 26 a 50 | B = 3 | 0 | 1 |
| 51 a 90 | C = 5 | 1 | 2 |
| 91 a 150 | C = 5 | 1 | 2 |
| 151 a 280 | D = 8 | 1 | 2 |
| 281 a 500 | D = 8 | 1 | 2 |
| 501 a 1200 | E = 13 | 1 | 2 |
| 1201 a 3200 | E = 13 | 1 | 2 |
| 3201 a 10000 | F = 20 | 1 | 2 |
8. PRUEBAS
Las cajas verticales para tres medidores trifásicos se deben someter a los siguientes ensayos:- Inspección visual, cierre y apertura de las puertas y verificación dimensional.
- Certificado de materiales
- Verificación del grado de protección contra impactos mecánicos externos (IK).
- Ensayo del grado de protección IP.
- Resistencia a la corrosión .
- Ensayo de adherencia por tracción de la pintura
- Espesor de la pintura
- Análisis químico a la bornera de puesta a tierra
- Cámara de amoniaco a la bornera de puesta a tierra
- Calentamiento estático a la bornera de puesta a tierra
- Ensayo de tracción a la bornera de puesta a tierra
- Ensayo de Torque a la bornera de puesta a tierra
- Ensayo de seguridad de montaje de la bornera de puesta a tierra
- Ensayo de ensamblaje a la bornera de puesta a tierra
8.1 DESCRIPCIÓN DE LAS PRUEBAS
8.1.1 INSPECCIONES Y VERIFICACIONES8.1.1.1 Inspección visual
Se verificará:
- La marcación de la leyenda " BARRAJE USO EXCLUSIVO DE Enel Colombia " y “ MEDIDORES BARRAJE USO EXCLUSIVO DE Enel Colombia " en la puerta y en la ventana de inspección del interruptor “CLIENTE 1”, “CLIENTE 2” y “CLIENTE 3”. (Ver figura 6)
- Placa del Fabricante.
- Adhesivo interno con la información solicitada.
- La buena terminación de todos los elementos constitutivos de la tapa y sus accesorios.
- La ausencia de grietas, sopladuras, poros, exfoliaduras, ampolladuras, raspaduras u otros defectos.
8.1.1.2 Verificación dimensional
La verificación de las dimensiones se hará con los instrumentos de medida que den la aproximación requerida (cinta metálica con divisiones de 1 mm para longitudes y calibrador para los diámetros y espesores). El tamaño de la muestra deberá estar de acuerdo con la Tabla 1.
Se verificará con base en:
- Esquemas indicados en las figuras anexas a la presente norma.
- Planos entregados por el fabricante y aprobados por Enel Enel Colombia.
- Tolerancia ± 3 mm para la base y la puerta y ± 0.5 para el buje y el perno del sistema de seguridad .
8.1.1.3 Verificación del cierre y apertura de la puerta
Se verificará la correcta instalación de la puerta y el adecuado funcionamiento del dispositivo de cierre.
8.1.2 Certificados de materiales
En las cajas metálicas deben hacerse los siguientes análisis químicos:
- Certificado del análisis químico de la lámina del fabricante.
- Certificado del tipo de pintura del fabricante.
- Certificado del policarbonato del fabricante
- Composición química de la bornera
8.1.3 Grado de Protección Contra Impactos Mecánicos Externos (Prueba contra vandalismo)
La caja con su puerta ensamblada debe ser resistente al impacto en caida libre de 20 julios para tal fín se dejará caer sobre la ventana y el cuerpo una masa sin filos 3 veces. Al cabo de los 3 impactos no debe presentar roturas en el visor ni en el cuerpo y el conjunto debe permanecer ensamblado.
8.1.4 Ensayo de grado de protección (código IP)
El índice de hermeticidad para las cajas será IP 44 , este grado de protección se verificará de acuerdo a la norma NTC3279 (IEC 529)
8.1.5 Resistencia a la corrosión
Las muestras deben ser nuevas y libres de grasa, aceite, polvo y otras impurezas. A dichas muestras se les hacen dos incisiones, de 0.5 mm de espesor, en forma de cruz que llegue hasta el substrato.
El ensayo de corrosión se realizará de acuerdo con la norma ASTM B 117 (Prueba de Cámara Salina) bajo las siguientes condiciones: Temperatura de 35°C, ph de 6,5-7,2 y concentración de cloruro de sodio al 5% durante 400 horas. Tiempo al que se verificará:
- La progresión de la corrosión en la incisión, debe ser inferior a 2 mm.
- No deben presentar trazas de corrosión ni burbujas.
- El recubrimiento debe permanecer adherido a la capa de pintura conservando su color.
- Los cierres y medios de acceso deben funcionar normalmente, esto, cuando se someta una caja a cámara salina.
8.1.6 Espesor de la pintura
El espesor de pintura debe medirse con un elcómetro debidamente calibrado según la norma ASTM D 14000 y el espesor mínimo debe estar de acuerdo con el númeral 6.3.
Para la medición de los espesores de recubrimiento se debe tener en cuenta las siguientes definiciones:
- Lectura del espesor : Medida que muestra el elcómetro, al colocar una vez el sensor sobre la pieza a medir.
- Medida del espesor : Promedios de 3 lecturas de espesor tomadas a una distancia aproximada de 2,5 cm.
8.1.7 Ensayo de adherencia por tracción a pintura.
Todas las capas de pintura deben garantizar una adherencia mínima de todas y de cada una de las capas de 400 libras/pulg 2 , garantizada y probada según Norma ASTM D 4541.
8.1.8 Análisis químico a la bornera puesta a tierra
Se debe determinar la composición química de la bornera bien sea de cobre, aleación de cobre, según norma DIN 1709 o su equivalente. Para las borneras de cobre o aleación de cobre cuya composición química en zinc exceda el 15%, aplica la ensayo de cámara de amoniaco del numeral 8.1.9.
8.1.9 Cámara de amoniaco a bornera puesta a tierra
En borneras de cobre o aleación de cobre y cuyo porcentaje de zinc sea superior al 15% no deben mostrar evidencia de fisuras luego de someterla a la cámara de amoníaco con un aumento de 25 X. Según norma UL 486A.
8.1.10 Calentamiento estático a bornera de puesta a tierra
De acuerdo a la norma NTC 2244, se debe ensayar la bornera con el conductor de calibre máximo, con el mínimo calibre y si aplica con uno o más calibres intermedios. En el ensayo no deben usarse compensadores.
Los conjuntos de ensayo deben conducir continuamente el valor de la corriente de ensayo especificada en la NTC 2244 para el calibre del conductor ensayado hasta cuando se alcancen temperaturas estables, sin exceder un aumento de temperatura de 50°C sobre la del ambiente.
Se considera que una muestra bajo ensayo ha alcanzado la temperatura estable cuando tres lecturas tomadas con intervalos no inferiores a 10 min no modifiquen variación de más de 2°C entre dos de ellas.
8.1.11 Ensayo de tracción a bornera de puesta a tierra
La bornera será evaluada como bornera clase 1- tensión plena, al 95% de la tensión del conductor más débil de los que se estén uniendo, según NTC 2244, sin que exista deslizamiento, ruptura al finalizar el ensayo .
8.1.12 Ensayo de torque a bornera de puesta a tierra
Se debe fijar un conductor de mayor diámetro y el de menor diámetro al 130% del torque recomendado por el fabricante, sin sufrir deformación alguna el conductor, por alguno de los medios de sujeción de la bornera.
8.1.13 Ensayo de seguridad de montaje a bornera de puesta a tierra
Se monta una bornera sobre una placa de acero o un riel suministrado por el fabricante, a cada lado de la bornera se fija un pin de acero de longitud y diámetro establecidos en la NTC 2154. Se aplica gradualmente la fuerza indicada a una distancia de 100 mm del centro de la fijación, una vez en cada dirección, alternadamente sobre cada lado de la borna.
No se permiten golpes para aplicar la fuerza, una vez que se ha terminado el ensayo no se deben presentar deterioros en la bornera, ni soltarse algunos los medios de montaje de la misma.
8.1.14 Ensayo de ensamble a bornera de puesta a tierra
De acuerdo con la norma NTC 2154, se monta una bornera sobre una placa de acero o un riel suministrado por el fabricante, se inserta el conductor y se aprietan los tornillos de fijación al 110% del torque especificado por el fabricante. Luego se deben aflojar los tornillos de fijación e insertar nuevos conductores apretándolos al 110% del torque, se repite el ensayo hasta completar 5 montajes usando las mismas borneras.
Este procedimiento se debe efectuar para el conductor de mayor diámetro y el de menor diámetro; en ninguno de los dos casos debe presentarse deterioro de los tornillos, de la bornera ni del conductor
9 MARCACIÓN, EMPAQUE Y ROTULADO
9.1 MARCACIÓN.
Se deben marcar las cajas en alto-relieve o bajo-relieve con el nombre de Enel Enel Colombia y el logotipo o nombre del fabricante con letras de 6 mm o más; adicionalmente se deberá indicar en la parte interna con un adhesivo, la fecha de fabricación, orden de compra y código SAP.9.2 EMPAQUE
Toda caja para medidor trifásico debe ir completa y cerrada, debe protegerse contra ralladuras y daños dentro del transporte, para esto cada una debe embalarse en una caja de cartón grueso.Para el transporte debe embalarse en estibas con un numero de unidades no mayor a 50 unidades por estiba y la estiba recubierta y sellada con material plástico, sobre el cual se adherirá una etiqueta de por lo menos 30 X 30 cm que indique que no se puede almacenar mas de dos estibas en sentido vertical.
9.3 ROTULADO
En cada caja se colocará un rótulo con la siguiente información.- Especificación del contenido con su referencia.
- Nombre y razón social del proveedor.
- País de origen.
- Cantidad de elementos.
- Peso unitario, peso total bruto y neto.
- Nombre de Enel Enel Colombia.
- Número de contrato o pedido.
- Fecha de entrega.
- Código de Almacén, SAP 1003805.
10 REQUISITOS DE LAS OFERTAS
El oferente adjuntara con su propuesta, para el fabricante de los bienes cotizados, el “ Sistema de calidad ” de acuerdo con cualquier norma NTC-ISO serie 9000 o norma equivalente en el país de origen, expedida por una entidad idónea del mismo país de origen, adicionalmente debe anexarse, el certificado de “ Conformidad de producto ” expedido por la autoridad competente debidamente autorizada por la Superintendencia de Industria y Comercio ó su equivalente; es de tener en cuenta que las pruebas de recepción de está Especificación Técnica , no reemplazan el Certificado de Conformidad de producto , ni viceversa.La oferta técnica deberá entregarse en copias duras y por lo menos una copia en medio magnético, diligenciando los formatos de las planillas de características técnicas garantizadas.
El oferente deberá adjuntar catálogos que contengan características técnicas principales y muestras físicas del producto ofertado, así mismo las fotocopias de los certificados de laboratorios internacionales cuando las pruebas deban ser hechas fuera del país.
Los oferentes deberán ofrecer una garantía absoluta de sus productos de por lo menos dos (2) años.
11. PRESENTACIÓN DE LAS OFERTAS
El oferente deberá presentar su oferta técnica (en medio impreso) en el siguiente orden:- ANEXO 1: relación de los bienes cotizados.
- ANEXO 2: información del oferente.
- ANEXO 3: planillas de características técnicas garantizadas.
- EXCEPCIONES TÉCNICAS: apartado en el cual se deben relacionar las excepciones de carácter exclusivamente técnico de la oferta, respecto a los bienes solicitados. Si la oferta no presenta excepción, se indicaría expresamente en el mismo “NO HAY EXCEPCIONES”
- PROTOCOLO DE PRUEBAS: relación de los ensayos realizados a las cajas y a sus accesorios de acuerdo con lo indicado en la presente especificación.
- CERTIFICACIONES: certificación del sistema de calidad , y acreditación del producto ante el ente competente en Colombia.
- EVIDENECIA TÉCNICA : relación de clientes, evidencia de su capacidad técnica y experiencias relacionadas con los materiales y/o equipos cotizados.
- GARANTÍA: carta de garantía de los bienes cotizados.
- NORMAS: normas técnicas aplicables a los bienes cotizados.
- CATÁLOGOS: catálogos originales completos y actualizados del fabricante, que correspondan a los datos bienes cotizados.
- INFORMACIÓN ADICIONAL: información adicional que se considere aporta explicación al diseño de la caja, así como las instrucciones de instalación, operación y mantenimiento .
La oferta técnica deberá presentarse en carpeta blanca de tres aros (tipo catálogo), con separadores en el orden anteriormente señalado; adicionalmente, el fabricante debe incluir la anterior información en formato electrónico en un CD.
Enel Enel Colombia. podrá descartar ofertas que no cumplan con las anteriores disposiciones, sin expresión de causa ni obligación de compensación.
ANEXO 1.
REQUERIMIENTOS CAJAS PARA DOS MEDIDORES TRIFÁSICOS
| ITEM | DESCRIPCION DEL MATERIAL | FABRICANTE | NORMA QUE CUMPLE | CANTIDAD (UNIDADES) |
| 1 | Caja vertical para tres medidores trifásicos |
INFORMACION GENERAL DEL PROPONENTE
<
| DATOS DEL PROPONENTE | |
| NOMBRE DEL PROPONENTE | |
| DIRECCIÓN | |
| CIUDAD | |
| PAIS | |
| TELÉFONO | |
| FAX | |
| PERSONA DE CONTACTO | |
| La persona de contacto, es la responsable de la oferta técnica a la cual se acudirá en caso de consulta o aclaración. | |
FIGURA 2 ESPECIFICACIONES DE LA CAJA
FIGURA 3 DETALLE BARRAJE PARA ACOMETIDAS: Fases y Neutro
FIGURA 4 BANDEJA PARA MEDIDOR TRIFASICO
FIG 5 SOPORTE PARA INTERRUPTORES TERMOMAGNÉTICOS
FIG. 6 VENTANA DE INSPECCIÓN INTERRUPTOR TERMOMAGNÉTICO
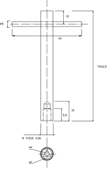
FIGURA 7 BUJE DEL SISTEMA DE SEGURIDAD
FIGURA 8 ALETA DEL SISTEMA DE SEGURIDAD
FIGURA 9 PERNO DEL SISTEMA DE SEGURIDAD
FIGURA 10 LLAVE PARA TORNILLO DE SEGURIDAD
FIGURA 11
ANEXO 3.
| PLANILLA DE CARACTERISTICAS TÉCNICAS GARANTIZADAS ET - 904 | |||
| N° | CARACTERISTICAS | OFRECIDA | |
| 1 | Características del sistema | Tensión Nominal : 208/120 V | |
| 2 | Normas de Fabricación y pruebas | ||
| 3 | Certificación de Producto (Por el ente Competente) | SI/NO | |
| Ente certificador- aclaración | |||
| N° de Certificado | |||
| 4 | Tipo (Metálica) | ||
| 5 | Grado de hermeticidad ( IP) | ||
| 6 | Grado de resistencia al impacto (IK) | ||
| BASE | |||
| 7 | Dimensiones externas | Ancho (sin pestaña) | |
| Largo (sin pestaña) | |||
| Altura | |||
| BORNERA DE FASE Y NEUTRO | |||
| 8 | Capacidad de Amperaje | ||
| 9 | Cableado Permitido | ||
| 10 | Numero de orificios y dimensión de c/u | ||
| 11 | Adjunta planos de las borneras con dimensiones | ||
| PUERTA | |||
| 12 | Posee marcación Enel Enel Colombia ( SI/NO ) | ||
| 13 | Posee marcación fabricante ( SI/NO ) | ||
| 14 | Posee marcación “CLIENTES” ( SI/NO ) | ||
| 15 | Adjunta planos Dimensionales de la tapa ( SI / NO ) | ||
| 16 | Dimensiones externas | Ancho (sin pestaña) | |
| Largo (sin pestaña) | |||
| Altura | |||
| 17 | Puerta abatible ( SI / NO ) | ||
| 18 | Posee Chapa con perno triangular según plano ( SI / NO ) | ||
| MATERIAL DE FABRICACIÓN | |||
| 19 | Caja Metálica | Tipo de lámina y calibre | |
| Proceso de pintura | |||
| Espesor mínimo garantizado de pintura | |||
| Adherencia mínima garantizada de la pintura | |||
| Resistencia al Impacto (IK) | |||
| PRUEBAS | |||
| 20 | Inspección Visual | ||
| 21 | Verificación Dimensional | ||
| 22 | Verificación del Cierre y Apertura de la Puerta | ||
| 23 | Prueba Contra Vandalismo | ||
| 24 | Ensayo de Grado de Protección (Código IP) | ||
| 25 | Resistencia a la Corrosión | ||
| 26 | Espesor de la Pintura | ||
| 27 | Ensayo de Adherencia por Tracción a Pintura | ||
| 28 | Análisis Químico a la Bornera de Puesta a Tierra | ||
| 29 | Cámara de Amoniaco a Bornera Puesta a Tierra | ||
| 30 | Calentamiento Estático a Bornera de Puesta a Tierra | ||
| 31 | Ensayo de Tracción a Bornera de Puesta a Tierra | ||
| 32 | Ensayo de Torque a Bornera de Puesta a Tierra | ||
| 33 | Ensayo de Seguridad de Montaje a Bornera de Puesta a Tierra | ||
| 34 | Ensayo de Ensamble a Bornera de Puesta a Tierra | ||
DATOS ADICIONALES
Revisión #
1
Fecha de entrada en vigencia
Actividad de los usuarios
Para hacer comentarios debe iniciar sesión o registrarse aquí