ET846 Arrancadores para bombillas alta intensidad de descarga
- Contenido
1. OBJETO
Establecer las condiciones que deben satisfacer los arrancadores para bombillas de alta intensidad de descarga (HID), los cuales deben poseer excelentes características técnicas de desempeño, durabilidad y calidad en el funcionamiento de luminarias y/o proyectores, en sistemas de alumbrado público que Enel Colombia S.A opera y mantiene.2. ALCANCE
La presente especificación se aplicará en todas los arrancadores para bombillas de alta intensidad de descarga (HID) para Alumbrado Público que adquiera Enel Colombia S.A. ESP.3. CONDICIONES DE SERVICIO
Los arrancadores son utilizados en circuitos con balasto reactor ó balasto autoregulado CWA, para alcanzar el encendido de las bombillas de alta intensidad de descarga (HID), del sistema de alumbrado público del área de concesión de Enel Colombia S.A. E.S.P, bajo las siguientes condiciones:| CARACTERÍSTICAS AMBIENTALES | |
| a. Altura sobre el nivel del mar | 2 640 m |
| b. Ambiente | Tropical |
| c. Humedad | Mayor al 90 % |
| d. Temperatura máxima y mínima | 45 ºC y - 5 ºC respectivamente. |
| e. Temperatura promedio | 14 ºC. |
| f. Instalación | Interior |
| CARACTERÍSTICAS ELÉCTRICAS | |
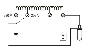
| a. Tensión Nominal del sistema | |
| Línea – Línea | 208, 240 V |
| Línea – Neutro | 220, 277 V |
| b. Frecuencia del sistema | 60 Hz |
4. SISTEMA DE UNIDADES
Todos los documentos técnicos, deben expresar las cantidades numéricas en unidades del sistema Internacional (S.I.). Si se usan catálogos, folletos o planos, en sistemas diferentes de unidades, deben hacerse las conversiones respectivas.5. NORMAS DE FABRICACIÓN Y PRUEBAS
| NORMA | DESCRIPCIÓN | |
| NTC | 900 | Reglas generales y especificaciones para el alumbrado público |
| NTC | 1000 | Sistema Internacional de Unidades. |
| NTC | 2050 | Código Eléctrico Nacional (conexiones internas). |
| NTC | 2117 | Balastos para bombillas de alta intensidad de descarga. Requisitos generales y de seguridad. |
| NTC | 2118 | Balastos para bombillas de alta intensidad de descarga. Requisitos de funcionamiento. |
| NTC | 2230 | Luminarias parte 1. Requisitos generales y ensayos |
| NTC | 2243 | Electrotecnia Bombillas de vapor de sodio a alta presión. |
| NTC | 3200-1 3200-2 | Arrancadores para bombillas de sodio alta presión. |
| NTC | ISO 2859-1 | Procedimientos de muestreo para inspección por atributos. Parte 1: Planes de muestreo determinados por el nivel aceptable de calidad para inspección lote a lote. |
| IEC | 60188 | High Pressure mercury vapor lamps |
| IEC | 60598 -2-3 | Luminaries for road and street lighting. Particular requirements. |
| IEC | 60662 | High pressure sodium vapor lamps. |
| IEC | 60923 | Ballasts for discharge lamps (excluding tubular fluorescent lamps). Performance requirements |
| IEC | 60926 | Starting device (other than glow starters). General and safety requirements. |
| IEC | 60927 | Starting device (other than glow staters). Perfomance requirements. |
| IEC | 61347-2-9 | Lamp controlgear –Part 2-9 Particular requeriments for electromagnetic controlgear for discharge lamp (excluding fluorescent lamp) |
| ANSI | C 82.4 | Ballasts for high intensity discharge and low pressure sodium lamps. |
Las normas citadas en la presente especificación (o cualquier otra que llegare a ser aceptada por Enel Colombia S.A ESP) se refieren a su última revisión.
6. CONCEPTOS BÁSICOS
- ArrancadorDispositivo utilizado conjuntamente con el balasto con el cual se inicia el encendido de una bombilla de descarga.
- Arrancador tipo Impulsador paralelo
Arrancador que se conecta en paralelo con la bombilla y genera por sí sólo el pulso de arranque.
Arrancador tipo Impulsador paralelo
- Arrancador tipo Impulsador de derivación
Arrancador que requiere conectarse a una derivación del devanado del balasto para producir los pulsos durante el arranque de la bombilla .
Este tipo de arrancador requiere ser el adecuado al balasto, pues utiliza una porción particular del devanado de la bobina , hecho que hace incompatible los sistemas americano y europeo. Además, exige un mayor nivel de aislamiento del balasto.
Arrancador tipo Impulsador de derivación
- Arrancador de superposición o serie
Arrancador que se conecta en serie entre el balasto y la bombilla , generando por si sólo los pulsos de arranque de ésta. La ventaja del arrancador de superposición, es que al ser independiente del tipo de balasto, éste no necesita tener un aislamiento mayor.
Arrancador de superposición
- Arrancador remoto
Son arrancadores que sirven para suministrar pulsos adecuados para el encendido de la bombilla , alejados en una distancia de más de cinco metros, de acuerdo con la capacidad del conductor y la atenuación del pulso.
La alimentación desde el arrancador ubicado a distancia de la bombilla , exige la utilización de cables de características especiales que permitan la circulación de pulsos de alta tensión para evitar inconvenientes relacionados con la capacidad parásita de los mismos, atenuación de la energía de éstos con los consiguientes problemas de arranque.
7. REQUERIMIENTOS TÉCNICOS PARTICULARES
Los arrancadores son elementos capaces de producir por si mismos, pulsos de tensión de cierta duración para encender las bombillas de alta intensidad de descarga (HID), de Alumbrado Público.Además de los requisitos técnicos contemplados en las Normas, se deben tener en cuenta los siguientes aspectos:
7.1 TIPO DE ARRANCADOR
El arrancador utilizado como complemento del balasto, debe ser diseñado, fabricado e instalado, para el adecuado encendido de las bombillas, cumpliendo con las siguientes condiciones:- Deben garantizar el encendido de bombillas del tipo estándar, súper o plus.
- No debe tener restricción alguna con respecto a su posición de operación.
- Debe ser capsulado y fabricado en un material autoextingible. La carcasa debe ser del tipo plástica.
- Ser diseñados de tal manera que puedan soportar temperaturas desde –40 °C hasta +90 °C sin que se afecte su normal funcionamiento.
- Los terminales deben ser del tipo cable soldable de 20 cm de largo con los extremos estañados, con aislamiento mínimo de 105 °C y 600 V. Deben ser diseñados de forma que se garantice una buena conexión eléctrica y que además sean mecánicamente seguros. No se aceptara que estos equipos estén provistos de terminales tipo bornera.
El arrancador debe tener claramente identificados y de manera permanente sus terminales de conexión.
- Deben presentar una resistencia de aislamiento no menor de 2 MOhmios.
- Deben soportar una tensión de 2 Vn + 1000 V, entre terminales durante un (1) minuto.
- El pulso generado por el arrancador, debe tener la energía necesaria (altura, ancho y repetición) para garantizar:
a) Un arranque rápido y confiable de la bombilla .
b) Un correcto encendido de las bombillas ante encendido en frio y reencendido en caliente.
- En condición de daño de la bombilla (fin de la vida útil , ausencia de ella por vandalismo, bulbo roto o desconexión temporal), preferiblemente el arrancador debe poseer las siguientes características:
a) No proveer pulsos de alto voltaje hacia el balasto.
b) Poseer un sistema de parada automática.
- Debe generar pulsos o un tren de pulsos, en cada uno de los semiperíodos de la onda, aprovechando de esta forma, la tensión de alimentación y creando más de un pulso por ciclo.
- Se exige que el sistema de fijación del elemento tenga perno y tuerca.
7.2 UTILIZACIÓN DE ARRANCADORES CON BOMBILLAS METAL HALIDE O HALOGENUROSA
El arrancador siendo una parte complementaria del balasto o un elemento separado, debe cumplir con los siguientes requisitos, cuando se utilice con bombillas de Metal Halide o Halogenuros:| UTILIZACIÓN DE ARRANCADORES CON BOMBILLAS METAL HALIDE | ||||||
| POTENCIA DE LA BOMBILLA | CARACTERÍSTICA | VALOR EXIGIDO | ||||
| 70 W | Tipo de balasto | Reactor | ||||
| Pulso | Mínimo | 2,8 kV | ||||
| Máximo | 5 kV | |||||
| Ancho de pulso [ µ s] | 2 (a 2,7 kV) | |||||
| Repetición | 2 por ciclo | |||||
| Tipo | Superposición | |||||
| Tensión de red | Deberá seleccionarse según la tensión de conexión. | |||||
| 150 W | Tipo de balasto | Reactor | CWA | |||
| Pulso | Mínimo | 2,8 kV | ||||
| Máximo | 5 kV | |||||
| Ancho de pulso [ µ s] | 2 (a 2,7 kV) | |||||
| Repetición | 2 por ciclo | |||||
| Tipo | Superposición | Superposición, Impulsador de derivación | ||||
| Tensión de red | Deberá seleccionarse según la tensión de conexión. | --- | ||||
| 175 W | Tipo de balasto | Reactor | CWA | |||
| Pulso [kV] | Bombilla | Estándar | Pulse start | Estándar | Pulse start | |
| Mínimo | 0,6 | 2,8 | No requiere | 2,8 | ||
| Máximo | 0,75 | 5 | No requiere | 5 | ||
| Ancho de pulso [ µ s] | 260 (a 0,54 kV) | 2 (a 2,7 kV) | --- | 2 (a 2,7 kV) | ||
| Repetición | 1 por ciclo | 2 por ciclo | --- | 2 por ciclo | ||
| Tipo | Impulsador | Superposición | --- | Superposición, Impulsador de derivación | ||
| Tensión de red | Deberá seleccionarse según la tensión de conexión. | --- | ||||
| 250 W | Tipo de balasto | Reactor | CWA | |||
| Pulso [kV] | Bombilla | Estándar | Pulse start | Estándar | Pulse start | |
| Mínimo | 0,6 | 2,8 | No requiere | 2,8 | ||
| Máximo | 0,75 | 5 | No requiere | 5 | ||
| Ancho de pulso [ µ s] | 260 | 2 | --- | 2 | ||
| (a 0,54 kV) | (a 2,7 kV) | (a 2,7 kV) | ||||
| Repetición | 1 por ciclo | 2 por ciclo | --- | 2 por ciclo | ||
| Tipo | Impulsador | Superposición | --- | Superposición, Impulsador de derivación | ||
| Tensión de red | Deberá seleccionarse según la tensión de conexión. | --- | ||||
| 400 W | Tipo | Reactor | CWA | |||
| Pulso [kV] | Bombilla | Estándar | Pulse start | Estándar | Pulse start | |
| Mínimo | 0,6 | 2,8 | No requiere | 2,8 | ||
| Máximo | 0,75 | 5 | No requiere | 5 | ||
| Ancho de pulso [ µ s] | 260 (a 0,54 kV) | 2 (a 2,7 kV) | --- | 2 (a 2,7 kV) | ||
| Repetición | 1 por ciclo | 2 por ciclo | --- | 2 por ciclo | ||
| Tipo | Impulsador | Superposición | --- | Impulsador, Impulsador de derivación | ||
| Tensión de red | Deberá seleccionarse según la tensión de conexión. | --- | ||||
| 1000 W | Tipo | Reactor | CWA | |||
| Pulso [kV] | Mínimo | 0,6 | No requiere | |||
| Máximo | 0,75 | |||||
| Ancho de pulso [ µ s] | 190 (a 0,54 kV) | |||||
| Repetición | 1 por ciclo | |||||
| Tipo | Impulsador | |||||
| Tensión de red | Deberá seleccionarse según la tensión de conexión. | |||||
| 1500 y 2000 W | Tipo | CWA | Reactor | |||
| Pulso [kV] | Mínimo | No requiere | 0,6 | |||
| Máximo | 0,75 | |||||
| Ancho de pulso [ µ s] | 190 (a 0,54 kV) | |||||
| Repetición | 1 por ciclo | |||||
| Tipo | Impulsador | |||||
| Tensión de red | Deberá seleccionarse según la tensión de conexión. | |||||
7.3 UTILIZACIÓN DE ARRANCADORES CON BOMBILLAS DE SODIO
Cuando se utilice con bombillas de vapor de sodio alta intensidad de descarga, debe ser del tipo:(a) Superposición o serie.
(b) Impulsador en derivación o paralelo. Aplicable en el caso de luminarias de 600 W, donde el impulso no alcanza a enceder la luminaria.
| UTILIZACIÓN DE ARRANCADORES CON BOMBILLAS DE VAPOR DE SODIO HID | |
| ÍTEM | CARACTERÍSTICA |
| Con balasto reactor | Se acepta únicamente los del tipo de superposición, los cuales no utilizan para su arranque el devanado de la bobina del balasto. |
| Con balastos autoregulado CWA | Se acepta únicamente los del tipo de superposición, los cuales no utilizan para su arranque el devanado de la bobina del balasto. |
El arrancador siendo una parte complementaria del balasto o un elemento separado, debe cumplir con los siguientes requisitos:
| BOMBILLA SODIO HID | PULSO [kV] | Ancho del pulso medido a | Tasa de repetición del pulso | ||
| Mínimo | Máximo | >= [ µ s ] | [V] | ||
| 70 W | 1,8 | 2,5 | 2 | 1 620 | 2 por ciclo |
| 100 W | 2,8 | 5 | 2 | 2 520 | 2 por ciclo |
| 150 W | 2,8 | 5 | 2 | 2520 | 2 por ciclo |
| 250 W | |||||
| 400 W | 4 | 5 | |||
| 600 W | 4 | 5 | 4 | 2700 | 1 por ciclo |
| 1000 W | 3 | 5 | 4 | 2 700 | 1 por ciclo |
| CARACTERÍSTICAS DEL ARRANCADOR PARA PRUEBA DE ENCENDIDO DE LAS BOMBILLAS | ||
| Características del Pulso | Práctica Americana | Práctica Europea |
| Altura [V] | 2 225 ± 25 5000 | 2 775 ± 25 4500 |
| Forma de Onda | Cuadrada | Sinusoidal |
| Dirección | Un pulso negativo durante el medio ciclo negativo de la onda de tensión rms | Un pulso positivo durante el medio ciclo positivo de la onda de tensión rms |
| Posición | Entre 80 y 100 grados eléctricos de la tensión de alimentación rms | Entre 80 y 90 grados eléctricos de la tensión de alimentación rms |
| Tiempo de elevación Tmáx | 0,100 ms | 0,100 ms |
| Duración | 0,95 ± 0,05 ms | |
| Tasa de repetición | Uno por ciclo | |
8. CRITERIOS DE ACEPTACIÓN O RECHAZO
Para la inspección de los arrancadores se utilizará la metodología indicada en el Procedimiento para la realización de inspecciones técnicas, utilizando para el muestreo un nivel de inspección II y un nivel de aceptación de 2.5%.Las pruebas de recepción serán efectuadas con la presencia de un representante de Enel Colombia S.A. ESP; en las instalaciones del proveedor. Si los resultados de las pruebas o los equipos de prueba no son confiables, estas igualmente podrán ser realizadas o repetidas y el costo será asumido por el proveedor, en laboratorios oficiales o particulares reconocidos por Enel Colombia S.A. ESP.
Enel Colombia S.A. se reserva el derecho de descartar las propuestas que no ofrezcan pruebas o si las ofrecidas son consideradas insuficientes para garantizar la calidad de los arrancadores.
Para efectuar cualquier despacho, es requisito indispensable una autorización escrita de Enel Colombia S.A., la cual será expedida con base en los resultados de las pruebas realizadas en fábrica y/o la aprobación del protocolo de pruebas realizadas por el fabricante a los arrancadores solicitados.
9. PRUEBAS
Para el suministro de materiales y elementos a instalar en el sistema de alumbrado público, se requiere que se presenten los protocolos de los siguientes ensayos realizados en un laboratorio internacional o nacional, acreditado ante la ONAC -Organismo Nacional de Acreditación de Colombia o un organismo internacional como IAF ó EOTC , de acuerdo con las normas correspondientes.| ARRANCADORES PARA LUMINARIAS Y/O PROYECTORES | |
| ENSAYOS DE RUTINA | ENSAYOS TIPO |
| - Examen visual y mecánico | - Parámetros del pulso de arranque: amplitud, ancho, posición y frecuencia de repetición |
| - Marcación ó rotulado | - Ensayo de temperatura (estabilidad térmica) |
| - Rigidez dieléctrica | - Nivel de no reoperación. |
| - Parámetros eléctricos: amplitud, ancho, posición y frecuencia de repetición. | - Resistencia de aislamiento y rigidez dieléctrica. |
| - Arranque | - Vida útil . |
| - Prueba de humedad | |
| - Esfuerzos mecánicos de vibración | |
| - Protección contra contacto accidental. | |
10. MARCACIÓN Y EMPAQUE
10.1 MARCACIÓN
Los arrancadores deben tener un rotulado legible y durable de identificación, debidamente asegurada, mínimo con la siguiente información:- Potencia
- Tensión de la bombilla
- Frecuencia
- Identificación de terminales
- Diagrama de conexiones
- Temperatura máxima y mínima de operación
- Frecuencia de trabajo
- Marca de fábrica, modelo y referencia
- Mes y año de fabricación o código del fabricante
- Capacitancia de carga
- Corriente máxima (arrancadores de superposición)
- Característica del pulso
- Garantía
- Palabra BOG-CUN
Adicionalmente cualquier otra información que el fabricante considere necesaria y que la norma indique.
No se aceptan placas de identificación de papel y/o fijadas mediante pegantes
10.2 EMPAQUE
Los bienes, objeto de la presente especificación técnica , deben ser empacados en forma adecuada, para resistir las condiciones de humedad e impacto que pueden presentarse durante el transporte desde fábrica hasta las bodegas de la Compañía y durante su almacenamiento. En dicho empaque, deberá aparecer relacionado el Código SAP de la compañía de la siguiente forma:| TENSIÓN NOMINAL DE LA BOMBILLA [V] | POTENCIA DE LA BOMBILLA HID [W] | CÓDIGO SAP |
| 90 | Sodio 70 | 6762417 |
| 100 | Sodio 100 | 6762418 |
| Sodio 150 | ||
| Sodio 250 | ||
| Sodio 400 | ||
| 100 | Sodio 600 | 6806667 |
| 250 | Sodio 1 000 | 6762262 |
11. GARANTÍA DE FÁBRICA
Enel Colombia S.A E.S.P. requiere como mínimo, un período de garantía de fábrica de veinticuatro (24) meses, a partir de la entrega de los arrancadores.12. INSPECCIÓN EN FÁBRICA
El suministrador enviará con no menos de quince (15) días calendario de anticipación, a la fecha programada para la realización de las pruebas en fábrica, el formato de protocolos de pruebas y copia de las normas en inglés o castellano utilizadas para tal fin. Enel Colombia informará por escrito su conformidad con las pruebas requeridas.El Ingeniero responsable de Enel Colombia podrá inspeccionar en las instalaciones del fabricante el proceso de fabricación y pruebas, y solicitar la información y ensayos que a su juicio resulten necesarias para verificar el cumplimiento de los requisitos estipulados en este documento. El fabricante debe brindar plena colaboración al responsable en el cumplimiento de sus funciones.
El valor de las pruebas y ensayos debe incluirse en los precios cotizados en la propuesta. Enel Colombia S.A. se reserva el derecho de descartar las propuestas que no ofrezcan pruebas, o si las ofrecidas son consideradas insuficientes para garantizar la calidad de los arrancadores.
13. CERTIFICACIÓN
El oferente adjuntara con su propuesta, para el fabricante de los bienes cotizados el certificado de calidad ISO 9001 y los certificados de conformidad de producto y RETILAP expedidos por una entidad certificada.14. PRESENTACIÓN DE LAS OFERTAS
El oferente obligatoriamente deberá incluir en su propuesta la siguiente información:- ANEXO 1: relación de los bienes cotizados.
- ANEXO 2: información del oferente.
- ANEXO 3: planillas de características técnicas garantizadas. Deberán ser diligenciadas completamente y entregarse en formato Excel.
- EXCEPCIONES TÉCNICAS: apartado en el cual se deben relacionar las excepciones de carácter exclusivamente técnico de la oferta, respecto a los bienes solicitados. Si la oferta no presenta excepción, se indicaría expresamente en el mismo “NO HAY EXCEPCIONES”
- PROTOCOLO DE PRUEBAS: relación de los ensayos realizados a los arrancadores y a sus accesorios de acuerdo con lo indicado en el apartado 9 y con las normas indicadas en el numeral 5 de la presente especificación. En los protocolos se deberán anotar las fechas de fabricación y pruebas del equipo , para permitir la verificación de las características técnicas garantizadas.
- CERTIFICACIONES: certificaciones del sistema de calidad ISO 9001 y de producto con norma técnica y RETILAP emitido por ente competente en Colombia.
- EVIDENCIA TÉCNICA : relación de clientes, evidencia de su capacidad técnica y experiencias relacionadas con los materiales y/o equipos cotizados.
- GARANTÍA: carta de garantía de los bienes cotizados.
- NORMAS: normas técnicas aplicables a los bienes cotizados.
- CATÁLOGOS: catálogos originales completos y actualizados del fabricante, que correspondan a los bienes cotizados en la planilla de características técnicas garantizadas.
- MUESTRAS: de cada una de las referencias ofertadas sin cargo a devolución, con cada una de las características técnicas, solicitadas y mencionadas en la presente especificación. Las muestras entregadas, deberán ser suministradas con todas las características especificadas en la presente especificación.
- INFORMACIÓN ADICIONAL: información adicional que se considere aporta explicación al diseño de los arrancadores (dibujos, detalles, características de operación, dimensiones y pesos de los materiales ofertados).
Enel Colombia S.A. podrá descartar ofertas que no cumplan con las anteriores disposiciones, sin expresión de causa ni obligación de compensación.
ANEXO 1
REQUERIMIENTOS ARRANCADORES PARA BOMBILLAS HID
| ÍTEM | DESCRIPCIÓN DEL MATERIAL | Fabricante | Referencia | POTENCIA nominal BOMBILLA [W] | CANTIDAD (UNIDADES) |
| Arrancador para bombilla de sodio HID 90 V para alumbrado público. | 70 | ||||
| Arrancador para bombilla de sodio HID 100 V para alumbrado público | 100/150/250/400/600 | ||||
| Arrancador para bombilla de sodio HID 250 V para alumbrado público | 1 000 | ||||
| Arrancador para bombilla Metal Halide |
INFORMACIÓN GENERAL DEL PROPONENTE
| DATOS DEL PROPONENTE | |
| NOMBRE DEL PROPONENTE | |
| DIRECCIÓN | |
| CIUDAD | |
| PAÍS | |
| TELÉFONO | |
| FAX | |
| PERSONA DE CONTACTO | |
| La persona de contacto, es la responsable de la oferta técnica a la cual se acudirá en caso de consulta o aclaración. | |
PLANILLA DE CARACTERÍSTICAS TÉCNICAS GARANTIZADAS
| ARRANCADORES PARA BOMBILLAS SODIO ALTA INTENSIDAD DE DESCARGA | ||||
| ÍTEM | DESCRIPCIÓN | OFERTADO | ||
| 1 | Norma de fabricación | |||
| 2 | Fabricante | |||
| 3 | País de origen | |||
| 4 | Referencia y catálogo | |||
| 5 | Tipo (Superposición o serie) | |||
| 6 | Tipo de fuente | |||
| 7 | Tensión de operación [V] | |||
| 8 | Frecuencia de servicio [Hz] | |||
| 9 | Pruebas a realizar en fabrica (Describir) | |||
| 10 | Utiliza el devanado del balasto para generar pulsos (Si/No) | |||
| 11 | Mínima tensión de entrada para producir el pulso [V] | |||
| 12 | Características del pulso | Pico máximo [V] | ||
| Ancho de pulso [ µ s] | ||||
| Posición del pulso [°E] | ||||
| Número mínimo de pulsos/semi-ciclo | ||||
| 13 | Resistencia de aislamiento [MOhmios] | |||
| 14 | Soporta 2 Vn + 1 000 en 1 minuto | |||
| 15 | Vida útil (Años) | |||
| 16 | Peso (Gramos) | |||
| 17 | Temperatura máxima de servicio [°C] | |||
| 18 | Rigidez dieléctrica de la resina de relleno [kV/cm] | |||
| 19 | Pruebas a realizar en fabrica (Describir) | |||
| 20 | Terminales | Número de terminales | ||
| Longitud [cm] | ||||
| Calibre (AWG) | ||||
| Tipo de aislamiento | ||||
| Tensión [V] | ||||
| Temperatura [°C] | ||||
| Puntas estañadas (Si/No) | ||||
| 21 | Marcación | Tipo (Aclarar) | ||
| Enel Colombia | ||||
| Orden de Compra | ||||
| Nombre del Fabricante | ||||
| Esquema | ||||
| Tensión | ||||
| Temperatura | ||||
| Año | ||||
| Otra (Aclarar) | ||||
| 22 | Desviaciones relacionadas | |||
| RESULTADO DE EVALUACIÓN TÉCNICA | ||||
| 23 | Sistema de calidad (ISO 9001) | Entidad acreditadora | ||
| Número de acreditación | ||||
| Fecha de aprobación (Día/Mes/Año) | ||||
| Vigencia | ||||
| Adjunta el certificado (Si/No) | ||||
| 24 | Certificación de producto con norma técnica | Entidad acreditadora | ||
| Número de acreditación | ||||
| Norma técnica | ||||
| Fecha de aprobación (Día/Mes/Año) | ||||
| Vigencia | ||||
| Adjunta el certificado (Si/No) | ||||
| 25 | Certificación de producto con RETILAP | Entidad acreditadora | ||
| Número de acreditación | ||||
| Fecha de aprobación (Día/Mes/Año) | ||||
| Vigencia | ||||
| Adjunta el certificado (Si/No) | ||||
| RESULTADO DE EVALUACIÓN REGULATORIA | ||||
| 26 | Observaciones | |||
| ARRANCADORES PARA BOMBILLAS MH ALTA INTENSIDAD DE DESCARGA | ||||
| ÍTEM | DESCRIPCIÓN | OFERTADO | ||
| 1 | Norma de fabricación | |||
| 2 | Fabricante | |||
| 3 | País de origen | |||
| 4 | Referencia y catálogo | |||
| 5 | Tipo (Superposición o serie) | |||
| 6 | Tipo de fuente | |||
| 7 | Tensión de operación [V] | |||
| 8 | Frecuencia de servicio [Hz] | |||
| 9 | Pruebas a realizar en fabrica (Describir) | |||
| 10 | Utiliza el devanado del balasto para generar pulsos (Si/No) | |||
| 11 | Mínima tensión de entrada para producir el pulso [V] | |||
| 12 | Características del pulso | Pico máximo [V] | ||
| Ancho de pulso [ µ s] | ||||
| Posición del pulso [°E] | ||||
| Número mínimo de pulsos/semi-ciclo | ||||
| 13 | Resistencia de aislamiento [MOhmios] | |||
| 14 | Soporta 2 Vn + 1 000 en 1 minuto | |||
| 15 | Vida útil (Años) | |||
| 16 | Peso (Gramos) | |||
| 17 | Temperatura máxima de servicio [°C] | |||
| 18 | Rigidez dieléctrica de la resina de relleno [kV/cm] | |||
| 19 | Pruebas a realizar en fabrica (Describir) | |||
| 20 | Terminales | Número de terminales | ||
| Longitud [cm] | ||||
| Calibre (AWG) | ||||
| Tipo de aislamiento | ||||
| Tensión [V] | ||||
| Temperatura [°C] | ||||
| Puntas estañadas (Si/No) | ||||
| 21 | Marcación | Tipo (Aclarar) | ||
| Enel Colombia | ||||
| Orden de Compra | ||||
| Nombre del Fabricante | ||||
| Esquema | ||||
| Tensión | ||||
| Temperatura | ||||
| Año | ||||
| Otra (Aclarar) | ||||
| 22 | Desviaciones relacionadas | |||
| RESULTADO DE EVALUACIÓN TÉCNICA | ||||
| 23 | Sistema de calidad (ISO 9001) | Entidad acreditadora | ||
| Número de acreditación | ||||
| Fecha de aprobación (Día/Mes/Año) | ||||
| Vigencia | ||||
| Adjunta el certificado (Si/No) | ||||
| 24 | Certificación de producto con norma técnica | Entidad acreditadora | ||
| Número de acreditación | ||||
| Norma técnica | ||||
| Fecha de aprobación (Día/Mes/Año) | ||||
| Vigencia | ||||
| Adjunta el certificado (Si/No) | ||||
| 25 | Certificación de producto con RETILAP | Entidad acreditadora | ||
| Número de acreditación | ||||
| Fecha de aprobación (Día/Mes/Año) | ||||
| Vigencia | ||||
| Adjunta el certificado (Si/No) | ||||
| RESULTADO DE EVALUACIÓN REGULATORIA | ||||
| 26 | Observaciones | |||
DATOS ADICIONALES
Revisión #
6
Fecha de entrada en vigencia
Actividad de los usuarios
Para hacer comentarios debe iniciar sesión o registrarse aquí