ET801 Luminarias para bombillas de sodio 70 a 400 W para alumbrado público
- Contenido
1. OBJETO
Establecer las condiciones que deben satisfacer las luminarias para bombillas de sodio 70 W, 150 W, 250 W y 400 W alta intensidad de descarga, las cuales deben poseer excelentes características técnicas de desempeño, durabilidad y calidad para cumplir las condiciones actuales de desempeño en los sistemas de distribución de energía de B.T.
2. ALCANCE
La presente especificación se aplicará en todas las luminarias para bombillas de sodio 70 W, 100 W, 150 W, 250 W y 400 W alta intensidad de descarga de Alumbrado Público que adquiera Enel Colombia S.A. ESP.
3. CONDICIONES DE SERVICIO
Las luminarias serán utilizadas para su instalación en el sistema de alumbrado Público del área de concesión de Enel Colombia S.A. E.S.P, bajo las siguientes condiciones:
| CARACTERÍSTICAS AMBIENTALES | |
| a. Altura sobre el nivel del mar | 2 640 m |
| b. Ambiente | Tropical |
| c. Humedad | Mayor al 90 % |
| d. Temperatura máxima y mínima | 45 ºC y - 5 ºC respectivamente. |
| e. Temperatura promedio | 14 ºC. |
| f. Instalación | A la intemperie |
| CARACTERÍSTICAS ELÉCTRICAS | |
| a. Tensión Nominal del sistema | |
| Línea - Línea | 208, 240 V |
| Línea - Neutro | 220, 277 V |
| b. Frecuencia del sistema | 60 Hz |
4. SISTEMAS DE UNIDADES
Todos los documentos técnicos, deben expresar las cantidades numéricas en unidades del sistema Internacional (S.I.). Si se usan catálogos, folletos o planos, en sistemas diferentes de unidades, deben hacerse las conversiones respectivas.
5. NORMAS DE FABRICACIÓN Y PRUEBAS
| NORMA | DESCRIPCIÓN | |
| NTC | 900 | Reglas generales y especificaciones para el alumbrado público |
| NTC | 1000 | Sistema Internacional de Unidades. |
| NTC | 1156 | Productos metálicos y recubrimientos. Ensayos cámara salina. |
| NTC | 1470 | Electrotecnia. Casquillos y portalámparas roscados E27 y E40. Dimensiones y galgas de verificación. |
| NTC | 2050 | Código Eléctrico Nacional (conexiones internas). |
| NTC | 2117 | Balastos para bombillas de alta intensidad de descarga. Requisitos generales y de seguridad . |
| NTC | 2118 | Balastos para bombillas de alta intensidad de descarga. Requisitos de funcionamiento. |
| NTC | 2119 | Bombillas de vapor de mercurio a alta presión. |
| NTC | 2154 | Bloques terminales para uso industrial. |
| NTC | 2230 | Luminarias parte 1. Requisitos generales y ensayos |
| NTC | 2243 | Electrotecnia Bombillas de vapor de sodio a alta presión. |
| NTC | 2394 | Bombillas eléctricas de haluro metálico de 1000 W. |
| NTC | 2466 | Equipos de control a baja tensión . Contactores. |
| NTC | 2470 | Dispositivos de fotocontrol intercambiables para iluminación pública. |
| NTC | 3200-1 3200-2 | Arrancadores para bombillas de sodio alta presión. |
| NTC | 3279 | Grados de protección dado por encerramiento de equipo eléctrico [Grados IP] |
| NTC | 3280 | Equipo de control de baja tensión . |
| NTC | 3281 | Bombillas de vapor de mercurio. Métodos para medir sus características. |
| NTC | 3547 | Electrotecnia. Controles para sistemas de iluminación exterior. |
| NTC | 3657 | Pérdidas máximas en balastos, para bombillas de alta intensidad de descarga. |
| NTC | 4545 | Métodos de ensayo para la medición de pérdidas de potencia en balastos. |
| NTC | ISO 2859-1 | Procedimientos de muestreo para inspección por atributos. Parte 1: Planes de muestreo determinados por el nivel aceptable de calidad para inspección lote a lote . |
| IEC | 60188 | High Pressure mercury vapor lamps |
| IEC | 60529 | Degree of protection by enclosures [IP Code] |
| IEC | 60566 | Condensadores fijos para aplicaciones de corriente alterna. |
| IEC | 60598 -2-3 | Luminaries for road and street lighting. Particular requirements. |
| IEC | 60662 | High pressure sodium vapor lamps. |
| IEC | 60922 | Ballasts for discharge lamps (excluding tubular fluorescent lamps). General and safety requirements |
| IEC | 60923 | Ballasts for discharge lamps (excluding tubular fluorescent lamps). Performance requirements |
| IEC | 61347-1 | Lamp controlgear - Part 1: General and safety requirements. |
| IEC | 61347-2-1 | Lamp controlgear - Part 2-1: Particular requirements for starting devices (other than glow starters). |
| IEC | 61048 | Capacitors for use in tubular fluorescent and other discharge lamp circuits. Performance requirements". |
| IEC | 61049 | Capacitors for use in tubular fluorescent and other discharge lamp circuits. General and safety requirements". |
| IEC | 67004-21 | Características de bases o casquillos para bombillas |
| ANSI | C 136-10 | For physical and electrical interchangeability of photocontrol devices, plugs, and mating receptacles used in roadway lighting equipment |
| ANSI | C78.42 | High Pressure Sodium Lamps |
| ANSI | C 82.4 | Ballasts for high intensity discharge and low pressure sodium lamps. |
| ANSI | C 82.6 | Reference ballasts for high intensity discharge lamps methods of measurenment. |
| ANSI | IEEE STD 428 | Thyristor AC power controllers, definitions and requirements |
| ASTM | B-88 | Standard specification for seamless copper water tube. |
| CIE | 115 - 1995 | Recommendations for the lighting of roads for motor and pedestrian traffic |
| CIE | 31 - 1976 | Glare and uniformity in road lighting instalations - 1976 |
| CIE | 115 – 1995 | Recommendations for the lighting of roads for motor and pedestrian trafic. |
| CIE | 136 - 2000 | Guide to the lighting of urban areas |
| CIE | 140 - 2000 | Métodos de cálculo para la iluminación de carreteras |
| DIN | 5035 | Características de reproducción cromática y tonos de luz |
| DIN | 49620 | Características de bases o casquillos para bombillas |
| EN | 50102 | Grados de protección proporcionados por las envolventes de materiales eléctricos contra los impactos mecánicos externos (código IK) |
| NBR | 5123 | Relé fotoeléctrico y bases para Iluminación Pública. Especificación y métodos de ensayo . |
| NEMA | ICS-4 | Terminal blocks for industrial use. |
| CIDET | SC-E-024 | Especificación técnica unificada. Luminarias de vapor de mercurio y de vapor de sodio a alta presión para alumbrado público. |
Pueden emplearse otras normas internacionalmente reconocidas equivalentes o superiores a las aquí señaladas, siempre y cuando se ajusten a lo solicitado en la presente Especificación Técnica.
Las normas citadas en la presente especificación (o cualquier otra que llegare a ser aceptada por Enel Colombia S.A.) se refieren a su última revisión.
6. REQUERIMIENTOS TÉCNICOS PARTICULARES
6.1 EXIGENCIAS
6.1.1 Luminaria
- No se aceptan cuerpos de luminarias fabricados en acero tipo cold rolled ni por el proceso de fundición en arena.
- No se aceptan luminarias con desajustes parciales, para ello, se exigen bisagras con un sistemas que permitan gran precisión, tanto el momento de abrir como al momento cerrar la luminaria.
- No se permite la utilización del sistema de gualla para limitar la apertura entre carcasa y aro porta refractor; se exige una apertura máxima 110 grados, la cual debe incorporarse en la bisagra, con un sistema apropiado de limitación.
- Ninguno de los elementos o partes de la luminaria deben presentar rebabas, puntas o bordes cortantes.
- Se solicita que para la apertura y mantenimiento de los equipos, las luminarias sean abatibles por la parte superior (semi-carcasa superior). Para ello, se exige un limitador de apertura tipo telescópico, excepto para la luminaria de 70W.
- El conjunto óptico deberá ser independiente del conjunto eléctrico.
6.1.2 Conjunto Óptico
- Para el cambio o instalación de la bombilla no se permite desacoplar el refractor (difusor o cubierta transparente), ni el reflector.
- La bombilla debe acoplarse al conjunto óptico mediante un obturador o capzoleta, que garantice el índice de hermeticidad del conjunto óptico de la luminara a mínimo IP65.
- No se aceptan reflectores con películas del tipo pintado o esmaltado.
6.1.3 Conjunto Eléctrico
- La luminaria podrá ser clase 1 aislamiento sencillo con conexión a tierra ó clase 2 doble aislamiento de tal manera que se suministre con cubierta y bandeja aisladas y medio para conexión y desconexión de la alimentación de energía.
- Para el conjunto eléctrico de la luminaria (balasto, condensador y arrancador), no se acepta que estos equipos estén provistos de terminales tipo bornera.
- Así mismo, en ningún caso se aceptaran terminales tipo pala (conexión rápida, lengüeta, etc.).
- Para el conjunto eléctrico de la luminaria (balasto, condensador y arrancador), no se acepta que estos equipos estén provistos de conductores tipo alambre; todos deben ser conductores tipo cable.
- No se acepta el suministro de más de un capacitor por balasto.
6.2 CARACTERÍSTICAS GENERALES DE LAS LUMINARIAS
Las luminarias requeridas por Enel Colombia S.A. deben cumplir con las siguientes condiciones:
- Estar de acuerdo con el último diseño certificado del fabricante y ser aptas para instalación en el sistema de alumbrado público.
- Poseer la acreditación del producto y de su matriz de intensidades, expedida por un organismo acreditado o reconocido. Dicho certificado deberá entregarse a Enel Colombia S.A., por parte del fabricante o importador.
- La carcasa de la luminaria deberá ser del tipo enteriza, apropiada para ser utilizada en vías de la malla vial principal y arterial complementaria, vial intermedia, malla vial local, parques metropolitanos y zonales, plazas, plazoletas y alamedas.
- Garantizar los siguientes índices de hermeticidad:
| TIPO DE LUMINARIA | ÍNDICE DE HERMETICIDAD | |
| Carcasa enteriza, Sodio 70, 100, 150, 250 y 400 W | Conjunto óptico | IP => 65 |
| Conjunto eléctrico | IP => 43 | |
* El cuerpo de la luminaria debe ser tal que aloje y proteja de la intemperie a los conjuntos óptico y eléctrico, teniendo en cuenta los siguientes aspectos:
(a) Resistente a los cambios bruscos de temperatura.
(b) Resistente a altas temperaturas durante períodos prolongados, evitando cristalización o rompimiento.
En el caso de construcciones mediante el proceso de inyección en plástico, se exigirá:
- Ensayo para verificar que el material con el cual se construye la carcasa de la luminaria es retardante a la llama según UL 94-V2.
- Ensayo de estabilidad contra rayos UV de la carcasa de la luminaria.
- Certificado de la vida útil del material empleado en la construcción de la carcasa.
Los certificados deberán ser otorgados por un laboratorio internacionalmente reconocido para dichas prueba y con una vida útil mínima de 20 años; Enel Colombia S.A. podrá descartar ofertas que no cumplan con las anteriores disposiciones.
(c) Posea un grado de protección contra el impacto mínimo de IK09
(d) Garantice la estabilidad del color contra rayos ultravioleta
(e) Con acabado exterior en color gris RAL 7004.
- Asegurada antivandálicamente a través de:
(a) Tuerca fusible y tornillo pasante o varilla grafilada.
(b) Cierre de seguridad con tornillo cabeza triangular
(c) Bloqueo antigiro del fotocontrol.
6.3 CARACTERÍSTICAS PARA LA FIJACIÓN DE LA LUMINARIA
- Estar provista de un sistema de sujeción para su montaje, de acuerdo con lo establecido en el Tomo VI Normas de Construcción de Alumbrado Público de Enel Colombia S.A.
- La fijación debe realizarse fácilmente y sin necesidad de desarmar la luminaria o de utilizar accesorios complementarios y/o herramientas especiales.
- Apropiada para la fijación a soportes (brazos) con diámetros entre 3/4” y 1 ½”.
- Asegurada al soporte (brazo) para dificultar su retiro, mediante cualquiera de los siguientes sistemas:
(a) Tornillo pasante de 3/8”x 80mm y tuerca cónica de cabeza fusible removible (galvanizados en caliente y con rosca estándar).
(b) Varilla redonda 3/8” con grafilado en la punta de 20 mm.
Teniendo en cuenta que:
- El tornillo, la tuerca ó la varilla deben suministrarse con la luminaria.
- El tornillo pasante debe instalarse sin tener que desacoplar el plato de montaje.
6.4 CARACTERÍSTICAS DEL DISEÑO DE ILUMINACIÓN
Enel Colombia S.A. solicita el diseño de un kilómetro típico y los cálculos deben realizarse de acuerdo con la metodología descrita en la Norma CIE-140 (2000), aclarando en su propuesta la información relevante al diseño.
Para efectos del diseño de iluminación y el cálculo de los parámetros correspondientes, el Oferente debe tener en cuenta entre otros, los siguientes aspectos:
- Las luminarias deben ser adecuadas para utilizarse en los siguientes tipos de vías:
| TIPO DE LUMINARIA | TIPO DE VÍA | ANCHO (m) | INTERDISTANCIA (m) | ALTURA LIBRE (m) | |
| CALZADA | ANDEN | ||||
| Sodio 70 W | V7 Unilateral | 7 | 2,5 | >= 35 | 8,4 |
| V8 Unilateral | 5 | 2,5 | |||
| V9 Unilateral | Ver normas AP162 y AP328 | Ver normas AP162 y AP328 | 6 a 9 | ||
| Sodio 100 W | V7 Unilateral | 7 | 2,5 | >= 35 | 8,4 |
| V8 Unilateral | 5 | 2,5 | |||
| V9 Unilateral | Ver normas AP162 y AP328 | ||||
| Sodio 150 W | V4 Unilateral | 7 | 2,5 | >= 35 | 8,4 |
| V5 Unilateral | 9 | 2,5 | |||
| V6 Unilateral | 7 | 2,5 | |||
| Sodio 250 W | V2 Unilateral | 10 | 4 | >= 40 | 12 |
| V3 Unilateral | 12 | 4 | |||
| Sodio 400 W | V1 Unilateral | 20 | 4 | >= 45 | 14 |
| V0 Unilateral | 10,5 | 4 | |||
Notas:
Las secciones transversales de vías son las siguientes:
- V0 Norma AP154
- V1 Norma AP155
- V2 Norma AP156
- V3 Norma AP157
- V4 Norma AP158
- V5 Norma AP159
- V6 Norma AP160
- V7 Norma AP161
- V8 Norma AP161
- V9 Norma AP162
Relacionadas en las Normas Técnicas de Enel Colombia S.A., sección Alumbrado Público en su última versión.
- Las bombillas deben ser adecuadas para ser instaladas en el tipo de luminaria que exige la presente especificación; el flujo luminoso de la bombilla para realizar los cálculos fotométricos, debe ser:
| Bombillas de sodio HID | |
| POTENCIA (W) | FLUJO ( Lumen ) |
| 70 | 6 500 |
| 100 | 10 000 |
| 150 | 17 500 |
| 250 | 33 000 |
| 400 | 55 000 |
- Los parámetros para el análisis en el diseño de la iluminación, son los siguientes:
| UNIDAD | DESCRIPCIÓN |
| L (cd / m 2 ) | Luminancia promedio mantenida |
| E (Luxes) | Iluminancia promedio mantenida |
| U o | Uniformidad general |
| U L | Uniformidad longitudinal |
| TI | Incremento del umbral máximo inicial |
| SR | Relación de alrededores |
| N | Número de luminarias por kilómetro típico |
- Los valores mínimos exigidos por Enel Colombia S.A. son los indicados a continuación:
| POTENCIA | TIPO DE VÍA | L (cd/m 2 ) | U o | U L [%] | TI [%] | SR [%] |
| Sodio 70 W | V7 (2) | >= 0,5 y <= 0,75 | >= 0,4 | N.R. | 15 | 50 |
| V8 (2) | >= 0,5 y <= 0,75 | >= 0,4 | N.R. | 15 | 50 | |
| V9 (2) | >= 0,5 y <= 0,75 | >= 0,4 | N.R. | 15 | 50 | |
| Sodio 100 W | V7 (2) | >= 0,75 y <= 1 | >= 0,4 | N.R. | 15 | 50 |
| V8 (2) | >= 0,75 y <= 1 | >= 0,4 | N.R. | 15 | 50 | |
| V9 (2) | >= 0,75 y <= 1 | >= 0,4 | N.R. | 15 | 50 | |
| Sodio 150 W | V4 (3) | >= 1 y <= 1,5 | >= 0,4 | 50 | 15 | 50 |
| V5 (3) | >= 1 y <= 1,5 | >= 0,4 | 50 | 15 | 50 | |
| V6 (1) | >= 1 y <= 1,5 | >= 0,4 | 50 | 15 | 50 | |
| Sodio 250 W | V2 (4) | >= 1,5 y <= 2 | >= 0,4 | 50 | 10% | 50 |
| V3 (4) | >= 1,5 y <= 2 | >= 0,4 | 50 | 10% | 50 | |
| Sodio 400 W | V0 (4) | >= 1,5 y <= 2 | >= 0,4 | 50 | 10% | 50 |
| V1 (4) | >= 1,5 y <= 2 | >= 0,4 | 50 | 10% | 50 |
NOTAS:
- N.R.: No Requerido
- El oferente deberá presentar los valores del nivel de iluminancia , obtenidos en el cálculo.
(1) Malla vial intermedia. Se utiliza también en zonas de uso mixto y comercial.
(2) La malla vial local corresponde a los tipos de vías V7, V8 y V9, las cuales son vías de uso residencial exclusivamente.
(3) Malla vial intermedia V4 A-d, V5 A-B
(4) La malla vial arterial principal y complementaria corresponde a los tipos de vías V0, V1 y V2, V3.
- La superficie de la vía (calzada) es tipo R3, con un coeficiente de reflexión Qo= 0,07 tipo asfalto.
- Las dimensiones de los soportes (brazos) de las luminarias deben cumplir con lo establecido en las Normas Técnicas de Enel Colombia S.A., sección Alumbrado Público
- La altura del andén, para todos los cálculos será igual a 0,15 m.
- La distancia entre el borde del andén y el eje del poste será igual a 0,60 m.
- El factor de mantenimiento aplicado al conjunto óptico, será igual a 0,82 (mínimo a utilizar de acuerdo con la Norma Técnica Colombiana NTC 900).
6.5 CARACTERÍSTICAS TÉCNICAS DE LAS LUMINARIAS
Además de los requisitos técnicos contemplados en las Normas, se deben tener en cuenta los siguientes aspectos:
6.5.1 Tipo de Luminarias
Las luminarias deben ser del tipo horizontal cerradas, con reparto de flujo luminoso asimétrico en los planos C-90/270 grados con mayores intensidades hacia C-90 grados y simétrico hacia los planos C-0/180 grados.
Las luminarias deben ser suministradas con todos los elementos necesarios para su operación, con excepción de la bombilla, el fotocontrol y el brazo para instalación.
6.5.2 Conjunto Eléctrico
El conjunto eléctrico de las luminarias deberá ser con balasto electrónico, salvo que Enel Colombia realice alguna solicitud particular de balastos magnéticos. Para la luminaria de 400W se permite el uso de balasto magnético.
El conjunto eléctrico debe estar constituido por los elementos eléctricos de la luminaria (balasto, condensador, arrancador, fusibles y portafusibles para el caso de balasto magnético o balasto electrónico, concentrador de conexiones y bornera de conexión de acometida si es del caso), .
El conjunto eléctrico debe acoplarse en el interior del cuerpo de la luminaria en un plato de montaje con las siguientes características:
- Preferiblemente plano.
- Apropiado para realizar una fácil inspección, limpieza, mantenimiento y reemplazo de sus elementos.
- Sin bordes o puntas cortantes.
- Con venas estructurales para dificultar su deflexión.
- Con un espesor mínimo de 1,15 mm y protección superficial zincada de mínimo 15 µm.
La luminaria deberá estar provista de DPS dispositivo de protección contra sobre tensiones.
La construcción de la luminaria debe permitir fácil ventilación del sistema eléctrico, sin que sobrepase la temperatura máxima que puede soportar cada uno de los elementos que lo constituyen y conservando el IP garantizado.
Las conexiones eléctricas en las borneras y/o tornillería que se encuentre directamente en contacto con una conexión eléctrica (punto vivo) deben ser del tipo no ferroso. Además, las conexiones libres o suspendidas dentro del conjunto eléctrico deben llevar conectores de resorte o terminales aislados.
Las características eléctricas exigidas por Enel Colombia S.A. para los elementos que hacen parte del conjunto eléctrico de la luminaria, deben estar de acuerdo con las especificaciones ET-817 (CONDENSADORES PARA LUMINARIAS DE ALUMBRADO PÚBLICO), ET-845 (BALASTOS PARA BOMBILLAS ALTA INTENSIDAD DE DESCARGA ), ET-846 (ARRANCADORES PARA BOMBILLAS ALTA INTENSIDAD DE DESCARGA) y ET-847 ESPECIFICACION TÉCNICA BALASTOS ELECTRÓNICOS PARA BOMBILLAS DE SODIO HID.
6.5.2.1 Balastos
Enel Colombia S.A. requiere que los balastos suministrados con las luminarias cumplan con los siguientes requisitos:
| BALASTOS PARA BOMBILLAS SODIO A ALTA INTENSIDAD DE DESCARGA (1) | ||||||||
| Descripción | POTENCIA | |||||||
| 70 W | 150 W | 250 W | 400 W | |||||
| Tensión de servicio [V] | 208/220/240 V (Con balasto reactor) | |||||||
| 208/240/277 V (Con balasto CWA) | ||||||||
| Corriente nominal bombilla [A] | 0,98 | 1,8 | 3 | 4,6 | ||||
| Tensión nominal bombilla [V] | 90 | 100 | 100 | 100 | ||||
| Potencia nominal bombilla [W] | 70 | 150 | 250 | 400 | ||||
| Corriente máxima de corto circuito (100% de la tensión nominal) [A] | 1,96 | 3,5 | 4,5 | 7,5 | ||||
| Tensión mínima de circuito abierto [V] | 198 | 198 | 198 | 198 | ||||
| Tensión pico de arranque [kV] | Mínimo | 1,8 | 2,5 | 2,5 | 2,5 | |||
| Máximo | 2,5 | 4,5 | 4,5 | 4,5 | ||||
| Variación máxima de potencia de la bombilla para variaciones de ±10% (cwa) y ±5% (reactor) de V nom. de conexión [%] | 12 | 12 | 12 | 12 | ||||
| Tipo de balasto | REACTOR | REACTOR | CWA | REACTOR | CWA | REACTOR | CWA | |
| Pérdidas máximas [W] | 11 | 19 | 40 | 29 | 51 | 40 | 79 | |
(1) Para luminarias de 100 W el balasto será del tipo electrónico acorde con la especificación técnica ET-847 .
No se aceptaran que las pérdidas en los balastos, sean superiores a las establecidas aquí, determinadas con base en el procedimiento indicado en las Normas NTC 2118 y NTC 3657, ANSI C78.42 y ANSI C78.1356.
Si se utilizan balastos del tipo abierto, se exige que los mismos lleven tapas protectoras para los devanados.
Así mismo, las demás características deben estar de acuerdo con la especificación técnica de Enel Colombia ET-845 . Para la alternativa de balasto electrónico deberá cumplir con la especificación técnica de Enel Colombia ET-847 .
, Balasto Electrónico. En los balastos electrónicos, los elementos de conexión a la entrada del balasto (conexión a la red) y salida (conexión a la bombilla) deben ser independientes. No se acepta en ningún caso conexiones a una misma referencia entre la entrada y salida del balasto.
6.5.2.2 Condensadores
En luminarias con balasto tipo reactor, su función es corregir el factor de potencia al 90% mínimo, puesto que el balasto es altamente reactivo, lo cual produce un bajo factor de potencia que es inferior al 50%.
En luminarias con balasto tipo autorregulado CWA, el condensador junto con la bobina secundaria forman el circuito regulador, que suministra valores adecuados de tensión y corriente a la bombilla.
El condensador debe estar provisto de una resistencia de descarga entre sus terminales, tal que lo descargue desde el valor pico de la tensión AC aplicada, hasta una tensión que no exceda el valor de 50 V, en un (1) minuto.
El condensador no debe tener restricción alguna con respecto a su posición de operación. Adicionalmente deben ser del tipo seco, con una tolerancia del 5% para balastos del tipo reactor y del 3% para balastos del tipo autorregulado CWA.
Así mismo, la capacitancia, tensiones, y calibres del conductor deben estar de acuerdo con la Especificación Técnica de Enel Colombia ET817 .
6.5.2.3 Arrancadores
El arrancador debe ser capsulado y cumplir con las normas NTC 3200 o IEC 926/927, para ser instalado después del balasto, bajo las siguientes condiciones:
- Ser del tipo superposición o serie en las luminarias de sodio 70 W, 150 W, 250 W y 400 W.
- Garantizar el encendido de bombillas del tipo estándar, súper o plus.
El arrancador siendo una parte complementaria del balasto o un elemento separado, debe cumplir con los siguientes requisitos:
| BOMBILLA SODIO HID (1) | PULSO [kV] | Ancho del pulso medido a | Tasa de repetición del pulso | ||
| Mínimo | Máximo | >= [ µ s ] | [V] | ||
| 70 W | 1,8 | 2,5 | 2 | 1 620 | >= 2 por semi-ciclo |
| 150 W | 2,8 | 5 | 2 | 2 520 | >= 2 por semi-ciclo |
| 250 W | |||||
| 400 W | 4 | 5 | 2 | ||
(1) Luminarias de 100 W utilizaran balasto electrónico
Así mismo, las demás características deben estar de acuerdo con la especificación técnica de Enel Colombia ET846 .
6.5.2.4 Fusibles y Portafusibles
El conjunto eléctrico de las luminarias para bombillas de sodio, debe ser protegido con los siguientes fusibles:
| CARACTERISTICA DEL FUSIBLE | TIPO DE BALASTO | |||
| REACTOR / CWA | ||||
| 70 | 150 | 250 | 400 | |
| Corriente Nominal | 5 A | 10 A | ||
| Capacidad de interrupción | 10 kA | |||
| Nivel mínimo de aislamiento | 600 V | |||
| Dimensiones | 10,3 mm x 38,1mm (1 ½” x 13/32”) | |||
| Referencia | ATM5 | ATM10 | ||
| KTK5 | KTK10 | |||
| QSQ5 | QSQ10 | |||
NOTAS:
- El fusible deberá ensamblarse en un portafusible de 600 V y para un nivel de corto circuito de 10 kA.
- Se utilizará un fusible por fase .
6.5.2.5 Conexiones Internas
Las conexiones internas entre los elementos del conjunto eléctrico y óptico de la luminaria , deben poseer las siguientes características:
- Se deben realizar a través de un concentrador de conexiones, el cual permita estructurar, organizar y agrupar el cableado interno de las luminarias:
La construcción de éste elemento debe incluir:
- Borneras para las conexiones hacia cada uno de los elementos del conjunto eléctrico mínimo de 15 A
- Tensión mínima de aislamiento 2500 VAC.
- Con tornillos prensores aptos para recibir un destornillador tipo pala de 5 mm de ancho, y 1,2 mm de espesor en la punta.
- Conexiones internas embebidas en resina.
- Conexiones con conductor tipo cable calibre mínimo 14 AWG y aislamiento 105 ?C.
- Diagrama de conexiones que debe conservarse en el tiempo, ser indeleble y con una dimensión que permita su fácil observación y revisión.
- El balasto, condensador y arrancador deben estar provistos de terminales tipo conductor (cable), con longitud no menor a 20 cm y con puntas estañadas ó terminales rectos de compresión.
- Los extremos estañados deben ser de suficiente capacidad para soportar las corrientes propias del conjunto eléctrico, sin excesivo calentamiento y/o caídas de tensión perjudiciales para la operación normal de la unidad.
- La conexión desde el portabombillas al concentrador de conexiones, debe ser en cable de cobre siliconado, aislado para 600 V, 200 ºC, longitud mínima de 30 cm y con puntas estañadas ó terminales rectos de compresión.
- Los contactos eléctricos de la luminaria y la tornillería deben ser de material no ferroso y protegidos contra la corrosión.
6.5.2.6 Acometida de la luminaria
Para la alimentación o acometida, la luminaria deberá contar el sistema de prensaestopa, adecuado para recibir dos conductores calibre 14 AWG.
Si se utiliza el sistema de pasacables, se exige la implementación de un prensador para la acometida hacia la luminaria; el pasacables debe tener un ajuste perfecto que evite su perdida y que conserve el grado de hermeticidad IP de la luminaria.
Para la alimentación de la luminaria, debe ser instalada preferiblemente una bornera de dos puestos con sistema de fijación del tipo tornillo prensor, con las siguientes características:
- Fabricada en material con clase térmica no inferior a 105 ?C, con tensión de aislamiento 600 V, y con nivel mínimo de temperatura igual al del balasto (tW).
- Capaz de albergar fácilmente un conductor tipo cable calibre No. 14 AWG.
- De fijación libre dentro del conjunto eléctrico de la luminaria.
- Con tornillos prensores aptos para recibir un destornillador tipo pala de 5 mm de ancho, y 1,2 mm de espesor en la punta.
- Fabricada de forma tal que al efectuarse el giro del destornillador sobre el tornillo, no se afecte la parte de ella que lo cubre.
- Rotulada claramente indicando la(s) fase(s), o si es del caso, cuál de los bornes corresponde al neutro.
- Los contactos deben ser fabricados en un material no ferroso, protegido contra la corrosión y de dimensiones que garanticen el contacto eléctrico (suficientes para albergar fácilmente un conductor calibre No. 14 AWG por punto de conexión).
6.5.3 CONJUNTO ÓPTICO
Encargado de distribuir el flujo luminoso emitido por la bombilla, con el fin de obtener los niveles de iluminación exigidos en las vías. Debe ser diseñado para prevenir que los rayos reflejados, produzcan un incremento de temperatura en la bombilla.
Se constituye por un reflector, un refractor (difusor o cubierta transparente), sistema de ajuste o reglaje para la bombilla, portabombillas y sus correspondientes elementos de cierre.
Las características eléctricas exigidas por Enel Colombia S.A. para los elementos que hacen parte del conjunto óptico de la luminaria, deben estar de acuerdo con las especificaciones ET-820 (BOMBILLAS DE SODIO ALTA INTENSIDAD DE DESCARGA) y ET-825 (PORTABOMBILLAS PARA LUMINARIAS DE ALUMBRADO PÚBLICO).
6.5.3.1 Reflectores
En términos generales las especificaciones señaladas a continuación corresponden a reflectores fabricados en lámina de aluminio, tecnología más utilizada en la construcción de reflectores para luminarias; sin embargo, se aceptarán materiales que garanticen como mínimo las mismas características especificadas para los reflectores de aluminio.
Los reflectores deberán presentar las siguientes características:
- Presentar un coeficiente de reflexión superior al 90 %
- Ser del tipo liso y no presentar limaduras, superficies cortantes, remaches, tornillos, arandelas y estar libre de todo tipo de rebabas.
- Cuando este fabricado en lámina de aluminio, deberá tener como mínimo una pureza de 99,5% y 1 mm en el espesor. Deberá poseer abrillantado químico o electrolítico y acabado con una película uniforme de anodizado de mínimo 5 micrómetros de espesor.
- La fijación del reflector a la carcasa deberá realizarse mediante dispositivos de sujeción que garanticen su estabilidad; para ello se exige, que dentro del conjunto óptico, existan guías de asiento y topes de fijación para el reflector.
- La superficie reflectora deberá ser uniforme en cuanto al aspecto del acabado y no deberá presentar manchas, depósitos de polvo metálico o cualquier otro tipo de defecto (rugosidades, protuberancias, etc.), que puedan llegar a afectar el comportamiento óptico de la luminaria.
- Una vez montado el reflector en el cuerpo de la luminaria, no deberá sufrir deformaciones por causa de cambios de temperatura.
- El diseño del reflector debe evitar la reflexión de haces de luz sobre la bombilla y limitar el aumento de tensión en ésta, durante la operación normal de la luminaria a no más de:
- 5 voltios para luminarias de 70 W
- 7 voltios para luminarias de 100 W - 150 W
- 10 voltios para luminarias de 250 W
- 12 voltios para luminarias de 400 W
6.5.3.2 Refractor o Cubierta Transparente
Para las luminarias, el refractor debe presentar las mejores características ópticas y ser adecuado para intemperie, resistente a cambios bruscos de temperatura, a altas temperaturas durante períodos prolongados (evitando cristalización o rompimiento) y al impacto (IK 06 mínimo), protegido contra rayos ultravioleta con una transmitancia superior al 85%.
Se aceptan refractores preferiblemente construidos en vidrio liso templado de mínimo 5 mm de espesor. En ningún caso se aceptan refractores prismáticos exteriores, puesto que el factor de mantenimiento se eleva, por la acumulación de sedimentos y partículas.
6.5.3.3 Reglaje de la luminaria
Con excepción de la luminaria de 70 W y 100 W, el elemento para fijación del portabombillas deberá permitir ajustes en sentido horizontal.
El ajuste del portabombillas deberá estar provisto de un sistema de marcación grabado, que permita regularlo en varias posiciones (mínimo 3, adelante-medio-atrás) de distribución del flujo luminoso. Debe quedar marcada una de las posiciones, como una guía que evite su cambio en el futuro.
Se debe garantizar que para cualquier posición seleccionada, no se presentarán acercamientos de la bombilla, a ninguna de las superficies internas del conjunto óptico de la luminaria.
Así mismo, en cualquier posición de la bombilla, el reflector debe ser diseñado y fabricado de tal forma que impida que los rayos de luz reflejados por él, incidan sobre el tubo de descarga de la bombilla.
6.5.3.4 Portabombillas
El portabombilla debe tener tal diseño, que cumpla con la prueba de calentamiento, cámara salina, nivel de aislamiento y coeficiente de dilatación especificados en la norma NTC 2230 y los requisitos de la NTC 1470.
Además de los requisitos técnicos contemplados en las Normas, se deben tener en cuenta los siguientes aspectos:
- Cumplir con los requisitos de seguridad respecto a la tensión de encendido, junto con las distancias mínimas de partes activas, por aire y por la superficie (Norma IEC 598, equivalente a la EN 60598-1)
- Ser apropiado para poder instalar bombillas de alta intensidad de descarga, las cuales poseen alta tensión de encendido y altas temperaturas.
- Ser del tipo pesado, iridizada o niquelada, preferiblemente con rosca fresada en tubo de cobre tipo K (según norma ASTM B-88).
- Todos los contactos del portabombillas, deben ser fabricados en plata, níquel o aleaciones de cobre con gruesas películas de níquel, según las características de la bombilla (tensión, intensidad, temperatura, etc.)
- El contacto central, debe estar sometido a presión mediante un resorte de acero inoxidable.
- La base que contiene los elementos metálicos de contacto deberá ser fabricada en porcelana eléctrica esmaltada, de superficie homogénea, libre de porosidades y agrietamiento, aislada para una tensión nominal de 600 V y evitando el contacto con el casquillo de la bombilla.
- Al contacto central del portabombilla debe ser conectado el conductor que suministra el pulso del arrancador.
- Toda la tornillería y elementos metálicos complementarios deberán ser protegidos mediante el proceso de plateado ó niquelado.
- El sistema de montaje y sujeción del portabombillas debe estar diseñado para que se permita su fácil retiro, reposición e instalación.
- El portabombillas deberá soportar pulsos provenientes del arrancador sin ningún desperfecto, de mínimo:
| TIPO DE BOMBILLA | PORTABOMBILLAS TIPO | PULSO |
| Vapor de sodio | E27 | 2,5 kV |
| E40 | 5 kV |
El tipo de rosca debe ser el apropiado para la bombillería con casquillo tipo E27/27 en luminarias de sodio 70 W; para luminarias de sodio 150 W , 250 W y 400 W el tipo de rosca debe ser del tipo E40/40, para la luminaria de 100W podrá ser casquillo tipo E27/27 ó E40/40.
- Las conexiones directas al portabombillas, deben ser en cable de cobre siliconado, aislado para 600 V, apto para una temperatura de 200 ?C y longitud mínima de 30 cm.
- Las puntas de los conductores siliconados deberán conectarse al portabombillas a través de terminales tipo ojo. Otro tipo de conexiones deberán ser autorizados por Enel Colombia S.A.
- Los bornes para la sujeción del cable, deberán permitir la fijación de cables siliconados aislados hasta 14 AWG.
- Los tornillos del portabombillas que sujetan el cable, deben ser de cabeza cilíndrica
- Las conexiones del cableado a los contactos del portabombilla, deben hacerse en forma que aseguren el contacto eléctrico durante la vida útil del portabombilla.
6.5.4 RECEPTÁCULOS PARA FOTOCONTROL
Las luminarias deben suministrarse con un receptáculo tripolar, que cumpla con las especificaciones de la Norma NTC 2470 (EEEI-NEMA TDJ-146) ANSI C. 136-10.
Debe estar incorporado externamente en la parte superior de la carcasa y permitir giros hasta 360 grados; adecuado para instalar fotocontroles de las características descritas en la misma norma.
6.5.5 SISTEMA ANTIHURTO
Los temas de seguridad de las luminarias se enfocan a:
- Cierre de la luminaria con tornillo de seguridad y llave especial (1)
- Bloqueador de giro del fotocontrol (2)
- Aseguramiento del brazo a la luminaria (3)
Figura 2. Identificación del sistema antihurto
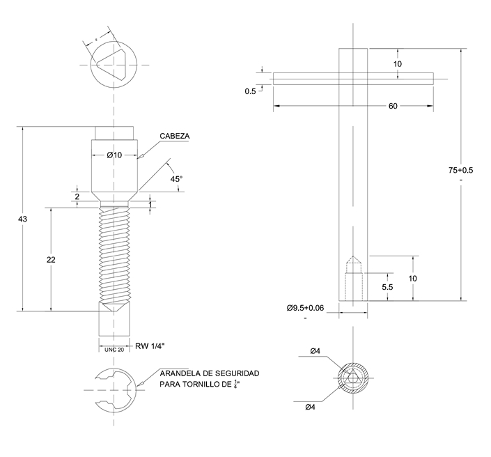
6.5.5.1 Cierre de la luminaria con tornillo de seguridad y llave especial (1)
Se utiliza como elemento de seguridad, fijación, ensamble y cierre, entre el aro porta refractor y la carcasa de la luminaria. Para ello, se utilizan dos tipos de tornillos: de cabeza triangular y de cabeza codificada.
El primero se utiliza para que las luminarias suministradas de fábrica tengan cierre adecuado, siendo solamente utilizado en lugares definidos por la empresa (sitios definidos de bajo riego al hurto).
El de cabeza codificada con su llave especial, lo instalará Enel Colombia S.A. a cambio del triangular en los sitios definidos como de alto riesgo de hurto.
a) Tornillo de cabeza triangular y llave
El tornillo de cabeza triangular es un elemento de fijación roscado exteriormente, diseñado para acoplar la carcasa y aro de la luminaria; consta de cabeza y cilindro, sobre la cual se aplica el par de apriete, para asegurar de una forma adecuada a la luminaria.
La llave debe ser fabricada en acero con un recubrimiento electrolítico de protección, de las dimensiones y medidas indicadas en la figura 3. Se exigirá que las luminarias se provean con una llave, por cada cincuenta unidades suministradas. Para pedidos menores a cincuenta luminarias, se suministrará una llave.
.jpg)
b) Requisitos del producto
- Los tornillos deberán ser fabricados en bronce – latón, acero iridisado ó oxidable de alta resistencia y cumplir con las especificaciones de la norma ANSI B 1.1.
- Todos los tornillos, deberán suministrarse con su respectiva arandela de seguridad y debe cumplir con las dimensiones descritas en la figura anterior.
- Las partes roscadas de las mismas deben avellanarse en la cara o caras de contacto
- Los tornillos de cabeza triangular y de cabeza codificada, antifraude que permite abrir la luminaria deben ser del tipo imperdibles.
c) Requisitos geométricos
Los tornillos se conformarán en forma, dimensiones y tolerancias de acuerdo con las indicadas en las figuras anteriores
| Tamaño nominal | Designación | Clase | Diámetro externo | |
| Máx. (pulg) | Mín. (pulg) | |||
| ¼” -20 hilos | UNC | 2A | 0.2489 | 0.2408 |
D) Características Generales
Los tornillos de seguridad deben cumplir con las siguientes características:
| CARACTERÍSTICAS GENERALES | |
| Longitud Total | 42 |
| Diámetro de la cabeza | 10 |
| Longitud de la cabeza | 18 |
| Longitud del área roscada | 22 |
| Tipo de rosca | ¼ 20 UNC |
| Paso de la Rosca | 20 hilos/pulg. |
| Tolerancia | Long ± 5 Diam ± 0,2 |
| Material | Bronce – Latón ó Acero inoxidable |
| Composición Química para el bronce | Cu-70%, Zn-30% |
| Carga a la Torsión Kg-m | 7.5 (Bronce-latón) 10 (Acero inoxidable) |
| Carga a la Tracción Kg/mm 2 | 14-15 (Bronce-latón) 26 (Acero inoxidable) |
e) Sistema de seguridad
El diseño de la cabeza y sus mecanismos son responsabilidad y patente del fabricante así mismo se debe proveer el kit completo de operación de los tornillos, además, la capacitación sobre la instalación, cuidados, observaciones y su respectiva remoción.
f) Buje de seguridad
Para el cierre de la luminaria , el oferente deberá fabricar un buje de cerradura de 16 mm con perno RW ¼”, de acuerdo con lo especificado en la figura 4.
Figura 4. Buje de seguridad
6.5.5.2 Bloqueador de giro del fotocontrol (2)
Se instalará un tornillo cilíndrico verticalmente en la base del fotocontrol, sobre el neutro que impida el giro de retorno. El tornillo se instala abriendo la luminaria.
Figura 5. Detalle del bloqueador
6.5.5.3 Aseguramiento de la luminaria a brazo (3)
Además de la unión atornillada de la luminaria al brazo de soporte, se debe instalar un tornillo a 50 mm del borde del soporte, el cual se permite de dos formas:
- Tornillo pasante de 3/8”x 80mm y tuerca cónica de cabeza fusible removible (galvanizados en caliente y con rosca estándar).
- Varilla grafilada redonda de 3/8”, con grafilado en la punta de 20 mm.
Notas:
- El tornillo ó la varilla, deben suministrarse con la luminaria .
- La luminaria en la parte de unión con el brazo debe tener escalones que permitan inclinaciones de 0°, 5° y 10°.
Figura 6. Tuerca cónica de cabeza fusible removible
7. CRITERIOS DE ACEPTACIÓN O RECHAZO
Para la inspección de las luminarias se utilizará la metodología indicada en el Procedimiento para la realización de inspecciones técnicas, utilizando para el muestreo un nivel de inspección II y un nivel de aceptación de 2.5%.
Las pruebas de recepción serán efectuadas con la presencia de un representante de Enel Colombia S.A. ESP; en las instalaciones del proveedor. Si los resultados de las pruebas o los equipos de prueba no son confiables, estas igualmente podrán ser realizadas o repetidas y el costo será asumido por el proveedor, en laboratorios oficiales o particulares reconocidos por Enel Colombia S.A. ESP.
Si en el momento de recepción del lote de luminarias, el promedio de las pérdidas en los balastos de acuerdo con las normas NTC 2118 y NTC 3657, ANSI C78.42 y ANSI C78.1356, con base en el muestreo del lote, supera el valor garantizado por el Oferente en su propuesta, la Compañía descontará al valor del lote un valor igual a US$ 3,0 por vatio de exceso por luminaria, siempre y cuando este valor promedio no supere el valor máximo de pérdidas estipulado en este pliego, en cuyo caso el lote será rechazado.
La Compañía se reserva el derecho de descartar las propuestas que no ofrezcan pruebas o si las ofrecidas son consideradas insuficientes para garantizar la calidad de las luminarias.
Para efectuar cualquier despacho, es requisito indispensable una autorización escrita de Enel Colombia S.A., la cual será expedida con base en los resultados de las pruebas realizadas en fábrica y/o la aprobación del protocolo de pruebas realizadas por el fabricante a las luminarias solicitadas.
8. PRUEBAS
El fabricante deberá remitir los protocolos de los siguientes ensayos realizados por un laboratorio acreditado ante la ONAC (Organismo Nacional de Acreditación de Colombia), o un organismo internacional reconocido para la elaboración de pruebas eléctricas y fotométricas:
| Ensayos a la luminaria | Ensayos al conjunto eléctrico | Ensayos al portabombilla | ||
| Fotometría | Prueba de calibración del balasto | Dimensionamiento | ||
| Anodizado | Prueba del trapecio | Calentamiento | ||
| Abrillantado | Pérdidas del balasto (máximas en condiciones nominales) | Aislamiento | ||
| Hermeticidad | Parámetros eléctricos (Tensión de conexión, tensión nominal a la bombilla, corriente en línea -del primario-, corriente nominal a la bombilla, potencia nominal, tensión mínima de circuito abierto) | Cámara salina | ||
| Resistencia mecánica | Prueba de aislamiento del balasto | |||
| Ensayo de temperatura (Calentamiento) | Pruebas al condensador medida de la capacitancia, tolerancia, tensión nominal, tensión en vacío, descarga entre terminales, aislamiento). | |||
| Aislamiento | Pruebas al arrancador (pulso de tensión) | |||
| Incremento de tensión en bornes de la bombilla | Ensayos de las borneras (aislamiento, dimensiones, mecánico de sujeción –tensión axial-) | |||
| Protección Ultravioleta [UV] | Ensayos de vida útil | |||
| Vibración y adherencia de la pintura | ||||
| Protección contra contacto accidental | ||||
| Rigidez dieléctrica |
8.1 HERMETICIDAD DE LA LUMINARIA
Esta prueba tiene por objeto verificar el grado de protección contra la entrada de polvo, goteo de lluvia y/o hermeticidad al agua a presión de acuerdo con la clasificación de la luminaria según IEC 529 y 598.
| ÍNDICES DE PROTECCIÓN - IP e IK (Norma IEC 529) | |||||
| PRIMERA CIFRA | SEGUNDA CIFRA | TERCERA CIFRA | |||
| IP | IP | IK | |||
| 0 | Sin protección | 0 | Sin protección | 0 | Sin protección |
| 1 | Protegido contra cuerpos sólidos superiores a 50 mm (ej.: contactos involuntarios de la mano) | 1 | Protegido contra las caídas verticales de gotas de agua (condensación) | 1 | Energía de choque 0,150 J (200 g a una distancia de 7,5 cm) |
| 2 | Protegido contra cuerpos sólidos superiores a 12 mm (ej.: dedos de la mano) | 2 | Protegido contra caídas de agua hasta 15° de la vertical | 2 | Energía de choque 0,200 J (200 g a una distancia de 10 cm) |
| 3 | Protegido contra cuerpos sólidos superiores a 2,5 mm (ej.: herramientas, cables...) | 3 | Protegido contra el agua de lluvia hasta 60° de la vertical | 3 | Energía de choque 0,350 J (200 g a una distancia de 17,5 cm) |
| 4 | Protegido contra cuerpos sólidos superiores a 1 mm (ej.: herramientas finas, pequeños cables) | 4 | Protegido contra las proyecciones de agua en todas las direcciones | 4 | Energía de choque 0,500 J (200 g a una distancia de 25 cm) |
| 5 | Protegido contra el polvo (sin sedimentos perjudiciales) | 5 | Protegido contra el lanzamiento de agua en todas las direcciones | 5 | Energía de choque 0,700 J (200 g a una distancia de 35 cm) |
| 6 | Totalmente protegidos contra el polvo | 6 | Protegido contra el lanzamiento de agua similar a los golpes del mar | 6 | Energía de choque 1,0 J (500 g a una distancia de 20 cm) |
| 7 | Protegido contra la inmersión | 7 | Energía de choque 2,0 J (500 g a una distancia de 40 cm) | ||
| 8 | Protegido contra los efectos prolongados de la inmersión bajo presión | 8 | Energía de choque 5,0 J (1,7 kg a una distancia de 29,5 cm) | ||
| 9 | Energía de choque 10,0 J (5 Kg a una distancia de 20 cm) | ||||
| 10 | Energía de choque 20,0 J (5 Kg a una distancia de 40 cm) | ||||
8.2 PRUEBA DE POLVO (PRIMERA CARACTERÍSTICA IP)
Según la primera cifra de la tabla de Índices de Protección - IP e IK
8.3 PRUEBA DE LLUVIA (SEGUNDA CARACTERÍSTICA IP)
Según la segunda cifra de la tabla de Índices de Protección - IP e IK
8.4 ENSAYO DE CHOQUE MECÁNICO (TERCERA CARACTERÍSTICA IK)
Según la tercera cifra de la tabla de Índices de Protección - IP e IK
8.5 HUMEDAD
La luminaria se coloca dentro de una cámara de humedad con aire a una humedad relativa mantenida entre el 91% al 95%, la temperatura debe sostenerse entre 20 ° C y 30 ° C, la muestra debe permanecer en la cámara durante 48 horas, después del ensayo la luminaria no debe presentar daño alguno ( muestra de oxidación) que afecte su conformidad de acuerdo con la norma NTC 2230.
8.6 TEMPERATURA
Es necesario verificar el comportamiento de los diferentes vidrios templados o acrílicos utilizados como refractores o protectores de las luminarias, bajo la acción de choques térmicos a temperaturas crecientes, la luminaria se calienta progresivamente con control continuo de temperatura. Periódicamente (cada 10 grados), se riega localmente la superficie del refractor con agua a temperatura ambiente, el refractor debe soportar la máxima temperatura encontrada para la luminaria y los cambios de temperatura a los que se somete la luminaria sin romperse o agrietarse.
8.7 ENSAYO DE CARACTERÍSTICAS ELÉCTRICAS DEL BALASTO
En los ensayos de las características eléctricas de los balastos, se deben utilizar entre otros, los siguientes equipos:
- Fuente de alimentación de corriente alterna
- Estabilizador de voltaje
- Variac
- Balastos de referencia debidamente ajustados para cada potencia
- Bombillas de referencia
- Equipos de medida para potencia, tensión , corriente, factor de potencia
Estos equipos se requieren para verificar los siguientes parámetros eléctricos:
- Regulación de Tensión : Con el fin de garantizar un funcionamiento y una vida útil adecuado del conjunto balasto-arrancador- bombilla , los balastos deben obtener las variaciones indicadas en la siguiente tabla:
| TIPO DE BALASTO | TENSIÓN NOMINAL [V] | VARIACIÓN MÁXIMA DE POTENCIA DE LA BOMBILLA |
| Reactor | 208/220/240 | Para variaciones de ± 5% de la tensión de conexión: 12 % |
| Autoregulado CWA | 208/240/277 | Para variaciones de ± 10% de la tensión de conexión: 12 % |
- Potencias: Se debe revisar la potencia de entrada, la potencia útil y las pérdidas de potencia.
- Factor de Potencia : Se deben garantizar factores con un valor mínimo de (0,9), los cuales se exigen en las normas que se enuncian en el numeral 5 de la presente especificación.
- Factor de Cresta : Con esta prueba se determina la calidad del balasto. La relación que existe entre el valor pico y el valor eficaz (RMS) de la onda de corriente o de tensión , se conoce como factor de cresta.
El factor de cresta de una onda sinusoidal perfecta es (1,4) y a medida que este factor aumenta en la onda de salida del balasto, la calidad de éste es menor. Las bombillas de sodio permiten un factor de cresta máximo de (1,8), lo cual significa que si se sobrepasa se acorta la vida de la bombilla y se acelera el decrecimiento de la intensidad luminosa de la misma.
- Corrientes: Se debe revisar la corriente de arranque de la bombilla , corriente de línea, corriente de trabajo de la bombilla y corriente de corto circuito.
- Circuito Abierto: Con esta prueba se determina la tensión mínima requerida para la operación estable, se realiza operando el balasto entre el 92% y el 106% de la tensión nominal registrándose la tensión en los bornes del portabombilla.
- Rigidez dieléctrica: Con esta prueba se determina la calidad del aislamiento del balasto.
8.8 ENSAYO DE CARACTERÍSTICAS ELÉCTRICAS DE LOS CONDENSADORES
Se utilizarán las normas aplicables de la sección 5, en las cuales se relacionan los siguientes ensayos:
- Medida de la capacitancia
- Medida del factor de disipación
- Medida de la corriente de fuga
- Medida de la resistencia dieléctrica
- Ensayo de vibración
- Ensayo de humedad
- Ensayo de resistencia mecánica de los terminales
- Determinación de la vida útil
- Tiempo de descarga del condensador.
8.9 ENSAYO DE CARACTERÍSTICAS ELÉCTRICAS DE LOS ARRANCADORES
Se utilizarán las normas aplicables de la sección 5, en las cuales se relacionan los siguientes ensayos:
- Amplitud y altura de la onda de tensión
- Número de pulsos por semiciclo
- Tiempo de duración
- Forma y ubicación en grados eléctricos del pulso generado
8.10 INCREMENTO DE TENSIÓN EN BORNES DE LA BOMBILLA
Se utiliza el procedimiento del Anexo E de la norma NTC 2243
8.11 ESPESOR Y ADHERENCIA DE LA PINTURA
El espesor de pintura debe medirse con un elcómetro debidamente calibrado y el espesor mínimo debe ser 80 µm. Para la prueba de adherencia de la pintura se solicita el cumplimiento de la norma ASTM D 4541.
8.12 VIBRACIÓN
Debido a las vibraciones a que están sometidas las luminarias ocasionadas por el tráfico vehicular y por las fuerzas externas, es importante verificar que la luminaria soporte dichas vibraciones y que no se desajuste o pierda su hermeticidad, al permanecer instalada en la vía.
8.13 BASES PARA FOTOCONTROL
A la base del fotocontrol se le realizan los siguientes ensayos:
- Ensayo de la resistencia mecánica a la fijación
- Ensayo de tensión aplicada
- Pruebas dimensionales
8.14 PORTABOMBILLAS
Al portabombilla se le realizan los siguientes ensayos:
- Ensayo de calentamiento
- Ensayo de aislamiento
- Ensayo de cámara salina
8.15 FOTOMETRÍA Y VERIFICACIÓN DE CÁLCULOS PARA EL KILÓMETRO TÍPICO
Se comprueban los valores ofrecidos de acuerdo con el numeral 6.4 de la presente especificación técnica .
8.16 INSPECCIÓN VISUAL
Se revisa el acabado de la luminaria , portabombilla, conjunto óptico, marcación, alambrado y terminales, empaque y protección (identificación, protección).
El costo de estos ensayos deberá ser asumido por el oferente y, por lo tanto, deberá incluirse en el valor de la propuesta.
9. MARCACIÓN Y EMPAQUE
9.1 MARCACIÓN
La marcación de la luminaria debe ir en una placa metálica remachada, y deberá incluir la siguiente información:
- Marca de fabrica
- Modelo y referencia
- Mes y año de fabricación
- Palabra BOG-CUN
- Potencia
- Tensiones de conexión
- Tipo de bombilla
- IP garantizado (conjuntos óptico y eléctrico )
- Garantía
Cada uno de los elementos que conforman el conjunto eléctrico de la luminaria , deben tener grabados la palabra BOG-CUN y el número de orden de compra o contrato. La información técnica que debe ir grabada en cada uno de los elementos que conforman el conjunto eléctrico , se relaciona en las siguientes especificaciones técnicas:
- ET810 , Fotocontroles y bases para fotocontrol
- ET817 , Condensadores para Alumbrado Público
- ET845 , Balastos para bombillas de sodio alta presión
- ET846 , Arrancadores para bombillas de sodio
- ET-847, Balasto Electrónico para bombillas de sodio alta presión
En la carcasa se grabará en alto o bajo relieve, con letra imprenta de por lo menos 11 mm, la leyenda BOG-CUN.
Finalmente en cada luminaria , se debe incluir en una parte visible, el diagrama de conexiones de los componentes internos. Dicho diagrama debe conservarse en el tiempo, ser indeleble y con una dimensión que permita su fácil observación y revisión.
9.2 EMPAQUE
Los bienes, objeto de la presente especificación técnica , deben ser empacados en forma individual, adecuadamente para resistir las condiciones de humedad e impacto que pueden presentarse durante el transporte desde fábrica hasta las bodegas de Enel Colombia S.A. y durante su almacenamiento. En dicho empaque, deberá aparecer relacionado el código en la siguiente forma:
| ELEMENTO | CÓDIGO DE ALMACEN |
| Luminaria de sodio 70 W | 6762554 |
| Luminaria de sodio 100 W | |
| Luminaria de sodio 150 W | 6762312 |
| Luminaria de sodio 250 W | 6762553 |
| Luminaria de sodio 400 W | 6762552 |
10. REQUISITOS DE LAS OFERTAS
El Oferente obligatoriamente deberá incluir con su propuesta, la siguiente información:
- Planilla de características técnicas garantizadas, la cual deberá ser diligenciada completamente, firmada y sellada por el oferente.
- Memorias de cálculo del diseño del Kilómetro típico solicitado en el numeral 6.4 las cuales deberán incluir:
- Metodología empleada, de acuerdo con el procedimiento descrito en la Norma CIE-140 (2000).
- Resultados del diseño: Incluyendo parámetros de cálculo, y resultados (valores garantizados) del diseño (L, E, U o , U L , TI, SR, N).
- El Oferente debe señalar para cada Ítem el reporte (Fecha, Número de Ensayo Fotométrico y referencia de la luminaria ) realizado en un laboratorio de iluminación reconocido por la ONAC o reconocido internacionalmente para la elaboración de las pruebas, con la cual obtuvo la matriz de intensidades que garantiza el diseño ofrecido.
- Catálogos originales completos y actualizados del fabricante, que correspondan a los bienes cotizados, en la planilla de características técnicas garantizadas.
- Protocolos de pruebas de acuerdo con las normas indicadas en el numeral 5 de la presente especificación. En tales protocolos se deberán anotar las fechas de fabricación y pruebas del equipo , para permitir la verificación de las características técnicas garantizadas.
- Para los componentes de las luminarias, el oferente debe presentar también, los protocolos de pruebas correspondientes, que permitan verificar las características técnicas garantizadas.
- Muestras de cada una de las referencias ofertadas sin cargo a devolución, con cada una de las características técnicas, solicitadas y mencionadas en la presente especificación.
- Información adicional que considere aporta explicación a su diseño (dibujos, detalles, características de operación, dimensiones y pesos de los materiales ofertados).
Enel Colombia S.A. podrá descartar ofertas que no cumplan con las anteriores disposiciones, sin expresión de causa ni obligación de compensación.
11. GARANTÍA DE FÁBRICA
Enel Colombia S.A E.S.P requiere como mínimo, un período de garantía de fábrica de veinticuatro (24) meses, a partir de la entrega de las luminarias.
12. INSPECCIÓN EN FÁBRICA
El suministrador enviará con no menos de quince (15) días calendario de anticipación, a la fecha programada para la realización de las pruebas en fábrica, el formato de protocolos de pruebas y copia de las normas en inglés o castellano utilizadas para tal fin. Enel Colombia informará por escrito su conformidad con las pruebas requeridas.
El ingeniero responsable de Enel Colombia podrá inspeccionar en las instalaciones del proveedor o fabricante y de sus Subcontratistas el proceso de fabricación y pruebas, y solicitar la información y ensayos que a su juicio resulten necesarias para verificar el cumplimiento de los requisitos estipulados en este documento. El proveedor debe brindar plena colaboración al responsable en el cumplimiento de sus funciones.
El valor de las pruebas y ensayos debe incluirse en los precios cotizados en la propuesta. Enel Colombia se reserva el derecho de descartar las propuestas que no ofrezcan pruebas, o si las ofrecidas son consideradas insuficientes para garantizar la calidad de las luminarias
13. SISTEMA DE CALIDAD
El oferente adjuntara con su propuesta, para el fabricante de los bienes cotizados, el certificado de conformidad con norma técnica y/o el perfil de calidad de acuerdo con cualquier norma NTC-ISO serie 9000 o norma equivalente en el país de origen, expedida por una entidad idónea del mismo país de origen.
14. PRESENTACIÓN DE LAS OFERTAS
El oferente deberá presentar su oferta técnica en el siguiente orden:
- ANEXO 1: relación de los bienes cotizados.
- ANEXO 2: información del oferente.
- ANEXO 3 : resultado de los cálculos de los parámetros de iluminación y programa de cálculo (con la matriz de intensidad de la luminaria ofertada), con el cual se pueda comprobar el resultado de los parámetros fotométricos ofertados.Debe entregarse en formato Excel. Adicionalmente deberá entregarse la matriz de intensidades certificada en formato .IES
- ANEXO 4: planilla de características técnicas garantizadas para luminarias de sodio 70 W, 100 W y 150 W. Incluye planilla para balastos y accesorios. Debe entregarse en formato Excel.
- ANEXO 5: planillas de características técnicas garantizadas para luminarias de sodio 250 y 400 W. Incluye planilla para balastos y accesorios. Debe entregarse en formato Excel.
- MEMORIAS DE CÁLCULO: cálculo del diseño del kilómetro típico.
- INFORMACIÓN DE COMPONENTES: apartado en el cual se debe relacionar la siguiente información:
(a) Factor de balasto.
(b) Factor de depreciación del conjunto óptico de las luminarias, en el refractor (difusor o cubierta transparente) y reflectores, por degradación del material por envejecimiento, cambios de temperatura, fatiga, etc., y los correspondientes a:
- K E : Factor de depreciación externo debido a la acumulación de suciedad por fuera de la luminaria .
- K I : Factor de depreciación interno debido a la acumulación de suciedad dentro de la luminaria .
- K P : Factor de depreciación permanente debido al envejecimiento y a la degradación del material en el conjunto óptico
- PROCEDIMIENTO DE MANTENIMIENTO : apartado en el cual se debe relacionar información acerca de las recomendaciones y procedimientos de mantenimiento , para efectuar la limpieza del conjunto óptico de las luminarias, tanto internamente como externamente.
- EXCEPCIONES TÉCNICAS: apartado en el cual se deben relacionar las excepciones de carácter exclusivamente técnico de la oferta, respecto a los bienes solicitados. Si la oferta no presenta excepción, se indicaría expresamente en el mismo “NO HAY EXCEPCIONES”
- PROTOCOLO DE PRUEBAS: relación de los ensayos realizados a la luminaria y a sus accesorios de acuerdo con lo indicado en el apartado 8 de la presente especificación.
- CERTIFICACIONES: certificación del sistema de calidad y del producto con norma técnica y RETILAP.
- EVIDENCIA TÉCNICA : relación de clientes, evidencia de su capacidad técnica y experiencias relacionadas con los materiales y/o equipos cotizados.
- GARANTÍA: carta de garantía de los bienes cotizados.
- NORMAS: normas técnicas aplicables a los bienes cotizados.
- CATÁLOGOS: catálogos originales completos y actualizados del fabricante, que correspondan a los datos bienes cotizados.
- INFORMACIÓN ADICIONAL: información adicional que se considere aporta explicación al diseño de la luminaria , así como las instrucciones de instalación, operación y mantenimiento de la luminaria .
Adicionalmente, el fabricante debe incluir la anterior información en formato electrónico en un CD, brindando las licencias de los programas a utilizar, para que puedan ser utilizados libremente dentro de Enel Colombia S.A.
Enel Colombia S.A. podrá descartar ofertas que no cumplan con las anteriores disposiciones, sin expresión de causa ni obligación de compensación.
ANEXO 1. REQUERIMIENTOS LUMINARIAS DE SODIO
| ITEM | DESCRIPCION DEL MATERIAL | FABRICANTE | REFERENCIA | POTENCIA | CANTIDAD (UNIDADES) |
| Luminaria horizontal cerrada sodio HID para alumbrado público CLASE 1 y/o 2. | 70 W | ||||
| 100 W | |||||
| 150 W | |||||
| 250 W | |||||
| 400 W |
ANEXO 2. INFORMACIÓN GENERAL DEL PROPONENTE
| DATOS DEL PROPONENTE | |
| NOMBRE DEL PROPONENTE | |
| DIRECCIÓN | |
| CIUDAD | |
| PAIS | |
| TELÉFONO | |
| FAX | |
| PERSONA DE CONTACTO | |
| La persona de contacto, es la responsable de la oferta técnica a la cual se acudirá en caso de consulta o aclaración. | |
ANEXO 3. PLANILLA DE PARÁMETROS DE ILUMINACIÓN
LUMINARIAS DE 70W - 100W - 150W
| CONDICIONES DE CÁLCULO | 70 W | 100 W | 150 W | |
| Tipo de vía | Unilateral | Unilateral | Unilateral | |
| Altura de montaje de la luminaria [m] | 8,4 | 8,4 | 8,4 | |
| Avance al C.O. de la luminaria [m] | 0 | 0 | 0 | |
| Setback [m] | -0,6 | -0,6 | -0,6 | |
| Inclinación [grados] "del conjunto óptico" | Ofertada | |||
| Factor de Mantenimiento | 0,82 | 0,82 | 0,82 | |
| Flujo luminoso de la bombilla [lumenes] | 6500 | 10000 | 17500 | |
| Ancho de la calzada [m] | 7 | 7 | 10 | |
| Ancho anden [m] | 2,5 | 2,5 | 2,5 | |
| Número de carriles para el cálculo | 2 | 2 | 3 | |
| Factor de reflexión de la calzada (Q0) | 0,07 | 0,07 | 0,07 | |
| Tipo de calzada (Asfalto) | R3 | R3 | R3 | |
| 70 W | 100 W | 150 W | ||
| RESULTADOS | --- | --- | --- | |
| Referencia de luminaria ofertada | ||||
| Matriz de intensidades suministrada | ||||
| Posición de la bombilla | ||||
| Interdistancia calculada [m] | Mínima exigida | 35 | 35 | 35 |
| Ofertada | ||||
| Luminancia [cd/m2] | Exigida | >= 0.5 y <= 0.75 | >= 0.75 y <= 1 | >= 1 y <= 1,5 |
| Promedio ofertada | C1(1.75 m): | C1(1.75 m): | C1(1.65 m): | |
| C2(5.25 m): | C2(5.25 m): | C2(4.95 m): | ||
| --- | --- | C3(8.25 m): | ||
| --- | --- | --- | ||
| --- | --- | --- | ||
| --- | --- | --- | ||
| Mínima ofertada | C1: C2: | C1: C2: | C1: C2: C3: | |
| Iluminancia [luxes] | Promedio ofertada | |||
| Máxima | ||||
| Mínima | ||||
| Uniformidad | ||||
| Uniformidad general (U0) | Exigida | >= 0.4 | >= 0.4 | >= 0,4 |
| Ofertada | C1: C2: | C1: C2: | C1: C2: C3: | |
| Uniformidad longitudinal (UL) | Exigida | --- | --- | >= 0,5 |
| Ofertada | --- | --- | C1: % | |
| --- | --- | C2: % | ||
| --- | --- | C3: % | ||
| --- | --- | --- | ||
| --- | --- | --- | ||
| TI MÁXIMO [%] | Exigido | 15% | 15% | 15% |
| Ofertado | ||||
| Relación de alrededores | Exigida | >= 50% | >= 50% | >= 50% |
| Ofertada | ||||
| NIVEL DE CUMPLIMIENTO | ||||
LUMINARIAS DE 250W - 400W
| CONDICIONES DE CÁLCULO | 250 W | 400 W | |
| Tipo de vía | Unilateral | Unilateral | |
| Altura de montaje de la luminaria [m] | 12 | 14 | |
| Avance al C.O. de la luminaria [m] | 1 | 1 | |
| Setback [m] | -0,6 | -0,6 | |
| Inclinación [grados] "del conjunto óptico" | Ofertada | ||
| Factor de Mantenimiento | 0,82 | 0,82 | |
| Flujo luminoso de la bombilla [lumenes] | 33000 | 55000 | |
| Ancho de la calzada [m] | 12 | 20 | |
| Ancho anden [m] | 4 | 4 | |
| Número de carriles para el cálculo | 4 | 5 | |
| Factor de reflexión de la calzada (Q0) | 0,07 | 0,07 | |
| Tipo de calzada (Asfalto) | R3 | R3 | |
| 250 W | 400 W | ||
| RESULTADOS | --- | --- | |
| Referencia de luminaria ofertada | |||
| Matriz de intensidades suministrada | |||
| Posición de la bombilla | |||
| Interdistancia calculada [m] | Mínima exigida | 40 | 45 |
| Ofertada | |||
| Luminancia [cd/m2] | Exigida | >= 1,5 y <= 2 | >= 1,5 y <= 2 |
| Promedio ofertada | C1(1.50 m): | C1(2.0 m): | |
| C2(4.50 m): | C2(6.0 m): | ||
| C3(7.50 m): | C3(10 m): | ||
| C4(10.5 m): | C4(14 m): | ||
| --- | C5(18 m): | ||
| --- | --- | ||
| Mínima ofertada | C1: / C2: C3: / C4: | C1: / C2: C3: / C4: C5: | |
| Iluminancia [luxes] | Promedio ofertada | ||
| Máxima | |||
| Mínima | |||
| Uniformidad | |||
| Uniformidad general (U0) | Exigida | >= 0,4 | >= 0,4 |
| Ofertada | C1: / C2: C3: / C4: | C1: / C2: C3: / C4: C5: | |
| Uniformidad longitudinal (UL) | Exigida | >= 0,5 | >= 0,5 |
| Ofertada | C1: % | C1: % | |
| C2: % | C2: % | ||
| C3: % | C3: % | ||
| C4: % | C4: % | ||
| --- | C5: % | ||
| TI MÁXIMO [%] | Exigido | 10% | 10% |
| Ofertado | |||
| Relación de alrededores | Exigida | >= 50% | >= 50% |
| Ofertada | |||
| NIVEL DE CUMPLIMIENTO | |||
ANEXO 4. PLANILLA CARACTERISTICAS TÉCNICAS LUMINARIAS DE SODIO 70 W, 100 W Y 150 W
| CARACTERÍSTICAS GENERALES DE LA LUMINARIA | |||||||
| ITEM | DESCRIPCIÓN | LUMINARIA 70 W, 100 W | LUMINARIA 150 W | ||||
| 1 | Norma de fabricación | ||||||
| 2 | Fabricante | ||||||
| 3 | Representante del fabricante | ||||||
| 4 | País de origen | ||||||
| 5 | Referencia | ||||||
| 6 | Potencia nominal de la luminaria | ||||||
| 7 | Tipo de carcasa (Describir) | ||||||
| 8 | Grado de protección | Compartimiento eléctrico (IP) | |||||
| Compartimiento óptico (IP) | |||||||
| Carcasa (IK) | |||||||
| Refractor (IK) | |||||||
| La bombilla se acopla al conjunto óptico mediante un obturador o capzoleta, que garantice el IP del conjunto óptico >=IP65. (Si/No) | |||||||
| Compartimiento eléctrico y óptico independientes. (Si/No) | |||||||
| Clase (I y/o II) | |||||||
| 9 | Accesorios incorporados (marca y tipo) | Bombilla | |||||
| Balasto | |||||||
| Capacitor | |||||||
| Arrancador | |||||||
| Base para fotocontrol | |||||||
| Fotocontrol | |||||||
| DPS Dispositivo de protección contra sobretensiones | |||||||
| 10 | Cuerpo de la luminaria | Material | |||||
| Color | |||||||
| Espesor mínimo de la carcaza [mm] | |||||||
| Ensayo de retardancia a la llama UL 94-V2 | |||||||
| Ensayo estabilidad contra rayos UV | |||||||
| Certificado Vida útil | |||||||
| Luminaria abatible por la parte superior con limitador de apertura tipo telescópico. (Si/No) | |||||||
| 11 | Reflector | Material | |||||
| Pureza | |||||||
| Espesor | |||||||
| Reflectancia (%) | |||||||
| Espesor promedio del anonizado | |||||||
| 12 | Cuántos empaques utiliza la luminaria | Describa | |||||
| Material | |||||||
| 13 | Montaje del conjunto eléctrico (Signo) | Fijación sobre la carcasa | |||||
| Posee plato de montaje | |||||||
| Espesor plato de montaje (mm) | |||||||
| Protección superficial (micras) | |||||||
| Posee anillos marcadores para cable | |||||||
| 14 | Portabombilla | Tipo de rosca | |||||
| Material del casquillo | |||||||
| Espesor mínimo del casquillo [mm] | |||||||
| Recubrimiento del casquillo | |||||||
| Material de la base | |||||||
| Material de los herrajes | |||||||
| Nivel de aislamiento [V] | |||||||
| Contacto central resortado (Si/No) | |||||||
| La base sobresale al menos 1 mm sobre la totalidad de la superficie del casquillo (Si/No) | |||||||
| 15 | Refractor | Tipo | |||||
| Material | |||||||
| 16 | Factor de potencia de la luminaria | ||||||
| 17 | Resistencia de Aislamiento [MW] | Partes bajo tensión aisladas eléctricamente | |||||
| Partes bajo tensión y carcaza | |||||||
| 18 | Tensión de ensayo de frecuencia industrial durante un minuto [V] | Partes bajo tensión aisladas eléctricamente | |||||
| Partes bajo tensión y carcaza | |||||||
| 19 | Propiedades fotométricas | Área reflejante según CIE (F) m 2 | |||||
| Intensidad máxima [cd] | |||||||
| Ángulos para la intensidad máxima promedio | Plano C | ||||||
| Ángulo gamma | |||||||
| Incremento de umbral | |||||||
| 20 | Elevaciones máximas de temperatura [°C] | Bulbo de bombilla | |||||
| Casquillo | |||||||
| Balasto (al 110% de la tensión de conexión) | |||||||
| Capacitor | |||||||
| Material aislante del portabombilla | |||||||
| Cuerpo exterior de la luminaria | |||||||
| 21 | Conductores | Temperatura máxima de operación [°C] | |||||
| Tipo de aislamiento | |||||||
| Tensión nominal [V] | |||||||
| 22 | Peso de la luminaria [Kg] | ||||||
| 23 | Dimensiones de la caja para transporte mm x mm x mm | ||||||
| 24 | Número de muestras presentadas | ||||||
| 25 | Rango de ángulo vertical permitido por el accesorio de sujeción de la luminaria | ||||||
| 26 | Conexiones internas | Por medio de colas (Si/No) | |||||
| Longitud de las colas | |||||||
| Puntas de colas estañadas (Si/No) | |||||||
| Conductor | Calibre [AWG] | ||||||
| Temperatura [°C] | |||||||
| Al porta- bombillas | Tipo | ||||||
| Calibre [AWG] | |||||||
| Temperatura [°C] | |||||||
| Color según NTC 2050 | Neutro: blanco | ||||||
| Tierra: verde | |||||||
| Fases: rojo/azul | |||||||
| 27 | Receptáculo para fotocontrol | Tripolar (Si/No) | |||||
| Gira hasta 360 grados (Si/No) | |||||||
| Cumple normas ICONTEC 2470, EEEI-NEMA TDJ-146 (Si/No) | |||||||
| 28 | Fusibles | Fabricante | |||||
| Referencia | |||||||
| Limitador de corriente (Si/No) | |||||||
| Corriente nominal [A] | |||||||
| Capacidad de interrupción [kA] | |||||||
| Nivel mínimo de aislamiento | |||||||
| Número de fusibles por luminaria | |||||||
| 29 | Concentrador de conexiones | Clase térmica | |||||
| Temperatura ( °C ) | |||||||
| Tensión de aislamiento | |||||||
| Rigidez dieléctrica | |||||||
| Material de los contactos | |||||||
| 30 | Dimensiones de la caja para transporte mm x mm x mm | ||||||
| 31 | Número de muestras presentadas | ||||||
| 32 | Rango de ángulo vertical permitido por el accesorio de sujeción de la luminaria | ||||||
| 33 | Pruebas a realizar en fabrica (Describir) | ||||||
| 34 | Sistema antihurto | Cierre de la luminaria con tornillo de seguridad y llave especial (Si/No) | |||||
| Tornillo de seguridad imperdible (Si/No) | |||||||
| Bloqueador de giro del fotocontrol (Si/No) | |||||||
| Aseguramiento del brazo a la luminaria (Si/No) | |||||||
| 35 | Acreditación por el ente competente en Colombia | Entidad acreditadora | |||||
| Número de acreditación | |||||||
| Fecha de aprobación (Día/Mes/Año) | |||||||
| Vigencia | |||||||
| Adjunta el certificado (Si/No) | |||||||
| 36 | Sistema de calidad (Normas ISO) | Entidad acreditadora | |||||
| Número de acreditación | |||||||
| Fecha de aprobación (Día/Mes/Año) | |||||||
| Vigencia | |||||||
| Adjunta el certificado (Si/No) | |||||||
| 37 | Marcación: (Contestar Si/No según corresponda) | Tipo (Aclarar) | |||||
| Con Enel Colombia S.A. | |||||||
| Con orden de compra | |||||||
| Con nombre del fabricante | |||||||
| Con tipo de fuente | |||||||
| Con tensión de alimentación | |||||||
| Con año de fabricación | |||||||
| Con IP garantizado | |||||||
| Otra (Aclarar) | |||||||
| 38 | Garantía (Meses) | ||||||
| 39 | Desviaciones técnicas | ||||||
NOTAS
El oferente deberá explicar:
- El sistema de fijación y adjuntar los planos dimensionados de la luminaria.
- Los sistemas antivandálicos que posee la luminaria.
- Para la alternativa clase 2, deberá describir sistema de aplicación y adjuntar el registro fotográfico y el diagrama del mismo.
| CARACTERÍSTICAS DEL BALASTO | |||||||
| ITEM | DESCRIPCIÓN | LUMINARIA 70 W | LUMINARIA 150 W | ||||
| 1 | Norma de fabricación | ||||||
| 2 | Fabricante | ||||||
| 3 | País de origen | ||||||
| 4 | Catálogo No | ||||||
| 5 | Tipo | ||||||
| 6 | Clase de aislamiento | ||||||
| 7 | Tensión nominal a la bombilla [V] | ||||||
| 8 | Frecuencia nominal [Hz] | ||||||
| 9 | Corriente de arranque [A] (con capacitor) | En línea | |||||
| En bombilla | |||||||
| 10 | Corriente de operación [A] (con capacitor) | En línea | |||||
| En bombilla | |||||||
| 11 | Potencia de entrada [W] | Balasto | |||||
| Pérdidas | |||||||
| Total | |||||||
| 12 | Pérdidas totales [W] | ||||||
| 13 | Tensión de circuito abierto [V] | ||||||
| 14 | Corriente de cortocircuito (100% tensión) [A] | ||||||
| 15 | Factor de Cresta | De corriente | |||||
| De tensión | |||||||
| 16 | Tensión de alimentación (Taps) [V] | ||||||
| 17 | Tensión pico de arranque [kV] | Mínimo | |||||
| Máximo | |||||||
| 18 | Variación permisible de tensión de servicio para operación normal [%] | ||||||
| 19 | Variación máxima de potencia en la bombilla | Para variaciones de ±5% (reactor) de la tensión de conexión | |||||
| Para variaciones de ±10% (CWA) de la tensión de conexión | |||||||
| 20 | Rigidez dieléctrica | ||||||
| 21 | Terminales de conexión | Longitud [cm] | |||||
| Cable (AWG) | |||||||
| Temperatura [°C] | |||||||
| Puntas estañadas (Si/No) | |||||||
| Soldables (Si/No) | |||||||
| 22 | Núcleo | Tipo de lámina | |||||
| Tipo de Ajuste | |||||||
| 23 | Aumento de temperatura sobre el ambiente al 110% Vn (deltaT) | ||||||
| 24 | Temperatura de devanados (TW) | ||||||
| 25 | Vida útil (Años) | ||||||
| 26 | Peso [Kg] | ||||||
| 27 | Pruebas a realizar en fabrica (Describir) | ||||||
| 28 | Acreditación por el ente competente en Colombia | Entidad acreditadora | |||||
| Número de acreditación | |||||||
| Fecha de aprobación (Día/Mes/Año) | |||||||
| Vigencia | |||||||
| Adjunta el certificado (Si/No) | |||||||
| 29 | Sistema de calidad (Normas ISO) | Entidad acreditadora | |||||
| Número de acreditación | |||||||
| Fecha de aprobación (Día/Mes/Año) | |||||||
| Vigencia | |||||||
| Adjunta el certificado (Si/No) | |||||||
| 30 | Marcación: (Contestar Si/No según corresponda) | Tipo (Aclarar) | |||||
| Con Enel Colombia S.A. | |||||||
| Con Orden de compra | |||||||
| Con Nombre Fabricante | |||||||
| Con Tipo de balasto | |||||||
| Con Corriente | |||||||
| Con Tensión | |||||||
| Con Frecuencia | |||||||
| Con Diagrama | |||||||
| Terminales | |||||||
| Año de fabricación | |||||||
| Temperatura | |||||||
| Otra (Aclarar) | |||||||
| 31 | Protección devanados para tipo Abierto (SI/NO) | ||||||
| 32 | Garantía (Meses) | ||||||
| 33 | Desviaciones técnicas | ||||||
NOTA
El oferente deberá:
- Suministrar la curva de funcionamiento (trapecio) para la bombilla.
- Explicar el sistema de fijación y adjuntar los planos dimensionados del balasto.
| CARACTERÍSTICAS DEL CONDENSADOR | |||||||
| ITEM | DESCRIPCIÓN | LUMINARIA 70 W | LUMINARIA 150 W | ||||
| 1 | Norma de fabricación | ||||||
| 2 | Fabricante | ||||||
| 3 | País de origen | ||||||
| 4 | Catálogo N° | ||||||
| 5 | Tipo | ||||||
| 6 | Capacidad [mF] | ||||||
| 7 | Tolerancia (%) | ||||||
| 8 | Tensión máxima de operación [V] | ||||||
| 9 | Vida útil (Horas) | ||||||
| 10 | Factor de disipación | ||||||
| 11 | Tensión al minuto sin alimentación [V] | ||||||
| 12 | Temperatura máxima de servicio [°C] | ||||||
| 13 | Capacidad mecánica | Torque soportado en sus terminales [Nm] | |||||
| Fuerza de compresión axial [N] | |||||||
| 14 | Soporta 1,75 Vn entre terminales durante 1 segundo (si/no) | ||||||
| 15 | Soporta 2 Vn + 1 000 V entre terminales y carcaza durante 1 segundo (si/no) | ||||||
| 16 | Peso [Kg] | ||||||
| 17 | Frecuencia de operación [Hz] | ||||||
| 18 | Resistencia de descarga entre terminales [ohmio] | ||||||
| 19 | Corriente máxima de fuga [µA] | ||||||
| 20 | Sistema de fijación (Describir) | ||||||
| 21 | Tipo de carcasa (Describir) | ||||||
| 22 | Acabado (Aclarar) | ||||||
| 22 | Terminales de conexión | Longitud [cm] | |||||
| Temperatura máxima de operación [°C] | |||||||
| Cable | Tipo aislamiento | ||||||
| Calibre [AWG] | |||||||
| Tensión nominal [V] | |||||||
| Estañados (Describir) | |||||||
| Soldables (Describir) | |||||||
| 23 | Pruebas a realizar en fabrica (Describir) | ||||||
| 24 | Tipo de instalación | ||||||
| 25 | Tipo de servicio | ||||||
| 26 | Acreditación por el ente competente en Colombia | Entidad acreditadora | |||||
| Número de acreditación | |||||||
| Fecha de aprobación (Día/Mes/Año) | |||||||
| Vigencia | |||||||
| Adjunta el certificado (Si/No) | |||||||
| 27 | Sistema de calidad (Normas ISO) | Entidad acreditadora | |||||
| Número de acreditación | |||||||
| Fecha de aprobación (Día/Mes/Año) | |||||||
| Vigencia | |||||||
| Adjunta el certificado (Si/No) | |||||||
| 28 | Marcación (Contestar Si/No según corresponda) | Tipo (Aclarar) | |||||
| Con Enel Colombia S.A. | |||||||
| Con orden de compra | |||||||
| Con nombre fabricante | |||||||
| Con capacidad | |||||||
| Con tolerancia | |||||||
| Con precisión | |||||||
| Con tensión | |||||||
| Con frecuencia | |||||||
| Con año de fabricación | |||||||
| Otra (Aclarar) | |||||||
| 29 | Garantía (Meses) | ||||||
| 30 | Desviaciones técnicas | ||||||
| CARACTERÍSTICAS DEL ARRANCADOR | |||||||
| ITEM | DESCRIPCIÓN | LUMINARIA 70 W | LUMINARIA 150 W | ||||
| 1 | Norma de fabricación | ||||||
| 2 | Fabricante | ||||||
| 3 | País de origen | ||||||
| 4 | Catálogo N° | ||||||
| 5 | Tipo(Impulsador paralelo, Impulsador de derivación, Superposición o serie, Otro. Describir) | ||||||
| 6 | Tensión de operación [V] | ||||||
| 7 | Frecuencia de servicio [Hz] | ||||||
| 8 | Pruebas a realizar en fabrica (Describir) | ||||||
| 9 | Número de terminales | ||||||
| 10 | Utiliza el devanado del balasto para generar pulsos (Si/No) | ||||||
| 11 | Mínima tensión de entrada para producir el pulso [V] | ||||||
| 12 | Características del pulso | Pico máximo [V] | |||||
| Amplitud [V] | |||||||
| Ancho de pulso [µs] | |||||||
| Posición del pulso [°E] | |||||||
| Número mínimo de pulsos/semi-ciclo | |||||||
| 13 | Resistencia de aislamiento [Mohmio] | ||||||
| 14 | Soporta 2 Vn + 1 000 en 1 minuto | ||||||
| 15 | Vida útil (Años) | ||||||
| 16 | Peso (Gramos) | ||||||
| 17 | Temperatura máxima de servicio [°C] | ||||||
| 18 | Rigidez dieléctrica de la resina de relleno [kV/cm] | ||||||
| 19 | Pruebas a realizar en fabrica (Describir) | ||||||
| 20 | Cables | Longitud [cm] | |||||
| Temperatura máxima de operación [°C] | |||||||
| Cable | Tipo aislamiento | ||||||
| Calibre [AWG] | |||||||
| Tensión nominal [V] | |||||||
| 21 | Terminales (Responder Si/No) | Puntas Estañadas | |||||
| Soldables | |||||||
| 22 | Acreditación por el ente competente en Colombia | Entidad acreditadora | |||||
| Número de acreditación | |||||||
| Fecha de aprobación (Día/Mes/Año) | |||||||
| Vigencia | |||||||
| Adjunta el certificado (Si/No) | |||||||
| 23 | Sistema de calidad (Normas ISO) | Entidad acreditadora | |||||
| Número de acreditación | |||||||
| Fecha de aprobación (Día/Mes/Año) | |||||||
| Vigencia | |||||||
| Adjunta el certificado (Si/No) | |||||||
| 24 | Marcación | Tipo (Aclarar) | |||||
| Enel Colombia | |||||||
| Orden de Compra | |||||||
| Nombre del Fabricante | |||||||
| Esquema | |||||||
| Tensión | |||||||
| Temperatura | |||||||
| Año | |||||||
| Otra (Aclarar) | |||||||
| 25 | Garantía (Meses) | ||||||
| 26 | Desviaciones técnicas | ||||||
| CARACTERISTICAS BALASTO ELECTRÓNICO PARA LUMINARIAS DE SODIO ALTA PRESIÓN 70 W | |||||||
| ITEM | DESCRIPCIÓN | Solicitado | Ofertado | ||||
| 1 | Fabricante | ||||||
| 2 | País de origen | ||||||
| 3 | Catálogo No | ||||||
| 4 | Norma de fabricación | ||||||
| 5 | Frecuencia nominal [Hz] | 60 Hz | |||||
| 6 | Tensión de alimentación | 208 - 220 -240 V | |||||
| 7 | Tensión nominal de la bombilla de sodio [V] | 90 V | |||||
| 8 | Protección Térmica Integrada | 110°C | |||||
| 9 | Protección de Cortocircuito a la salida de bombilla | si | |||||
| 10 | Corriente de la bombilla | 0,87 A | |||||
| 11 | Corriente pico en la bombilla | 1:00 AM | |||||
| 12 | Corriente de la línea | 0,36 A | |||||
| 13 | Factor de potencia | >95% | |||||
| 14 | Frecuencia en la bombilla | 120 Hz | |||||
| 15 | Pulso (kV) | 3,5 / 5 | |||||
| 16 | Pulso por semiciclo | 1 | |||||
| 17 | Tiempo de apagado del pulso | Max 20 minutos | |||||
| 18 | Pérdidas totales [W] (< 15 %) | ||||||
| 19 | Distorsión armónica total en corriente | < 10% | |||||
| 20 | Factor de cresta | < 1,8 pu | |||||
| 21 | Variación máxima de potencia en la bombilla | Para variaciones de ±10% de la tensión de conexión | 1% | ||||
| 22 | Temperatura de operación | ||||||
| 23 | Protección contra transitorios conforme IEEE 62.41.2 clase B | ||||||
| 24 | Cables y Terminales de conexión | Longitud [cm] | |||||
| Calibre del cable (AWG) | |||||||
| Temperatura [°C] | |||||||
| Puntas estañadas (Si/No) | |||||||
| 25 | Vida útil (Años) | ||||||
| 26 | Dimensiones LxAxH (mm) | ||||||
| 27 | Pruebas a realizar (Describir) | ||||||
| 28 | Certificación RETILAP por el ente competente en Colombia | Entidad certificadora | |||||
| Número de certificación | |||||||
| Fecha de aprobación | |||||||
| Vigencia | |||||||
| Adjunta el certificado | |||||||
| 29 | Sistema de calidad (Norma ISO 9001) | Entidad certificadora | |||||
| Número de certificación | |||||||
| Fecha de aprobación | |||||||
| Vigencia | |||||||
| Adjunta el certificado | |||||||
| 30 | Marcación (Contestar Si/No según corresponda) | Marca del fabricante | |||||
| Referencia | |||||||
| Mes y año de fabricación | |||||||
| Esquema de conexión | |||||||
| Palabra BOG-CUN. | |||||||
| Tensiones de servicio | |||||||
| Corrientes de línea y de bombilla | |||||||
| Frecuencia | |||||||
| Factor de potencia | |||||||
| Temperatura de carcasa | |||||||
| Factor de cresta | |||||||
| Orden de compra | |||||||
| Garantía | |||||||
| 31 | Garantía (Meses) | ||||||
| 32 | Desviaciones técnicas | ||||||
NOTA:
El oferente deberá:
- Suministrar la curva de funcionamiento (trapecio) para la bombilla.
- Explicar el sistema de fijación y adjuntar los planos dimensionados del balasto.
| CARACTERISTICAS BALASTO ELECTRÓNICO PARA LUMINARIAS DE SODIO ALTA PRESIÓN 100 W | |||||||
| ITEM | DESCRIPCIÓN | Solicitado | Ofertado | ||||
| 1 | Fabricante | ||||||
| 2 | País de origen | ||||||
| 3 | Catálogo No | ||||||
| 4 | Norma de fabricación | ||||||
| 5 | Frecuencia nominal [Hz] | 60 Hz | |||||
| 6 | Tensión de alimentación | 208 – 220 -240 V | |||||
| 7 | Tensión nominal de la bombilla de sodio [V] | 100 V | |||||
| 8 | Protección Térmica por Sobrecarga | ||||||
| 9 | Protección de Cortocircuito a la salida de bombilla | si | |||||
| 10 | Corriente de la bombilla | 1,20 A | |||||
| 11 | Corriente de la línea | 0,42 A | |||||
| 12 | Factor de potencia | >97% | |||||
| 13 | Factor de cresta max | 1.8 | |||||
| 14 | Frecuencia en la bombilla | 400 Hz | |||||
| 15 | Factor minimo de balasto | 95% | |||||
| 16 | Pulso (kV) | 2.8 a 5.0 | |||||
| 17 | Pulso por semiciclo | 1 | |||||
| 18 | Tiempo de apagado del pulso | Max 20 minutos | |||||
| 19 | Pérdidas maximas [W] | 11 | |||||
| 20 | Distorsión armónica total de corriente de entrada (THDi) % | <10 | |||||
| 21 | Variación máxima de potencia en la bombilla | Para variaciones de ±15% de la tensión de conexión | <0.3% | ||||
| 22 | Temperatura de operación | -15°C+50°C | |||||
| 23 | Protección contra transitorios | SI | |||||
| 24 | Cables y Terminales de conexión | Longitud [cm] | |||||
| Calibre del cable (AWG) | |||||||
| Temperatura [°C] | |||||||
| Puntas estañadas (Si/No) | |||||||
| 25 | Vida útil (Años)/horas | 10 | |||||
| 26 | Dimensiones LxWxH (mm) | ||||||
| 27 | Pruebas a realizar (Describir) | ||||||
| 28 | Certificación RETILAP por el ente competente en Colombia | Entidad certificadora | |||||
| Número de certificación | |||||||
| Fecha de aprobación | |||||||
| Vigencia | |||||||
| Adjunta el certificado | |||||||
| 29 | Sistema de calidad (Norma ISO 9001) | Entidad certificadora | |||||
| Número de certificación | |||||||
| Fecha de aprobación | |||||||
| Vigencia | |||||||
| Adjunta el certificado | |||||||
| 30 | Marcación (Contestar Si/No según corresponda) | Marca del fabricante | |||||
| Referencia | |||||||
| Mes y año de fabricación | |||||||
| Esquema de conexión | |||||||
| Palabra BOG-CUN. | |||||||
| Tensiones de servicio | |||||||
| Corrientes de línea y de bombilla | |||||||
| Frecuencia | |||||||
| Factor de potencia | |||||||
| Temperatura de carcasa | |||||||
| Factor de cresta | |||||||
| Orden de compra | |||||||
| Garantía | |||||||
| 31 | Garantía (Meses) | ||||||
| 32 | Desviaciones técnicas | ||||||
NOTA:
El oferente deberá:
- Suministrar la curva de funcionamiento (trapecio) para la bombilla.
- Explicar el sistema de fijación y adjuntar los planos dimensionados del balasto
| CARACTERISTICAS BALASTO ELECTRÓNICO PARA LUMINARIAS DE SODIO ALTA PRESIÓN 150 W | |||||||
| ITEM | DESCRIPCIÓN | Solicitado | Ofertado | ||||
| 1 | Fabricante | ||||||
| 2 | País de origen | ||||||
| 3 | Catálogo No | ||||||
| 4 | Norma de fabricación | ||||||
| 5 | Frecuencia nominal [Hz] | 60 Hz | |||||
| 6 | Tensión de alimentación | 208 – 220 -240 V | |||||
| 7 | Tensión nominal de la bombilla de sodio [V] | 100 V | |||||
| 8 | Protección Térmica Integrada | si | |||||
| 9 | Protección de Cortocircuito a la salida de bombilla | si | |||||
| 10 | Corriente de la bombilla | 1,64 A | |||||
| 11 | Corriente pico en la bombilla | ||||||
| 12 | Corriente de la línea | 0,72 A | |||||
| 13 | Factor de potencia | >95% | |||||
| 14 | Frecuencia en la bombilla | 120 Hz | |||||
| 15 | Pulso (kV) | 3,5 / 5 | |||||
| 16 | Pulso por semiciclo | 1 | |||||
| 17 | Tiempo de apagado del pulso | Max 20 minutos | |||||
| 18 | Pérdidas totales [W] (< 15 %) | ||||||
| 19 | Distorsión armónica total en corriente | < 10% | |||||
| 20 | Factor de cresta | < 1,8 pu | |||||
| 21 | Variación máxima de potencia en la bombilla | Para variaciones de ±10% de la tensión de conexión | 1% | ||||
| 22 | Temperatura de operación | ||||||
| 23 | Protección contra transitorios conforme IEEE 62.41.2 clase B | ||||||
| 24 | Cables y Terminales de conexión | Longitud [cm] | |||||
| Calibre del cable (AWG) | |||||||
| Temperatura [°C] | |||||||
| Puntas estañadas (Si/No) | |||||||
| 25 | Vida útil (Años) | ||||||
| 26 | Dimensiones LxAxH (mm) | ||||||
| 27 | Pruebas a realizar (Describir) | ||||||
| 28 | Certificación RETILAP por el ente competente en Colombia | Entidad certificadora | |||||
| Número de certificación | |||||||
| Fecha de aprobación | |||||||
| Vigencia | |||||||
| Adjunta el certificado (Si/No) | |||||||
| 29 | Sistema de calidad (Norma ISO 9001) | Entidad certificadora | |||||
| Número de certificación | |||||||
| Fecha de aprobación | |||||||
| Vigencia | |||||||
| Adjunta el certificado (Si/No) | |||||||
| 30 | Marcación (Contestar Si/No según corresponda) | Marca del fabricante | |||||
| Referencia | |||||||
| Mes y año de fabricación | |||||||
| Esquema de conexión | |||||||
| Palabra BOG-CUN. | |||||||
| Tensiones de servicio | |||||||
| Corrientes de línea y de bombilla | |||||||
| Frecuencia | |||||||
| Factor de potencia | |||||||
| Temperatura de carcasa | |||||||
| Factor de cresta | |||||||
| Orden de compra | |||||||
| Garantía | |||||||
| 31 | Garantía (Meses) | ||||||
| 32 | Desviaciones técnicas | ||||||
NOTA:
El oferente deberá:
- Suministrar la curva de funcionamiento (trapecio) para la bombilla.
- Explicar el sistema de fijación y adjuntar los planos dimensionados del balasto.
| CARACTERÍSTICAS DEL PORTABOMBILLAS | |||||||
| ITEM | DESCRIPCIÓN | LUMINARIA 70 W | LUMINARIA 150 W | ||||
| 1 | Fabricante | ||||||
| 2 | Normas aplicadas | Fabricación | |||||
| Pruebas | |||||||
| 3 | Tipo de instalación | ||||||
| 4 | Adjunta planos dimensionados (Si/No) | ||||||
| 5 | Cuerpo | Casquillo | Tipo de rosca | ||||
| Posee seguro para la bombilla (Si/No) | |||||||
| Contacto central | Material | ||||||
| Resortado (Si/No) | |||||||
| Resorte en acero inoxidable (Si/No) | |||||||
| Tensión mínima que soporta para pulsos que provienen del arrancador [kV] | |||||||
| Base | Material | ||||||
| Nivel aislamiento [V] | |||||||
| Sobresale al menos 1 mm sobre la totalidad de la superficie del casquillo (Si/No) | |||||||
| Bornes para la sujeción del cable | Material | ||||||
| Capacidad máxima del cable a fijar [AWG] | |||||||
| Tipo de tornillos | |||||||
| 6 | Sistema de calidad (Normas ISO) | Entidad acreditadora | |||||
| Número de acreditación | |||||||
| Fecha de aprobación (Día/Mes/Año) | |||||||
| Vigencia | |||||||
| Adjunta el certificado (Si/No) | |||||||
| 7 | Acreditación por el ente competente en Colombia | Entidad acreditadora | |||||
| Número de acreditación | |||||||
| Fecha de aprobación (Día/Mes/Año) | |||||||
| Vigencia | |||||||
| Adjunta el certificado (Si/No) | |||||||
| 8 | Referencia | ||||||
| 9 | Tipo pesado, (SI/NO) | ||||||
| Rosca iridizada o niquelada (SI/NO) | |||||||
| Fresada en tubo de cobre tipo K (según norma ASTM B-88). (SI/NO) | |||||||
| 10 | Marcación (Contestar Si/No según corresponda) | Tipo (Aclarar) | |||||
| Con Enel Colombia S.A. | |||||||
| Con orden de compra | |||||||
| Con nombre del fabricante | |||||||
| Con tipo de casquillo | |||||||
| Con nivel de aislamiento | |||||||
| Otra (Aclarar) | |||||||
| 11 | Garantía (Meses) | ||||||
| 12 | Desviaciones técnicas | ||||||
ANEXO 5. PLANILLA DE CARACTERÍSTICAS TÉCNICAS LUMINARIAS DE SODIO 250 Y 400 W
| CARACTERÍSTICAS GENERALES DE LA LUMINARIA | |||||||
| ITEM | DESCRIPCIÓN | LUMINARIA 250 W | LUMINARIA 400 W | ||||
| 1 | Norma de fabricación | ||||||
| 2 | Fabricante | ||||||
| 3 | Representante del fabricante | ||||||
| 4 | País de origen | ||||||
| 5 | Referencia | ||||||
| 6 | Potencia nominal de la luminaria | ||||||
| 7 | Tipo de carcasa (Describir) | ||||||
| 8 | Grado de protección | Compartimento eléctrico (IP) | |||||
| Compartimento óptico (IP) | |||||||
| Carcasa (IK) | |||||||
| Refractor (IK) | |||||||
| La bombilla se acopla al conjunto óptico mediante un obturador o capzoleta, que garantice el IP del conjunto óptico >=IP65. (Si/No) | |||||||
| Compartimiento óptico y eléctrico independientes. (Si/No) | |||||||
| Clase (I y/o II) | |||||||
| 9 | Accesorios incorporados (marca y tipo) | Bombilla | |||||
| Balasto | |||||||
| Capacitor | |||||||
| Arrancador | |||||||
| Base para fotocontrol | |||||||
| Fotocontrol | |||||||
| DPS Dispositivo de protección contra sobre tensiones | |||||||
| 10 | Cuerpo de la luminaria | Material | |||||
| Color | |||||||
| Espesor mínimo de la carcaza [mm] | |||||||
| Ensayo de retardancia a la llama UL 94-V2 | |||||||
| Ensayo estabilidad contra rayos UV | |||||||
| Luminaria abatible por la parte superior con limitador de apertura tipo telescópico. (Si/No) | |||||||
| 11 | Reflector | Material | |||||
| Pureza | |||||||
| Espesor | |||||||
| Reflectancia (%) | |||||||
| Espesor promedio del anonizado | |||||||
| 12 | Cuántos empaques utiliza la luminaria | Describa | |||||
| Material | |||||||
| 13 | Montaje del conjunto eléctrico (Si/No) | Fijación sobre la carcasa | |||||
| Posee plato de montaje | |||||||
| Espesor plato de montaje (mm) | |||||||
| Protección superficial (micras) | |||||||
| Posee anillos marcadores para cable | |||||||
| 14 | Portabombilla | Tipo de rosca | |||||
| Material del casquillo | |||||||
| Espesor mínimo del casquillo [mm] | |||||||
| Recubrimiento del casquillo | |||||||
| Material de la base | |||||||
| Material de los herrajes | |||||||
| Nivel de aislamiento [V] | |||||||
| Contacto central resortado (Si/No) | |||||||
| La base sobresale al menos 1 mm sobre la totalidad de la superficie del casquillo (Si/No) | |||||||
| 15 | Refractor | Tipo | |||||
| Material | |||||||
| 16 | Factor de potencia de la luminaria | ||||||
| 17 | Resistencia de Aislamiento [Mohmio] | Partes bajo tensión aisladas eléctricamente | |||||
| Partes bajo tensión y carcaza | |||||||
| 18 | Tensión de ensayo e frecuencia industrial durante un minuto [V] | Partes bajo tensión aisladas eléctricamente | |||||
| Partes bajo tensión y carcaza | |||||||
| 19 | Propiedades fotométricas | Área reflejante según CIE (F) m 2 | |||||
| Intensidad máxima [cd] | |||||||
| Ángulos para la intensidad máxima promedio | Plano C | ||||||
| Ángulo gamma | |||||||
| Incremento de umbral | |||||||
| 20 | Elevaciones máximas de temperatura [°C] | Bulbo de bombilla | |||||
| Casquillo | |||||||
| Balasto (al 110% de la tensión de conexión) | |||||||
| Capacitor | |||||||
| Material aislante del portabombilla | |||||||
| Cuerpo exterior de la luminaria | |||||||
| 21 | Conductores | Temperatura máxima de operación [°C] | |||||
| Tipo de aislamiento | |||||||
| Tensión nominal [V] | |||||||
| 22 | Peso de la luminaria [Kg] | ||||||
| 23 | Dimensiones de la caja para transporte mm x mm x mm | ||||||
| 24 | Número de muestras presentadas | ||||||
| 25 | Rango de ángulo vertical permitido por el accesorio de sujeción de la luminaria | ||||||
| 26 | Conexiones internas | Por medio de colas (Si/No) | |||||
| Longitud de las colas | |||||||
| Puntas de colas estañadas (Si/No) | |||||||
| Conductor | Calibre [AWG] | ||||||
| Temperatura [°C] | |||||||
| Al porta- bombillas | Tipo | ||||||
| Calibre [AWG] | |||||||
| Temperatura [°C] | |||||||
| Color según NTC 2050 | Neutro: blanco | ||||||
| Tierra: verde | |||||||
| Fases: rojo/azul | |||||||
| 27 | Receptáculo para fotocontrol | Tripolar (Si/No) | |||||
| Gira hasta 360 grados (Si/No) | |||||||
| Cumple normas ICONTEC 2470, EEEI-NEMA TDJ-146 (Si/No) | |||||||
| 28 | Fusibles | Fabricante | |||||
| Referencia | |||||||
| Limitador de corriente (Si/No) | |||||||
| Corriente nominal [A] | |||||||
| Capacidad de interrupción | |||||||
| [kA] | |||||||
| Nivel mínimo de aislamiento | |||||||
| Número de fusibles por luminaria | |||||||
| 29 | Concentrador de conexiones | Clase térmica | |||||
| Temperatura ( °C ) | |||||||
| Tensión de aislamiento | |||||||
| Rigidez dieléctrica | |||||||
| Material de los contactos | |||||||
| 30 | Dimensiones de la caja para transporte mm x mm x mm | ||||||
| 31 | Número de muestras presentadas | ||||||
| 32 | Rango de ángulo vertical permitido por el accesorio de sujeción de la luminaria | ||||||
| 33 | Pruebas a realizar en fabrica (Describir) | ||||||
| 34 | Sistema antihurto | Cierre de la luminaria con tornillo de seguridad y llave especial. (Si/No) | |||||
| Tornillo de seguridad imperdible. (Si/No) | |||||||
| Bloqueador de giro del fotocontrol. (Si/No) | |||||||
| Aseguramiento del brazo a la luminaria. (Si/No) | |||||||
| 35 | Acreditación por el ente competente en Colombia | Entidad acreditadora | |||||
| Número de acreditación | |||||||
| Fecha de aprobación (Día/Mes/Año) | |||||||
| Vigencia | |||||||
| Adjunta el certificado (Si/No) | |||||||
| 36 | Sistema de calidad (Normas ISO) | Entidad acreditadora | |||||
| Número de acreditación | |||||||
| Fecha de aprobación (Día/Mes/Año) | |||||||
| Vigencia | |||||||
| Adjunta el certificado (Si/No) | |||||||
| 37 | Marcación (Contestar Si/No según corresponda) | Tipo (Aclarar) | |||||
| Con Enel Colombia S.A. | |||||||
| Con orden de compra | |||||||
| Con nombre del fabricante | |||||||
| Con tipo de fuente | |||||||
| Con tensión de alimentación | |||||||
| Con año de fabricación | |||||||
| Con IP garantizado | |||||||
| Otra (Aclarar) | |||||||
| 38 | Garantía (Meses) | ||||||
| 39 | Desviaciones técnicas | ||||||
NOTAS:
El oferente deberá explicar
- El sistema de fijación y adjuntar los planos dimensionados de la luminaria.
- Los sistemas antivandálicos que posee la luminaria.
- Para la alternativa clase 2, deberá describir sistema de aplicación y adjuntar el registro fotográfico y el diagrama del mismo.
| CARACTERÍSTICAS DEL BALASTO | |||||||
| ITEM | DESCRIPCIÓN | LUMINARIA 250 W | LUMINARIA 400 W | ||||
| 1 | Norma de fabricación | ||||||
| 2 | Fabricante | ||||||
| 3 | País de origen | ||||||
| 4 | Catálogo No | ||||||
| 5 | Tipo | ||||||
| 6 | Clase de aislamiento | ||||||
| 7 | Tensión nominal a la bombilla [V] | ||||||
| 8 | Frecuencia nominal [Hz] | ||||||
| 9 | Corriente de arranque [A] | En línea | |||||
| (con capacitor) | En bombilla | ||||||
| 10 | Corriente de operación [A] | En línea | |||||
| (con capacitor) | En bombilla | ||||||
| 11 | Potencia de entrada [W] | Balasto | |||||
| Pérdidas | |||||||
| Total | |||||||
| 12 | Pérdidas totales [W] | ||||||
| 13 | Tensión de circuito abierto [V] | ||||||
| 14 | Corriente de cortocircuito (100% tensión) [A] | ||||||
| 15 | Factor de Cresta | De corriente | |||||
| De tensión | |||||||
| 16 | Tensión de alimentación (Taps) [V] | ||||||
| 17 | Tensión pico de arranque [kV] | Mínimo | |||||
| Máximo | |||||||
| 18 | Variación permisible de tensión de servicio para operación normal [%] | ||||||
| 19 | Variación máxima de potencia en la bombilla | Para variaciones de ±5% (reactor) de la tensión de conexión | |||||
| Para variaciones de ±10% (CWA) de la tensión de conexión | |||||||
| 20 | Rigidez dieléctrica | ||||||
| 21 | Terminales de conexión | Longitud [cm] | |||||
| Cable (AWG) | |||||||
| Temperatura [°C] | |||||||
| Puntas estañadas (Si/No) | |||||||
| Soldables (Si/No) | |||||||
| 22 | Núcleo | Tipo de lámina | |||||
| Tipo de Ajuste | |||||||
| 23 | Aumento de temperatura sobre el ambiente al 110% Vn (deltaT) | ||||||
| 24 | Temperatura de devanados (TW) | ||||||
| 25 | Vida útil (Años) | ||||||
| 26 | Peso [Kg] | ||||||
| 27 | Pruebas a realizar en fabrica (Describir) | ||||||
| 28 | Acreditación por el ente competente en Colombia | Entidad acreditadora | |||||
| Número de acreditación | |||||||
| Fecha de aprobación (Día/Mes/Año) | |||||||
| Vigencia | |||||||
| Adjunta el certificado (Si/No) | |||||||
| 29 | Sistema de calidad (Normas ISO) | Entidad acreditadora | |||||
| Número de acreditación | |||||||
| Fecha de aprobación (Día/Mes/Año) | |||||||
| Vigencia | |||||||
| Adjunta el certificado (Si/No) | |||||||
| 30 | Marcación (Contestar Si/No según corresponda) | Tipo (Aclarar) | |||||
| Con Enel Colombia S.A. | |||||||
| Con Orden de compra | |||||||
| Con Nombre Fabricante | |||||||
| Con Tipo de balasto | |||||||
| Con Corriente | |||||||
| Con Tensión | |||||||
| Con Frecuencia | |||||||
| Con Diagrama | |||||||
| Terminales | |||||||
| Año de fabricación | |||||||
| Temperatura | |||||||
| Otra (Aclarar) | |||||||
| 31 | Protección devanados para tipo Abierto (SI/NO) | ||||||
| 32 | Garantía (Meses) | ||||||
| 33 | Desviaciones técnicas | ||||||
NOTA:
El oferente deberá:
- Suministrar la curva de funcionamiento (trapecio) para la bombilla.
- Explicar el sistema de fijación y adjuntar los planos dimensionados del balasto.
| CARACTERISTICAS BALASTO ELECTRÓNICO PARA LUMINARIAS DE SODIO ALTA PRESIÓN 250 W | |||||||
| ITEM | DESCRIPCIÓN | Solicitado | Ofertado | ||||
| 1 | Fabricante | ||||||
| 2 | País de origen | ||||||
| 3 | Catálogo No | ||||||
| 4 | Norma de fabricación | ||||||
| 5 | Clase de aislamiento | ||||||
| 6 | Frecuencia nominal [Hz] | 60 Hz | |||||
| 7 | Tensión de alimentación | 208 V – 220 V | |||||
| 8 | Tensión nominal de la bombilla de sodio [V] | 100 V | |||||
| 9 | Corriente de la bombilla | 2,55 A | |||||
| 10 | Corriente pico en la bombilla | ||||||
| 11 | Corriente de la línea | 1,14 A | |||||
| 12 | Factor de potencia | >90% | |||||
| 13 | Frecuencia en la bombilla | Hz | |||||
| 14 | Pulso (kV) | 3,5 / 5 | |||||
| 15 | Pulso por semiciclo | 1 | |||||
| 16 | Tiempo de apagado del pulso | Max 20 minutos | |||||
| 17 | Pérdidas totales [W] (< 10 %) | ||||||
| 18 | Distorsión armónica total en corriente | < 10% | |||||
| 20 | Factor de cresta | < 1,8 | |||||
| 21 | Variación máxima de potencia en la bombilla | Para variaciones de ±10% de la tensión de conexión | 1% | ||||
| 22 | Temperatura de operación | ||||||
| 23 | Protección contra transitorios conforme IEEE 62.41.2 clase B | ||||||
| 24 | Cables y Terminales de conexión | Longitud [cm] | |||||
| Calibre del cable (AWG) | |||||||
| Temperatura [°C] | |||||||
| Puntas estañadas (Si/No) | |||||||
| 25 | Vida útil (Años) | 10 años | |||||
| 26 | Dimensiones LxAxH (mm) | ||||||
| 27 | Pruebas a realizar (Describir) | ||||||
| 28 | Certificación RETILAP por el ente competente en Colombia | Entidad certificadora | |||||
| Número de certificación | |||||||
| Fecha de aprobación | |||||||
| Vigencia | |||||||
| Adjunta el certificado (Si/No) | |||||||
| 29 | Sistema de calidad (Norma ISO 9001) | Entidad certificadora | |||||
| Número de certificación | |||||||
| Fecha de aprobación | |||||||
| Vigencia | |||||||
| Adjunta el certificado (Si/No) | |||||||
| 30 | Marcación (Contestar Si/No según corresponda) | Marca del fabricante | |||||
| Referencia | |||||||
| Mes y año de fabricación | |||||||
| Esquema de conexión | |||||||
| Palabra BOG-CUN. | |||||||
| Tensiones de servicio | |||||||
| Corrientes de línea y de bombilla | |||||||
| Frecuencia | |||||||
| Factor de potencia | |||||||
| Temperatura de carcasa | |||||||
| Factor de cresta | |||||||
| Orden de compra | |||||||
| Garantía | |||||||
| 31 | Garantía (Meses) | ||||||
| 32 | Desviaciones técnicas | ||||||
NOTA:
El oferente deberá:
- Suministrar la curva de funcionamiento (trapecio) para la bombilla.
- Explicar el sistema de fijación y adjuntar los planos dimensionados del balasto.
| CARACTERÍSTICAS DEL CONDENSADOR | |||||||
| ITEM | DESCRIPCIÓN | LUMINARIA 250 W | LUMINARIA 400 W | ||||
| 1 | Norma de fabricación | ||||||
| 2 | Fabricante | ||||||
| 3 | País de origen | ||||||
| 4 | Catálogo N° | ||||||
| 5 | Tipo | ||||||
| 6 | Capacidad [µF] | ||||||
| 7 | Tolerancia (%) | ||||||
| 8 | Tensión máxima de operación [V] | ||||||
| 9 | Vida útil (Horas) | ||||||
| 10 | Factor de disipación | ||||||
| 11 | Tensión al minuto sin alimentación [V] | ||||||
| 12 | Temperatura máxima de servicio [°C] | ||||||
| 13 | Capacidad mecánica | Torque soportado en sus terminales [Nm] | |||||
| Fuerza de compresión axial [N] | |||||||
| 14 | Soporta 1,75 Vn entre terminales durante 1 segundo (si/no) | ||||||
| 15 | Soporta 2 Vn + 1 000 V entre terminales y carcaza durante 1 segundo (si/no) | ||||||
| 16 | Peso [Kg] | ||||||
| 17 | Frecuencia de operación [Hz] | ||||||
| 18 | Resistencia de descarga entre terminales [ohmio] | ||||||
| 19 | Corriente máxima de fuga [µA] | ||||||
| 20 | Sistema de fijación (Describir) | ||||||
| 21 | Tipo de carcasa (Describir) | ||||||
| 22 | Acabado (Aclarar) | ||||||
| 22 | Terminales de conexión | Longitud [cm] | |||||
| Temperatura máxima de operación [°C] | |||||||
| Cable | Tipo aislamiento | ||||||
| Calibre [AWG] | |||||||
| Tensión nominal [V] | |||||||
| Estañados (Describir) | |||||||
| Soldables (Describir) | |||||||
| 23 | Pruebas a realizar en fabrica (Describir) | ||||||
| 24 | Acreditación por el ente competente en Colombia | Entidad acreditadora | |||||
| Número de acreditación | |||||||
| Fecha de aprobación (Día/Mes/Año) | |||||||
| Vigencia | |||||||
| Adjunta el certificado (Si/No) | |||||||
| 25 | Sistema de calidad (Normas ISO) | Entidad acreditadora | |||||
| Número de acreditación | |||||||
| Fecha de aprobación (Día/Mes/Año) | |||||||
| Vigencia | |||||||
| Adjunta el certificado (Si/No) | |||||||
| 26 | Marcación (Contestar Si/No según corresponda) | Tipo (Aclarar) | |||||
| Con Enel Colombia S.A. | |||||||
| Con orden de compra | |||||||
| Con nombre fabricante | |||||||
| Con capacidad | |||||||
| Con tolerancia | |||||||
| Con precisión | |||||||
| Con tensión | |||||||
| Con frecuencia | |||||||
| Con año de fabricación | |||||||
| Otra (Aclarar) | |||||||
| 27 | Garantía (Meses) | ||||||
| 28 | Desviaciones técnicas | ||||||
| CARACTERÍSTICAS DEL ARRANCADOR | |||||||
| ITEM | DESCRIPCIÓN | LUMIANARIA 250 W | LUMINARIA 400 W | ||||
| 1 | Norma de fabricación | ||||||
| 2 | Fabricante | ||||||
| 3 | País de origen | ||||||
| 4 | Catálogo N° | ||||||
| 5 | Tipo(Impulsador paralelo, Impulsador de derivación, Superposición o serie, Otro. Describir) | ||||||
| 6 | Tensión de operación [V] | ||||||
| 7 | Frecuencia de servicio [Hz] | ||||||
| 8 | Pruebas a realizar en fabrica (Describir) | ||||||
| 9 | Número de terminales | ||||||
| 10 | Utiliza el devanado del balasto para generar pulsos (Si/No) | ||||||
| 11 | Mínima tensión de entrada para producir el pulso [V] | ||||||
| 12 | Características del pulso | Pico máximo [V] | |||||
| Amplitud [V] | |||||||
| Ancho de pulso [µs] | |||||||
| Posición del pulso [°E] | |||||||
| Número mínimo de pulsos/semi-ciclo | |||||||
| 13 | Resistencia de aislamiento [Mohmio] | ||||||
| 14 | Soporta 2 Vn + 1 000 en 1 minuto | ||||||
| 15 | Vida útil (Años) | ||||||
| 16 | Peso (Gramos) | ||||||
| 17 | Temperatura máxima de servicio [°C] | ||||||
| 18 | Rigidez dieléctrica de la resina de relleno [kV/cm] | ||||||
| 19 | Pruebas a realizar en fabrica (Describir) | ||||||
| 20 | Cables | Longitud [cm] | |||||
| Temperatura máxima de operación [°C] | |||||||
| Cable | Tipo aislamiento | ||||||
| Calibre [AWG] | |||||||
| Tensión nominal [V] | |||||||
| 21 | Terminales (Responder Si/No) | Puntas Estañadas | |||||
| Soldables | |||||||
| 22 | Acreditación por el ente competente en Colombia | Entidad acreditadora | |||||
| Número de acreditación | |||||||
| Fecha de aprobación (Día/Mes/Año) | |||||||
| Vigencia | |||||||
| Adjunta el certificado (Si/No) | |||||||
| 23 | Sistema de calidad (Normas ISO) | Entidad acreditadora | |||||
| Número de acreditación | |||||||
| Fecha de aprobación (Día/Mes/Año) | |||||||
| Vigencia | |||||||
| Adjunta el certificado (Si/No) | |||||||
| 24 | Marcación | Tipo (Aclarar) | |||||
| Enel Colombia | |||||||
| Orden de Compra | |||||||
| Nombre del Fabricante | |||||||
| Esquema | |||||||
| Tensión | |||||||
| Temperatura | |||||||
| Año | |||||||
| Otra (Aclarar) | |||||||
| 25 | Garantía (Meses) | ||||||
| 26 | Desviaciones técnicas | ||||||
| CARACTERÍSTICAS DEL PORTABOMBILLAS | |||||||
| ITEM | DESCRIPCIÓN | LUMINARIA 250 W | LUMINARIA 400 W | ||||
| 1 | Fabricante | ||||||
| 2 | Normas aplicadas | Fabricación | |||||
| Pruebas | |||||||
| 3 | Tipo de instalación | ||||||
| 4 | Adjunta planos dimensionados (Si/No) | ||||||
| 5 | Cuerpo | Casquillo | Tipo de rosca | ||||
| Posee seguro para la bombilla (Si/No) | |||||||
| Contacto central | Material | ||||||
| Resortado (Si/No) | |||||||
| Resorte en acero inoxidable (Si/No) | |||||||
| Tensión mínima que soporta para pulsos que provienen del arrancador [kV] | |||||||
| Base | Material | ||||||
| Nivel aislamiento [V] | |||||||
| Sobresale al menos 1 mm sobre la totalidad de la superficie del casquillo (Si/No) | |||||||
| Bornes para la sujeción del cable | Material | ||||||
| Capacidad máxima del cable a fijar [AWG] | |||||||
| Tipo de tornillos | |||||||
| 6 | Sistema de calidad (Normas ISO) | Entidad acreditadora | |||||
| Número de acreditación | |||||||
| Fecha de aprobación (Día/Mes/Año) | |||||||
| Vigencia | |||||||
| Adjunta el certificado (Si/No) | |||||||
| 7 | Acreditación por el ente competente en Colombia | Entidad acreditadora | |||||
| Número de acreditación | |||||||
| Fecha de aprobación (Día/Mes/Año) | |||||||
| Vigencia | |||||||
| Adjunta el certificado (Si/No) | |||||||
| 8 | Referencia | ||||||
| 9 | Tipo pesado, (SI/NO) | ||||||
| Rosca iridizada o niquelada (SI/NO) | |||||||
| Fresada en tubo de cobre tipo K (según norma ASTM B-88). (SI/NO) | |||||||
| 10 | Marcación (Contestar Si/No según corresponda) | Tipo (Aclarar) | |||||
| Con Enel Colombia S.A. | |||||||
| Con orden de compra | |||||||
| Con nombre del fabricante | |||||||
| Con tipo de casquillo | |||||||
| Con nivel de aislamiento | |||||||
| Otra (Aclarar) | |||||||
| 11 | Garantía (Meses) | ||||||
| 12 | Desviaciones técnicas | ||||||
DATOS ADICIONALES
Revisión #
10
Fecha de entrada en vigencia
Actividad de los usuarios
Para hacer comentarios debe iniciar sesión o registrarse aquí