LA468 Red compacta 11.4 kv estructura en ángulo para dos circuitos
- Contenido
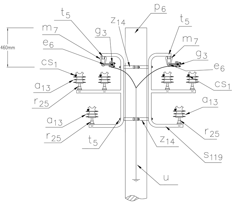
VISTA SUPERIOR
.jpg)
VISTA LATERAL

LISTA DE MATERIALES
| SÍMB. | CANT. | CÓDIGO | ESP. TÉCNICA | DESCRIPCIÓN |
| a13 | 6 | E-MT-011 | Aislador polimérico de pin ANSI 55-4 | |
| cs1 | 330015 | GSCC021 | Cable semiaislado AAC 95 mm 2 15 kV | |
| e6 | 2 | 251492 | ET366 | Eslabón en U de 5/8” |
| g3 | 3 | ET351 | Grapa de suspensión de M.T. | |
| j6 | 310410 | E-MT-028 | Cable de acero galvanizado 3/8” | |
| m7 | 2 | 251362 | ET454 | Tuerca de ojo alargado 5/8” |
| p6 | 1 | 230966 | GSS002 | Poste de concreto de 12 m, 1 050 kg (1) |
| r25 | 6 | 201072 | ET414 | Portaislador para cruceta metálica MT 15 kV espigo 3/4 “ |
| s17 | 2 | 274273 | ET303 | Conector de compresión de ranuras paralelas tipo 1 |
| s119 | 2 | ET444 | Soporte Angular tipo 3-15 kV | |
| t5 | 6 | 251363 | ET456 | Tornillo de carruaje 5/8“ x 11/2 “ |
| u1 | 1 | 201150 | ET492 | SPT Acero 6.3 Red compacta |
| z14 | 2 | 274311 | ET432 | Abrazadera de dos salidas tipo 4, 200 mm (2) |
| z46 | 6 | ET445 | Amarre preformado para cable semiaislado 95 mm² |
ALTERNATIVAS:
(1) Poste de fibra ( ET205 ) o metálico ( ET208 ), El poste que aparece en la lista es una referencia, consulte la norma ( LA010-1 ) para su selección.
(2) La abrazadera que aparece en la lista es una referencia, consulte la ET432 para su selección adecuada.
NOTAS:
- Esta estructura se utiliza para ángulos hasta de 60º interiores y exteriores.
- El mensajero se debe aterrizar aproximadamente cada 100 m de red compacta.
- Deben ubicarse espaciadores a una distancia máxima de 12 metros medidos desde el poste
DATOS ADICIONALES
Revisión #
3
Fecha de entrada en vigencia
Actividad de los usuarios
Para hacer comentarios debe iniciar sesión o registrarse aquí