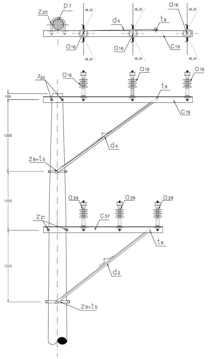
LA158 Circuito urbano 34,5 kV en bandera con circuito primario en bandera
- Contenido

LISTA DE MATERIALES
| SÍMB. | CANT. | CÓDIGO | ESP. TECNICA | DESCRIPCIÓN |
| a 16 | 3 | 300547 | GSCC010/18 | Aislador Line Post Compuesto Para Cruceta Metálica 36kV (1) |
| a 29 | 3 | 300548 | GSCC010/14 | Aislador Line Post Compuesto Para Cruceta Metálica 24kV (1) |
| c 19 | 1 | ET-419 | Cruceta metálica de 2,5 m | |
| c 37 | 1 | ET-419 | Cruceta metálica 2 m | |
| d 2 | 1 | 251388 | ET-406 | Diagonal metálica en ángulo tipo 1 |
| d 4 | 1 | 240080 | ET-406 | Diagonal metálica en ángulo tipo 3 |
| p 7 | 1 | 230958 | GSS002/47 | Poste de concreto 14 m 750 kg (2) |
| t 5 | 2 | 251363 | ET-456 | Tornillo de carruaje 5/8" x 1 1/2" |
| t 9 | 2 | 274482 | ET-457 | Tornillo de acero galvanizado 5/8" x 2" |
| z 8 | 1 | 274299 | ET-431 | Abrazadera de una salida tipo 3, 180 mm (3) |
| z 9 | 1 | 274300 | ET-431 | Abrazadera de una salida tipo 4, 200 mm (3) |
| z 20 | 1 | 274293 | ET-436 | Abrazadera en U tipo 2, 180 mm (4) |
| z 21 | 1 | 274286 | ET-436 | Abrazadera en U tipo 3, 210 mm (4) |
ALTERNATIVAS:
(1) El aislador tipo Line Post puede incluir o no el porta aislador .
(2) Poste metálico ( ET-208 ) o Poste de Fibra ( ET-205 ).
(3) La abrazadera que aparece en la lista es una referencia, consulte la ET-431 para su selección adecuada.
(4) La abrazadera que aparece en la lista es una referencia, consulte la ET-436 para su selección adecuada.
NOTAS:
- El cable debe ser fijado al aislador Line Post de acuerdo a la norma LA 233 .
- El ángulo de deflexión (Alpha) según el poste corresponde a:
Poste de 14 m , 750 kg : 0º <= Alpha <= 5º
Poste de 14 m , 1 050 kg : 6º <= Alpha <= 8º
Poste de 14 m , 1 350 kg : 9º <= Alpha <= 10º
- Esta estructura se utiliza para casos forzosos y especiales debidamente autorizados, ya que el mantenimiento implica desenergizar los dos circuitos.
DATOS ADICIONALES
Revisión #
2
Fecha de entrada en vigencia
Actividad de los usuarios
Para hacer comentarios debe iniciar sesión o registrarse aquí