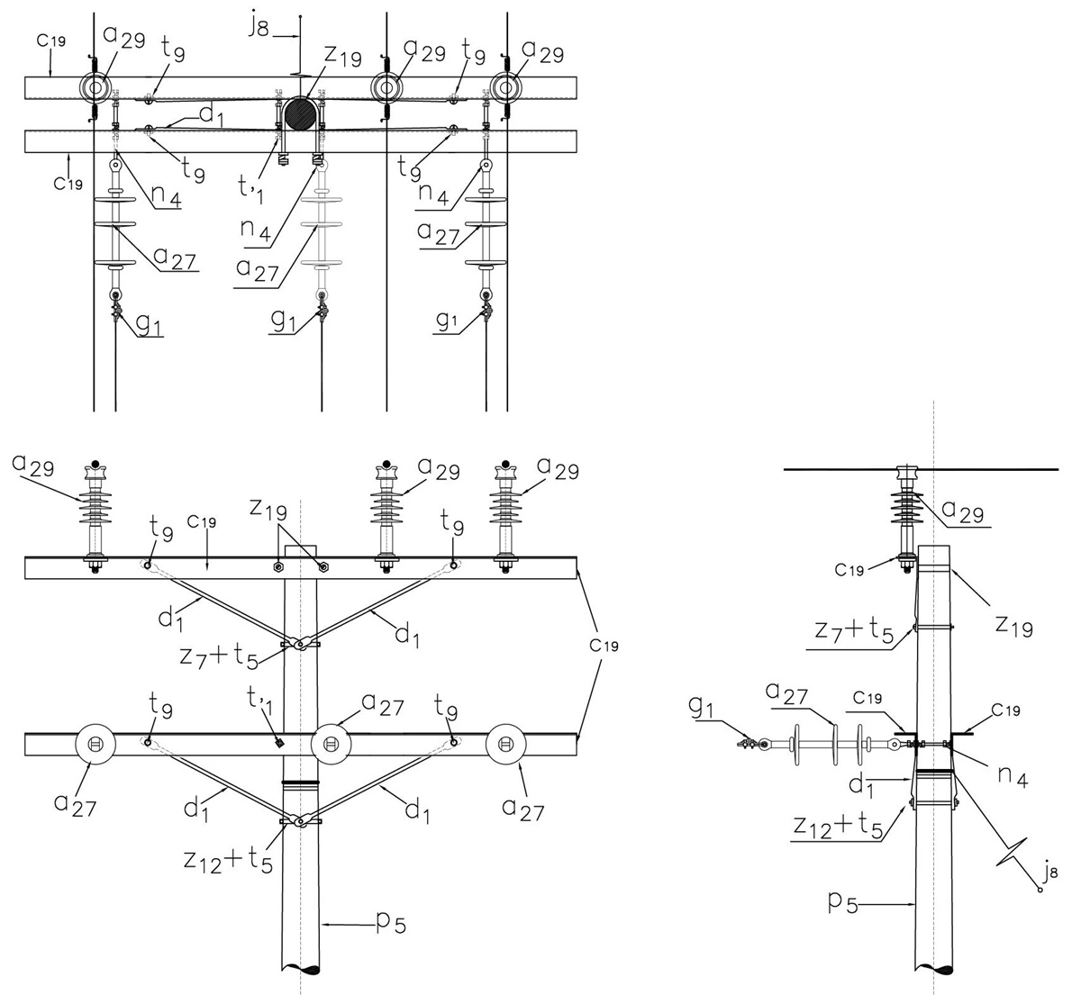
LA252 Circuito primario doble construcciones tangencial y terminal
- Contenido

LISTA DE MATERIALES
| SÍMB. | CANT. | CÓDIGO | ESP. TECNICA | DESCRIPCIÓN |
| a 27 | 3 | 300546 | GSCC010/01 | Aislador de suspensión polimérico 24 kV |
| a 29 | 3 | 300548 | GSCC010/14 | Aislador Line Post Compuesto Para Cruceta Metálica 24kV (1) |
| c 19 | 3 | ET-419 | Cruceta metálica de 2,5 m | |
| d 1 | 6 | 240083 | ET-405 | Diagonal metálica en varilla tipo 1 |
| g 1 | 3 | 251359 | ET-350 | Grapa terminal tipo recto para cables entre 3/0 AWG – 266,8 kcmil |
| j 8 | 1 | Templete (2)(3) | ||
| n 4 | 3 | 201020 | ET-461 | Perno de ojo tipo 4 (5/8” x 400 mm) |
| p 5 | 1 | 230957 | GSS002/44 | Poste de concreto de 12 m 750 kg (4) |
| t’ 1 | 1 | 251386 | ET-455 | Espárrago 5/8" x 12" |
| t 5 | 3 | 251363 | ET-456 | Tornillo de carruaje 5/8" x 1 1/2" |
| t 9 | 6 | 274482 | ET-457 | Tornillo de acero galvanizado 5/8" x 2" |
| z 7 | 1 | 274298 | ET-431 | Abrazadera de una salida tipo 2, 140 mm (5) |
| z 12 | 1 | 274295 | ET-432 | Abrazadera de dos salidas tipo 2, 140 mm (6) |
| z 21 | 1 | 274286 | ET-436 | Abrazadera en U tipo 3, 210 mm (7) |
ALTERNATIVAS:
(1) El aislador tipo Line Post puede incluir o no el porta aislador .
(2) Templete según se requiera, existen las siguientes opciones: LA 411 , LA 413 , LA 415 y LA 419 .
(3) En caso de no poder instalar templete utilizar poste con una carga mayor a 1350Kg.
(4) Poste metálico ( ET-208 ) o Poste de Fibra ( ET-205 ).
(5) La abrazadera que aparece en la lista es una referencia, consulte la ET-431 para su selección adecuada.
(6) La abrazadera que aparece en la lista es una referencia, consulte la ET-432 para su selección adecuada.
(7) La abrazadera que aparece en la lista es una referencia, consulte la ET-436 para su selección adecuada.
NOTA:
- Esta estructura se utiliza para casos forzosos y especiales debidamente autorizados, ya que el mantenimiento implica desenergizar los dos circuitos.
- El cable debe ser fijado al aislador Line Post de acuerdo a la norma LA 233 .
DATOS ADICIONALES
Revisión #
3
Fecha de entrada en vigencia
Actividad de los usuarios
Para hacer comentarios debe iniciar sesión o registrarse aquí