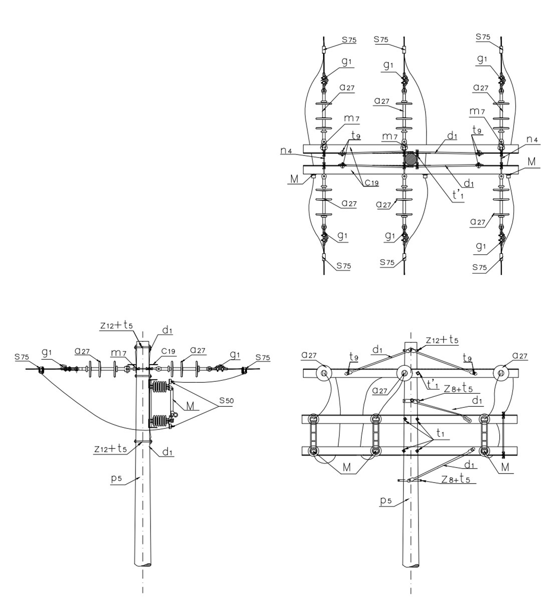
LA223 Montaje de seccionadores monopolares de 400 A - 15 kV
- Contenido


LISTA DE MATERIALES
| SÍMB. | CANT. | CÓDIGO | ESP. TÉCNICA | DESCRIPCIÓN |
| a27 | 6 | 300013 | GSCC010 | Aislador de suspensión compuesto horquilla 24 kV |
| c19 | 2 | 251506 | ET419 | Cruceta metálica de 2,5 m |
| d1 | 4 | 240083 | ET405 | Diagonal metálica en varilla 5/8" X 770 mm |
| g1 | 6 | 200635 | ET350 | Grapa tipo recto ACSR 1/0AWG–266,8Kcmil |
| M | 3 | 140995 | E-MT-006 | Seccionador monopolar 400 A 15 kV |
| m7 | 3 | 251362 | ET454 | Tuerca de ojo alargado 5/8” |
| n4 | 3 | 201020 | ET461 | Perno de ojo 5/8" x 406 mm |
| p5 | 1 | 230966 | GSS002 | Poste de concreto de 12 m 1050 kg (1) |
| S50 | 6 | 201064 | ET302 | CONEC BIMET T-PALA 4/0 AWG, 2 HUEC ½ (2) |
| s75 | 6 | 274320 | ET356 | Conector tipo cuña P=95 D=70mm² o 4/0-2/0AWG (3) |
| t5 | 8 | 251363 | ET456 | Tornillo de carruaje 5/8" x 1 1/2" |
| t9 | 4 | 274482 | ET457 | Tornillo de acero galvanizado 5/8" x 2" |
| Z8 | 2 | 274299 | ET431 | Abrazadera de una salida tipo 3, 180 mm(4) |
| z12 | 1 | 274295 | ET432 | Abrazadera de dos salidas tipo 2, 140 mm (5) |
ALTERNATIVAS:
- Poste metálico (GSS003) o Poste de Fibra (GSS004).
- El conector tipo pala que aparece en la lista es una referencia, consulte la ET302 para su selección adecuada.
- El conector tipo cuña que aparece en la lista es una referencia, consulte la ET356 para su selección adecuada.
- La abrazadera de una salida que aparece en la lista es una referencia, consulte la ET431 para su selección adecuada.
- La abrazadera de dos salidas que aparece en la lista es una referencia, consulte la ET432 para su selección adecuada.
DATOS ADICIONALES
Revisión #
4
Fecha de entrada en vigencia
Actividad de los usuarios
Para hacer comentarios debe iniciar sesión o registrarse aquí