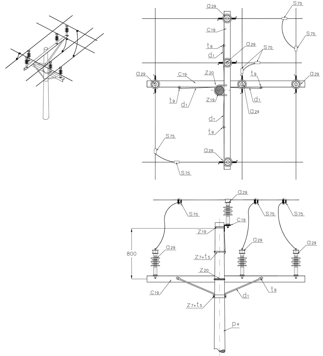
LA207 Circuito primario sencillo con doble derivación a 90º
- Contenido

LISTA DE MATERIALES
| SÍMB. | CANT. | CÓDIGO | ESP. TECNICA | DESCRIPCIÓN |
| a 29 | 6 | 300548 | GSCC010/14 | Aislador Line Post Compuesto Para Cruceta Metálica 24kV (1) |
| c 19 | 2 | ET-419 | Cruceta metálica de 2,5 m | |
| d 1 | 4 | 240083 | ET-405 | Diagonal metálica en varilla tipo 1 |
| p 4 | 1 | 230956 | GSS002/42 | Poste de concreto de 12 m 510 kg (2) |
| s 75 | 6 | 274320 | ET-356 | Conector tipo cuña P=95 D=70mm² o 4/0-2/0AWG (3) |
| t 5 | 2 | 251363 | ET-456 | Tornillo de carruaje 5/8" x 1 1/2" |
| t 9 | 4 | 274482 | ET-457 | Tornillo de acero galvanizado 5/8" x 2" |
| z 7 | 2 | 274298 | ET-431 | Abrazadera de una salida tipo 2, 140 mm (4) |
| z 19 | 1 | 274285 | ET-436 | Abrazadera en U tipo 1, 150 mm (5) |
| z 20 | 1 | 274293 | ET-436 | Abrazadera en U tipo 2, 180 mm (5) |
ALTERNATIVAS:
(1) El aislador tipo Line Post puede incluir o no el porta aislador .
(2) Poste metálico ( ET-208 ) o Poste de Fibra ( ET-205 ).
(3) El conector que aparece en la lista es una referencia, consulte la ET-356 para su selección adecuada.
(4) La abrazadera que aparece en la lista es una referencia, consulte la ET-431 para su selección adecuada.
(5) La abrazadera que aparece en la lista es una referencia, consulte la ET-436 para su selección adecuada.
NOTAS:
- El cable debe ser fijado al aislador Line Post de acuerdo a la norma LA 233 .
DATOS ADICIONALES
Revisión #
3
Fecha de entrada en vigencia
Actividad de los usuarios
Para hacer comentarios debe iniciar sesión o registrarse aquí