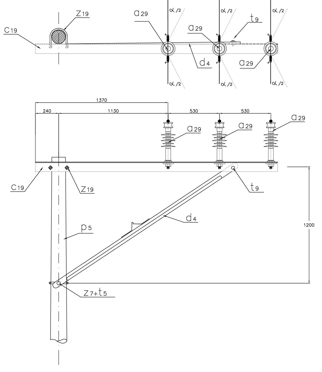
LA204 Circuito primario sencillo construcción tipo bandera con cruceta de 2,5 m
- Contenido

LISTA DE MATERIALES .
| SÍMB. | CANT. | CÓDIGO | ESP. TECNICA | DESCRIPCIÓN |
| a 29 | 3 | 300548 | GSCC010/14 | Aislador Line Post Compuesto Para Cruceta Metálica 24kV (1) |
| c 19 | 1 | ET-419 | Cruceta metálica de 2,5 m | |
| d 4 | 1 | 240080 | ET-406 | Diagonal metálica en ángulo tipo 3 |
| p 5 | 1 | 230957 | GSS002/44 | Poste de concreto de 12 m 750 kg (2) |
| t 5 | 1 | 251363 | ET-456 | Tornillo de carruaje 5/8" x 1 1/2" |
| t 9 | 1 | 274482 | ET-457 | Tornillo de acero galvanizado 5/8" x 2" |
| z 7 | 1 | 274298 | ET-431 | Abrazadera de una salida tipo 2, 140 mm (3) |
| z 19 | 1 | 274285 | ET-436 | Abrazadera en U tipo 1, 150 mm (4) |
ALTERNATIVAS:
(1) El aislador tipo Line Post puede incluir o no el porta aislador .
(2) Poste metálico ( ET-208 ) o Poste de Fibra ( ET-205 ).
(3) La abrazadera que aparece en la lista es una referencia, consulte la ET-431 para su selección adecuada.
(4) La abrazadera que aparece en la lista es una referencia, consulte la ET-432 para su selección adecuada.
NOTA:
- El cable debe ser fijado al aislador Line Post de acuerdo a la norma LA 233 .
- Este montaje se utiliza para separar el circuito primario de techos, voladizos, balcones, ventanas y cualquier otro tipo de acercamiento que cumpla con la norma LA 007 de distancias mínimas de seguridad . Se requiere por lo menos una separación de 117 centímetros del centro del poste a los lugares ya mencionados.
- El ángulo de deflexión (alpha) según el poste corresponde a:
- Poste de 12 m , 510 kg : 0° <= alpha <= 6°
- Poste de 12 m , 750 kg : 7° <= alpha <= 10°
- Poste de 12 m , 1 050 kg : 11° <= alpha <= 15°
DATOS ADICIONALES
Revisión #
3
Fecha de entrada en vigencia
Actividad de los usuarios
Para hacer comentarios debe iniciar sesión o registrarse aquí