LA515-B Red 11,4 kV o 13,2 kV Montaje de seccionalizador (SZ) bandera. Con SPT en doble fleje
- Contenido
.jpg)
figura 1. Vista frontal
.jpg)
figura 2. Vista isométrica
.jpg)
figura 3. Vista lateral
.jpg)
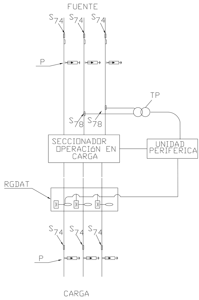
figura 5. Esquema eléctrico
LISTADO DE MATERIALES
| SÍMB. | CANT. | CÓDIGO | ESP. TÉCNICA | DESCRIPCIÓN |
| a 27 | 6 | 300546 | GSCC010 | Aislador de suspensión compuesto 24kV |
| c 19 | 3 | 251506 | ET419 | Cruceta metálica de 2,5 m |
| cs 1 | 15 | 330620 | ET103 | Cable semiaislado AAAC 100 mm 2 15 kV |
| d 4 | 6 | 240082 | ET406 | Diagonal metálica en ángulo tipo 2 |
| g 0 | 6 | 251378 | ET350 | Grapa terminal tipo recto para cables entre 6 AWG – 3/0 AWG |
| h 15 | ET447 | Soporte SZ en bandera | ||
| j 3 | 1 | 780182 | ET450 | Cinta en Acero inoxidable 5/8 " x 30,48 m |
| j´ 3 | 2 | 780351 | ET450 | Hebilla 5/8" de Acero Inoxidable |
| m 7 | 3 | 251362 | ET454 | Tuerca de ojo alargada 5/8 ” |
| n 5 | 3 | 201013 | ET461 | Perno de ojo tipo 5 ( 5/8 ” x 545 mm) |
| o 45 | 4 | 310418 | ET121 | Metros de cable desnudo de cobre calibre 4 AWG |
| P | 6 | 170892 | GSCC016 | DPS- Descargador de sobretensión de óxido metálico 12 kV, 10 kA |
| PT | 1 | 531271 | GSCT004 | 11.4-13.2 kV |
| p 6 | 1 | 230966 | GSS002 | Poste Concreto 12 m 1 050 kgf |
| RGDAT | 1 | 510341 | Detector de Corrientes de Falla y Ausencia de Tensión para redes de media tensión RGDAT exterior | |
| s 50 | 12 | 201059 | ET302 | Conector bimetálico terminal de compresión tipo pala 1 hueco, 4/0AWG |
| s 55 | 6 | ET302 | Conector bimetálico terminal de compresión tipo pala 1 hueco M16, 4/0AWG. | |
| s 74 | 15 | 274318 | ET356 | Conector tipo cuña P=120 D=120mm² o 4/0-4/0AWG |
| s 78 | 2 | 274332 | ET356 | Conector tipo cuña P=95 D=25mm² (4/0AWG /4 AWG) |
| t 0 | 2 | ET455 | Espárrago de 16 x 200 mm (5/8" x 8") | |
| t 2 | 2 | 251375 | ET455 | Espárrago de 16 x 508 mm (5/8" x 20") |
| t 5 | 4 | 251363 | ET456 | Tornillo de carruaje 5/8” x 1 1/2” |
| t 10 | 14 | 251364 | ET457 | Tornillo de acero galvanizado 5/8” x 5” |
| t 12 | 4 | 251552 | ET457 | Tornillo de acero galvanizado 5/8" x 10" |
| t 15 | 10 | 251377 | ET457 | Tornillo de acero galvanizado 1/2" x 6" |
| UP | 1 | 163303 | Unidad Periférica, Tipo Exterior | |
| u 1 | 1 | 201147 | ET492 | Kit de puesta a tierra en acero |
| z 1 | 1 | 274287 | ET433 | Abrazadera sin salida tipo 4, 200 mm |
| z 8 | 1 | 274299 | ET431 | Abrazadera de una salida tipo 3, 180 mm |
| z 14 | 1 | 274311 | ET432 | Abrazadera de dos salidas tipo 4, 200 mm |
| z 21 | 2 | 274286 | ET436 | Abrazadera en U tipo 3, 210 mm |
NOTAS:
- Deben cumplirse las distancias en poste de la norma LA015 .
- En caso de presencia de red abierta de baja tensión debe cambiarse a red trenzada.
- En este poste no se permite la instalación de fuentes, amplificadores y otros equipos de Telemáticos.
- En caso que no se cumplan las distancias de seguridad en vertical debe cambiarse el poste por uno de 14 m o instalarse el equipo en un poste cercano.
- El PT (Transformador de Potencial), debe entregar a la salida la tensión de alimentación de la UP, Unidad Periférica.
- El PT (Transformador de Potencial), debe energizarse del lado de la fuente.
- El RGDAT (Rivelatore di Guasto Direzionale e Di Assenza Tensione), debe conectarse del lado de carga .
- El sistema de puesta a tierra debe diseñarse, instalarse y verificarse de acuerdo a las normas LA400 y LAR400 .
- Utilizar amarres plásticos para fijar al soporte de la RGDAT el ducto flexible que sale desde cada sensor a la caja de conexiones.
- El diagrama de detalle del SPT se encuentra en la ET492 .
DATOS ADICIONALES
Revisión #
0
Fecha de entrada en vigencia
Actividad de los usuarios
Para hacer comentarios debe iniciar sesión o registrarse aquí