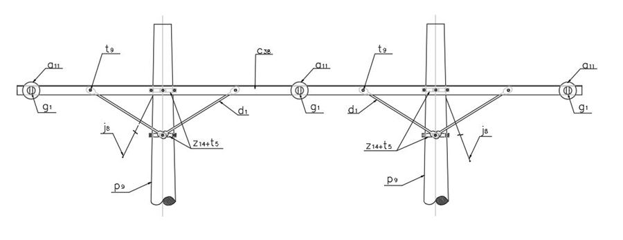
LAR173 Línea rural 34,5 kV estructura en H de retención horizontal con cruceta de seis metros
- Contenido
LISTA DE MATERIALES
| SÍMB. | CANT. | CÓDIGO SAP | ESP. TÉCNICA | DESCRIPCIÓN |
| a 11 | 6 | 300011 | GSCC010 | Aislador de suspensión polimérico 36 kV |
| c 38 | 2 | 251504 | ET419 | Cruceta metálica 6 m |
| d 1 | 8 | 240084 | ET405 | Diagonal metálica en varilla tipo 2 (3/4" x 770mm) (6) |
| g 1 | 6 | 251359 | ET350 | Grapa terminal tipo recto para cables entre 3/0 AWG – 266,8 kcmil (4) |
| j 8 | 4 | 310410 | EMT028 | Templete (1) |
| m 7 | 3 | 251362 | ET454 | Tuerca de ojo alargado 5/8" |
| n 4 | 3 | 201020 | ET461 | Perno de ojo tipo 4 (5/8" x 400 mm ) |
| p 9 | 2 | 230960 | GSS002/44 | Poste de concreto 14 m , 1050 kg (2) |
| s 75 | 3 | 274320 | ET-356 | Conector cuña p=95 d=70mm2 o 4/0-2/0awg (7) |
| z 14 | 4 | 274311 | ET432 | Abrazadera de dos salidas de 1 ½” x ¼” tipo 4 (200mm) |
| t 9 | 8 | 274482 | ET457 | Tornillo de acero galvanizado 5/8" x 2" |
| t 5 | 8 | 251363 | ET456 | Tornillo de carruaje tipo 2 (5/8” x 1 1/2") |
(1) Según se requiera LAR 412 , LAR 413 , LAR 414 y LAR 415 .
(2) Poste metálico ET-208 o Poste de Fibra ET-205 .
(3) Aislador de suspensión ANSI 52-3.
(4) Para conductor 6 AWG – 3/0 AWG, utilizar grapa terminal tipo recto g 0 .
(5) Abrazadera de dos salidas z 12 y tornillos de carruaje t 5 .
(6) Solo para conductores 4/0 AWG y 266,8 kcmil.
(7) El conector que aparece en la lista es una referencia, consultar la ET-356 para su selección adecuada y la Norma LA 011 de utilización de conectores en líneas Aéreas de 11,4 kV, 13,2 kV y 34,5 Kv.
NOTAS DE UTILIZACIÓN:
- Vano viento máximo 480 m
- Vano peso máximo 1 100 m
- Ángulo máximo de deflexión 45°
- Ver disposición horizontal de templetes en LAR 411 .
- Para conductores > 4/0 AWG, poste de concreto 14 m , 1 050 kg o madera tipo pesado.
| CONDUCTOR | TEMPLETES | |
| UBICACIÓN (NIVEL) | ÁNGULO DE INCLINACIÓN CON LA VERTICAL EN (°) | |
| 266,8 kcmil | Fases | 40 |
| 4/0 AWG | Fases | 35 |
| <= 2/0 AWG | Fases | 30 |
DATOS ADICIONALES
Revisión #
3
Fecha de entrada en vigencia
Actividad de los usuarios
Para hacer comentarios debe iniciar sesión o registrarse aquí