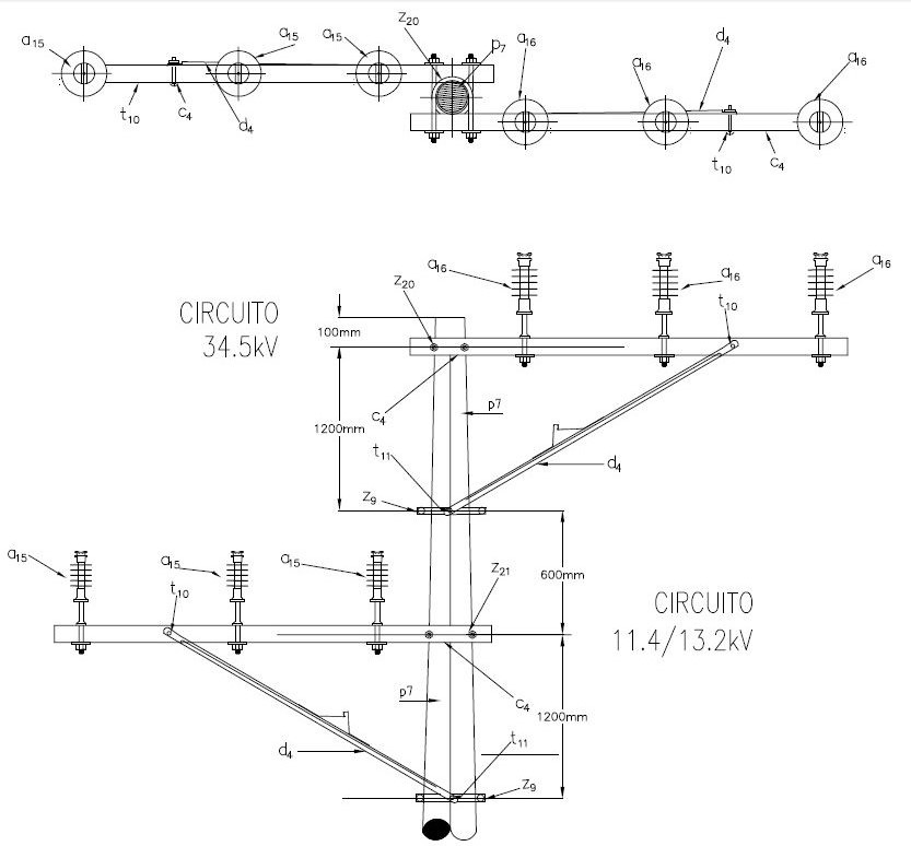
LAR150 Circuito 34,5 kV en bandera con circuito en bandera 11.4/13.2 kV
- Contenido
LISTA DE MATERIALES
| SÍMB. | CANT. | CÓDIGO | ESP. | DESCRIPCIÓN |
| SAP | TÉCNICA | |||
| a 15 | 3 | T300023 | GSC0010/14 | Line post, CLP 13-150/550, pollution medium, Um <= 24 kV. Aislador Line Post compuesto 24 kV, 13 kN, distancia de fuga 550 mm, BIL 150 kV |
| a 16 | 3 | T300022 | GSC0010/18 | Line post, CLP 13-200/530, pollution light, Um <= 36 kV. Aislador Line Post compuesto 36 kV, 13 kN, distancia de fuga 530 mm, BIL 200 kV |
| c 4 | 2 | 6762481 | ET-401 | Cruceta de madera de 2,5 m |
| d 4 | 2 | ET-406 | Diagonal metálica en ángulo tipo 3 | |
| p 7 | 1 | 6762453 | GSS002 | Poste de concreto de 14 m, 750 kg (1) |
| t 10 | 2 | 6762213 | ET-457 | Tornillo de acero galvanizado de 5/8” x 5” |
| t 11 | 2 | 6762592 | ET-457 | Tornillo de acero galvanizado de 5/8” x 8” (2) |
| t 5 | 2 | 6762212 | ET-456 | Tornillo de carruaje 5/8” x 1 ½” tipo 2 |
| z 20 | 1 | 6762202 | ET-436 | Abrazadera en U tipo 2 |
| z 21 | 1 | 6762175 | ET-436 | Abrazadera en U tipo 3 |
| z 9 | 2 | 6762237 | ET-431 | Abrazadera de una salida tipo 4 |
| t 5 | 12 | 6762212 | ET-456 | Tornillo carruaje 5/8” x 1 1/2" |
| o 84 | 1 | E-TM-002 | Conductor para puesta a tierra (Cu calibre 4/0 AWG) | |
| U | 1 | Accesorios para puesta a tierra | ||
| z 14 | 3 | 6762313 | ET-432 | Abrazadera de dos salidas tipo 4, 200 mm |
| z 15 | 3 | 6762308 | ET-432 | Abrazadera de dos salidas tipo 5, 250 mm |
ALTERNATIVAS:
(1) Poste metálico de 14 m en sitios de difícil acceso. El poste que aparece en la lista es una referencia.
(2) Abrazadera de una salida z8 y tornillo carruaje t5.
NOTAS:
- El ángulo de deflexión (? ) según el poste corresponde a:
Poste de concreto 14 m, 750 kg: 10° <= alpha <= 5°
Poste de concreto 14 m, 1 050 kg: 6° <= alpha <= 8°
Poste de concreto 14 m, 1 350 kg: 9° <= alpha <= 10°
- Se deberá validar su uso en sitios que cumplan distancias de seguridad acorde con RETIE
DATOS ADICIONALES
Revisión #
0
Fecha de entrada en vigencia
Actividad de los usuarios
Para hacer comentarios debe iniciar sesión o registrarse aquí