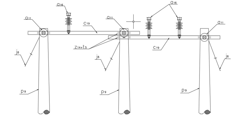
LAR143 Línea rural 34,5 kV estructura de retención horizontal en tres postes
- Contenido
LISTA DE MATERIALES
| SÍMB. | CANT. | CÓDIGO SAP | ESP. TÉCNICA | DESCRIPCIÓN |
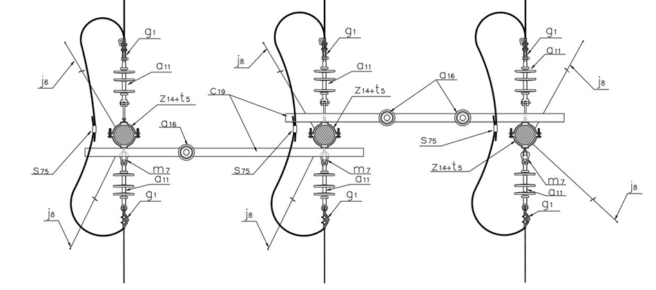
| a 11 | 6 | 300011 | GSCC010 | Aislador de suspensión polimérico de 36kV |
| a 16 | 3 | 300012 | GSCC010 | Aislador LinePost polimérico 36kV para cruceta metálica |
| c 19 | 2 | 251505 | ET419 | Cruceta metálica 2.5m |
| g 1 | 6 | 251359 | ET350 | Grapa terminal tipo recto para cables entre 3/0 AWG–266,8 kcmil (4) |
| j 8 | 6 | 310410 | EMT 028 | Templete (2) |
| m 7 | 3 | 251362 | ET454 | Tuerca de ojo alargado 5/8" |
| n 4 | 3 | 201020 | ET461 | Perno de ojo tipo 4 (5/8" x 400 mm ) |
| p 9 | 3 | 230960 | GSS002/44 | Poste de concreto 14 m , 1050 kg (1) |
| t 5 | 8 | 251363 | ET456 | Tornillo de carruaje tipo 2 (5/8" x 1 1/2") |
| s 75 | 3 | 274320 | ET356 | Conector cuña p=95 d=70mm2 o 4/0-2/0AWG |
| z 14 | 4 | 274311 | ET432 | Abrazadera de dos salidas de 1 1/2" x 1/4" tipo 4 (200mm) |
ALTERNATIVAS:
(1) Postes de madera de 14 m (pesado).
(2) Según se requiera LAR 412 , LAR 413 , LAR 414 y LAR 415 .
(3) Aislador de suspensión ANSI 52-3.
(4) Para conductor 6 AWG – 3/0 AWG, utilizar grapa terminal tipo recto g 0 .
NOTAS DE UTILIZACIÓN:
- Vano viento máximo 650 m
- Vano peso máximo 1 500 m
- Ángulo máximo de deflexión 45°
- Ver disposición horizontal de templetes en LAR 411 .
ASPECTOS DE AISLAMIENTO:
- Utilización en terreno tipo A.
- Utilización en terreno tipo B y nivel ceráunico máximo 70.
- Para utilización en otras condiciones aplicar métodos de apantallamiento ( LAR 450 ).
| CONDUCTOR | TEMPLETES | |
| UBICACIÓN (NIVEL) | ÁNGULO DE INCLINACIÓN | |
| CON LA VERTICAL EN (°) | ||
| 266,8 kcmil | Fases | 30 |
| 4/0 AWG | Fases | 30 |
| <= 2/0 AWG | Fases | 30 |
DATOS ADICIONALES
Revisión #
3
Fecha de entrada en vigencia
Actividad de los usuarios
Para hacer comentarios debe iniciar sesión o registrarse aquí