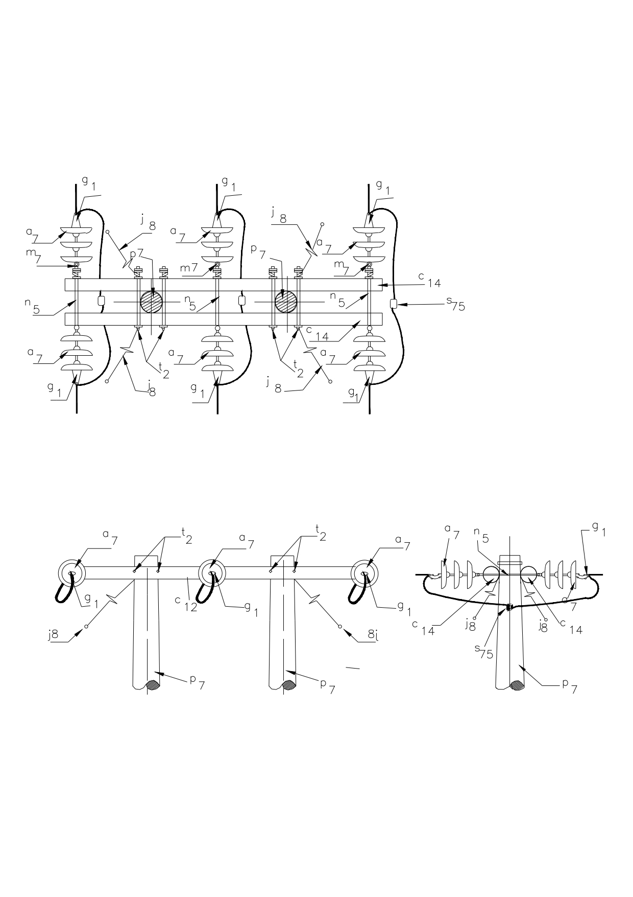
LAR123 Línea rural 34,5 kV estructura en H de retención horizontal
- Contenido

LISTA DE MATERIALES
| SÍMB. | CANT. | CÓDIGO SAP | ESP. TÉCNICA | DESCRIPCIÓN |
| a 7 | 18 | 300011 | GSCC010 | Aislador de suspensión ANSI 52-4 (1) |
| c 12 | 2 | 251508 | ET-419 | Cruceta metálica de 4 m |
| g 1 | 6 | 6762180 | ET-350 | Grapa terminal tipo recto para cables entre 3/0 AWG - 266,8 kcmil (4) |
| j 8 | 4 | Templete (2) | ||
| m 7 | 3 | 6762209 | ET-454 | Tuerca de ojo alargado 5/8" |
| n 5 | 3 | 6762181 | ET-461 | Perno de ojo tipo 5 (5/8" x 545 mm ) |
| p 7 | 2 | 230958 | GSS002 | Poste de concreto 14 m , 750 kg (3) |
| s 75 | 3 | 274320 | ET-356 | Conector cuña p=95 d=70mm2 o 4/0-2/0awg |
| t 2 | 4 | 6762255 | ET-455 | Espárrago de 16 x 508 mm (5/8" x 20" ) |
ALTERNATIVAS:
(1) Aislador de suspensión ANSI 52-3
(2) Según se requiera LAR 412 , LAR 413 , LAR 414 y LAR 415 .
(3) Postes de madera de 14 m (liviano).
(4) Para conductor 6 AWG – 3/0 AWG utilizar grapa terminal tipo recto g 0 .
NOTAS DE UTILIZACIÓN:
- Vano viento máximo 400 m
- Vano peso máximo 1 000 m
- Ángulo máximo de deflexión 45°
- Ver disposición horizontal de templetes en LAR 411 .
| CONDUCTOR | TEMPLETES | |
| UBICACIÓN (NIVEL) | ÁNGULO DE INCLINACIÓN CON LA VERTICAL EN (°) | |
| 266,8 kcmil – 4/0 AWG | Fases | 35 |
| <= 2/0 AWG | Fases | 30 |
DATOS ADICIONALES
Revisión #
2
Fecha de entrada en vigencia
Actividad de los usuarios
Para hacer comentarios debe iniciar sesión o registrarse aquí