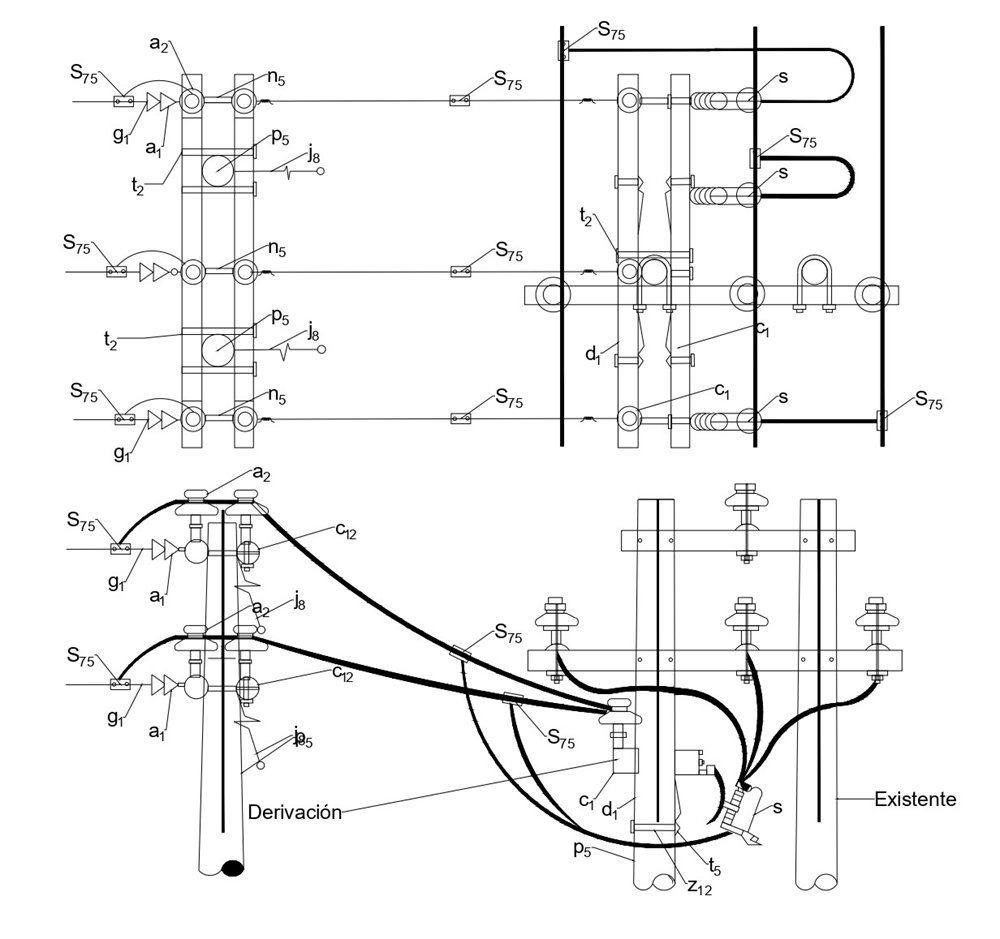
LAR279 Línea rural 13, 2 –11,4 kV derivación trifásica triangular de H a H
- Contenido

LISTA DE MATERIALES
| SÍMB. | CANT. | CÓDIGO SAP | ESP. TÉCNICA | DESCRIPCIÓN |
| a 1 | 6 | 300013 | GSCC010 | Aislador Suspensión Compuesto 24 kV |
| a 2 | 9 | 300527 | E-MT-011 | Aislador de pin ANSI 55-5 |
| c 4 | 4 | 251506 | ET419 | Cruceta metálica de 2,5 m |
| c 12 | 2 | 251508 | ET419 | Cruceta metálica de 4 m |
| d 1 | 4 | 6762466 | ET405 | Diagonal metálica en varilla tipo 1 |
| g 1 | 3 | 6762180 | ET350 | Grapa terminal tipo recto para cables entre 3/0 AWG - 266,8 kcmil |
| j 8 | 2 | Templete (1) | ||
| n 5 | 3 | 6762181 | ET461 | Perno de ojo tipo 5 (5/8" x 545 mm ) |
| p 5 | 2 | 230957 | GSS002 | Poste de concreto de 12 m , 750 kg (2) |
| r 1 | 9 | 201073 | ET414 | Porta aislador pasante 34,5 kV |
| S | 3 | 140991 | E-MT-001 | Corta circuito de cañuela 100 A , 15 kV (3) |
| s 75 | 3 | 274320 | ET-356 | Conector cuña p=95 d=70mm2 o 4/0-2/0awg |
| t 1 | 8 | 6762183 | ET455 | Espárrago 5/8" x 18" |
| t 10 | 4 | 6762213 | ET457 | Tornillo de acero galvanizado 5/8" x 5" |
| t 2 | 4 | 6762255 | ET455 | Espárrago de 1 6x 508 mm (5/8" x 20" ) |
| t 5 | 2 | 6762212 | ET456 | Tornillo de carruaje 5/8" x 1 ½” |
| z 12 | 1 | 6762204 | ET436 | Abrazadera de dos salidas tipo 2 |
ALTERNATIVAS:
(1) Según se requiera LAR 412 , LAR 413 y LAR 414
(2) Poste de concreto de 12 m pesado
(3) Para fusibles ver E-MT-001 de protección primaria de transformadores de distribución.
NOTA:
- Si la construcción es nueva incluir materiales de la norma que aparece como existente.
DATOS ADICIONALES
Revisión #
LAR 279
Fecha de entrada en vigencia
Actividad de los usuarios
Para hacer comentarios debe iniciar sesión o registrarse aquí