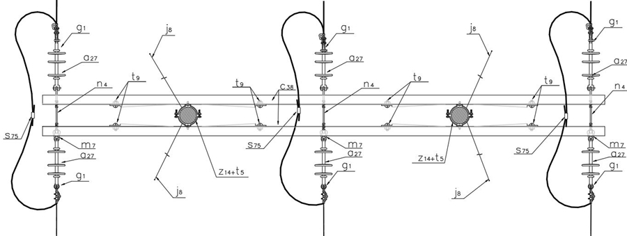
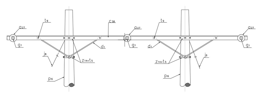
LAR273 Línea rural 13,2 – 11,4 kV estructura en H de retención horizontal con crucetas de seis metros
- Contenido
LISTA DE MATERIALES
| SÍMB. | CANT. | CÓDIGO SAP | ESP. TÉCNICA | DESCRIPCIÓN |
| a 27 | 6 | 300013 | GSCC010 | Aislador de suspensión polimérico 24 kV |
| c 38 | 2 | 251504 | ET419 | Cruceta metálica 6 m |
| d 1 | 8 | 240084 | ET405 | Diagonal metálica en varilla tipo 2 (3/4" x 770mm) (4) |
| g 1 | 6 | 251359 | ET350 | Grapa terminal tipo recto para cables entre 3/0 AWG – 266,8 kcmil |
| j 8 | 4 | 310410 | EMT028 | Templete (1) |
| m 7 | 3 | 251362 | ET454 | Tuerca de ojo alargado 5/8" |
| n 4 | 3 | 201020 | ET461 | Perno de ojo tipo 4 (5/8” x 400 mm ) |
| p 6 | 2 | 230966 | GSS002/44 | Poste de concreto de 12 m , 1050 kg (2) |
| s 75 | 3 | 274320 | ET-356 | Conector cuña p=95 d=70mm2 o 4/0-2/0awg |
| z 14 | 4 | 274311 | ET432 | Abrazadera de dos salidas de 1 ½” x ¼” tipo 4 (200mm) |
| t 9 | 8 | 274482 | ET457 | Tornillo de acero galvanizado de 5/8” x 2” |
| t 5 | 8 | 251363 | ET456 | Tornillo de carruaje tipo 2 (5/8” x 1 1/2") (3) |
(1) Según se requiera LAR 412 , LAR 413 y LAR 414 .
(2) Dos postes de madera de 12 m tipo pesado.
(3) Dos abrazaderas z 12 de dos salidas tipo 2 y dos tornillos de carruaje t 5 .
(4) Sólo se utiliza para conductor 4/0 AWG .
NOTAS DE UTILIZACIÓN:
- Vano viento máximo 530 m .
- Vano peso máximo 1 100 m .
- Ángulo máximo de deflexión 45° .
- Ver disposición horizontal de templetes en LAR 411 .
- Para conductor 4/0 AWG poste de concreto de 12 m , 1 050 kg o poste de madera de 12 m extrapesado.
| CONDUCTOR | TEMPLETES | |
| UBICACIÓN ( NIVEL) | ÁNGULO DE INCLINACIÓN CON LA VERTICAL EN (°) | |
| 4/0 AWG | FASES | 35 |
| <= 2/0 AWG | FASES | 30 |
DATOS ADICIONALES
Revisión #
3
Fecha de entrada en vigencia
Actividad de los usuarios
Para hacer comentarios debe iniciar sesión o registrarse aquí