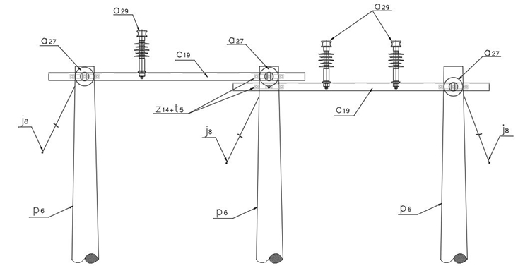
LAR243 Línea rural 13,2 – 11,4 kV estructura de retención horizontal en tres postes
- Contenido
LISTA DE MATERIALES
| SÍMB. | CANT. | CÓDIGO SAP | ESP. TÉCNICA | DESCRIPCIÓN |
| a 27 | 6 | 300013 | GSCC010 | Aislador de suspensión polimérico de 24kV |
| a 29 | 3 | 300010 | GSCC010 | Aislador LinePost polimérico 24kV para cruceta metálica |
| c 19 | 2 | 251506 | ET-419 | Cruceta metálica 2.5m |
| g 1 | 6 | 251359 | ET-350 | Grapa terminal tipo recto para cables entre 3/0 AWG - 266,8 kcmil |
| j 8 | 6 | 310410 | EMT 028 | Templete (2) |
| m 7 | 3 | 251362 | ET-454 | Tuerca de ojo alargado 5/8" |
| n 24 | 3 | 201020 | ET-461 | Perno de ojo tipo 4 (5/8” x 400 mm ) (3) |
| p 6 | 3 | 230966 | GSS002/44 | Poste de concreto de 12 m , 1050 kg |
| t 5 | 8 | 251363 | ET-456 | Tornillo de carruaje tipo 2 (5/8" x 1 1/2") |
| s 75 | 3 | 274320 | ET-356 | Conector cuña p=95 d=70mm2 o 4/0-2/0AWG |
| z 14 | 4 | 274311 | ET-432 | Abrazadera de dos salidas de 1 1/2" x 1/4" tipo 4 (200mm) |
(1) Tres postes de madera de 12 m tipo pesado.
(2) Según se requiera LAR 412 , LAR 413 y LAR 414 .
(3) Tornillo de acero galvanizado t 10 y tuerca de ojo m 7 .
NOTAS DE UTILIZACIÓN:
- Vano viento máximo 650 m
- Vano peso máximo 1 500 m
- Ángulo máximo de deflexión 45°
- Ver disposición horizontal de templetes en LAR 411 .
ASPECTOS DE AISLAMIENTO:
- Utilización en terreno tipo A.
- Utilización en terreno tipo B y nivel ceráunico máximo 70.
- Para utilización en otras condiciones aplicar métodos de apantallamiento LAR 450 .
| CONDUCTOR | TEMPLETES | |
| UBICACIÓN ( NIVEL) | ÁNGULO DE INCLINACIÓN CON LA VERTICAL EN (°). | |
| 4/0 AWG | Fases | 30 |
| <= 2/0 AWG | Fases | 30 |
DATOS ADICIONALES
Revisión #
3
Fecha de entrada en vigencia
Actividad de los usuarios
Para hacer comentarios debe iniciar sesión o registrarse aquí