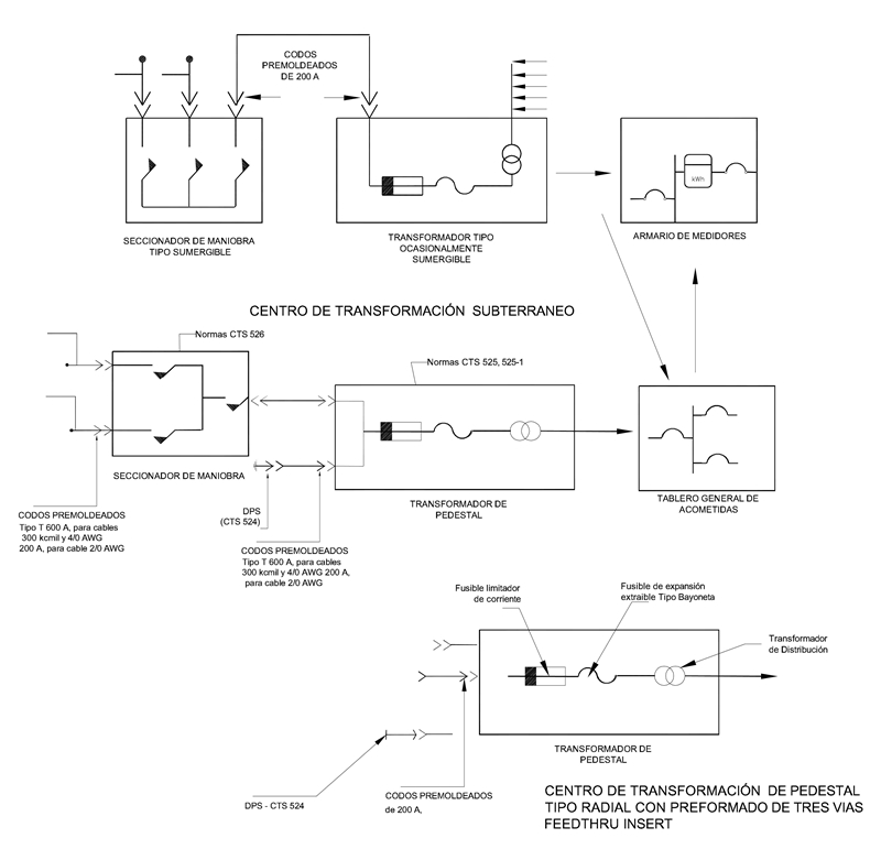
FIG 5.6 Configuración centros de transformación de pedestal y subterráneo (Nivel 2)
- Contenido
NOTA : Los transformadores tipo pedestal únicamente aplican para los casos que el tercero construya su propia infraestructura.
DATOS ADICIONALES
Revisión #
FIG 5.6
Fecha de entrada en vigencia
Actividad de los usuarios
Para hacer comentarios debe iniciar sesión o registrarse aquí