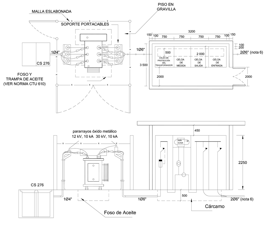
CTS552-1 Centro de transformación industrial 34,5 kV. Instalación exterior del transformador y celdas en local

  • Contenido


Notas:
  1. Las distancias indicadas se expresan en milímetros.
  2. La altura de la puerta de acceso al local será mayor en 200 mm al alto de la celda más grande.
  3. La altura mínima del techo será la altura de la celda más 450 mm..
  4. Los tubos para entrada y salida de cables de m.t. Y 34.5 kv se deben sellar para evitar el ingreso de agua al local.
  5. El número de ductos de llegada dependen de la configuración del circuito de alimentación: entrada / salida o derivación.
  6. Todo transformador con aceite dieléctrico cuya capacidad sea igual o superior a 112,5 kVA deberá tener un foso para el aceite con capacidad de contener el 100 % del volumen total de aceite del transformador a instalar.
DATOS ADICIONALES
Revisión #

2

Fecha de entrada en vigencia

HERRAMIENTAS
RELACIONADAS

Actividad de los usuarios

Estado del comentario