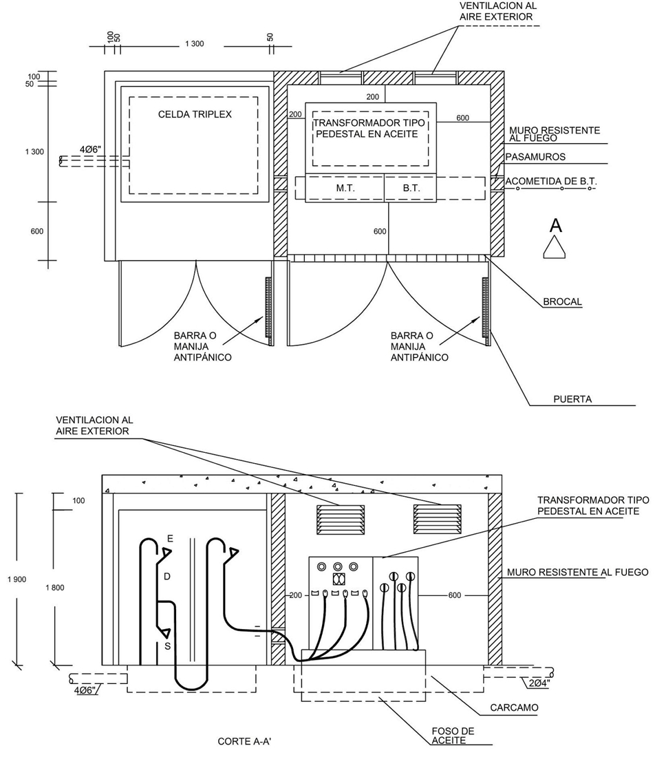
CTS530 Centro de transformación de pedestal con transformador en aceite y celda triplex
- Contenido
NOTAS:
- Dimensiones en milímetros.
- La celda triplex consta de seccionadores para entrada, salida y derivación sin fusible (no requiere fusible por que el transformador de pedestal tiene sus propias protecciones). Se puede aceptar celda dúplex en caso que el transformador de pedestal tenga seccionador de encendido o apagado (ON/OFF).
- Las hojas de las puertas no deben ser menores a 900 mm y deben llevar cerradura antipánico según RETIE.
- Para proyectos de desarrollo urbanístico nuevo se utilizará bancos de ductos de 6”. El ingreso a la subestación desde el frente del inmueble exterior también será en ductos de 4 Ø 6".
- En frente de inmuebles de proyectos nuevos, si la canalización existente es de 4”, la continuación y derivación se realizará en banco de ductos de 4”, excepto si hay proyectos de expansión de la compañía en la ruta que indiquen el uso de bancos de ductos de 6”.
- Los transformadores tipo pedestal únicamente aplican para los casos que el tercero construya su propia infraestructura.
- Para proyectos nuevos de la red de uso general de Enel Colombia no se permiten transformadores tipo pedestal
DATOS ADICIONALES
Revisión #
3
Fecha de entrada en vigencia
Actividad de los usuarios
Para hacer comentarios debe iniciar sesión o registrarse aquí