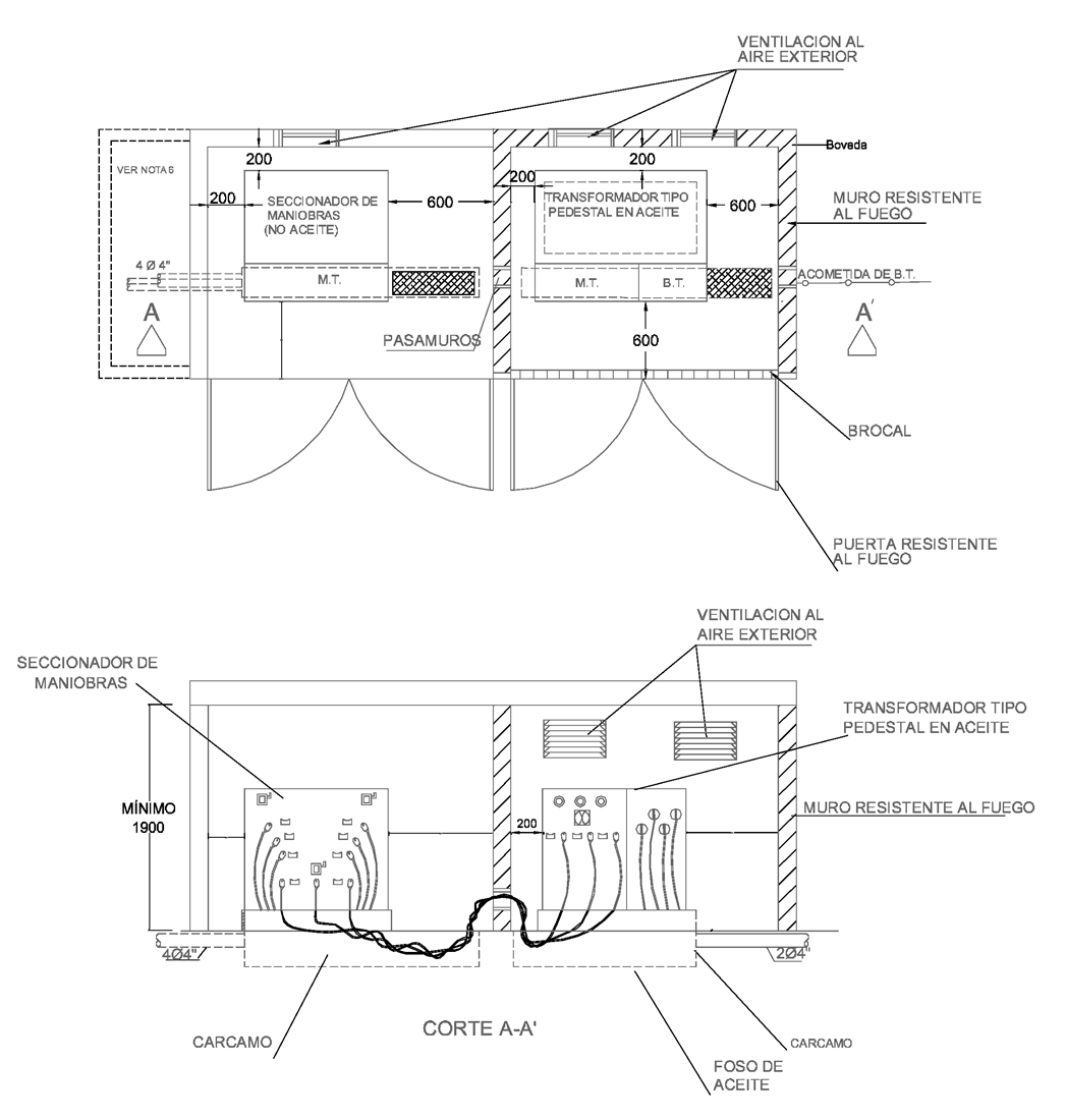
CTS528 Centro de transformación de pedestal. Instalación y acceso exterior
- Contenido
NOTAS:
- Dimensiones en milímetros y las medidas indicadas son mínimas.
- Las dimensiones del local dependerán del equipo que se utilice. Estas distancias aqui dadas son la´s mínimas de trabajo y seguridad requeridas. Los equipos deben permitir abrir sus puertas por lo menos 90°. Articulo 110-32 de la Norma NTC 2050.
- Se requiere ventilación adecuada al exterior.
- El seccionador y el transformador pueden instalarsen debidamente anclados en el piso o en su base.
- Cuando sea necesario trabajar en la parte posterior del local, se debe prever una distancia adecuada entre los equipos y la pared del local.
- Si la acometida de M.T. es por encima como se muestra en la opción "A" de las normas CTS501 y CTS501-1 deben aumentarse las dimensiones del local para alojar el ducto portacable.
- Los transformadores tipo pedestal únicamente aplican para los casos que el tercero construya su propia infraestructura.
- Para proyectos nuevos de la red de uso general de Enel Colombia no se permiten transformadores tipo pedestal
DATOS ADICIONALES
Revisión #
2
Fecha de entrada en vigencia
Actividad de los usuarios
Para hacer comentarios debe iniciar sesión o registrarse aquí