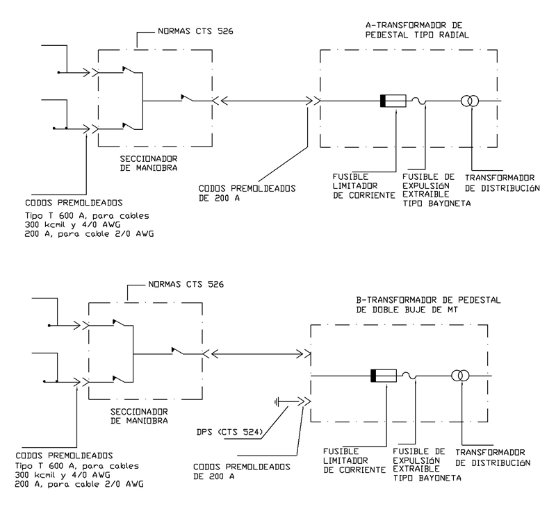
CTS520-1 Diagrama unifilar. Centros de transformación de pedestal
- Contenido
Figura 1
Figura 2
NOTA : Los transformadores tipo pedestal únicamente aplican para los casos que el tercero construya su propia infraestructura.
DATOS ADICIONALES
Revisión #
2
Fecha de entrada en vigencia
Actividad de los usuarios
Para hacer comentarios debe iniciar sesión o registrarse aquí