CTS540-2 Centro de transformación de local. Obra civil en zona verde
- Contenido
NOTAS :
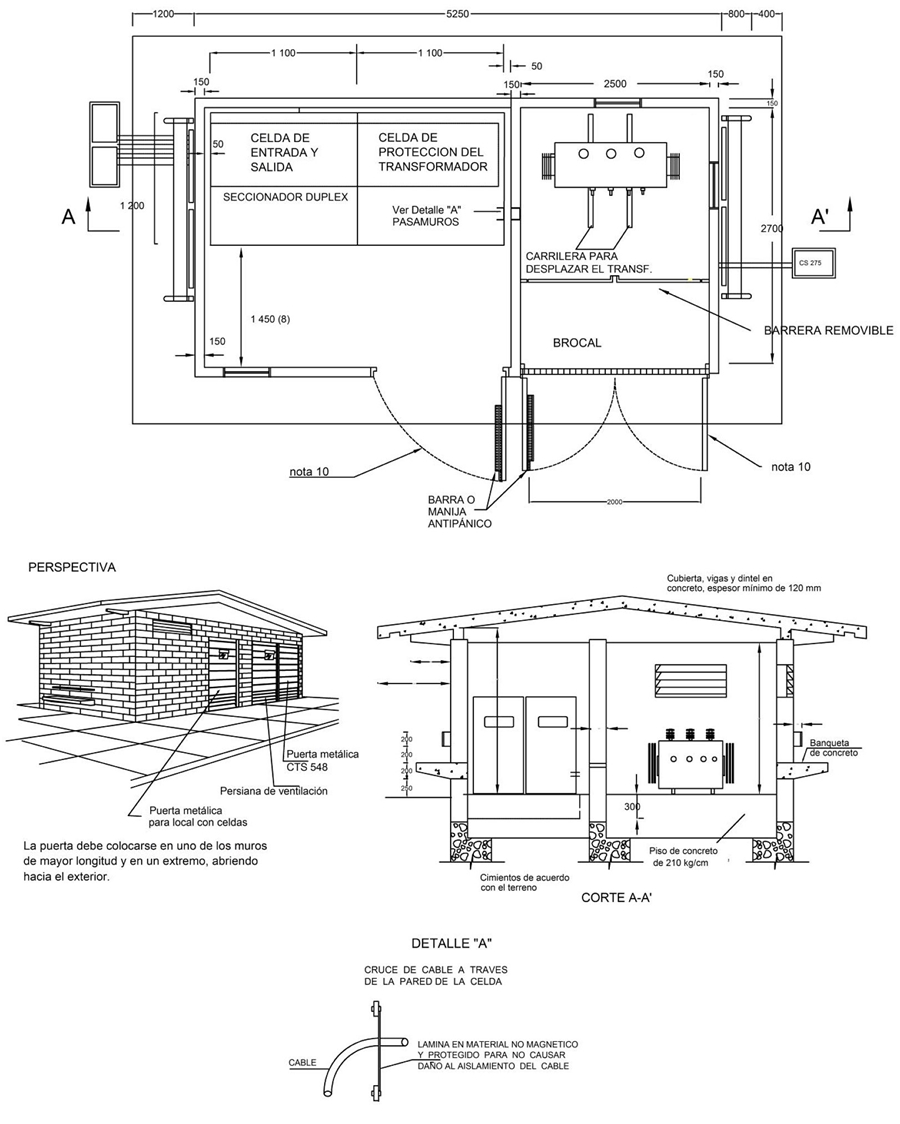
- Los MUROS y TECHOS deberán ser impermeabilizados y libres de tuberías y ductos.
- La CUBIERTA (Placa) deberá ser maciza, NO PREFABRICADA y 3 % de pendiente.
- Los MUROS deberán construirse en ladrillo TOLETE, pañetado y blanqueado o ladrillo a la vista.
- En caso de utilizar RAMPA de acceso, la PENDIENTE debe ser menor de 15 % y exterior al local.
- La malla de puesta a tierra se debe construir antes de fundir la placa del piso (Norma CTS 500 ).
- Para la disposición de ductos y cajas, Ver normas CS 200 a CS 278.
- Los ductos de la salida de B.T. deben ser independientes de las de M T.
- Frente a las CELDAS DE MANIOBRA Y PROTECCION se debe dejar un espacio completamente libre para la circulación y maniobra mínimo 1450 mm.
- Dimensiones en milímetros.
- Las hojas de las puertas no deben ser menores a 900mm y deben llevar cerradura anti pánico.
- Esta disposición solo aplica para instalaciones existentes.
DATOS ADICIONALES
Revisión #
2
Fecha de entrada en vigencia
Actividad de los usuarios
Para hacer comentarios debe iniciar sesión o registrarse aquí