CTS519-6 Centros de transformación subterráneos. Seccionador duplex, protección y transformador seco. Doble puerta (Nivel 2)
- Contenido
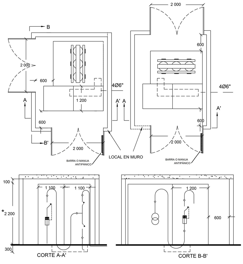
NOTAS:
1- Altura mínima que depende de la capacidad del transformador.
2- Dimensiones en milímetros.
3- Las hojas de las puertas no deben ser menores a 900mm y deben llevar cerradura antipánico según RETIE .
4- Para proyectos de desarrollo urbanístico nuevo se utilizará bancos de ductos de 6”. El ingreso a la subestación desde el frente del inmueble exterior también será en ductos de 4ø6".
5- En frente de inmuebles de proyectos nuevos, si la canalización existente es de 4”, la continuación y derivación se realizará en banco de ductos de 4”, excepto si hay proyectos de expansión de la compañía en la ruta que indiquen el uso de bancos de ductos de 6”.
6- Para los diseños, uso e instalación en la infraestructura eléctrica de uso general de ENEL-Enel Colombia sólo se permite la utilización de Transformadores en aceite.
7- Para proyectos nuevos de la red de uso general de Enel Colombia las celdas deben cumplir con las especificaciones GSM001 MV RMU WITH SWITCH-DISCONNECTOR y GSCM004 MV.
DATOS ADICIONALES
Revisión #
4
Fecha de entrada en vigencia
Actividad de los usuarios
Para hacer comentarios debe iniciar sesión o registrarse aquí