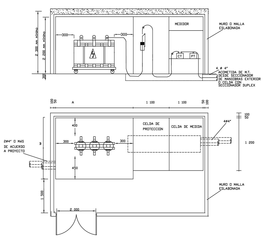
CTS519-3 Centro de transformación subterráneo. Transformador tipo seco con celdas de medida y protección (Nivel 2)
- Contenido
NOTAS:
1. Dimensiones en mm.
2. Para los diseños, uso e instalación en la infraestructura eléctrica de uso general de ENEL-Enel Colombia sólo se permite la utilización de Transformadores en aceite.
3. Para proyectos nuevos de la red de uso general de Enel Colombia las celdas deben cumplir con las especificaciones GSM001 MV RMU WITH SWITCH-DISCONNECTOR y GSCM004 MV.
DATOS ADICIONALES
Revisión #
3
Fecha de entrada en vigencia
Actividad de los usuarios
Para hacer comentarios debe iniciar sesión o registrarse aquí