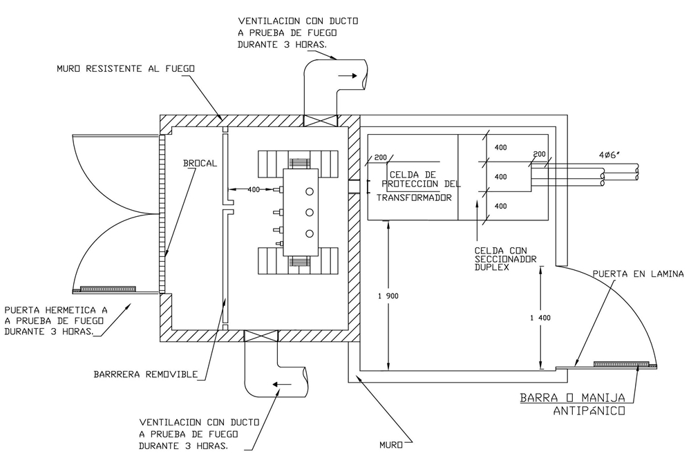
CTS516-2 Centros de transformación capsulados. Transformador en aceite. Acceso desde el interior del edificio, entrada lateral (Nivel 2)
- Contenido
NOTAS:
1- Las hojas de la puerta no deben ser menores a 900mm y un en una hoja se debe incluir cerradura antipánico, en cumplimiento con RETIE .
2- Para proyectos de desarrollo urbanístico nuevo se utilizará bancos de ductos de 6”. El ingreso a la subestación desde el frente del inmueble exterior también será en ductos de 4ø6".
3- De acuerdo a RETIE (Tabla 13.7. Distancias mínimas para trabajos en o cerca de partes energizadas en corriente alterna) la distancia mínima de bornes de baja tensión del transformador a la puerta del cuarto debe ser de 1 m. Considerando lo indicado en esta misma tabla la barrera removible debe ubicarse a una distancia adecuada para evitar el contacto involuntario
4- En frente de inmuebles de proyectos nuevos, si la canalización existente es de 4”, la continuación y derivación se realizará en banco de ductos de 4”, excepto si hay proyectos de expansión de la compañía en la ruta que indiquen el uso de bancos de ductos de 6”.
5- Para proyectos nuevos de la red de uso general de Enel Colombia las celdas deben cumplir con las especificaciones GSM001 MV RMU WITH SWITCH-DISCONNECTOR y GSCM004 MV.
DATOS ADICIONALES
Revisión #
5
Fecha de entrada en vigencia
Actividad de los usuarios
Para hacer comentarios debe iniciar sesión o registrarse aquí