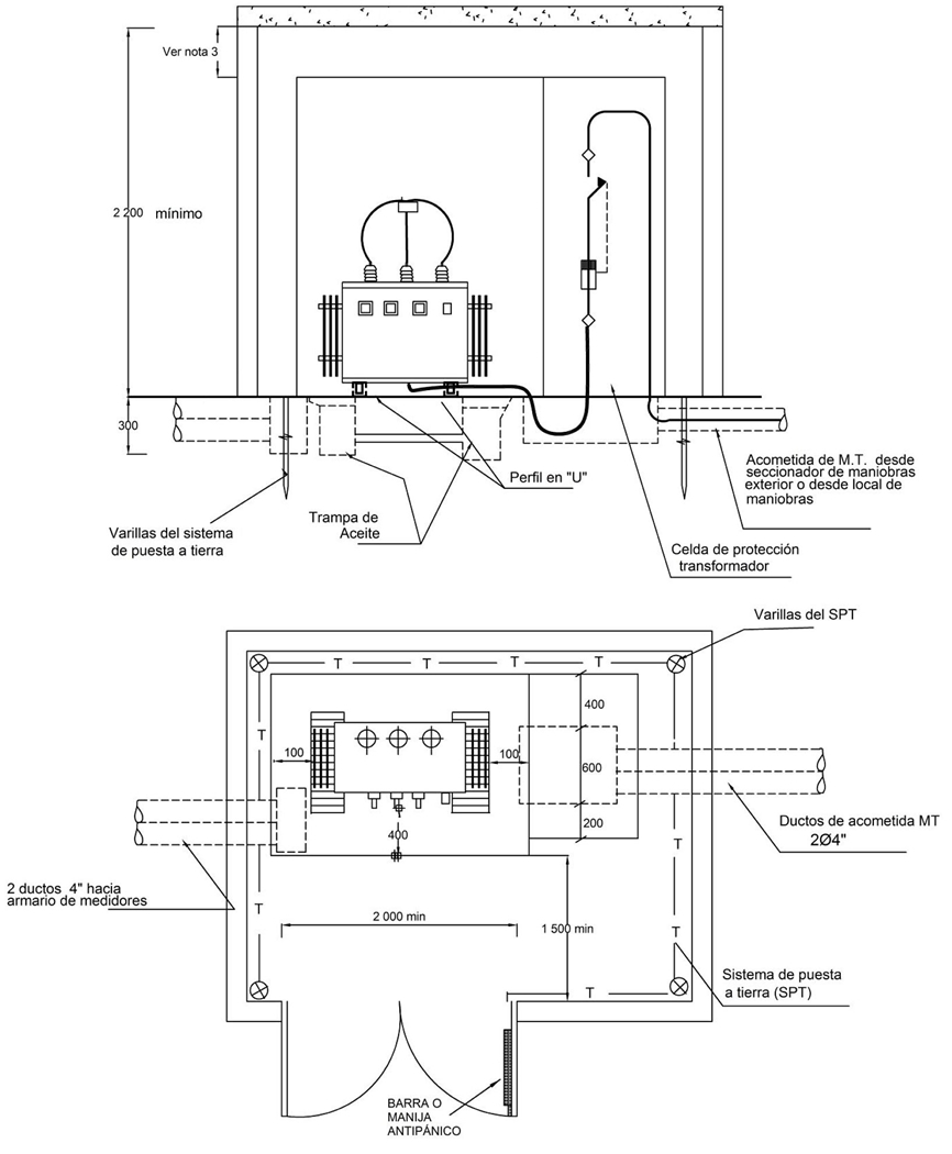
CTS514 Centros de transformación capsulados. Transformador en aceite con celda de protección en local separado (Nivel 2)

  • Contenido



NOTAS:
  1. Dimensiones en mm.
  2. Esta disposición sin bóveda se permite para locales separados del edificio, siempre y cuando no presente peligro de incendio a otros edificios cercanos (NTC 2050 art. 450-26 excepción 4).
  3. Esta altura depende de lo especificado por el fabricante de las celdas o en su defecto 60 cm según RETIE.
  4. Las hojas de las puertas no deben ser menores a 900 mm y deben llevar cerradura antipánico.
  5. Las puertas deben ser a prueba de fuego según los casos que establece RETIE, en caso contrario implementar celosía.
DATOS ADICIONALES
Revisión #

4

Fecha de entrada en vigencia

HERRAMIENTAS
RELACIONADAS

Actividad de los usuarios

Estado del comentario