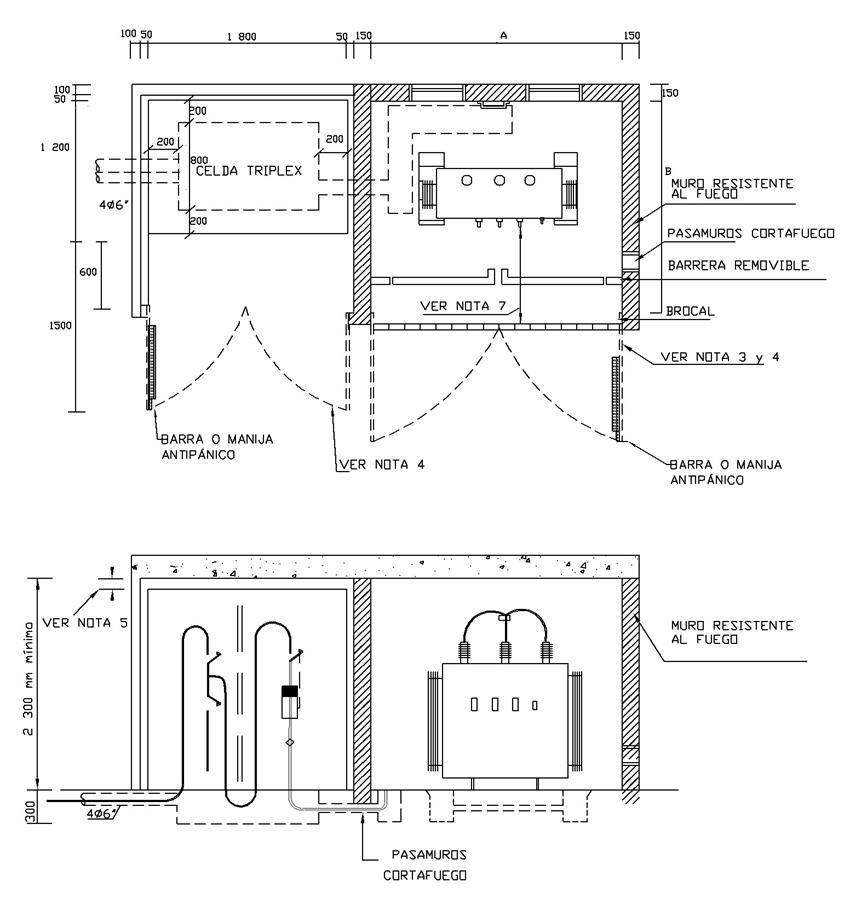
CTS511-6 Centro de transformación capsulado con celda triplex y transformador en aceite - Acceso exterior al edificio o en local separado (Nivel 2)

  • Contenido







NOTAS
  1. Dimensiones en mm.
  2. En el local de maniobras si se instala puertas plegables de dos hojas que abran todo el frente se permite 600 mm siempre y cuando más allá de la puerta se garantice el espacio de 1 500 mm exterior al cuarto.
  3. La puerta debe ser a prueba de fuego acorde con los casos que establece RETIE. En caso contrario implementar celosía.
  4. La figura de la puerta es representativa y ninguna de sus alas puede ser menor a 900 mm, además debe tener cerradura antipánico en una de sus alas según RETIE.
  5. Esta altura depende de lo especificado por el fabricante de las celdas o en su defecto 60 cm según RETIE.
  6. Para proyectos de desarrollo urbanístico nuevo se utilizará bancos de ductos de 6”. El ingreso a la subestación desde el frente del inmueble exterior también será en ductos de 4 Ø 6".
  7. De acuerdo a RETIE (Tabla 13.7. Distancias mínimas para trabajos en o cerca de partes energizadas en corriente alterna) la distancia mínima de bornes de baja tensión del transformador a la puerta del cuarto debe ser de 1 m. Considerando lo indicado en esta misma tabla la barrera removible debe ubicarse a una distancia adecuada para evitar el contacto involuntario.
  8. En frente de inmuebles de proyectos nuevos, si la canalización existente es de 4”, la continuación y derivación se realizará en banco de ductos de 4”, excepto si hay proyectos de expansión de la compañía en la ruta que indiquen el uso de bancos de ductos de 6”.
DATOS ADICIONALES
Revisión #

6

Fecha de entrada en vigencia

HERRAMIENTAS
RELACIONADAS

Actividad de los usuarios

Estado del comentario