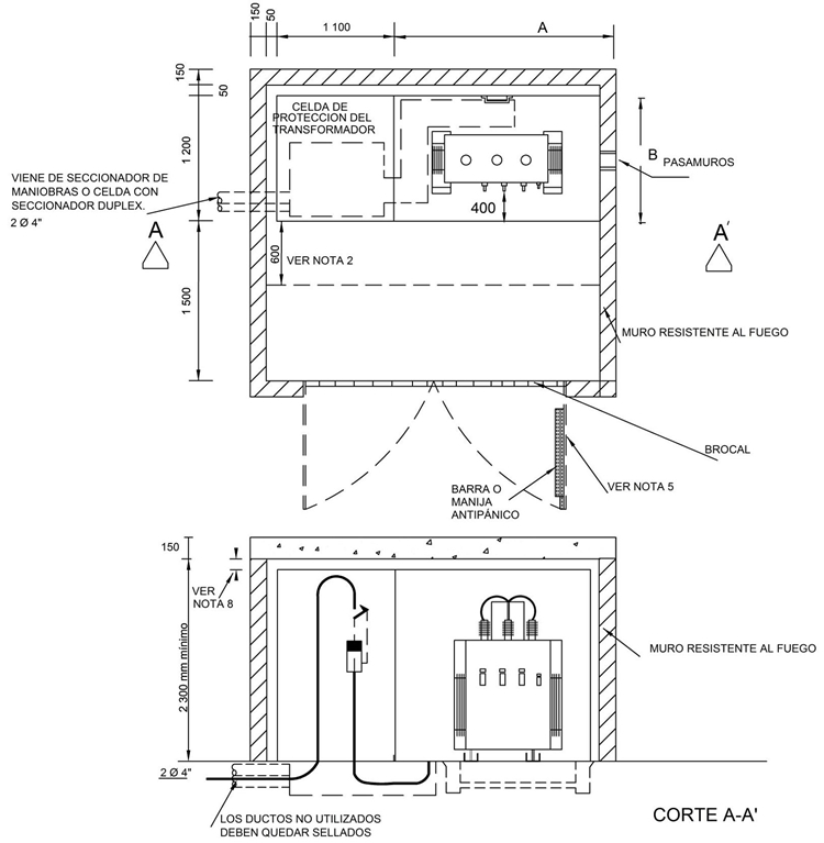
CTS511-5 Centros de transformación capsulados. Celda de protección y transformador en aceite con acceso exterior al edificio (Nivel 2)
- Contenido

NOTAS:
- Dimensiones en mm.
- Cuando se instale la puerta plegable, la distancia frente a la celda, se puede reducir a 600 mm siempre que se garantice más allá de la puerta, un espacio de 1 500 mm (para maniobrar).
- El calibre del cable entre el equipo de seccionamiento y la celda de protección del transformador debe ser cable de cobre No.2 AWG-15 kv.
- Es indispensable el acceso vehicular para grúa o montacargas.
- La puerta debe ser a prueba de fuego acorde con los casos que establece RETIE, en caso contrario implementar celosía. La figura de la puerta es representativa, el ala no debe ser menor a 900 mm y debe llevar cerradura antipánico según RETIE.
- Si el local está separado de edificaciones no necesita construirse con bóveda, siempre que no presente peligro de incendio a los edificios cercanos (NTC 2050 art 450-26 excepción 4).
- Esta altura depende de lo especificado por el fabricante de las celdas o en su defecto 60 cm según RETIE.
DATOS ADICIONALES
Revisión #
5
Fecha de entrada en vigencia
Actividad de los usuarios
Para hacer comentarios debe iniciar sesión o registrarse aquí