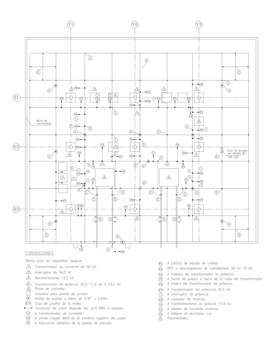
CTR627 Centro de transformación rural 34,5 kV de 2,5 a 10 MVA, con reconectadores. Malla puesta a tierra
- Contenido
LISTA DE MATERIALES
| SÍMB. | CANT. | CÓDIGO SAP | ESP. TÉCNICA | DESCRIPCIÓN |
| 1 | Conector de soldadura exotérmica de cable de cobre 2/0 AWG a platina. | |||
| 2 | Conector de soldadura exotérmica en T de cable de cobre 2/0 AWG a cable de cobre 2/0 AWG | |||
| 3 | Conector de soldadura exotérmica en cruz de cable de cobre 2/0 AWG a cable de cobre 2/0 AWG | |||
| 4 | Conector de soldadura exotérmica de cable de cobre 2/0 AWG a varilla copperweld de 5/8” | |||
| 5 | Conector de soldadura exotérmica de cable de cobre 2/0 AWG a riel. | |||
| 6 | Abrazadera sencilla de cable de cobre 2/0 AWG a platina | |||
| 7 | Conector para unión de cable de cobre 2/0 AWG a tubo f 4” | |||
| f 2 | 14 | 6762280 | ET 490 | Varilla de puesta a tierra 5/8” x 2,44 m |
| f 3 | 14 | ET 490 | Conector para varilla de puesta a tierra 5/8” | |
| j 3 | 12 | 6762433 | ET 450 | Metros de cinta de acero inoxidable 5/8”x 0,03” |
| j´ 3 | 12 | 6764362 | ET 450 | Hebilla de acero inoxidable de 5/8” |
| s 13 | ET 302 | Conector terminal de compresión tipo pala (ver notas) | ||
| s 26 | Conector tipo tornillo para puesta a tierra de cable 2/0 AWG pasante y derivación | |||
| o 43 | 6762397 | ET 122 | Metros de cable de cobre desnudo 2/0 AWG | |
| 5 | Moldes para conectores de soldadura exotérmica: cable a platina en T; en cruz; cable a varilla; cable a riel ( uno de cada tipo) |
Las cantidades de material dependen del proyecto específico.
. El conector es una referencia, consulte la ET 302 para su utilización.
DATOS ADICIONALES
Revisión #
1
Fecha de entrada en vigencia
Actividad de los usuarios
Para hacer comentarios debe iniciar sesión o registrarse aquí