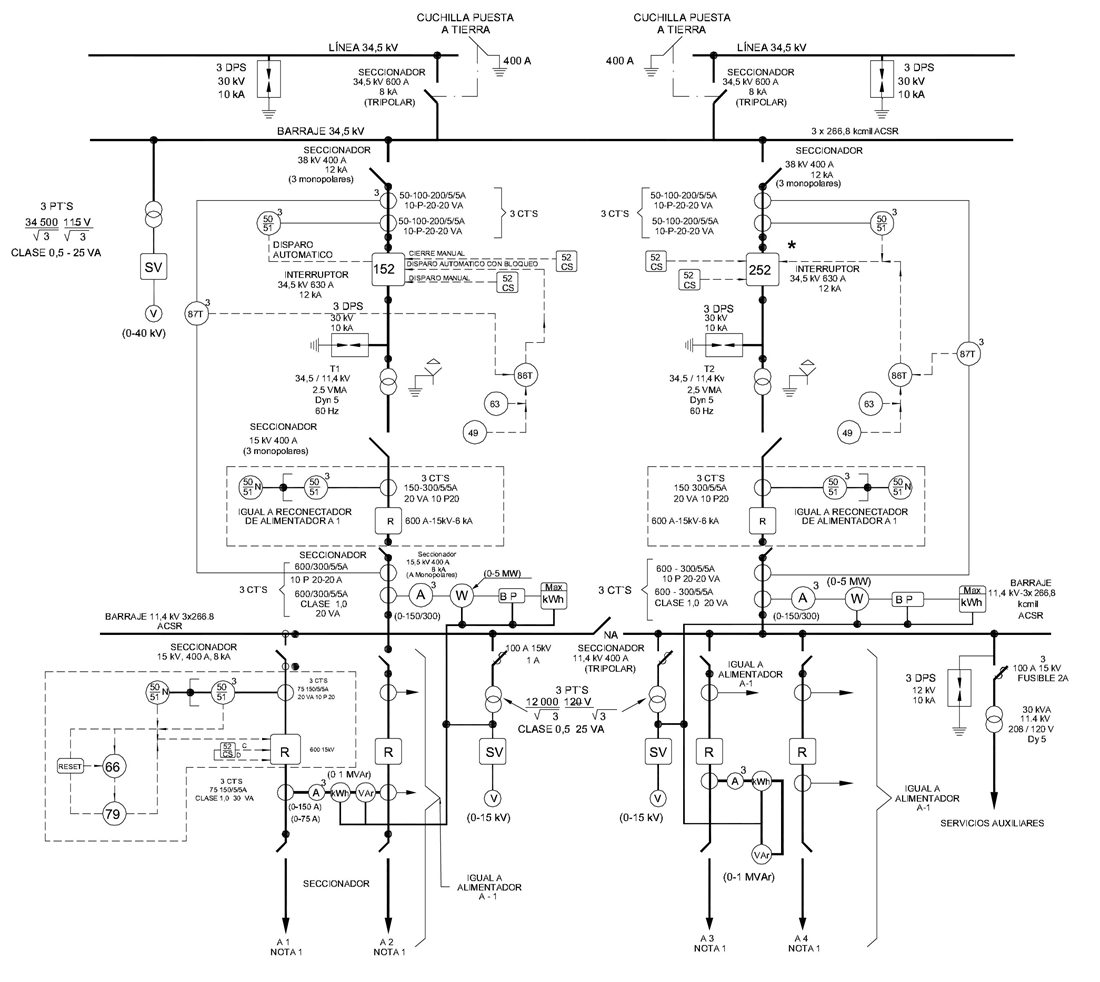
CTR621 Centro de transformación rural 34, 5 kV de 2,5 a 10 MVA, con reconectadores - Diagrama unifilar
- Contenido
NOTAS:
1. La salida de cada alimentador de 11,4 kV se hará con seccionador y DPS de acuerdo con la Norma LA 221
2. La tensión en M.T. está indicado como 11,4 kV pero dependiendo de la zona puede ser 11.4 KV ó 13.2 KV.
DATOS ADICIONALES
Revisión #
1
Fecha de entrada en vigencia
Actividad de los usuarios
Para hacer comentarios debe iniciar sesión o registrarse aquí