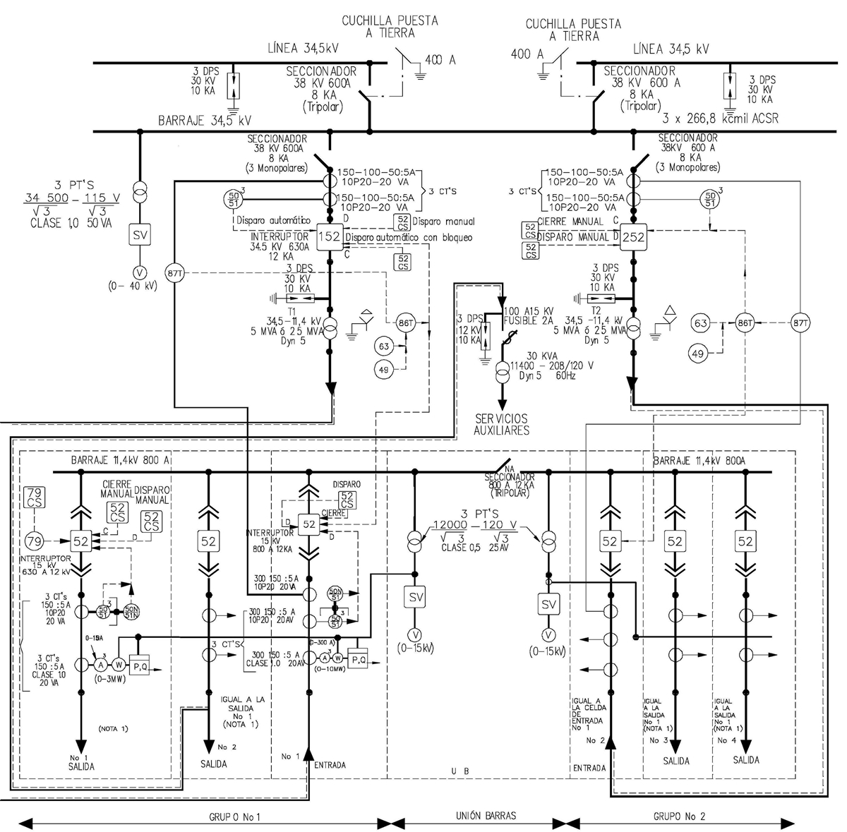
CTR612 Centro de transformación rural 34, 5 kV de 2,5 a 10 MVA con celdas. Diagrama unifilar
- Contenido
NOTAS:
1- La salida de 11.4kV subterránea estará de acuerdo a la norma LA 221 de Enel Colombia.
2-Debe dejarle previsto el espacio necesario para futura ampliación de una celda de salida adicional en grupo.
3- El voltaje en MT está indicado como 11.4kV pero dependiendo de la zona puede ser 11,4kV ó 13.2kV
DATOS ADICIONALES
Revisión #
1
Fecha de entrada en vigencia
Actividad de los usuarios
Para hacer comentarios debe iniciar sesión o registrarse aquí