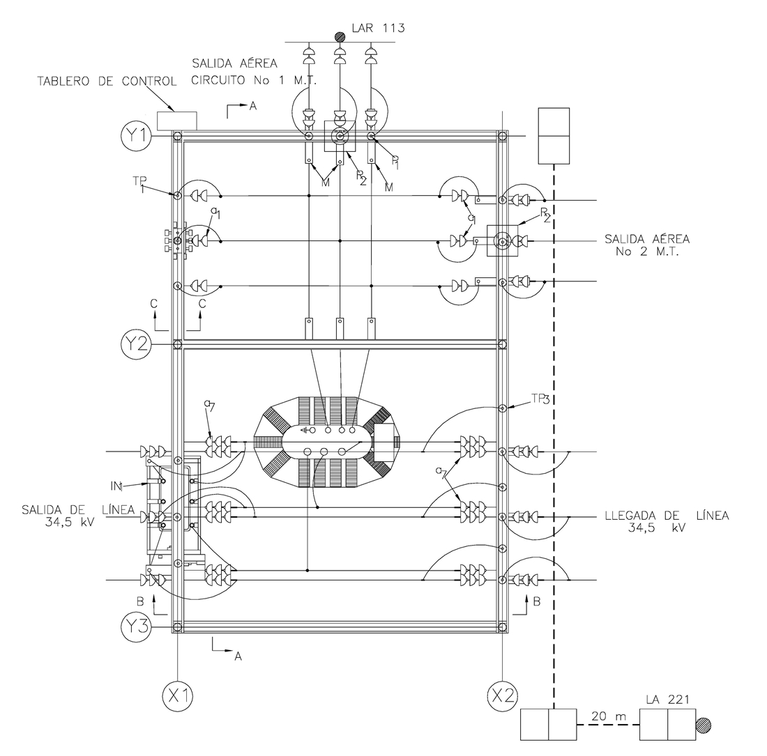
CTR603 Centro de transformación rural 34, 5 kV de 0,5 a 2,0 MVA. Disposición de equipos - Planta
- Contenido
NOTAS:
1-La salida subterránea de M.T. se hará solamente en el caso que se cruzen las salidas de 11,4 kV con las líneas de 34,5 kV por razones de confiabilidad y mantenimiento.
2-El listado de material contempla dos salidas aéreas M.T. dos lÍneas aéreas 34,5 kV.
3-El transformador de potencia debe disponer de un soporte para colocar los DPS de 30 kV - 10 kA.
DATOS ADICIONALES
Revisión #
CTR 603
Fecha de entrada en vigencia
Actividad de los usuarios
Para hacer comentarios debe iniciar sesión o registrarse aquí