CTU621 Centro de distribución industrial 34,5 kV tipo exterior – Derivación subterránea, instalación de dos transformadores
- Contenido
.jpg)
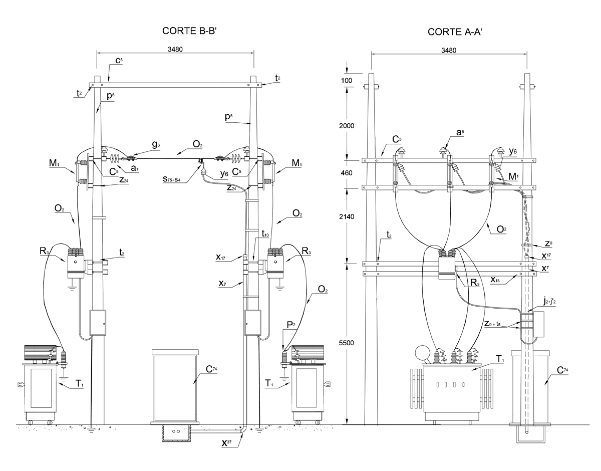
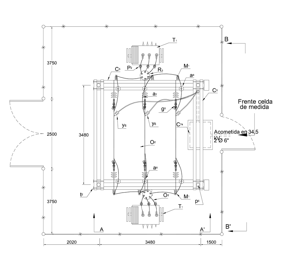
NOTAS:
- La celda de medida tipo intemperie para 34,5 kV, se debe localizar de tal forma que se facilite el ingreso, revisión de los equipos y medidores al personal de Enel Colombia, sin necesidad del ingreso al patio de conexiones.
- La alimentación de 120 V al control del reconectador se hará desde la instalación del usuario.
- La caja de control y el reconectador tendrán puestas a tierra independientes.
- Área: 10 m x 7 m.
.jpg)
LISTA DE MATERIALES
| SÍMB. | CANT. | CÓDIGO SAP | ESP. TÉCNICA | DESCRIPCIÓN |
| a 7 | 18 | 300011 | GSCC010 | Aislador de suspensión ANSI 52-4 |
| a 8 | 6 | 300520 | E-MT-011 | Aislador de pin ANSI 56-3 |
| c 5 | 18 | 251508 | ET-419 | Cruceta metálica de 4 m |
| C 74 | 1 | ET 916 | Celda de medida en 34,5 kV tipo intemperie | |
| g 0 | 9 | 6762316 | ET 350 | Grapa terminal tipo recto para cables entre 6 AWG - 3/0 AWG |
| j 3 | 2 | 6762433 | ET 450 | Metros de cinta de acero inoxidable de 5/8”x 0,03” |
| j’ 3 | 2 | ET 450 | Hebilla de acero inoxidable de 5/8” | |
| M 1 | 6 | ET 513 | Seccionador monopolar 600 A 38 kV | |
| n 5 | 6 | 6762181 | ET 461 | Perno de ojo tipo 5 (5/8" x 545 mm) |
| o 2 | 35 | 310417 | GSC003 | Metros de cable ACSR calibre 2/0 AWG |
| o 82 | 10 | GSC001 | Metros de cable triplex de cobre 35 kV 2/0 AWG | |
| P 2 | 6 | 6781249 | ET 500 | DPS - Descargadores de sobretensión de óxido metálico 30 kV 10 kA |
| p 6 | 4 | 230966 | GSS002 | Poste de concreto de 12 m 1 050 kg |
| R 3 | 2 | 6764358 | Reconectador 34,5 kV | |
| r 8 | 6 | 201073 | ET414 | Porta aislador pasante 34,5 kV |
| s 26 | 7 | Conector tipo tornillo para puesta a tierra | ||
| s 4 | 6 | 274337 | ET 301 | Conector terminal de compresión tipo vastago, tipo 4 |
| s 75 | 6 | ET356 | Conector tipo cuña | |
| T 1 | 2 | Transformador de potencia de 0,5 a 5 MVA de 34,5 - 11,4 kV , 34,5 - 13,2 kV ó 34,5 kV- 480 V | ||
| t 2 | 16 | 6762255 | ET 455 | Espárrago de 16 x 508 mm (5/8" x 20") |
| t 5 | 4 | 6762212 | ET 456 | Tornillo Carruaje de 5/8” X 1 ½” |
| t 13 | 4 | ET 457 | Tornillo de acero galvanizado de 5/8” X 18 “ | |
| TC | 2 | ET 922 | Transformador de corriente 36 kV Uso interior | |
| TP | 2 | ET 923 | Transformador de potencial 36 kV Uso interior | |
| u | 7 | Accesorios para puesta a tierra | ||
| x 17 | 2 | Boquilla galvanizada 4" | ||
| x 37 | 1 | ET 602 | Codo galvanizado 4" x 90 | |
| x 7 | 6 | 6762440 | ET 601 | Metros de tubo galvanizado 4" |
| y 12 | 6 | ET 701 | Terminal preformado uso interior 35 kV para cable 2/0 AWG | |
| y 6 | 3 | ET 701 | Terminal preformado tipo exterior para 35 kV | |
| z 0 | 1 | ET431 | Abrazadera de una salida para sujeción de cables al poste | |
| z 9 | 4 | 6762237 | ET 431 | Abrazadera de una salida tipo 4 |
| z 24 | 2 | 6763985 | Abrazadera en u tipo 4 |
NOTAS
- La grapa terminal tipo recto g 0 es una referencia y depende del calibre del conductor utilizado.
- Los conductores de enlace entre equipos serán en el mismo calibre o capacidad del circuito de llegada.
DATOS ADICIONALES
Revisión #
1
Fecha de entrada en vigencia
Actividad de los usuarios
Para hacer comentarios debe iniciar sesión o registrarse aquí