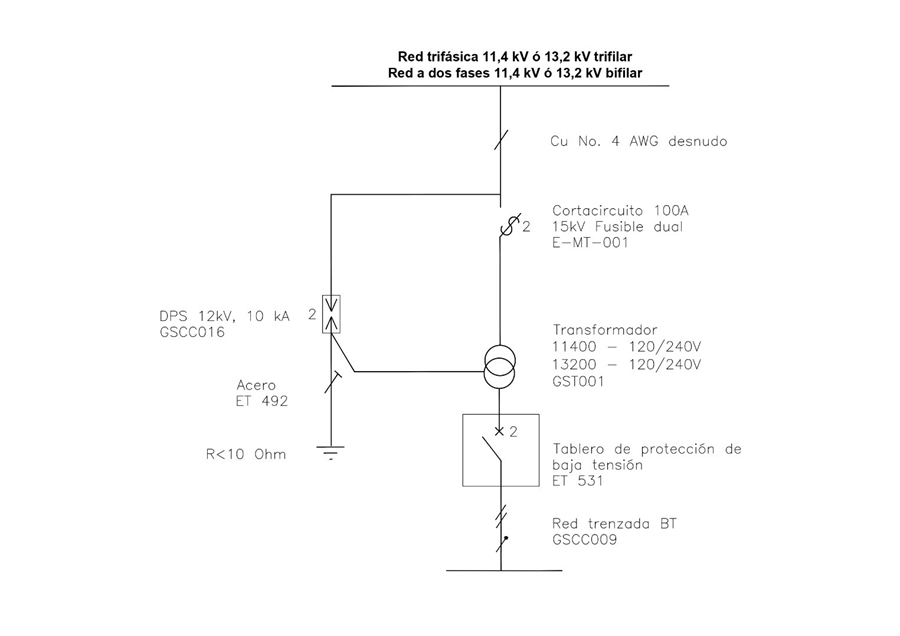
CTR510 Diagrama unifilar instalación transformador bifásico.
- Contenido
FUSIBLES NH
TABLEROS DE PROTECCIÓN BT
TABLEROS DE PROTECCIÓN BT
NOTAS:
- Seleccionar el fusible de los cortacircuitos monopolares según la ET-505 .
- Seleccionar el Tablero de Protección de baja tensión según la ET-531 .
- En caso de existir red abierta en baja tensión “ existente ” se debe instalar protección en baja tensión , bien sea con fusibles con su correspondiente seccionador porta fusible o con interruptor termo magnético. Ver normas de referencia CTU 516 , CTU 516-1 , CTR 510 , ET-531 y ET-511 .
DATOS ADICIONALES
Revisión #
2
Fecha de entrada en vigencia
Actividad de los usuarios
Para hacer comentarios debe iniciar sesión o registrarse aquí