CS Generalidades 3.1 Generalidades cables subterráneos
- Contenido
3. NORMAS DE CONSTRUCCIÓN CABLES SUBTERRÁNEOS
3.1 GENERALIDADES
3. 1.1 SISTEMA DE DISTRIBUCIÓN SUBTERRÁNEO
El Departamento Administrativo de Planeación Distrital (DAPD) tiene clasificadas las vías como:
Vías Arterias: V-0; V-1; V-2; V-3; V-3E; V-3R.
Vías Locales: V-4; V-4A; V-5; V-6; V-7; V-8; V-9; V-9E
Ver normas CS153 a CS160 .
De acuerdo con la clasificación anterior del DAPD, se muestran las secciones transversales con la localización de las canalizaciones de los servicios públicos en andenes, separadores, vías, zonas verdes y zonas de control ambiental. Ver normas CS152 , CS153 , CS153-1 , CS154 , CS155 , CS156 , CS157 , CS158 , CS159 y CS160 .
En la norma CS150 se muestra la distribución típica de ducterías y cajas de Inspección , en cruce de avenidas, andenes, llegada y salida de centros de transformación, etc.
En las vías clasificadas por el Departamento Administrativo de Planeación Distrital (DAPD) como vías V0, V1 y V2 así como en las urbanizaciones de estratos 4, 5 y 6 definidos por el decreto 1192 del 22 de diciembre de 1997, en zonas históricas y en general en aquellos sitios donde la conformación de las redes aéreas no estén de acuerdo con las normas establecidas, no se permite el montaje en postes de transformadores de ninguna capacidad, ni la construcción de redes aéreas, en éstos casos debe construirse redes subterráneas.
El esquema general de distribución subterráneo podrá tener diferentes configuraciones tales como anillo abierto, abierto con transferencia, enmallado entre otros, siempre y cuando estén en cumplimiento de la política 28 localizada con el instructivo operativo 1702 Criterios de desarrollo de la red de AT, MT y BT y política 214 localizada con el instructivo operativo IO1903 Diseño y construcción de líneas de Media Tensión. Los equipos de maniobra serán tales como seccionadores de operar bajo carga como RMU en sus distintas configuraciones, centro de distribución de superficie estándar, compactos y subterráneos, centro satélite cajas de maniobra con posibilidad de telecontrol en SF6 con posibilidad de alimentación desde dos subestaciones diferentes mediante conexión de puntos de suplencia; o eventualmente con otros circuitos de la misma subestación de potencia. Para proyectos nuevos de la red de uso general de Enel Colombia no se permiten barrajes subterráneos en MT en cualquier configuración, ni transformadores tipo pedestal.
Las celdas de uso general de la red de Enel Colombia deberán cumplir con las especificaciones GSM001 MV RMU WITH SWITCH-DISCONNECTOR y GSCM004 MV RMU With Circuit-Breaker.
Los circuitos primarios de 11,4 kV alimentan diferentes centros de transformación en las cuales se adopta el esquema de entrada – salida esquema LILO acorde con la política PL214, implementado con seccionadores de maniobra (switchgear), o seccionadores en SF6, o cajas de maniobra en SF6.
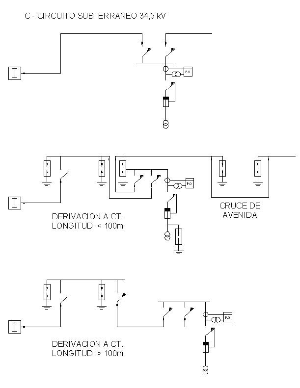
En el área urbana también se utilizan circuitos parcial o totalmente subterráneos de 34,5 kV, para alimentar zonas industriales, las cuales son de configuración radial, anillo abierto con transferencia ó uniendo dos subestaciones, desde las cuales se derivan las acometidas de los diferentes clientes industriales.
La distribución subterránea primaria de 11,4 kV es trifásica con conductores monopolares trenzados (cables triplex) aislado en polietileno reticulado termoestable (XLPE).
Los centros de transformación (superficie y compactos estándar, subterráneos estándar, satélites y los existentes convencionales de local o sótano), alimentados de la red primaria con elementos de seccionamiento y protección (fusibles limitadores de corriente o combinación de fusibles limitadores de corriente y de expulsión).
Los centros compactos y estándar de superficie y subterráneos estándar deberán cumplir con las normas CTS591 , CTS592 , CTS593 , CTS594 respectivamente.
Enel Colombia suministra el servicio de energía a sus clientes a : 11,4 kV, 13,2 kV y 34,5 kV en el sistema de distribución.
Las capacidades de los transformadores utilizados por los clientes e instalados en el sistema de Enel Colombia son los indicados en la GST001 MV-LV Transformers.
De acuerdo con la política 214 y/o instructivo operativo IO1903, el cálculo de la caída de tension deberá tener en cuenta los siguientes parámetros:
• L: Longitud de la linea (m)
• I: Corriente (A)
• R: Resistencia (O/km)
• X: Reactance inductiva (O/km)
• Load power factor (cosf)
• V: System Voltage level (V)
Con los anteriores parámetros se definen las constantes de regulación para los conductores. Ver constantes de regulación en la página de Enel Colombia.
Los valores de regulación que deben cumplir en los distintos niveles de tensión son:
• Para circuitos primarios (13.2 kV ó 11,4kV): 2%
• Transformador de distribución (con el trasformador a un 140% de su capacidad nominal ): 4%
• Circuitos secundarios o acometidas desde bornes del transformador: 3%
• Acometida hasta el medidor: 1%
Los transformadores aislados con aceite para uso en interiores deben ser instalados en una bóveda que debe cumplir las siguientes condiciones básicas:
- En la medida de lo posible debe estar ventilada con aire exterior sin necesidad de ductos o canales (NTC 2050 – 450-41).
- Las paredes y techos deben estar hechas de materiales con resistencia estructural adecuada a las condiciones de uso y con una resistencia mínima al fuego de 3 horas. Los pisos que estén en contacto con la tierra deben ser de hormigón de un espesor mínimo de 0,10 m. Si la bóveda es construida teniendo por debajo un espacio vacío u otras plantas del edificio, el piso debe tener una resistencia estructural adecuada para soportar la carga impuesta sobre el y debe tener una resistencia mínima al fuego de 3 horas (NTC 2050-450-42).
- Para instalaciones existentes se tienen transformadores tipo pedestal y cajas de maniobra , los cuales en caso de mantenimiento y/o reposición requieren terminales preformados tipo codo bajo norma ANSI IEEE, que se encuentran en la ET723 . Estos equipos no aplican para proyectos nuevos en la red de uso general de Enel Colombia.
La protección contra sobretensiones en la red subterránea se efectúa con DPS descargadores de sobretensión tipo resistencia no lineal ubicados en los puntos donde esté abierto el circuito, al final del circuito y en el poste donde se hace la transición de circuito aéreo a subterráneo.
Para la rápida ubicación de fallas en el circuito primario se colocarán dispositivos indicadores que señalen la ruta de la corriente de falla (ver norma CTS510-3 ).
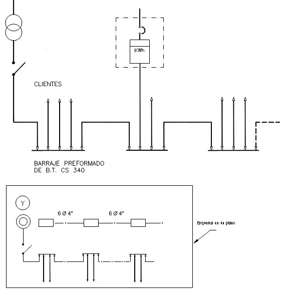
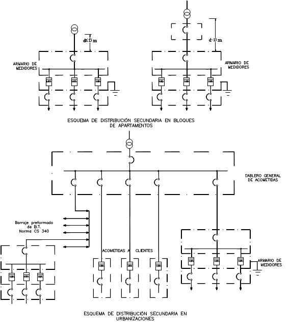
El esquema de distribución secundario es de configuración radial (ver fig. 3.2 y 3.3) alimentado desde los centros de transformación capsulados, pedestal, subterráneo o local existentes. El circuito es trifásico con tensión nominal 208/120 V y conductores monopolares de cobre aislado a 600 V.
Los circuitos secundarios se protegen con interruptores termomagnéticos ubicados en los centros de transformación o centros de distribución ( Tablero general de acometidas).
El sistema subterráneo se canaliza a través de ductos de PVC (Consultar ET609 ) para redes primarias y secundarias y ductos de acero galvanizado (Consultar ET601 ) en transición de circuito aéreo a subterráneo, cruces de líneas férreas y ductería colgante de puentes.
Como el sistema de distribución tiene el neutro sólidamente puesto a tierra , se debe cumplir con la Sección 200 del Código Eléctrico Colombiano norma NTC 2050 y RETIE, o en su defecto con marcación en las partes visibles con pintura, con cinta o con rótulos adhesivos de color blanco ó gris. El terminal al cual deberá ser conectado el conductor del neutro deberá identificarse con color blanco o gris natural (NTC 2050 art. 200-9).
Los conductores de fase y de neutro de las acometidas subterráneas se identifican por los colores indicados en la tabla a continuación:
| SISTEMA | 1 Ø | 1 Ø | 3 - Ø - Y |
| Tensión Nominal ] (Voltios) | 120 | 240/120 | 208/120 |
| Conductores | 1 fase | 2 fases | 3 fases |
| activos | 2 hilos | 3 hilos | 4 hilos |
| Fases | Negro | Negro/rojo | Amarillo, azul y rojo |
| Neutro | Blanco | Blanco | Blanco |
| Tierra de protección | Desnudo o verde | Desnudo o verde | Desnudo o verde |
| Tierra aislada | Verde o Verde/amarillo | Verde o Verde/amarillo | Verde o Verde/amarillo |
Se tomara como valido para determinar este requisito el color propio del acabado exterior del conductor o en su defecto su marcación debe hacerse en las partes visibles con pintura, con cinta o con rótulos adhesivos del color respectivo.
En circuitos monofásicos derivados del sistema trifásico, el conductor de la fase deberá ser marcado de color amarillo, azul ó rojo, conservando el color asignado a la fase en el sistema trifásico.
En acometidas monofásicas derivadas del sistema trifásico, las fases podrán identificarse con amarillo, azul, rojo o negro. En todo caso el neutro será blanco o marcado con blanco y la tierra de protección verde o marcada con verde.
3.1.2 ACEPTACIÓN DE MATERIALES Y EQUIPOS
Los materiales y equipos suministrados por particulares o firmas contratistas para ser instaladas en el sistema de Enel Colombia, deben ser nuevos y cumplir con las Normas Técnicas Colombianas (NTC) o internacionales, con las especificaciones técnicas exigidas por Enel Colombia, además de lo indicado en estas normas.
Adicionalmente deberán cumplir con los certificados de producto con norma y certificado RETIE, por entes autorizados por el ONAC - Organismo Nacional de Acreditación de Colombia,.
Para marcación de puntos significativos, códigos de circuitos, e identificación de fases ver norma CS170 MARCACIÓN APOYOS SUBTERRÁNEOS.
-Model.jpg)


DATOS ADICIONALES
Revisión #
CS generalidades 3.1
Fecha de entrada en vigencia
Actividad de los usuarios
Para hacer comentarios debe iniciar sesión o registrarse aquí