Pasar al contenido principal
Navegación principal
HOME
NORMAS TÉCNICAS
ESPECIFICACIONES TÉCNICAS LOCALES
ESPECIFICACIONES TÉCNICAS CORPORATIVAS
CONTACTO
Menú de cuenta de usuario
Iniciar sesión
Sobrescribir enlaces de ayuda a la navegación
Inicio
Normas Técnicas
CABLES SUBTERRÁNEOS
Cámaras Y Ducterías
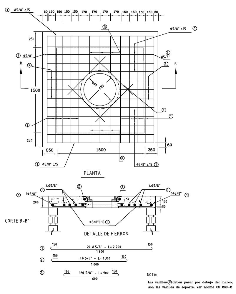
CS280-1 Caja De Inspección Tipo Vehicular. Detalle De Planta Y Hierros
CS280-1 Caja de inspección tipo vehicular. Detalle de planta y hierros
Contenido
DATOS ADICIONALES
Revisión #
1
Fecha de entrada en vigencia
03 Diciembre 2015
HERRAMIENTAS
Descargar archivo
RELACIONADAS
Actividad de los usuarios
Para hacer comentarios debe
iniciar sesión
o registrarse
aquí
Estado del comentario
X
×
Actividad de los usuarios
Para hacer comentarios debe iniciar sesión o registrarse aquí