Pasar al contenido principal
Navegación principal
HOME
NORMAS TÉCNICAS
ESPECIFICACIONES TÉCNICAS LOCALES
ESPECIFICACIONES TÉCNICAS CORPORATIVAS
CONTACTO
Menú de cuenta de usuario
Iniciar sesión
Sobrescribir enlaces de ayuda a la navegación
Inicio
Normas Técnicas
ALUMBRADO PÚBLICO
Materiales Y Equipos
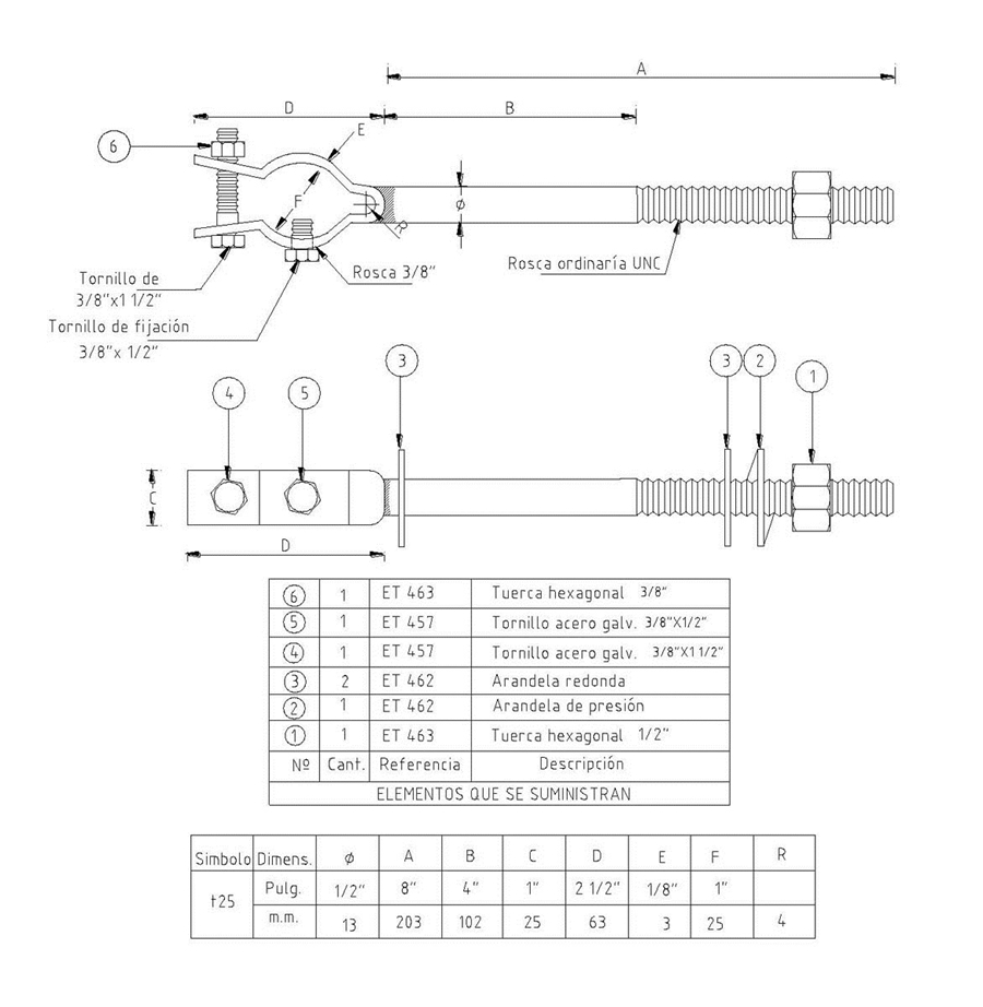
AP812 Tornillo Soporte Para Brazo De Luminaria
AP812 Tornillo soporte para brazo de luminaria
Contenido
DATOS ADICIONALES
Revisión #
1
Fecha de entrada en vigencia
01 Mayo 2000
HERRAMIENTAS
Descargar archivo
RELACIONADAS
Actividad de los usuarios
Para hacer comentarios debe
iniciar sesión
o registrarse
aquí
Estado del comentario
X
×
Actividad de los usuarios
Para hacer comentarios debe iniciar sesión o registrarse aquí