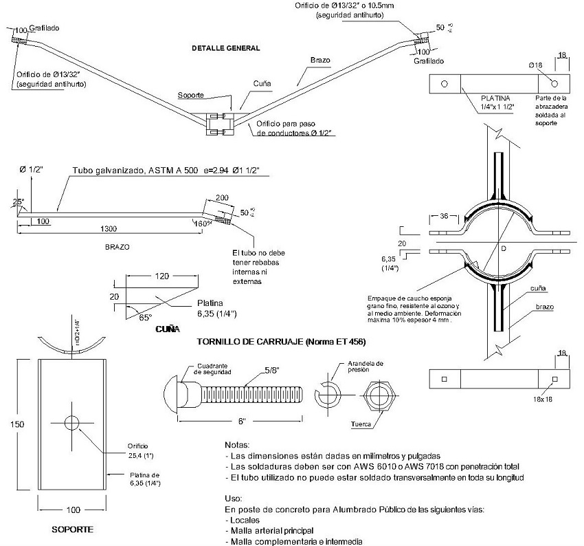
AP807 Soporte doble con abrazadera para poste de concreto
- Contenido
| ABRAZADERA | DIAMETRO | NORMAS RELACIONADAS |
| Tipo 2 | 140mm | NTC 422/858/844/2076 - ASTM A36/A153/A500 |
| Tipo 3 | 180mm | |
| Tipo 4 | 200mm |
| CÓDIGO | DESCRIPCIÓN |
| Soporte doble diámetro 1 ½”, 1500mm con abrazadera tipo 2 | |
| Soporte doble diámetro 1 ½”, 1500mm con abrazadera tipo 3 | |
| Soporte doble diámetro 1 ½”, 1500mm con abrazadera tipo 4 |
DATOS ADICIONALES
Revisión #
6
Fecha de entrada en vigencia
Actividad de los usuarios
Para hacer comentarios debe iniciar sesión o registrarse aquí