Pasar al contenido principal
Navegación principal
HOME
NORMAS TÉCNICAS
ESPECIFICACIONES TÉCNICAS LOCALES
ESPECIFICACIONES TÉCNICAS CORPORATIVAS
CONTACTO
Menú de cuenta de usuario
Iniciar sesión
Sobrescribir enlaces de ayuda a la navegación
Inicio
Normas Técnicas
ALUMBRADO PÚBLICO
Centros De Transformación
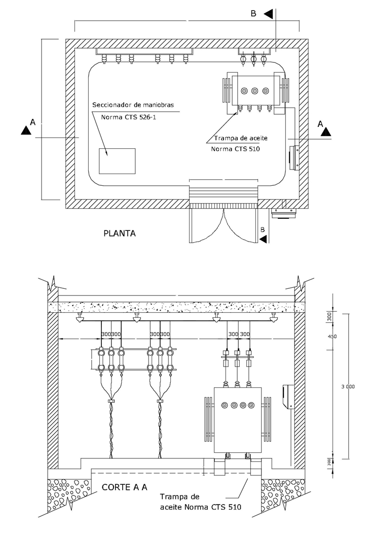
AP665 Centro De Transformación De Local. Medida Directa En BT
AP665 Centro de transformación de local. Medida directa en BT
Contenido
DATOS ADICIONALES
Revisión #
0
Fecha de entrada en vigencia
22 Julio 2011
HERRAMIENTAS
Descargar archivo
RELACIONADAS
Actividad de los usuarios
Para hacer comentarios debe
iniciar sesión
o registrarse
aquí
Estado del comentario
X
×
Actividad de los usuarios
Para hacer comentarios debe iniciar sesión o registrarse aquí