AE423 Código de colores para conexión de equipos de medida en media y baja tensión
- Contenido
Para la conexión de equipos de medida utilizando transformadores de medida, se establece el siguiente código de colores utilizando cable multiconductor 12x12 AWG acorde con ET119 cables multiconductores para medida control y protección
1. Conexión Semidirecta (Baja tensión)
Para las señales de tensión en fase R, S y T, neutro y tierra se establece el siguiente código de colores:
Para la conexión de corrientes secundarias se establece el siguiente código de colores:
Corriente Entrada R: Naranja |
Corriente Salida R: Naranja / Negro |
Corriente Entrada S: Azul |
Corriente Salida S: Azul / Negro |
Corriente Entrada T: Rojo |
Corriente Salida T: Rojo / Negro |
Tierra: Verde |
- Diagrama de conexión semidirecta unificado con el código de colores establecido:

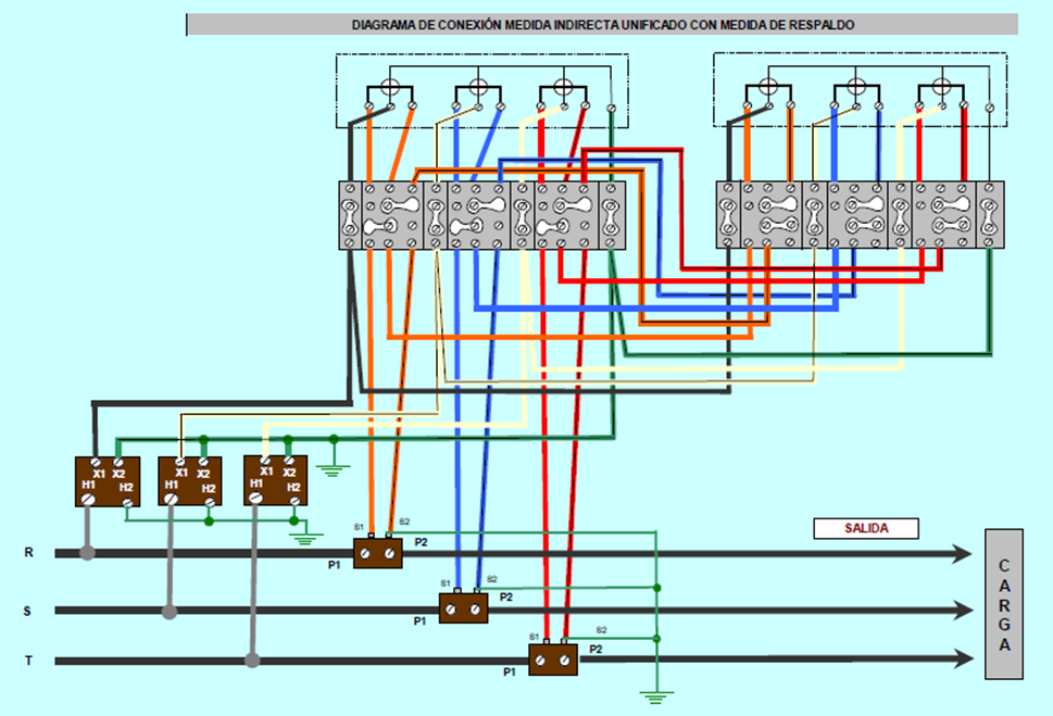
2. Conexión Indirecta (MT /AT)
Para las señales de tensión en fase R, S y T, neutro y tierra se establece el siguiente código de colores:
Tierra: Verde o (Verde /Negro) |
Corriente Entrada R: Naranja |
Corriente Salida R: Naranja / Negro |
Corriente Entrada S: Azul |
Corriente Salida S: Azul / Negro |
Corriente Entrada T: Rojo |
Corriente Salida T: Rojo / Negro |
Tierra: Verde o (Verde /Negro) |
- Diagrama de conexión indirecta unificado con el código de colores establecido:

- Diagrama de conexión indirecta con medidor de respaldo unificado con el código de colores establecido:

DATOS ADICIONALES
Revisión #
0
Fecha de entrada en vigencia
Actividad de los usuarios
Para hacer comentarios debe iniciar sesión o registrarse aquí