Pasar al contenido principal
Navegación principal
HOME
NORMAS TÉCNICAS
ESPECIFICACIONES TÉCNICAS LOCALES
ESPECIFICACIONES TÉCNICAS CORPORATIVAS
CONTACTO
Menú de cuenta de usuario
Iniciar sesión
Sobrescribir enlaces de ayuda a la navegación
Inicio
Normas Técnicas
ACOMETIDAS Y MEDIDORES
Medidores De Energía Eléctrica
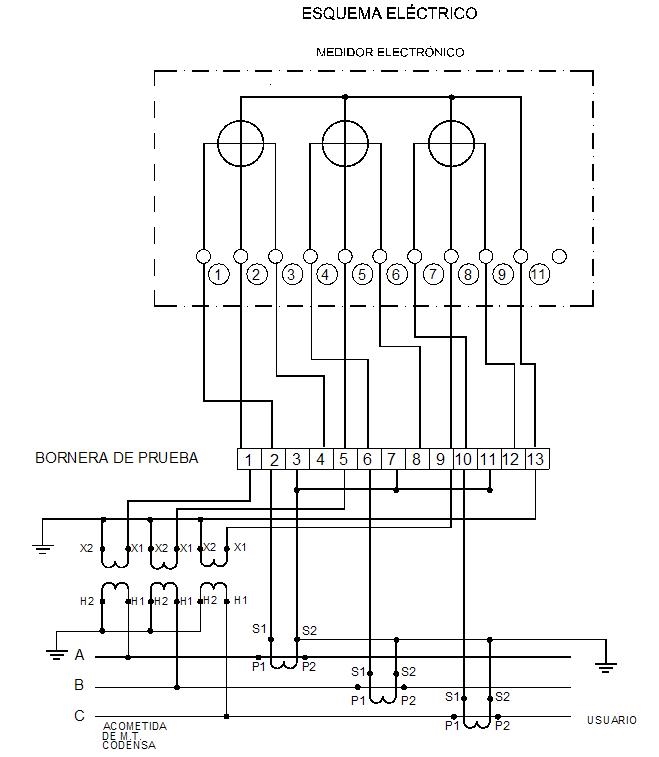
AE421 Medidor Electrónico En Media Tensión Con TC Y TP De 3 Elementos
AE421 Medidor electrónico en media tensión con TC y TP de 3 elementos
Contenido
DATOS ADICIONALES
Revisión #
1
Fecha de entrada en vigencia
12 Julio 2001
HERRAMIENTAS
Descargar archivo
RELACIONADAS
Actividad de los usuarios
Para hacer comentarios debe
iniciar sesión
o registrarse
aquí
Estado del comentario
X
×
Actividad de los usuarios
Para hacer comentarios debe iniciar sesión o registrarse aquí