Pasar al contenido principal
Navegación principal
HOME
NORMAS TÉCNICAS
ESPECIFICACIONES TÉCNICAS LOCALES
ESPECIFICACIONES TÉCNICAS CORPORATIVAS
CONTACTO
Menú de cuenta de usuario
Iniciar sesión
Sobrescribir enlaces de ayuda a la navegación
Inicio
Normas Técnicas
ACOMETIDAS Y MEDIDORES
Cajas, Armarios Y Celdas
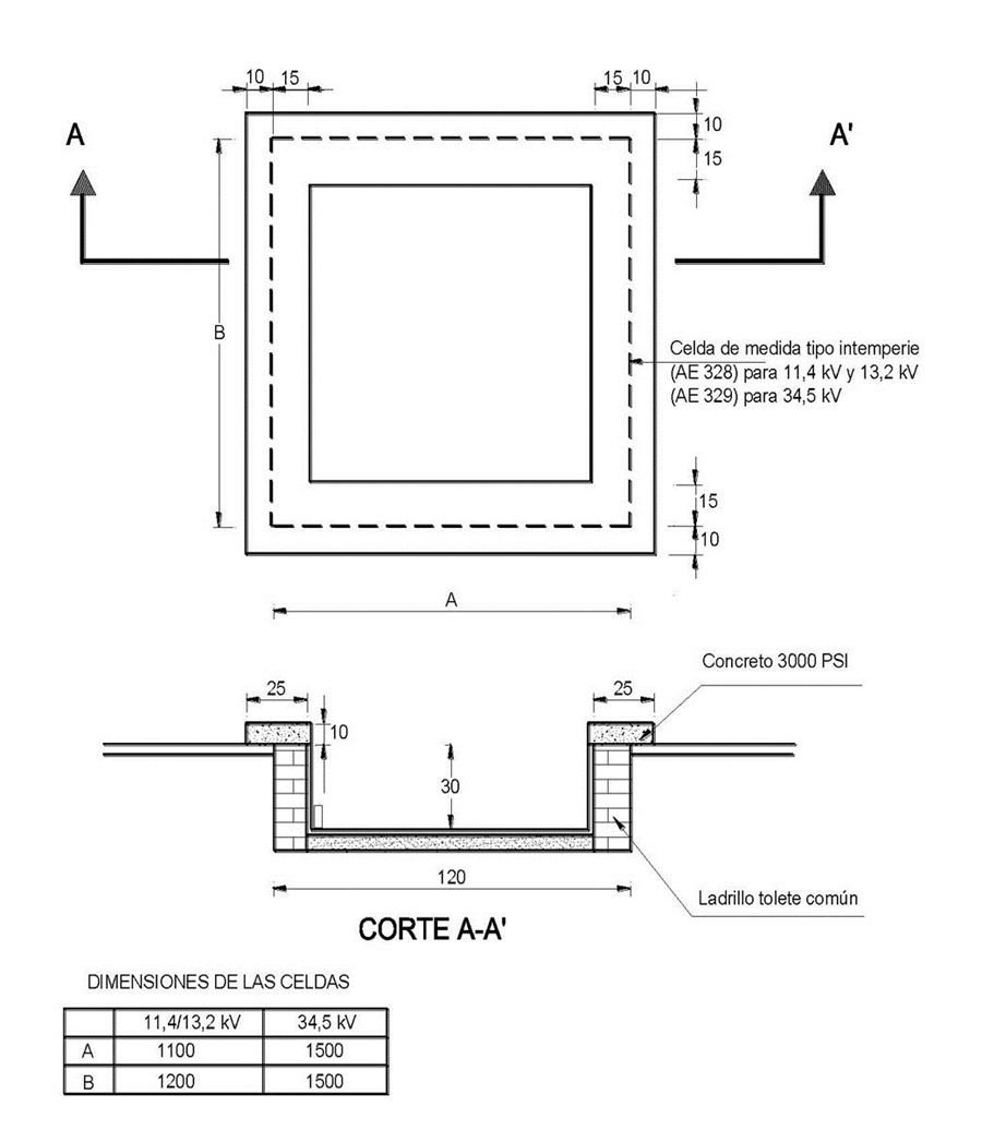
AE344 Base Y Foso Para Celda De Medida Tipo Intemperie De 11,4-13,2-34,5 KV
AE344 Base y foso para celda de medida tipo intemperie de 11,4-13,2-34,5 kV
Contenido
DATOS ADICIONALES
Revisión #
1
Fecha de entrada en vigencia
07 Mayo 2001
HERRAMIENTAS
Descargar archivo
RELACIONADAS
Actividad de los usuarios
Para hacer comentarios debe
iniciar sesión
o registrarse
aquí
Estado del comentario
X
×
Actividad de los usuarios
Para hacer comentarios debe iniciar sesión o registrarse aquí