Pasar al contenido principal
Navegación principal
HOME
NORMAS TÉCNICAS
ESPECIFICACIONES TÉCNICAS LOCALES
ESPECIFICACIONES TÉCNICAS CORPORATIVAS
CONTACTO
Menú de cuenta de usuario
Iniciar sesión
Sobrescribir enlaces de ayuda a la navegación
Inicio
Normas Técnicas
ACOMETIDAS Y MEDIDORES
Cajas, Armarios Y Celdas
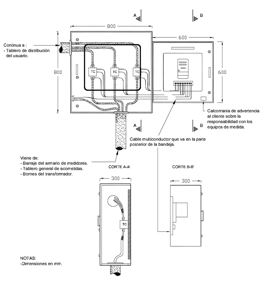
AE316 Instalación De Equipo De Medida Y Transformador De Corriente En Cajas Separadas
AE316 Instalación de equipo de medida y transformador de corriente en cajas separadas
Contenido
DATOS ADICIONALES
Revisión #
1
Fecha de entrada en vigencia
07 Mayo 2001
HERRAMIENTAS
Descargar archivo
RELACIONADAS
Actividad de los usuarios
Para hacer comentarios debe
iniciar sesión
o registrarse
aquí
Estado del comentario
X
×
Actividad de los usuarios
Para hacer comentarios debe iniciar sesión o registrarse aquí