Pasar al contenido principal
Navegación principal
HOME
NORMAS TÉCNICAS
ESPECIFICACIONES TÉCNICAS LOCALES
ESPECIFICACIONES TÉCNICAS CORPORATIVAS
CONTACTO
Menú de cuenta de usuario
Iniciar sesión
Sobrescribir enlaces de ayuda a la navegación
Inicio
Normas Técnicas
ACOMETIDAS Y MEDIDORES
Cajas, Armarios Y Celdas
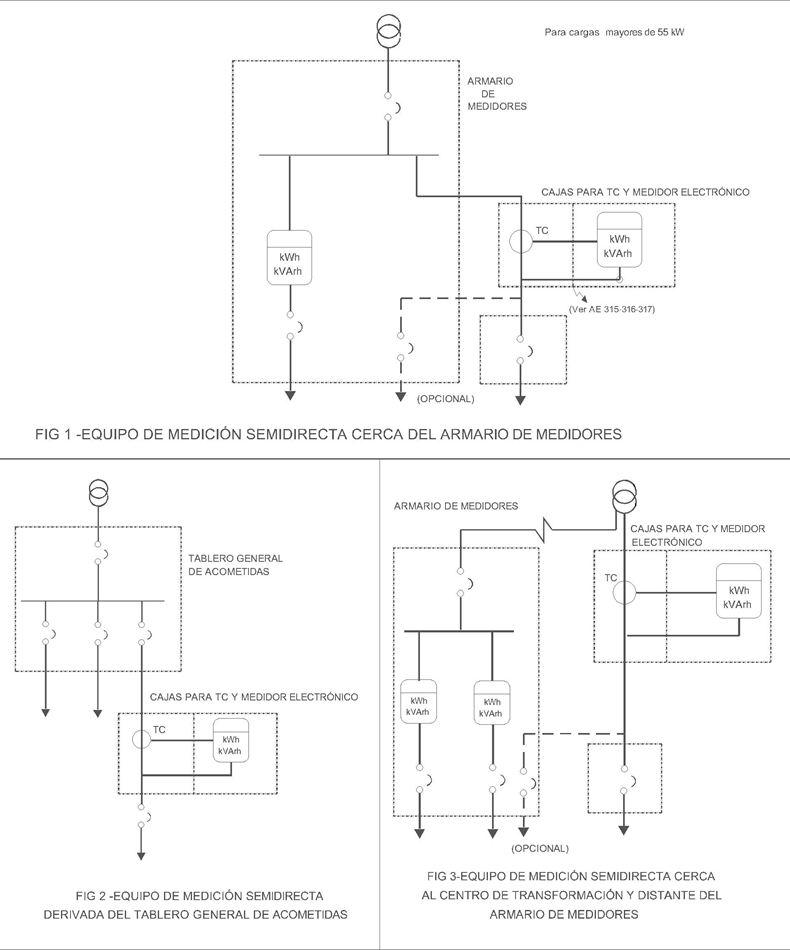
AE314-2 Alternativas Para Localización De Equipos De Medición Semidirecta En Edificaciones. Diagrama Unifilar
AE314-2 Alternativas para localización de equipos de medición semidirecta en edificaciones. Diagrama unifilar
Contenido
DATOS ADICIONALES
Revisión #
1
Fecha de entrada en vigencia
29 Enero 2016
HERRAMIENTAS
Descargar archivo
RELACIONADAS
Actividad de los usuarios
Para hacer comentarios debe
iniciar sesión
o registrarse
aquí
Estado del comentario
X
×
Actividad de los usuarios
Para hacer comentarios debe iniciar sesión o registrarse aquí