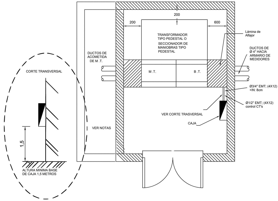
AE295-4 Montaje de caja para concentradores de medición inteligente - caso pedestal
- Contenido
LISTADO DE MATERIALES
| SÍMB. | CANT. | CÓDIGO SAP | ESP. TÉCNICA | DESCRIPCIÓN |
| 10 | 6785223 | Sello seguridad amarillo nuevas conexiones | ||
| 1 | 6763116 | Bornera conexión y prueba medidor de 3 elementos | ||
| 0,06 | 6762433 | Cinta en acero inoxidable 5/8 " x 30,48 m | ||
| 4 | 6762321 | Conector perforación (4/0-2/0) a 2 AWG | ||
| 4 | 6814003 | Conector interconexión redes PLC | ||
| 2 | 6764362 | Hebilla 5/8 " de acero inoxidable | ||
| 6 | 6769257 | cable Multiconductor 4 x 12 AWG, 600 V | ||
| 1 | 6814712 | Medidor trifásico 3 x 120/208 V 20 A | ||
| 1 | 6814713 | Concentrador datos Cerco1 | ||
| 3 | Transformador (1) | |||
| 1 | Antena (2) | |||
| 4 | 6814005 | Bornera Porta fusible (0,08 - 4,0 mm2) | ||
| 4 | 6812966 | Bornera seccionable 120 V | ||
| 4 | 6814967 | Puente adyacente 2 polos | ||
| 2 | 6808954 | Freno riel Omega Paso 6,5 mm, gris | ||
| 4 | 6814006 | Fusible cerámico Curva Gg de 5x20 mm 2,0 A | ||
| 1 | 6813863 | ET933 | Caja concentradores medición inteligente | |
| 1 | ET492 | Kit puesta a tierra para caja de poste |
ALTERNATIVAS:
(1) Transformador:
• 6813864 Transformador núcleo partido con toma de tensión 100/5A CI 1
• 6813865 Transformador núcleo partido con toma de tensión 200/5A CI 1
• 6813866 Transformador núcleo partido con toma de tensión 300/5A CI0,5
• 6813867 Transformador núcleo partido con toma de tensión 400/5A CI0,5
• 6813868 Transformador núcleo partido con toma de tensión 600/5A CI0,5
• 6813869 Transformador núcleo partido con toma de tensión 800/5A CI0,5
• 6814000 Transformador núcleo partido con toma de tensión 1000/5A CI0,5
• 6814001 Transformador núcleo partido con toma de tensión 1500/5A CI0,5
• 6814002 Transformador núcleo partido con toma de tensión 2000/5A CI0,5
(2) Antena:
• 6814004 Antena magnética con cable, frecuencia: 800-1900 MHz dual band. Ganancia: 5 dB.I
• 6808958 Antena magnética con cable, frecuencia: 800-1900 MHz dual band. Ganancia: 7 dBI.
NOTAS:
- La caja se debe conectar al sistema de puesta a tierra, en caso que la caja no sea metálica omitir este punto.
- La resistencia de tierra debe ser de máximo 10 ohm, de acuerdo a RETIE Tabla 15.4.
DATOS ADICIONALES
Revisión #
0
Fecha de entrada en vigencia
Actividad de los usuarios
Para hacer comentarios debe iniciar sesión o registrarse aquí