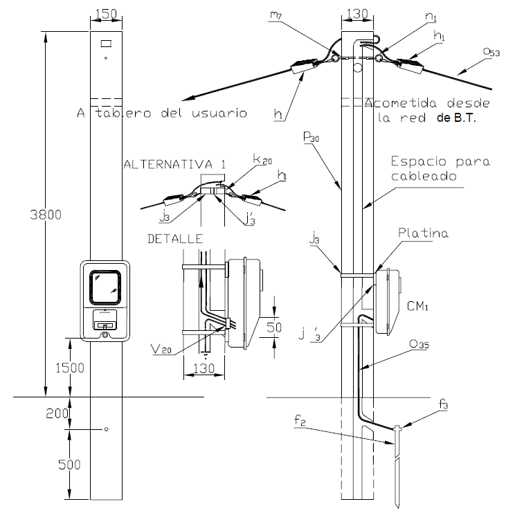
AE223 Instalación de caja de medidor en poste de concreto
- Contenido

LISTA DE MATERIALES
| SÍMB. | CANT. | CÓDIGO SAP | ESPECIFICACIÓN TÉCNICA | DESCRIPCIÓN |
| CM 1 | 1 | 280022 | ET901 | Caja de medidor monofásico en poste de concreto |
| f 2 | 1 | 201017 | ET490 | Varilla de Puesta a Tierra Ø 5/8” x 2.44 m |
| f 3 | 1 | ET490 | Conector para varilla a tierra 5/8" | |
| h 1 | 2 | 251380 | ET353 | Tensor de acometidas |
| J 3 | 2 | 780182 | ET450 | Metros de cinta de acero inoxidable 5/8”x 0,03” |
| J´ 3 | 2 | 780351 | ET450 | Hebilla de acero inoxidable 5/8” |
| m 7 | 1 | 251362 | ET454 | Tuerca de ojo 5/8” |
| n 1 | 1 | 201016 | ET461 | Perno de ojo 5/8” x (203mm) (1) |
| o 35 | 2 | 340184 | ET116 | Metros de alambre de cobre calibre 8 AWG |
| V 20 | 1 | Prensa estopa 1” | ||
| p 30 | 1 | 230968 | ET203 | Poste de concreto 4.5 m para instalación de caja de medidor (2) |
| I 4 | 1 | 230968 | ET502 | Interruptor automático 1x40 A |
| M 20 | 1 | 510265 | GSSS001 | Medidor Electrónico monofásico, 2H, 5/100A,120V Cl1 |
| O 53 | 10 | Metros de cable de cobre aislado con neutro concéntrico 600V 2x8 AWG |
NOTAS:
1. Se colocara recebo compactado en capas de 15 cm en la base y alrededor del poste
2. Se construirá el andén alrededor del poste colocado, con el mismo espesor y calidad del concreto del andén original
3. Altura mínima de la acometida sobre nivel de piso:
- En puntos de retención o hasta la parte inferior de la curva de goteo: 3 000 mm
- En vías residenciales y comerciales sin tráfico de camiones: 3 600 mm
- En vías con tráfico pesado: 5 500 mm
4. El calibre de la acometida depende de la carga
5. Esta norma corresponde a una carga monofásica de 4 kW .
ALTERNATIVAS
(1) Soporte para anclaje de acometida K20 (ET 470) y cinta de acero inoxidable de 5/8”
(2) Poste de fibra de 4.5 para instalación de medidores según ET-223
DATOS ADICIONALES
Revisión #
AE223
Fecha de entrada en vigencia
Actividad de los usuarios
Para hacer comentarios debe iniciar sesión o registrarse aquí